Бак для горячей воды в баню – как выбрать?
Все прекрасно понимают значимость горячей воды в бане. Без нее и не помыться и на каменку не поддать. Технологичным решением будет установка бойлера для нагрева. Но зачем занимать лишнюю площадь, к примеру, в небольшой бане, если можно организовать нагрев воды в обычном баке, посредством печного отопления? И всего-то нужно правильно выбрать для этого емкость.
Для начала заметим, что все баки отличаются по форме и вместимости.
Конструктивные варианты
С размерами понятно. Теперь поговорим о способе нагрева воды. Он зависит от конструктивных особенностей емкостей и способа их расположения. Из основных вариантов выделяются следующие виды:
- классические баки, встроенные в печь;
- емкости на трубе;
- выносные баки.
Встроенные емкости
Первый вариант, считается классикой. Емкость располагается сбоку или над печкой. Отопление происходит по мере нагревания, а для слива на баке есть шаровой кран. С одной стороны, они достаточно удобны, не требуют дополнительных работ по выведению труб или обустройству мест для крепления. Но печи с такими баками, отличаются большими габаритами, и в некоторых банях, не выделяющихся размерами, их установка будет сопряжена с потерей драгоценных метров. В таких случаях, необходимо выбирать печь для бани, с баком, расположенным сверху. В таком исполнении он не будет загромождать проход.
Выносные конструкции
Такие баки чаще используются в саунах,
Из чего должен быть бак?
Конечно, самый распространенный во всех проявлениях вариант – нержавеющая сталь. Этому есть несколько неоспоримых доказательств: они не подвержены коррозии, вода в них быстрее прогревается, а за счет особых свойств металла, медленнее остывает. Нержавейка не деформируется от высоких температур, имеет небольшой вес и всегда выглядит привлекательно, дополняя оформление внутреннего пространства.
В целях экономии, многие по сей день используют металлические баки. Но они непрактичны ни с эстетической стороны, ни с практической точки зрения. И если неприглядный вид можно скрыть за кирпичной кладкой, то от ржавчины, проявляющейся с годами внутри емкости, справится невозможно. Да и постоянный нагрев, деформирует металл. И если людей, у кого такие баки стоят относительно давно, еще можно понять, то нельзя уяснить сложность мышления тех, кто ставит металлические баки в новой построенной бане. Мало того, многие даже не пытаются скрыть их перегородками, оставляя снаружи на общее обозрение.
Можно найти в продаже и чугунные баки. Толстый металл, имеющий определенную структуру, не ржавеет, но в нем долго прогревается вода, но также медленно и остывает. Чугунные баки тяжелы, на небольшую печь их лучше не ставить, а располагать сбоку.
Выбирать бак, кроме вместимости нужно и по конструктивным особенностям. Обычные нержавеющие емкости, работающие от нагрева печи, производятся, прямоугольной формы, квадратной и полукруглой. В зависимости от свободного пространства и с учетом того будет ли заливатьсяфундамент под печь и выбирается тип бака. Также, не забывайте про свободную площадь. Располагать их нужно таким образом, чтобы они не стесняли пространство. Чтобы при помывке вы не ошпарились, случайно прикоснувшись к нему.
В зимнее время, по окончании помывки, баки опустошают полностью. Замерзнув, вода разорвет любой металл. Не топите печи с пустым баком. Высокая температура, деформирует емкость, а с эмалированной поверхности отслоится вся защита.
proekt-banya.ru>
Виды баков
Все баки делятся на виды по двум критериям: способу установки и материалу изготовления. По способу установки баки бывают:
- встроенные;
- выносные;
- самоварного типа (монтируемые на печную трубу).
- чугунные;
- из нержавеющей стали;
- из эмалированной стали.
У каждого вида есть модели, отличающиеся по форме, объему, толщине стенок. Большинство емкостей оснащены стандартными кранами и имеют выводы для душа, но есть и такие, из которых воду набирают через верх ковшиком. Чтобы не ошибиться при выборе, следует подробно ознакомиться с преимуществами и недостатками всех указанных видов.
Встроенные баки

Встроенные баки
Самый экономный и удобный вариант. Бак устанавливается в процессе кладки печи. Его нижняя часть располагается внутри топки, благодаря чему вода нагревается непосредственно пламенем. Горячую воду набирают через верх ковшиком или при помощи встроенного крана.

Печь из кирпича с баком для воды
Из-за прямого контакта с огнем стенки и дно емкости должны быть как можно толще, поэтому самым предпочтительным материалом для такого бака является чугун толщиной от 5 мм. Не менее популярными считаются баки из нержавейки с толщиной стенок 1 и 1,5 мм. Емкости из эмалированной стали для данного способа монтажа не подходят. Чугунные баки имеют форму чаши, из нержавейки обычно в форме куба или цилиндра.

Чугунные баки для воды
Преимущества встроенных баков:
- быстро нагревается вода;
- температура воды поддерживается длительное время;
- экономится свободное пространство, поскольку бак не выступает за пределы печки;
- простой монтаж.
Недостатки:
- уменьшается теплоотдача печи, так как основная часть тепла уходит на обогрев воды;
- габариты бака ограничены размерами печи;
- бак должен иметь толстые стенки, что увеличивает его вес и стоимость.

Баки металлические для банных печей
Этот способ удобен в тех случаях, когда в бане парится одновременно не более 4 человек, или люди моются по-отдельности. Например, если в бане по очереди парится 3-4 человека, времени на это требуется достаточно много, соответственно, и поддерживать температуру воды придется дольше, подкидывая дрова. Встроенный бак позволяет сэкономить на топливе, оставаясь горячим очень долго. А вот для больших компаний данный вариант не самый оптимальный, поскольку не обеспечивает нужное количество воды.
Выносные баки

Выносные баки
Выносной бак располагается на расстоянии от топки и соединяется трубами со встроенным в печь теплообменником. Без этого его эксплуатация невозможна. Чаще всего такой бак устанавливают в моечной или крепят на стене парной рядом с печкой, если его габариты больше площади топки. Выбирая место для емкости, необходимо учитывать, что длина труб не должна превышать 2,5-3 м. Выносные баки могут быть из нержавейки и эмалированные, цилиндрической, прямоугольной и даже треугольной формы – для установки в углу помещения.

Бак для воды треугольной формы
Преимущества:
- бак устанавливают там, где удобнее;
- можно использовать емкости больших размеров;
- нет прямого контакта с огнем, поэтому бак может быть эмалированным и с более тонкими стенками.
Если в бане регулярно парятся по 6-8 человек, выносной бак является отличным вариантом.
Недостатки:
- без поддержания огня в топке вода быстро остывает;
- печь нельзя использовать без воды в контуре;
- более сложный монтаж по сравнению со встроенным баком.

Схема подключения выносного бака
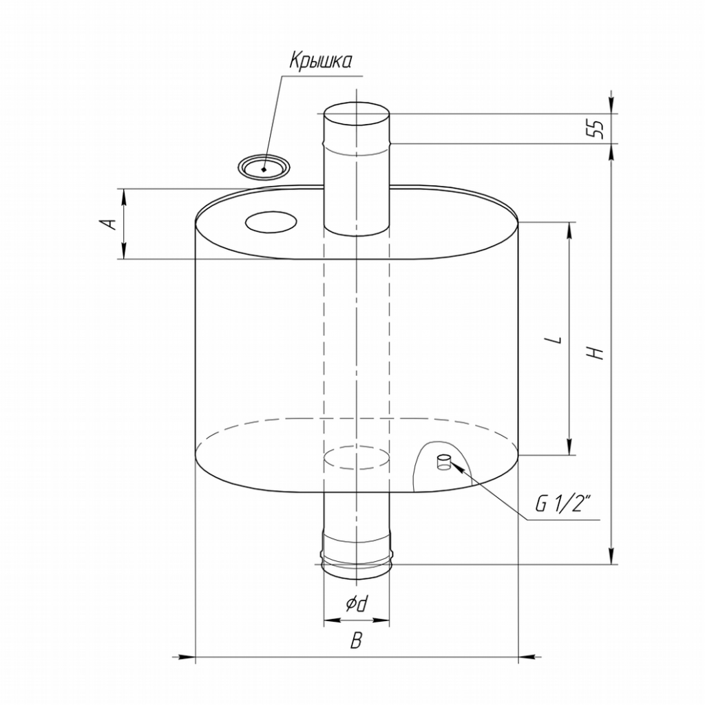
Бак на трубе или конструкция «Самовар»
Данный вариант подразумевает монтаж бака вокруг дымовой трубы, причем в одних моделях труба располагается снаружи емкости, в других – внутри.

Бак для горячей воды на трубу

Вариант конструкции бака для воды на трубу
По высоте бак может занимать пространство от печки до потолка, частично выходить на чердак или крепиться лишь к небольшому участку дымохода над печью. Самая удобная форма емкости – цилиндрическая, но есть много моделей прямоугольного, треугольного и овального сечения. Обогрев воды осуществляется при помощи проходящего по трубе дыма, который имеет очень высокую температуру.

Бак для воды овальной формы
Преимущества:
- быстрый и равномерный обогрев воды;
- не снижает теплоотдачу печи;
- экономия пространства;
- можно установить емкость любого объема;
- вода долго остается горячей.
Такой бак подходит для любой бани и любого количества человек. Все зависит от размеров емкости.

Печи с баками для воды на трубе
Недостатки:
- сложность установки;
- повышенное отложение сажи на стенках дымохода.
При установке бака необходимо правильно подобрать крепежные элементы, чтобы надежно зафиксировать емкость в вертикальном положении. Кроме того, понадобится монтировать трубы для подачи холодной воды и отвода горячей, устанавливать кран.

Бак самоварного типа

Плюсы и минусы разных конструкций
В зависимости от обстоятельств отдельные достоинства могут перевешивать недостатки. Понятно, что если бак расположен на печи или пристроен сбоку, то из этого следует три неприятные вещи:
- постоянный нагрев воды приведет к образованию пара, но это будет не тот разогретый свыше 100 градусов пар, который зовется легким – тот получают только с перегретых камней. А из емкости будет валить обычный тяжелый пар, от которого в парилке тяжело находиться.
- использовать нагретую воду для мытья проблематично, если парная не совмещена с парилкой. Придется носить горячую воду в моечную и мыться так, как предки мылись).
- у баков, пристроенных на боку печи нагрев происходит хуже всего, потому что стенки печи прогреваются не так сильно, как верх или дымоход. Плюс еще стенка самого бака со временем потеряет теплопроводность из-за накипи, а стенка печи – из-за окалины. Поэтому вода прогревается плохо, внизу остается холодной, ее надо перемешивать вручную.
Однако есть и достоинства у подобных конструкций – их легко заливать водой именно потому, что емкость расположена не высоко. Но это если нет холодного водоснабжения тоже. В противном случае плюс нивелируется.
Кстати! Чем больше площадь соприкосновения емкости с водой и печи, тем быстрее нагрев. Но не всегда к этому стоит стремиться – зачем вам клубы тяжелого пара в непрогретой бане?
Конечно, возможность устроить душ с любого бака у вас все-таки есть. И, хоть печники и не советуют пользоваться насосом, принудительная циркуляция жидкости в системе спокойно заберет воду хоть с наставного, хоть с приставного бака. Главное – не забывать подливать.
Сами мы считаем оптимальной систему, в которой резервуар крепится на дымоходе. А будет это большой бак или теплообменник – зависит от того, как вам привычнее или удобнее мыться. Ну, или от того, будет в системе насос или нет.

Фото: теплообменник самоварного типа
Однако и у оптимальной системы есть свои недостатки. В частности, торговцы признаются, что соединение бака и трубы на входе внизу может сильно страдать от перегрева, например, в ситуации, когда вода наливается уже после растопки печи. Тогда шов расходится и надо заваривать. Другой недостаток – это выгорание трубы при сильном разогреве печи.
Обращайте внимание и на размеры заливного отверстия. У одних резервуаров оно большое, это даже откидная крышка, а у других – маленькое круглое
Все-таки вам придется заливать десятки литров, а также время от времени мыть бак изнутри!
На заметку! Печь вообще не стоит топить на пределе ее возможностей. Это сокращает срок службы металла, который неизбежно окисляется и превращается в окалину, а потом она осыпается и остаются дыры. Нижний кусок дымохода тоже прогорит, если так топить. Если не хотите подобного, вставьте внутрь кусок черной трубы из конструкционной стали нужного диаметра. Она и часть тепла заберет, и прочности конструкции добавит.
Полезное видео
В этом ролике объясняется подробнее про укрепление дымохода обрезком трубы:
Больше узнать о недостатках навесного и крепящегося на дымоходе резервуара можно из следующих видеороликов:
https://www.youtube.com/watch?v=S5TRvRjgmLs
Правильный монтаж и подключение бака

Правильный монтаж и подключение бака станут залогом его длительной и бесперебойной эксплуатации. Поэтому технологию установки изделия следует выполнять точно и надёжно.
Схема работы очень проста: повышается температура жидкости в регистре, и она поднимается в бак, в котором постепенно остывает и опускается обратно в регистр. Это самый простой и надёжный вариант циркуляции воды, позволяет осуществить быстрый нагрев и не требует установки слишком сложных элементов.
В качестве улучшения данной системы делают забор жидкости из трубопровода, по которому вода поступает обратно в систему. Такая конструкция продлевает время нагрева жидкости, но позволяет её использовать сразу же после растопки печи. Но самым продуктивным является комбинированный вариант подключения бака. При котором можно переключаться с обыкновенного, прямого, забора воды на систему забора с обратки.
Правильная схема расположения и подключения бака для воды:
- Для большей продуктивности бак следует установить в парилке. Самым подходящим местом служит внутренняя полость под полками.
- Подключение бака происходит посредством труб, которые необходимо врезать непосредственно в змеевик печи. Трубы должны быть смонтированы из того же материала что и сам бак.
- Следует помнить, что должна соблюдаться правильная циркуляция жидкости. Для этого верхний отвод бака необходимо соединить с верхним отводом змеевика, соответственно, нижний отвод бака – с нижней точкой змеевика печи. Такая конструктивная особенность позволит отвести горячую воду в верх устройства, а холодную – в низ.
- Для большей продуктивности системы следует установить, как обратный, так и предохранительный клапаны, в том месте, где происходит подача холодной воды.
- Помимо монтажа предохранительного клапана, его следует правильно настроить. Для этого необходимо воспользоваться технической документацией, которая идёт в комплекте с клапаном.
Если все вышеперечисленные операции будут проведены точно и в правильном порядке, то работать система будет по следующему принципу: вода в баке нагревается, её потребляют пользователи, но через подвод холодной воды, резервуар будет автоматически наполняться жидкостью до необходимого уровня. Даже если вода не используется, но постоянно греется в баке, предохранительный клапан, при достижении критической точки, сбросит излишки давления.
Рекомендации по монтажу и подключению выносного бака к теплообменнику
Нагретая в теплообменнике жидкость самотеком должна поступать в резервуар. Оттуда ее можно расходовать на гигиенические процедуры, после чего в бак заново заливается холодная вода, уходящая по трубопроводу в теплообменник для подогрева.
Подключение бака для воды
Теплообменник оснащен патрубками для подключения контура. Резьба на их концах облегчает монтажные работы.
Таблица. Что понадобится для подключения?
| Наименование инструментов и материалов | Иллюстрация |
|---|---|
| Болгарка | |
| Перфоратор | |
| Шуруповерт | |
| Разводной ключ | |
| Уровень | |
| Гофрированная труба | |
| Муфты | |
| Саморезы | |
| Лен | |
| Сантехническая паста | |
| Шаровые краны | |
| Тройник |
Цены на сантехническую пасту
сантехническая паста
Шаг 1. Проводятся замеры точек выхода трубопровода, после чего высверливаются отверстия под трубы горячей и холодной воды.
Сверлятся отверстия
Сделать это не всегда просто, учитывая толщину стен.
Отверстие под трубу
Шаг 2. Подвешивается выносной бак из нержавеющей стали. Для этого нужно закрутить два самореза.
Вкручиваются саморезы
Все замеры необходимо делать с использованием уровня.
Используется строительный уровень
Бак фиксируется при помощи настенного крепления.
Фиксация бака для воды
Шаг 3. Соединения труб и патрубков необходимо герметизировать. Для этого можно использовать нить Tangit Uni-Lock или герметик. Если этих материалов нет, рекомендуется воспользоваться сантехнической пастой и льном, купить которые проблем не составляет. Паста наносится на резьбу, после чего наматывается волокно (его необходимо аккуратно расправлять).
Наматывается волокно
Такое соединение отличается надежностью. После этого можно завинчивать гайки, воспользовавшись разводным ключом.
Закручиваются гайки
Нужно отметить, что некачественно выполненная герметизация приведет к протечкам воды. То же самое необходимо сделать на теплообменнике.
Важно качественно выполнить герметизацию
Шаг 4. Подключение трубопровода. Соединение теплообменника осуществляется посредством гибкой нержавеющей гофрированной трубы. Подогнать ее по размеру можно при помощи болгарки.
Для подключения используется гибкая гофрированная труба
Второй конец горячей магистрали соединяется с патрубком (верхним) теплообменника.
Второй конец горячей магистрали
Внизу контура необходимо предусмотреть колено и установить шаровый кран для слива воды перед наступлением зимы (ни в трубах, ни в теплообменнике, ни в баке жидкости в холодном помещении оставаться не должно). Этот кран должен быть расположен в самой нижней точке.
Шаровый кран
Также монтируется выход горячей воды (подводится к крану).
Слив горячей воды из бака
В результате получилась такая конструкция.
Такая конструкция получилась в итоге
Теплообменник выглядит следующим образом: к верхнему патрубку подведена труба для отвода горячей жидкости, к нижнему – для подачи холодной воды из бака.
Подключение горячей и холодной воды
Шаг 6. Осталось наполнить бак и провести пробный запуск системы.
Голосование пользователей
Какой циркуляционный насос вы выберете или посоветуете?
Вихрь ЦН-25-6
60.00
%
(
3
)
Сохраните результаты голосования, чтобы не забыть!
Чтобы увидеть результаты, вам необходимо проголосовать
Голосование пользователей
Какой бак для воды вы выберете или посоветуете?
Горизонталь
Сохраните результаты голосования, чтобы не забыть!
Чтобы увидеть результаты, вам необходимо проголосовать
Что это такое
Устройство служит для нагрева воды в бане. Его принцип работы основан на физических свойствах горячей воды, расширяющейся и поднимающейся вверх, а холодная при этом остается внизу.
Обычно теплообменник небольшого размера, поэтому жидкость в нем быстро нагревается. К нему присоединяются две трубы – снизу и сверху. Таким образом, горячая по верхнему патрубку, замещаемая снизу холодной, поднимается в бак, который может находиться как в парилке, так и в смежном помещении, как правило – в мойке. При этом вода низкой температуры по нижней трубе постоянно без принудительной подачи добавляется в устройство для нагрева.
Варианты нагрева воды в бане от печи
Выделяют следующие модели:
1. Емкость самоварного типа – устанавливается на выходной патрубок дымохода. Нагрев происходит за счет тепла уходящих в трубу дымовых газов. К штуцеру на дне бака подсоединяется кран для разбора горячей воды. Если у вас нет помывочной, то данный вариант будет отличным решением для нагрева
Мы рекомендуем обратить внимание на следующие условия эксплуатации:
- использование бака самоварного типа допускается только с печами для бань;
- запрещается эксплуатировать пустой бак во время работы печи;
- если вы хотите получить «финскую сауну» данный вариант нагрева воды вам не подойдет, так как в случае долгого разогрева парной жидкость начнет кипеть, из-за чего образуется тяжелый пар.


2. Теплообменник самоварного типа (небольшого размера с возможностью подключения к баку), который можно расположить в любом месте. Удобен тем, что при его наличии, бак можно разместить в помывочной. Из очевидных преимуществ перед остальными вариантами – быстро нагревает воду.


3. Теплообменник, который устанавливается на стартовый дымоход.
4. Стартовый дымоотвод + бак-рюкзак – вариант с нахождением в парной и отсутствием регулируемой конвекции для прогрева помещения.
Емкость соприкасается со стенкой трубы дымохода, за счет чего происходит нагрев жидкости. Из недостатков также можно отметить, что данная модель не имеет защиты от жесткого инфракрасного излучения, и в случае сильного нагревания, вода начинает кипеть.
5. Дымоход-конвектор со встроенным в него нагревателем.
Особенности: регистр находится внутри трубы, из которой выходят 2 одинаковых штуцера ¾ дюйма с внутренней резьбой. С помощью патрубков устройство соединяется с баком, висящим в удобном месте.
Может быть:
- Вмонтирован в печь – при появлении накипи теряет КПД.
- Расположен возле дымохода (на нем) – медленнее обеспечивает нагрев до необходимой температуры, зато на его внутренней поверхности ничего не оседает, к нему имеется легкий доступ, и его ремонт не составляет труда.
Выбор зависит от пользователя: чему отдать предпочтение, производительности или комфорту в обслуживании, экономии полезной площади или топлива.
Банные печи, оснащенные выносным баком
Одним из наиболее удобных вариантов подогревания воды является установка выносных баков. Такой бак может одновременно справляться с двумя задачами:
- подача горячей воды в моечное отделение бани;
- обеспечение горячей водой моек, находящихся в других помещениях.
Огромное достоинство установленного выносного бака состоит в том, что его наличие навсегда устраняет такую неприятную ситуацию, когда топка доводит воду до кипения, не успев окончательно прогреть весь объем парной, следствием чего является заполнение помещения клубами влажного пара.
Кроме того, выносной бак является единственно правильным решением для тех, кто хочет обзавестись не русской баней, а сауной, воздух которой должен быть предельно сухим.
Обычно изготовленный из нержавейки выносной бак следует устанавливать в помещении, находящемся рядом с парной. Подогрев залитой в него воды обеспечивается с помощью теплообменника, монтируемого в банной печи и подключаемого к баку с помощью труб.

Чтобы обеспечить циркуляцию воды без применения насосов, днище бака должно возвышаться над теплообменником, иногда называемым регистром, на полметра или чуть более. Чтобы препятствий для циркуляции воды не возникало никогда, необходимо:
- устанавливать соединительные трубы длиной, не превосходящей 3 м;
- для монтажа выбирать трубы диаметром в один дюйм или более;
- обеспечить отсутствие провисания труб и их уклон порядка 2-5°.
При несоблюдении одного из перечисленных условий может потребоваться установка насоса.

Говоря о теплообменниках, следует отметить, что для печей марки «Жара», например, им придается цилиндрическая форма, а для их изготовления используется нержавейка, толщина которой составляет целых 5 мм.
Удобные в использовании и практичные выносные баки имеют, однако, и недостатки, состоящие в сложности их установки и подключения. Кроме того, не стоит забывать и о существенных затратах, связанных с приобретением довольно дорогих водонагревающих регистров-теплообменников, труб, кранов, соединительных шлангов.
Перечисленные недостатки баков выносного типа в значительной мере компенсируются удобной возможностью обустроить душ или подключить к баку батарею, способную обогревать раздевалку или душевую в зимнюю стужу.
Как сварить бак для воды своими руками
Простота конструкции и механизма действия позволяет изготовить бак для бани своими руками. Таким образом, можно не только сэкономить, но и утолить жажду изобретателя. В первую очередь необходимо определиться с формой емкости и материалом. Можно подобрать трубу большого диаметра или листовой материал подходящего размера.
Для изготовления бака для бани в домашних условиях понадобится следующий набор инструментов:
- болгарка с отрезными и зачистными кругами;
- слесарные инструменты;
- сварочный аппарат;
- дрель со сверлами по металлу;
- фитинги;
- растворитель и грунтовка, кисть;
- защитная одежда и средства защиты дыхательных путей и глаз.
Пошаговое изготовление:
- Для начала необходимо произвести подготовку материала. Металл очищают от пыли и любых всевозможных загрязнений.
- С помощью болгарки вырезают заготовки необходимого размера – всего должно выйти 6 плоскостей-граней, которые и сформируют бак – четыре вертикальные, донышко и крышка.
- На нижнюю грань устанавливают боковые части и прихватывают сваркой.
- Все части должны быть взаимно перпендикулярными для обеспечения устойчивости конструкции.
- Предварительно грани обтачивают до приобретения правильной формы.
- Убедившись, что заготовка имеет прямые углы и скосы либо щели отсутствуют, можно приступать к завариванию шва по периметру днища изнутри.
- Когда первый шов остыл, отбивают шлак и приваривают вторым.
- Аналогично поступают и со швами между вертикальными гранями.
- Далее проходят сваркой снаружи по шву. Таким образом, достигается необходимая герметичность. Крышка будет съемная, поэтому со сварочными работами завершено.
- Дрелью проделывают отверстия для труб необходимого диаметра.
- Также сверлят отверстия для крепления.
- Зафиксировав все фитинги и трубы, можно проверять бак на утечку, заполнив его водой.
- Если нет течей или свищей, можно устанавливать конструкцию на место и начинать эксплуатацию. В противном случае сварочные работы придется повторить по каждому шву до устранения неточностей.
Последним этапом будут отделочные работы. Поверхность бака необходимо обезжирить растворителем, швы зачистить напильником. После высыхания растворителя, наносят жаростойкую грунтовку.

























































