Конструкция и особенности проходных выключателей
Подключить провод фазы к входу в одном из проходных выключателей, на котором три выхода. При этом фаза которая подается на светоточку , не коммутируется на один из выходов, а наоборот, заводится на оба контакта, с одной стороны.

Примерно так выглядит исполненный монтаж внутри помещения, где необходима система управления из трёх мест К примеру, создавать подобную схему под условия прохождения длинного коридора, на 1 вход и 1 выход, с коммутацией в центральной зоне, явно нецелесообразно. Ноль приходит сразу на лампу, без промежуточных узлов.

Мы привыкли называть устройства включения-выключателями, но по сути это проходные и перекрестные переключатели.

Допустим, один из них будет находиться возле кровати, второй у выхода комнаты, а третий возле рабочего стола. Особого внимания требует грамотное подсоединение концов электрических кабелей, что гарантирует бесперебойную работоспособность и безопасность эксплуатации всей системы.

Аналогичное крепление оставшихся выходов. Его конструктивная особенность в том, что имеется четыре контактные точки две входных и две выходных.
Работа схемы проходного выключателя

Путаница при чередовании фазы и нуля Нужно быть очень внимательным при коммутации проводников, чтобы не произошло как на картинке ниже. Скорее всего в новых выключателях есть ночная подсветка. К примеру, такой проект: Схемотехника для проектов, требующих увеличения числа мест управления более трёх.
Таким образом, можно будет включать, и отключать свет из разных мест. Главное преимущество изделия — возможность проводить включение или выключение с двух, трёх или более точек. Как подключить проходной выключатель из 3 х мест Целесообразность применения проходных выключателей обусловлена индивидуальной планировкой помещения со светильниками, требующими регулировки из различных точек. Особенность его в том, что при помощи его можно подключить множество выключателей. Но не исключается также вариант с одной РК.
Принцип работы и схема переключателя Как выглядит схема подключения проходного выключателя? Следствие из предпоследнего правила для перекрестного коммутатора: сколько выходных пар у проходного коммутатора, столько входных и выходных у перекрестного выключателя
Не менее важно осмотреть его конструктивные особенности, так как он может быть различного вида. Схема подключения представлена ниже
В диодных лампах, например, есть свой встроенный блок питания поэтому они такие дорогие , на входе которого стоит конденсатор. Как подключить проходной выключатель с двух точек полная схема монтажа
Схемы подключения проходных выключателей
Способ расключения маршевых выключателей определяется конкретными условиями применения. В нескольких случаях мы рассмотрим 2 варианта изображения подключения. Первый из них более прост для понимания, и его достаточно при установке приборов в случае уже существующей электропроводки. Другой вариант учитывает требование прокладки кабеля с применением распределительных коробок, что реально исполнить в новостройке или при замене проводки.
Стандартный вариант установки в 2-х точках
Вариант управления одним или несколькими параллельно соединенными лампами из двух местоположений наиболее востребован и прост. Существует четыре возможные комбинации положения клавиш двух выключателей: в двух из них светильник включен, в двух других – выключен.
В примере с фото приборов сзади цепь разомкнута, и лампа не горит. На нижней части иллюстрации цепь замкнута, и свет включен. Можно сказать, что в данной схеме подключения один обычный выключатель заменен двумя одноклавишными проходными, соединенными между собой двухжильным кабелем.
Данная иллюстрация демонстрирует подключение с применением распределительной коробки. Как видите, каждый из приборов соединен с коробкой трехжильным кабелем.
Схемы управления одним светильником из нескольких точек
Управление из нескольких точек необходимо при движении по длинному переходу. Например, в трехэтажном доме на каждом этаже можно управлять освещением на лестнице там, где нужно.
Чтобы реализовать схему независимого управления освещением из трех местоположений, необходим перекрестный выключатель. Как и в предыдущем варианте, они могут быть соединены между собой двухжильным кабелем.
Теперь познакомимся со схемой электромонтажа, выполненной по всем правилам, с применением распредкоробки. Как видите, для подсоединения к распределительной коробке двух проходных переключателей необходим трехжильный кабель, а для перекрестного — придется использовать два двухжильных.
По этому же принципу можно построить схему управления освещением из 4-х и более местоположений. Первый и последней прибор в цепи – проходные выключатели. Промежуточные приборы — перекрестного типа.
Управление несколькими светильниками из нескольких мест
Бывают ситуации, когда необходимо управлять несколькими светильниками из нескольких местоположений. Например, в спальне возможна установка одного двухклавишного проходного переключателя у двери, а другого — у кровати. Тогда в обоих местах можно будет включать и выключать как общее освещение в комнате, так и светильники у кровати.
Для реализации такой схемы потребуется два двухклавишных проходных выключателя. Для их соединения в простейшем случае необходимо два двухжильных кабеля.
Монтажная схема правильного подключения двухклавишного проходного выключателя с применением распредкоробки выглядит более внушительно. Коробка потребуется большого размера, так как в ней должно уместиться восемь соединений проводов. Для подключения первого проходного выключателя потребуется двухжильный и трехжильный кабель, а для подсоединения второго – два трехжильных.
Теоретически, увеличивая количество проходных 2-х клавишных выключателей, можно осуществлять независимое управление освещением 2-х светильников из любого количества мест. Возможно, Вы захотите оперировать из двух местоположений тремя группами лампочек в люстре. Схема с применением тройного выключателя демонстрирует реальную возможность такой работы, однако кабеля при этом потребуется немало.
Данная схема подключения проходного выключателя из 3-х мест демонстрирует возможность управления двумя отдельными лампочками. Два двухклавишных проходных выключателя могут стоять у кровати, третий – у двери спальни. Везде можно включить и выключить местное освещение, либо общий светильник.
Как мы уже заметили, схему управления освещением можно наращивать бесконечно. Возможность включать и выключать 2 различных светильника из четырех точек может пригодиться в длинном коридоре дома с большим количеством комнат. Очевидно, после рассмотрения различных примеров не составит труда составить самому любую схему независимого управления освещением с применением одноклавишных и других проходных выключателей.
Как подключить проходные выключатели для управления освещением из нескольких мест? Схемы подключения и видео
Как было сказано выше, проходные выключатели предназначены для управления одной или несколькими группами освещения. Мы уже рассмотрели, как подключить сквозной выключатель, и знаем, что управлять осветительными приборами можно с двух и более точек, но каждая из этих схем имеет свои особенности.

Такое устройство, как выключатель, может выглядеть элегантно и богато
В отличие от обычных одно-, двух- и трехклавишных коммутационных блоков, которые монтируются по отдельности, установка проходных выключателей осуществляется только попарно. Далее мы рассмотрим, как реализовать схему управления световыми группами из двух и более мест и функции подключения.
На видео наглядно показана принципиальная схема переключателя байпаса:
Посмотреть это видео на YouTube
Принципиальная схема подключения проходного выключателя с 2-х мест
подключение проходного выключателя практически не отличается от установки обычного 1-, 2- или 3-позиционного выключателя. Разница только в количестве клемм и проводов.
Для реализации двухсторонней схемы подключения выключателя потребуются два коммутационных блока, распределительная коробка, к которой подключаются провода от осветительных приборов и трехжильные кабели от выключателей.

Схема подключения двухпозиционного переключателя
Фазная линия от распределительной коробки подключается к общему входному контакту 1 проходного выключателя. Выходные контакты подключены параллельно аналоговым клеммам второго блока коммутации. От общего разъема второго выключателя провод идет на клемму блока освещения. Другой вывод лампы соединяется проводом в распределительной коробке с «нулем».
Вот в принципе и вся схема подключения выключателей из двух мест. На мой взгляд, ничего сложного в этом нет.
Схема подключения проходного выключателя с 3-х мест
Чтобы иметь возможность включать/выключать свет из трех мест, необходимо купить крестовой (крестовый) выключатель на два выключателя. Отличается от описанных ранее наличием двух входов и двух выходов. Он переключает пару контактов одновременно. Как все должно быть организовано, смотрите на картинке. Если вы поняли, что выше, это легко понять.

Электрическая схема управления светильником с трех точек
Как собрать такую композицию? Вот процедура:
- Ноль (и земля, если она есть) начинается сразу на лампе.
- Фаза подключается к входу одного из проходных выключателей (с тремя входами).
- Вход другого подается на свободный провод лампы.
- Два выхода трехконтактного устройства подключены к входу перекрестного переключателя (с четырьмя входами).
- Два вывода второго трехконтактного блока ведут на вторую пару контактов четырехвходового переключателя.
Та же схема, но с другого ракурса — где вы будете подключать провода к корпусам.

Куда подключать провода
А вот как разводить по комнате.

Проводка при управлении светильником с трех мест
Если вам нужна схема на четыре, пять и более точек, то она отличается только количеством кроссовых переключателей (на четыре входа/выхода). В любой схеме всегда есть два переключателя (с тремя входами/выходами) — в самом начале и в самом конце цепи. Все остальные элементы являются перекрестными единицами.

Схема подключения 5-точечных проходных выключателей
Уберите одно «перекрестие», получите контрольную карту из четырех точек. Добавьте еще — там уже будет расстановка на 6 КПП.
Чтобы окончательно все уложить в голове, посмотрите это видео.
Схема подключения проходного выключателя для управления из 4х мест
Для четырех контрольных точек необходимо использовать сложную схему подключения, показанную на рисунке ниже. В таком комплекте используются не только две втулки, но и пара переключателей крестового типа.

При рассмотрении возможности одновременного управления светильником из 4-х мест потребуются два блока кросс-коммутации.

Если в этом помещении несколько световых групп, следует отдать предпочтение двухкнопочным выключателям крестового типа. Установленные таким образом проходные системы значительно упрощают процедуру управления освещением.
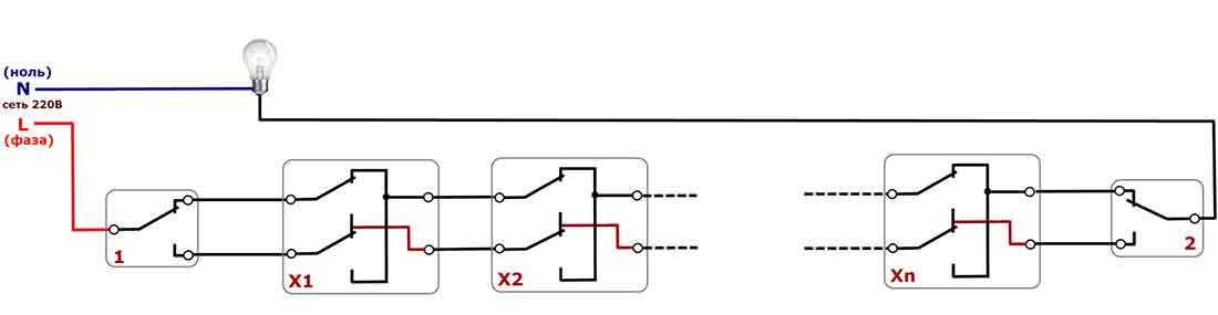
Схема подключения проходного выключателя для управления из 5 мест
Для управления освещением с пяти точек необходимо два сквозных и три перекрестных выключателя. Схема подключения будет выглядеть так:

Схема управления светом от пяти и более мест с помощью проходных и перекрестных выключателей (1 и 2 — сквозные, х1, х2..хн — перекрестные)
Известные производители проходных переключателей
Компания Легранд занимает лидирующую позицию на рынке электротоваров. Востребованность проходных выключателей Legrand обусловлена высоким качеством исполнения изделий, простотой монтажа, удобствами в дальнейшей эксплуатации, стильным дизайном и гибкой ценовой политикой. Единственным недостатком является необходимость в подгонке установочного места. Если оно не будет совпадать с изделием, могут возникнуть трудности при его монтаже, который выполняется согласно схеме подключения проходного выключателя Легранд.

Проходные переключатели фирмы Legrand
Дочерним предприятием Легранд является китайская компания Lezard. Однако от родного бренда у изделий остался лишь стильный дизайн. Качество сборки намного ниже, что обусловлено низкой стоимостью продукции.
Одним из ведущих отечественных производителей электротоваров считается компания Wessen, которая является частью фирмы Schneider Electric. Все изделия изготавливаются по новейшим технологиям на современном зарубежном оборудовании и соответствуют европейским стандартам качества. Модели обладают универсальным стильным дизайном, позволяющим вписать каждый элемент в любой интерьер помещения. Отличительной чертой выключателей Wessen является возможность замены декоративной рамки без демонтажа устройства.
Еще одним не менее известным производителем является турецкая компания Viko. Изделия характеризуются высоким качеством исполнения, надежностью и долговечностью, соответствуют требованиям электробезопасности и европейским стандартам качества. При изготовлении корпуса устройства применяется пожаробезопасный прочный пластик, который рассчитан на большое количество циклов работы.

У проходного выключателя, в отличие от обычного, три проводимых провода
Турецкий бренд Makel предлагает качественную, надежную, безопасную и стильную продукцию. Благодаря возможности подключения шлейфа без надобности задействования распределительной коробки, монтаж выключателей становится более простым, а дальнейшая эксплуатация – комфортной и безопасной.
Популярный модельный ряд проходных переключателей
Проходные выключатели Легранд из серии Velena отличаются стильным дизайном и многообразием цветовых вариаций. Здесь представлены одно и двухклавишные изделия, которые имеют пыле- и влагозащитный слой. Купить выключатель можно от 300 р.
В серию Celiane вошли изделия, у которых круговые клавиши вписаны в квадрат. Они могут быть бесконтактными с рычажками или бесшумными. Стоимость переключателей начинается от 700 р. Модельный ряд Exclusive Celiane представлен ограниченным количеством выключателей, выполненных вручную из мрамора, бамбука, фарфора, золота, мирта и других материалов. Рамки выполняются исключительно на заказ. Цена за изделие начинается от 5,9 тыс. р.

Цветовые решения для переключателей из серии Celiane
Самыми популярными сериями выключателей от компании Lezard являются Demet, Mira и Deriy. Здесь представлены изделия, выполненные из негорючего поликарбоната, что соответствует требованиям электробезопасности. Токопроводящие элементы изготовлены из фосфорной бронзы, что характеризуется высокой проводимостью и низким подогревом. Купить проходной одноклавишный выключатель можно от 125 р.
В серии W 59 Frame от Wessen используется модульный принцип, позволяющий установить от 1 до 4 устройств в одну рамку горизонтально или вертикально. Цена изделия составляет 140 р. Отличаются простым дизайном, но высоким качеством исполнения одинарные и двойные проходные выключатели из серии Asfora, купить которые можно за 450 р.
Среди популярных серий компании Makel можно выделить Defne и Makel Mimoza. Корпус устройств выполняется из высококачественного пластика, оснащенный внутренним надежным механизмом. Стоимость изделий начинается от 150 р.

При нажатии кнопки вкл/выкл подвижный контакт проходного выключателя перекидывается из одного контакта на другой, создавая при этом условия для новой цепи в дальнейшем
Принцип работы и установка коммутирующих устройств не представляют существенных сложностей. Необходимо предварительно изучить схему подключения и следовать рекомендациям правил электробезопасности, что даст возможность осуществить надежный и безопасный монтаж устройств, тем самым обеспечит удобное и комфортное управление осветительными приборами в доме.
Как подключить проходной выключатель: видео схемы подключения
Поделиться новостью в соцсетях
« Предыдущая запись
Конструкция и принцип работы проходного выключателя
Проходные выключатели предназначены для включения и выключения освещения из разных концов помещения или лестничного марша. Имеется в виду то, что включить свет можно, например, при входе в комнату, а выключить – в другой ее части. Такой принцип действия позволяет существенно экономить электроэнергию.

Включение света из разных мест не только очень удобно, но еще и позволяет довольно существенно экономить электроэнергию
Проходной выключатель по внешнему виду не отличается от обычного. На его лицевой подвижной панели также изображены стрелочки вверх-вниз. Обычный выключатель оснащен одним входом и одним выходом. В отличие от этого проходное устройство имеет один вход и два выхода. Это свидетельствует о том, что здесь не разрывается ток, а перенаправляется на любой из выходов.
Несмотря на то, что опытные электрики на глаз смогут определить проходной выключатель, надежные производители выпускают изделия с нарисованной электрической схемой двойного проходного выключателя, тройного или одинарного, которая располагается под корпусом устройства.
Определить, что перед глазами именно одинарное проходное устройство, можно также при осмотре клемм с медными контактами. Их должно быть три. Для того чтобы убедиться, что клеммы между собой не перепутаны, следует воспользоваться мультиметром. Прибор следует поставить в режим подачи звукового сигнала и прозвонить его вход и выход. Если при касании к контакту мультиметр издает сигнал, контакт в этом месте присутствует.

Схема распределения связей в сети
Еще одним отличием от простого выключателя является наличие у проходного устройства трехжильной коммутации, а не двухжильной, как у обычного. Это своего рода переключатель, который перенаправляет напряжение от одного контакта на другой.
Проходные выключатели обычно работают в паре для управления за одним источником света. К каждому подводится ноль и фаза. Изменение положения клавиши выключателя способствует замыканию цепи, что заставляет загореться лампочку. При выключении первого или второго переключателя проводок фазы размыкается, а контакт парного выключателя замыкается, и свет гаснет. То есть когда на обоих устройствах клавиши находятся в одном положении, освещение включается, в разных — выключается.
Управлять освещением можно не только из двух мест, но и трех и более. Для этого в общую схему подключения проходного выключателя с двух мест необходимо добавить один или несколько перекрестных переключателей.
Назначение
Назначение ВН — коммутация рабочих токов в электроустановках, то есть мощностей, которые не превышают допустимые (номинальные) значения для того или иного участка электрической сети. Данное устройство не рассчитано на отключение токов аварийного режима, поэтому его можно устанавливать только при условии наличия в цепи защиты от короткого замыкания и перегрузки, которая реализуется плавкими предохранителями (ПК, ПКТ, ПТ) или защитным аппаратом, установленным со стороны источника питания или на группе потребителей.

При этом ВН имеет отключающую способность, которая соответствует электродинамической стойкости при коротких замыканиях, что позволяет использовать данный электрический аппарат для подачи напряжения на участок электрической сети, не зависимо от его текущего состояния, например, для пробного включения.
Таким образом, при условии наличия в цепи защиты от сверхтоков рассматриваемый элемент оборудования может эксплуатироваться как полноценный высоковольтный защитный аппарат (масляный, вакуумный или элегазовый). А при наличии моторного привода может участвовать в работе различных автоматических устройств (АВР, АПВ, АЧР, ЧАПВ), а также управляться удаленно автоматизированной системой диспетчерского технологического управления.
Схемы подключения проходных выключателей
Способ расключения маршевых выключателей определяется конкретными условиями применения. В нескольких случаях мы рассмотрим 2 варианта изображения подключения. Первый из них более прост для понимания, и его достаточно при установке приборов в случае уже существующей электропроводки. Другой вариант учитывает требование прокладки кабеля с применением распределительных коробок, что реально исполнить в новостройке или при замене проводки.
Стандартный вариант установки в 2-х точках
Вариант управления одним или несколькими параллельно соединенными лампами из двух местоположений наиболее востребован и прост. Существует четыре возможные комбинации положения клавиш двух выключателей: в двух из них светильник включен, в двух других – выключен.
В примере с фото приборов сзади цепь разомкнута, и лампа не горит. На нижней части иллюстрации цепь замкнута, и свет включен. Можно сказать, что в данной схеме подключения один обычный выключатель заменен двумя одноклавишными проходными, соединенными между собой двухжильным кабелем.
Данная иллюстрация демонстрирует подключение с применением распределительной коробки. Как видите, каждый из приборов соединен с коробкой трехжильным кабелем.
Схемы управления одним светильником из нескольких точек
Управление из нескольких точек необходимо при движении по длинному переходу. Например, в трехэтажном доме на каждом этаже можно управлять освещением на лестнице там, где нужно.
Чтобы реализовать схему независимого управления освещением из трех местоположений, необходим перекрестный выключатель. Как и в предыдущем варианте, они могут быть соединены между собой двухжильным кабелем.
Теперь познакомимся со схемой электромонтажа, выполненной по всем правилам, с применением распредкоробки. Как видите, для подсоединения к распределительной коробке двух проходных переключателей необходим трехжильный кабель, а для перекрестного — придется использовать два двухжильных.
По этому же принципу можно построить схему управления освещением из 4-х и более местоположений. Первый и последней прибор в цепи – проходные выключатели. Промежуточные приборы — перекрестного типа.
Управление несколькими светильниками из нескольких мест
Бывают ситуации, когда необходимо управлять несколькими светильниками из нескольких местоположений. Например, в спальне возможна установка одного двухклавишного проходного переключателя у двери, а другого — у кровати. Тогда в обоих местах можно будет включать и выключать как общее освещение в комнате, так и светильники у кровати.
Для реализации такой схемы потребуется два двухклавишных проходных выключателя. Для их соединения в простейшем случае необходимо два двухжильных кабеля.
Монтажная схема правильного подключения двухклавишного проходного выключателя с применением распредкоробки выглядит более внушительно. Коробка потребуется большого размера, так как в ней должно уместиться восемь соединений проводов. Для подключения первого проходного выключателя потребуется двухжильный и трехжильный кабель, а для подсоединения второго – два трехжильных.
Теоретически, увеличивая количество проходных 2-х клавишных выключателей, можно осуществлять независимое управление освещением 2-х светильников из любого количества мест. Возможно, Вы захотите оперировать из двух местоположений тремя группами лампочек в люстре. Схема с применением тройного выключателя демонстрирует реальную возможность такой работы, однако кабеля при этом потребуется немало.
Данная схема подключения проходного выключателя из 3-х мест демонстрирует возможность управления двумя отдельными лампочками. Два двухклавишных проходных выключателя могут стоять у кровати, третий – у двери спальни. Везде можно включить и выключить местное освещение, либо общий светильник.
Как мы уже заметили, схему управления освещением можно наращивать бесконечно. Возможность включать и выключать 2 различных светильника из четырех точек может пригодиться в длинном коридоре дома с большим количеством комнат. Очевидно, после рассмотрения различных примеров не составит труда составить самому любую схему независимого управления освещением с применением одноклавишных и других проходных выключателей.
Управление освещением с трех мест и более
Нередки ситуации, когда в жилых помещениях большой площади возникает потребность управлять освещением сразу из нескольких точек. Для создания системы многоточечного управления, позволяющей подключать и выключать свет из 3-х мест одновременно, установки одних проходных переключателей обычно недостаточно.

Для этих целей потребуется интегрировать в схему еще один элемент – перекрестный выключатель, который подключается в разрыве двухжильного провода (то есть между проходными приборами).
Если в прежние времена допустимость монтажа таких схем обуславливалась в основном планировкой помещений, то сегодня они встречаются практически повсеместно. Монтаж проходных выключателей этого типа – совсем непростое занятие. Прежде всего, потребуется ознакомиться с принципом его работы.
Принцип работы перекрестного переключателя (выключателя)
Конструкция переключателя предусматривает наличие четырех контактов, из которых два подсоединяются к клеммам одного переключателя и еще два – ко второму прибору.

Эти устройства при таком включении выполняют особые (транзитные) функции, поскольку являются в определенной степени переходными.
Наглядно посмотреть принцип работы перекрестного переключателя Вы можете на Gif-картинке, расположенной ниже.

Схема подключения проходного выключателя для управления из 3х мест
Схемное изображение подключения 2-х проходных и одного перекрестного переключателя представлено на рисунке.

Из него хорошо видно, что между двумя проходными переключателями устанавливается перекрестный выключатель, действующий в качестве своеобразного транзитного узла.
Ниже показана схема подключения проходного выключателя, на которой видно соединения всех элементов электрической цепочки управления освещением в распределительной коробке.

Видео, которое мы разместили ниже, несомненно поможет Вам собрать схему подключения трех выключателей в распределительной коробке.
Схема подключения проходного выключателя для управления из 4х мест
Для четырех точек управления потребуется применить комплексную схему распайки, изображенную на рисунке ниже. В таком комплекте используются не только два проходных, но и пара переключателей перекрестного типа.

При рассмотрении варианта управления светильником сразу из 4-х мест потребуются два перекрестных коммутирующих прибора.

При наличии в данном помещении нескольких осветительных групп предпочтение следует отдать двухклавишным выключателям перекрестного типа. Установленные таким образом проходные системы заметно упрощают процедуру управления освещением.
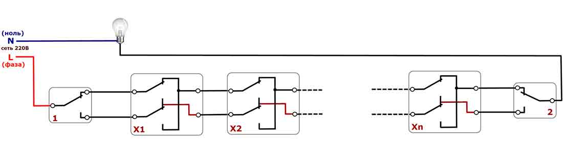
Схема подключения проходного выключателя для управления из 5 мест
Для управление освещением из пяти точек потребуется два проходных выключателя и три перекрестных. Схема подключения будет выглядеть следующим образом:

Схема управления освещением из пяти мест и более с помощью проходных и перекрестных выключателей (1 и 2 — проходные, х1, х2 …хn — перекрестные)
Монтажные работы

Монтаж проходных выключателей
Монтаж системы освещения производятся по такому алгоритму:
- Поиск на проходнике точки общей клеммы.
- Подсоединение на первый выключатель рядом с распредкоробом фазы.
- Крепление фазы на общую клеммы оранжевым или красным кабелем.
- Соединение на выходных внутренних клеммах проходного прибора 2-х оставшихся проводников.
- Подкидывание на второй выключатель провода и крепеж согласно цветовому маркеру.
- Подключение внутри короба оранжевого/красного проводника от выключателя № 2 на фазу лампочки.
- Подключение внутри распредкороба согласно цветовому обозначению 2-х свободных проводов на жилу выключателя № 1.
В конце нейтраль и заземление подсоединяются внутри короба к аналогичным проводам, заведенным на осветительное устройство.
Двухклавишный

Контакты двухклавишного проходника
Для управления работой источников света с двух точек применяется двухклавишный проходник с 6-ю контактами. Установка проходного выключателя происходит так:
- Обнаружение общих контактов.
- Подача провода фазы на вход выключателей № 1 и № 2.
- Подключение остальных входов выключателем к концам ламп № 1 и№ 2.
- Подсоединение свободных концов ламп на кабель нейтрали.
- Подкидывание 2-х выходов выключателя № 1 на выходы выключателя № 2.
- Аналогичное крепление оставшихся выходов.
Трехклавишный
Трехклавишный прибор по типу подключения схож с двухклавишным. Разница в том, что понадобится добавить четвертый провод. По одному кабелю фаза подается на выключатель, по трем – идет на нагрузку. Монтаж производится следующим образом:
- Находят клеммы подключения фазных жил на боковых частях блока контактов.
- Подключают фазный кабель № 1 со стороны одной клеммы.
- Подсоединяют остальные три фазных провода на три клеммы.
- Заводят фазу № 1 в распредкороб и соединяют с проводом кабеля, ведущего к выключателю.
- На входе фазу заводят на нижний входной контакт.
- С трех выходных контактов выключателя вверху отводят три фазных кабеля в распредкороб и соединяют их с проводами, ведущими к потолку.
- На потолке провода фазы подкидываются на выводы светильников.
Нейтраль нужно завести в распредкороб и соединить с проводом, направленным к потолку. Там ноль необходимо подсоединить на синюю точку выводов светильников для формирования общего вывода.




































