Каким должен быть хороший самодельный якорь?
Простым, дешевым и эффективным. Первое даст возможность сделать его с разумными трудозатратами, а если не соблюдать остальные условия, то якорь выгоднее все же купить. Но главное, он должен справляться со своей задачей — надежно удерживать лодку. Условия рыбалки у всех разные, поэтому универсального рекомендуемого якоря нет, но есть общие требования и их соблюдение избавит от фатальных ошибок при самодельном изготовлении:
- Вес должен быть равен минимум 1/10 длины надувной лодки. Соотношение берется в килограммах к метрам. Если лодка 3 метра, то и якорь должен быть минимум 3 кг. Есть случаи, когда, благодаря конструкции, держащая способность якоря не так сильно зависит от массы. Но, чтобы сделать такой самому, нужно хорошо разбираться.
- Компактность. В идеале он должен быть разборным, либо иметь минимально возможные габариты.
- Острые и режущие грани должны отсутствовать. Беда самодельных якорей — необработанные края и непродуманная конструкция, в итоге травмы, повреждения лодки, испорченные снасти.
- Надежное сцепление с грунтом — зависит от правильно выбранного типа якоря, условий использования и качества изготовления.
Больше информации о том как правильно выбрать якорь для надувной лодки можно почитать здесь.
Теперь можно пошагово изучить доступные и эффективные самодельные варианты, которые отвечают нашим требованиям.
Разновидности
Самодельные якоря для надувных лодок подразделяются на множество видов.
Вот основные из них:
якорь Курбатова;
«кошка»;
Дэнфорта;
Холла;
Матросова.
Данные виды якорей отличаются массой, формой и «приспособленностью» к определенному типу дна. Рассмотрим более подробно каждую разновидность.
Система Курбатова
Он представляет собой хомут из крепкой проволоки и одной лапы с уклоном, равным половине прямого угла. Удлиненный шток способствует глубокому погружению металла в грунт или ил. Изделие очень компактно, подходит для небольших лодок.
Есть ряд ограничений по применению данной конструкции. Масса резиновой лодки вместе с пассажирами не должна превышать 180-200 килограммов. Лодка может быть двухместной. Не рекомендуется применять систему Курбатова на водоемах с сильным течением, неровной каменистой линией берега. Запрещено использовать этот тип якоря при скорости ветра больше 6 м/с.
Тип « кошка»
Одна из самых распространенных разновидностей для небольших судов. Устройство можно дополнительно оснастить добавочным весом, что делает его универсальным и позволяет корректировать массу в зависимости от загруженности судна. Вес конструкции находится в пределах от двух до четырнадцати килограммов – чаще всего рыбаки предпочитают более легкие варианты. «Кошка» также может применяться для траления – поиска снастей, утопленных предметов и других вещей.
Такие якоря наиболее популярны у владельцев надувных лодок. Конструкция очень проста, и ее сделать сможет даже рыбак-новичок. Технику изготовления своими руками мы рассмотрим в следующем разделе.
Система Д э нфорта
Данный якорь обладает повышенной удерживающей силой, что уменьшает область его применения для рыбалки и водной охоты. Чаще всего применяется в водоемах с песчаным дном.
Максимальная держащая сила обеспечивается близким расположением лап, имеющих треугольную форму, обтекаемой формой головки и длинным веретеном. При падении вниз якорь врезается вглубь и закрепляется в плотных далеких от поверхности слоях грунта. Однако это свойство бесполезно при использовании на каменистом дне, при сильном ветре и быстром течении – устройство Дэнфорта может унести вместе с верхними слоями песка. В этом случае будет дрейфовать и лодка.
Длинный шток увеличивает габариты, что затрудняет хранение и использование изделия. Существует около сотни моделей системы Дэнфорта. Масса конструкции находится в широком диапазоне: от двух килограммов до семи тонн.
Конструкция Холла
Этот якорь был изобретен в 19 веке и совершил прорыв в кораблестроении. Он и по сей день является актуальным в некоторых регионах ввиду рельефа дна. Он изготавливается из чугуна, что очень удешевляет производство. В свое время эта технология позволила британскому флоту еще больше укрепить свое владычество на море. Упав на дно, изделие ложится плашмя и одним из зубцов закрепляется в грунте. Лопатообразные утолщения лап многократно увеличивают удерживающую силу.
Якорь очень быстро зарывается в донный субстрат, однако имеет большую массу, и его нельзя применять при штормах выше 4-5 баллов. Такую конструкцию сделать проблематично, и она используется только для относительно крупных деревянных рыбацких яликов.
Изобретение Матросова
Повышенная держащая способность – наследие конструкции Холла, которую Матросов значительно усовершенствовал и избавил от большинства имевшихся недостатков. Благодаря обтекаемой форме изделие глубже погружается в грунт, а выросты на лапах придают дополнительную устойчивость.
Удерживающая сила увеличена в четыре раза по сравнению с адмиралтейским якорем аналогичной массы. Конструкция Матросова не вырывается из субстрата даже при повороте судна на 360° . Эффективность одинакова на глинистом, песчаном и каменистом дне. Чаще всего ввиду особенностей строения (очень близко расположенных лап) применяется в речном флоте.
Дрейф шлюпки с плавучим якорем
Если судно не может доплыть до берега, войти в бухту или же выбрать место, удобное для причаливания, а также не в состоянии посредством руля держаться на ветру, то следует прибегнуть к использованию плавучего якоря. Приспособление позволит сократить дрейф.
На большой глубине устройство дает возможность поставить судно вразрез волне. Якорь при этом находится на носу судна, в воде происходит его наполнение. Затем натягивается канат, который тормозит движение шлюпки, поворачивая ее носом навстречу ветру.
Длина каната должна составлять не меньше пяти длин маломерного судна. Трос выпускают в ослабленном состоянии. Он должен быть не короче каната для якоря.
Чтобы ослабить удар волн о судно и предотвратить заливание, применяют специальные масла. Наибольшей эффективностью обладают масла животного происхождения. Растекаясь по водной глади, они создают пленку, мешающую образованию гребней и гасящую энергию волн.
Минеральные масла обладают более низкой функциональностью. На маломерных суднах их применять не советуется.
Если с якорем что-то не так
Для сшитых и, особенно, надувных носимых на себе лодок масса и компактность якоря имеют определяющее значение, поэтому якоря для них следует делать как можно более легкими. Но как быть, если якорь пополз?
Способ увеличить держащую силу якоря известен давно: пригруз на якорь-тросе или якорь-цепи, слева вверху на рис. Кто помнит школьную физику, без труда подсчитает, что пригруз в половину веса якоря способен увеличить его держащую силу вдвое и более. Для легкого якоря надувной или шитой лодки достаточно свинцового пригруза в 1-2 кг; много места он не займет. Для установки на трос пригруз снабжается карабином, его можно закрепить на пригрузе жестко. Спускают пригруз на леске, которая на рыбалке всегда под рукой.

Способы увеличить держащую силу якоря и высвободить застрявший якорь
Другая нештатная ситуация с якорем – застрял. Способ освободить застрявший якорь также известен: буйреп, закрепленный на тренде, и буек-поплавок. Чтобы якорь вышел из мертвого зацепа, тянут за буйреп. Если обушка для него на якоре нет, а дно заведомо «подлое» (топкое, каменистое), буйреп можно привязать к тренду, как показано на рис.
На малых судах держать бухту буйрепа и буек часто неудобно. В случае, если якорь с поворотными лапами или какая-то из его модификаций, радикальное средство превратить якорь в нетеряйку – скользящий рым, поз. а-г на рис. Наиболее надежен скользящий рым по поз. в, но якорь с ним громоздок. Высвобождают якорь, как показано на поз. г: дают судну ход против натяга якорного троса.
Как сделать якорь для лодки ПВХ своими руками чертежи и фото

Ловить без якоря в условиях течения, даже самого слабого, просто невозможно. Некоторые могут подумать, что на водоеме без течения можно отлично рыбачить без якоря, но это вовсе не так. Практически на всех водоемах есть подводное течение, бывают редкие исключения.
Также выбраться на рыбалку в безветренную погоду иногда просто нереально, поэтому иметь с собой якорь для лодки ПВХ обязательно. Рыбак, оснащенный якорем может решить гораздо больше задач на водоеме. А учитывая тот факт, что сделать якорь самостоятельно не очень сложно, то недооценивать его не стоит.
Есть несколько видов якорей, которые пользуются наибольшей популярностью у рыбаков:
- Модель якоря Холла.
- Всем известный якорь-кошка.
- Нашумевший якорь-Курбатова.
- Якорь напоминающий по форме грибок.
- Универсальный якорь Денфорта, который подходит для рыбалки в любом водоеме.
У каждого вида якорей существуют свои недостатки, но большая часть из них перекрывается наличием преимуществ. Для того, чтобы детальнее разобраться со всеми плюсами и минусами стоит подробнее рассмотреть процесс изготовления каждого типа якоря.
Простая модель разборного якоря

Для того, чтобы сделать такой якорь для лодки ПВХ своими руками вам потребуются некоторые детали:
- Отрезок металлической трубы диаметром 2.5 сантиметра и длиной порядка 27 сантиметров;
- Гайка и втулка;
- Два меньших отрезка металла и два больших;
- Два металлических кольца;
- Свинец – около 2 килограмм.
Процесс сборки простой модели разборного якоря выглядит следующим образом:
- Необходимо закрепить втулку на конце трубы.
- Четыре металлических отрезка будут отыгрывать роль лап якоря.
- Всю конструкцию необходимо зафиксировать с помощью гайки.
- Внутрь трубки необходимо залить нагретый свинец (требуется для увеличения веса).
Сварной якорь Курбатова

Для изготовления такого якоря потребуется меньшее число деталей, только рыболов должен иметь минимальные знания и навыки работы со сварочным аппаратом. Из-за сварной конструкции процесс сборки значительно упрощается, а количество деталей уменьшается.
Перечень необходимых деталей выглядит следующим образом:
- Стальной прут;
- Проволока из стали;
- Небольшие отрезки металла.
Процесс изготовления выглядит очень просто и все размеры указаны на схеме:
- Согните из стальной проволоки фигуру похожую на веретено.
- Приварите остальные детали к полученной конструкции.
- Якорь будет удерживаться на дне за счет веса отрезков металла.
Якорь-кошка

Для надувных лодок этот тип якоря считается оптимальным и будет служить вам отлично. Основным преимуществом такого якоря является его компактность, ведь в сложенном состоянии вся конструкция займет минимальное пространство внутри лодки.
Небольшой вес якоря имеет свои преимущества при транспортировке, но на сильном течении и при высокой скорости ветра придется добавить конструкции веса. Лапы фиксируются к веретену согнутому из тонкого металла, либо толстой стальной проволоки. Можно изменить их расположение несколькими простыми движениями.
Пирамидальный якорь

Этот тип якоря получил свое название из-за того что для его изготовления придется сделать конструкцию в форме пирамидки. Чаще всего рыбаки применяют для изготовления листовой металл. В эту форму необходимо залить свинец, для придания конструкции дополнительного веса.
Для обеспечения комфортного крепления якоря необходимо вставить кусок проволоки до того момента, как свинец остынет. Это позволит проволоке прочно закрепиться в якоре к моменту остывания свинца и надежность такой конструкции будет весьма большой.
Есть иной способ изготовления такого якоря без применения свинца. Вам потребуется закрепить металлические пластины так, чтобы образовалась пирамида (размер пластин должен быть разным). Это очень удобный способ, так как вы можете добавлять и удалять пластины увеличивая или уменьшая массу изделия.
Для быстрой замены пластин и изменения их количества необходимо просверлить в каждой по сквозному отверстию, а вместо проволоки вставить шпильку. Такая конструкция надежно фиксируется с помощью гаек. Пластины необходимо набирать по возрастанию, то есть чтобы самая большая была вверху.
Якорь Холла
В 1988 году англичанином Холлом был запатентован якорь, названный его именем. Этот якорь тоже считается флотским ветераном, только бесштоковым. Конструкция состоит из веретена и двух лап, отлитых вместе с коробкой.
Лапы в этой конструкции необычны: имеют плоскую форму, качаются и могут поворачиваться на оси.
Коробка и лапы утяжелены приливами с утолщениями в виде лопаток. Их задача – поворачивать лапы, заставляя их уходить в грунт на глубину, которая может в 4 раза превышать длину самих лап
Это особенно важно, если грунт слабый и необходимо сильно заглубиться, чтобы достичь прочного основания
Неоспоримыми плюсами якоря Холла считаются достаточно большая держащая сила, быстрая отдача (его можно отдавать на ходу, причём, такой способ отдачи даже помогает максимально заглубить лапы) и удобная уборка в клюз.
На мелководье он не опасен для других судов, так как лапы плашмя лежат на грунте, запутывание якорной цепи или каната вокруг лап исключено.
К минусам конструкции относят ненадежность крепления якоря на разнородном по составу грунте при возникновении вращающего момента или во время стоянки на открытом рейде при изменении направления ветра или сильном течении, когда якорь начинает ползти рывками. В этом случае при сильном рывке якорь выскакивает из грунта, а затем вновь углубляется благодаря лопатам, которые успевают нагрести бугор из грунта. Это объясняется слишком большим расстоянием между лапами. Кроме того, шарнирную коробку может заклинивать, когда в неё набирается песок или мелкая галька.
При втягивании в клюз при уборке якоря лапы не всегда могут самостоятельно принять необходимое положение из-за не очень удачного расположения центра тяжести.
И все-таки кошка якорь!
Ещё одним качественным вариантом изготовления такого устройства своими руками является сборка якоря-кошки для ПВХ плавсредства. Для обеспечения надёжности, чтобы не допустить обрыв лапы, устройство закрепляется на штоке с помощью шплинтов из меди. Это позволяет в случае застревания изделия на дне срезать шплинт при установленном усилии, после чего лапа выпрямится и выйдет из-под коряги.
Благодаря использованию шарнирного крепления лап к нижней части на штоке, на который надевают плавающую муфту, устройство получается компактнее. Также за счёт скольжения муфты по основанию происходит фиксация лап в рабочем состоянии внизу штока, а при перемещении вверх они складываются. Якорь-кошка для надувной лодки, изготовленный своими руками хорош только при рыбалке в тихую погоду, а в случае с сильным ветром его нужно утяжелить дополнительным грузом.
Во-первых, по держащей силе кошка якорь довольно-таки средненький. Правда, для лодки, которая скользит по воде чуть ли не как палый лист, это не так существенно. Существенно другое: на каменистом или топком грунте кошку очень легко потерять. Когда металлолом валятся везде под ногами, а мастер на работе и без бутылки позволял пользоваться в личных целях сваркой и гибочным станком, это не имело значения, но сейчас другие времена.
Во-вторых, и тогда происшествий на воде из-за якорей-кошек хватало. А ныне выяснилось, что кошка опасна на только в лодке ПВХ, но и в сшитой из фанеры без набора корпуса, как те же динги или скифы. Литые складные кошки безопасны, хорошо держат сверхмалое судно на любом грунте, компактны, но стоят нечестно дорого. Хотя для шитой лодки с жестким корпусом прим. 2,5-3,5 м длиной подойдет и самодельная складная кошка с поворотной лапой, см. напр. видео
Пришла пора вспомнить о якоре-кошке и заодно о грибовидном якоре, т.к. они также взаимосвязаны. Путь происхождения якоря-гриба от складной кошки иллюстрирует левая часть след. рис. Грибовидный якорь хорош тем, что при минимальных размерах и полной безопасности для надувной лодки держит ее на очень и очень слабом дне – глубоко заиленном, плывучем мелкопесчаном и т.п. И еще тем, что его размеры и вес меньше, чем у других якорей, зависят от длины и водоизмещения судна. Однако грибовидный якорь для топкого дна обязательно должен быть снабжен обушком на тренде: вытащить его за рым или обух, если затянет в грунт, невозможно, не зачерпнув бортом.
Сделать грибовидный якорь можно из днища от бытового газового баллона; уже якорь из донышка от 5 л баллона надежно держит 1-2 местную лодку ПВХ. Днище от баллона отрезают там, где оно переходит в вертикальные стенки (наклон касательной такой же, как у адмиралтейского якоря – 40 градусов). В днище вырезают 3-4 отверстия диаметром 30-40 мм, чтобы грунт сквозь них продавливался, а не забивал лемех якоря.
У якоря-кошки есть еще одно достоинство: его можно сделать из подручных материалов. Конкретно – из пары кривых обломков или обрезков сучьев для лап, камня подходящего размера и формы, и еще куска кривого сука или рогульки для веретена. Сучья-лапы связывают накрест, привязывают к перекрестью камень; затем к нему – рогульку или сук-веретено. Известны случаи, когда люди выживали в экстремальных условиях благодаря самодельному якорю-кошке из подручных материалов.
Вариант 1. Верхняя пара лап в этой конструкции подвижная. При использовании якоря пары лап зафиксированы и располагаются под углом в 90 градусов друг к другу. После вытравливания якоря на борт верхняя пара поднимается и поворачивается, располагаясь параллельно с нижней, уменьшая габариты якоря. Фиксация подвижной пары лап производится с помощью втулок и отверстий.

Вариант 2. Отличается от первого тем, что во время нахождения якоря на дне подвижную пару фиксирует на ее рабочем месте пружина. Эта же пружина прижимает свободную пару, но расположенную аналогично неподвижной, когда якорь сложен.
Вариант 3. В кошке этой конструкции все лапы соединены с основанием якоря шарнирами и в походном положении прижаты к веретену. Разворачивает лапы в рабочее положение, прижимая их к нижней части якоря, муфта, двигающаяся по веретену. Эта же муфта, находясь в верхнем положении, фиксирует лапы, прижатые к веретену.
Якорь-кошка
Иногда в якорях-кошках перечисленных вариантов модернизируют лапы. Усовершенствование состоит в том, что лапы якоря, изготовленные из трех- или четырёхмиллиметровой проволоки или арматуры, при вытравливании с большим усилием изгибаются, освобождая якорь из грунта.
Якорь сварного типа
Самым обыкновенным якорем данного типа является якорь под названием «Кошка». В принципе от названия становится понятны его суть и принцип. У него присутствуют четыре так называемых лапы.
Такой якорь можно произвести из обыкновенной арматуры. На так называемые лапы данного якоря привариваются специальные пластины определенной формы, для того чтобы лучше держалось. Если не использовать подобные пластины, то якорь будет крайне плохо держать лодку на грунте. Особенно если там вообще не за что ухватиться. Также специалисты рекомендуют использовать дополнительный груз.
Необходимо помнить, что можно произвести якорь всего с двумя непосредственными лапами. Но в подобном случае необходимо будет приварить специальный штырь по центру самого якоря. С помощью него якорь сможет расположиться на дне правильно. Но, а в случае если его не будет, те две лапы ничего не смогут сделать. Они просто будут скользить по дну. Подобные якоря специалисты называют адмиралтейскими.
Необходимо помнить и понимать, что для того чтобы изготовить якорь своими собственными руками, необходимо совсем не много усилий и предметов. Материалов при постройке абсолютно любого якоря потребуется минимальное количество.
Выбор якоря: разновидности и особенности
Якорь – устройство, используемое на воде и обеспечивающее безопасность людей, необходимо выбирать с особой тщательностью с учетом требований, предъявляемых к якорному устройству.
Назначение якоря – фиксировать положение судна при любой силе ветра, величине волн и стремительности течения. Самый тяжелый якорь, не означает – лучший. Квадратная гиря в 20 кг, не имея сцепления с донным грунтом, не удержит лодку на месте, а 8 – килограммовый якорь с этой задачей справится.
Влияют на выбор якоря и его удобство при эксплуатации и хранении. Выбор конструкции якоря зависит от условий судоходства и от характера донных поверхностей, с которыми контактирует якорь.
Наибольшее практическое применение получили следующие конструкции якорей:
Адмиралтейский якорь – устойчив на всех донных грунтах. Однако уступает якорям, которые погружаются в дно двумя лапами (якорь Холла). Недостатки: сложность подъема и неудобство при хранении из-за значительных размеров лап и штока. Кроме того, стандартная конструкция этого якоря предусматривает его неудобное закрепление с помощью разводной чеки. Вместо этой конструкции часто используют стопорную шайбу с пазом.
К штоку приваривают шип и в той его части, которая проходит через веретено, надевают шайбу. Шип и паз имеют размеры, позволяющие шипу свободно проходить через паз. Шток фиксируется при повороте шайбы и ее перемещении к веретену. Проворачиванию штока препятствует еще один шип, установленный на нем и заходящий паз отверстия веретена.
Якорь Матросова с повышенной силой удерживания используется для крупных яхт и катеров.
Якорь-кошка получил широкое применение на небольших судах. Удобно складывается для хранения и может применяться для поиска затонувших предметов, тросов или цепей.
Наряду с серийно выпускаемыми якорями многие собственники судов используют для якорения подручные средства или изготавливают якорные устройства самостоятельно, применяя самодельные разработки.
Простейшие якоря из подручных средств – спортивная гантель весом 5-10 кг., пластиковая бутылка с песком внутри, наполненный гравием мешок, связанные веревкой кирпичи, свинцовые слитки в форме блинов и т.д.
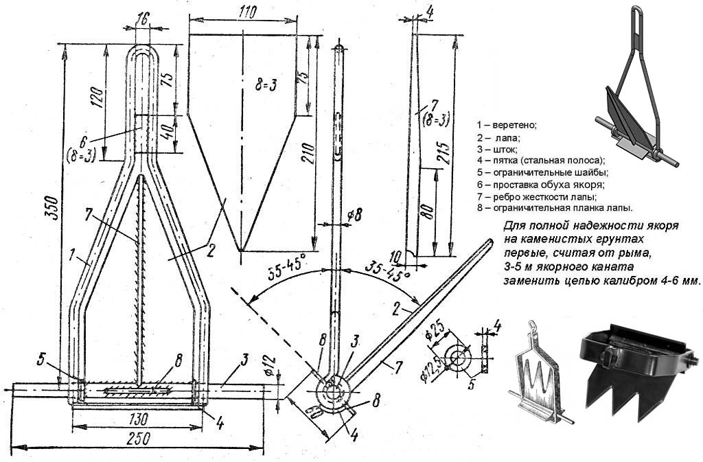
Самодельный сварной якорь Курбатова – пример одной из удачных самодельных разработок якоря. Отличается конструкция якоря Курбатова от якорей Матросова и Данфорта количеством лап (у Курбатова она одна) и веретеном, имеющим раздвоение. Принцип работы: планка, соединенная с лапой, при движении якоря задевает дно и разворачивает лапу, направляя ее в грунт.
Якорь успешно работает в условиях большинства донных грунтов и имеет возможность увеличения веса. При использовании якоря в условиях каменистого дна на его конце может быть закреплен дополнительный груз – болванка из металла весом в несколько килограмм.
Изготавливается якорь этой конструкции из восьмимиллиметровой проволоки, двенадцатимиллиметрового прута и трёхмиллиметрового стального листа.
Якорь «Трайдент» – зарубежный аналог якоря Курбатова. Конструкция «Трайдента» незначительно отличается от устройства якоря Курбатова. Лапа этого якоря шире и имеет форму гребня с тремя зубцами, которая легко удерживает якорь на песчаном дне, илистых отложениях или камнях.
Планка, установленная по ширине лапы, при перемещении по дну разворачивает ее и заставляет заглубляться в дно. Вместе с этим гребень упирается в нижнюю часть обоймы якоря, ограничивая разворот лапы до угла не более 40 градусов.
Противопоказания
Главное противопоказание заключается в том, что применение сушеного мухомора, его настойки, мази и т.д., это изначально рискованное мероприятие. Мухомор – ядовитый гриб, которым очень легко отравиться. Использовать лекарства, сделанные на основе гриба, можно только по показаниям и по рецепту врача. Если не уверены, что разбираетесь в видах мухомора, не собирайте грибы сами, обратитесь к аптечной продукции.
Внимание! Строго соблюдать дозировки, хранить дальше от детей, не заниматься бесконтрольным употреблением – вот что главное в такой терапии. Категорически нельзя:
Категорически нельзя:
Категорически нельзя:
- пить и принимать наружно детям и подросткам;
- беременным;
- людям с неустойчивой психикой;
- людям, страдающим алкоголизмом и наркоманией, токсикоманам.
Мухомор действительно является и ядом, и лекарством. Ядом будет любое употребление гриба и его препаратов, не рекомендованных врачом, не соответствующее прописанной схеме, без ознакомления с инструкцией к препарату. Как принимать настойку мухомора, в каждом конкретном случае расписывает пациенту врач.
Назначение якорного устройства
Основное назначение якорного устройства – обеспечивать надежную стоянку судна на рейдах и в открытом море при доступных глубинах.
Кроме того, якорное устройство используется в ряде других случаев, в частности: при швартовке судна к причалу или другому судну в, неблагоприятных условиях (сильный ветер, течение и др.).
Якорь, отданный с наветренной стороны при прижимном ветре или течении, позволяет избежать навала судна на причал или другое судно: при швартовке судна кормой к причалу или швартовным бочка!: для производства рейдовых перегрузочных работ с использованием плавсредств.
Отданные якоря при заведенных на причал или бочки кормовых швартовах ограничивают подвижность судна; для осуществления эффективного разворота судна на ограниченной свободной акватории (при выходе из гавани, в узкости и т. д.).
Заведенный в сторону больших глубин якорь с прикрепленным к нему стальным тросом выбирается с помощью шпиля или брашпиля, что позволяет в некоторых случаях снять судно с мели без посторонней помощи
Отданный якорь позволяет уменьшить диаметр циркуляции и выполнить безопасный поворот; для быстрого погашения инерции и остановки судна с целью предотвращения столкновения с другим судном; для снятия судна с мели.
Заведенный в сторону больших глубин якорь с прикрепленным к нему стальным тросом выбирается с помощью шпиля или брашпиля, что позволяет в некоторых случаях снять судно с мели без посторонней помощи.
Некоторые элементы якорного устройства (клюзы, якорные цепи) могут использоваться при буксировке судна. Частями якорного устройства являются: якоря, якорные цепи, клюзы, цепные ящики, устройства для крепления якорных цепей к корпусу судна, стопоры и механизмы для отдачи и подъема якорей — брашпили или шпили.
Якорное устройство размещается в носовой части судна. На ледоколах, буксирах, крупнотоннажных транспортных и экспедиционных судах бывает дополнительное якорное устройство на корме, что позволяет улучшить условия обработки судов.
Способы изготовления
Самодельное удерживающее устройство для резиновой лодки, по методике Курбатова
Процедура изготовления не особенно сложна. Якорь являет собой сварную конструкцию (чертежи которой представлены ниже), отличающуюся малыми габаритами и относительно небольшой массой (приблизительно 2 килограмма).
В этом устройстве предусмотрена лишь одна лапа и раздвоенное веретено средних размеров. Данное самодельное удерживающее устройство превосходно удерживает плавсредства длиной до 5 метров.
Теперь рассмотрим пошаговое руководство изготовления.
- Из проволоки гнется веретено, к верхней области которого сваркой фиксируется планка.
- Фиксирующие шайбы и планки варятся к штоку (штанге). Они требуются для того, чтобы можно было разворачивать лапу под водой, чтобы та сцепилась с грунтом.
- Концы веретена свариваются у штанги посредством металлической пластины, которая требуется для обеспечения рабочих свойств лапы.
Как было написано выше, масса якоря для лодки из поливинилхлорида, собранного по курбатовской методике, равняется ориентировочно 2-м килограммам. Он превосходно держит плавсредство на покрытом илом и песком дне.
Якорь-кошка собственными руками для лодки ПВХ
Из стального листа нарезаем:
- 4 полосы в виде прямоугольника – 2 сантиметра по ширине, 10-15 сантиметров по длине;
- 4 полосы – 2 сантиметра по ширине, 4-5 сантиметров по длине, края закруглить;
- 8 полос – 2 сантиметра по ширине, 3 сантиметра по длине, один край закруглить.
- далее вырезаем из этого же листа 4 заостренных треугольника, которые будут исполнять роль лап удерживающего устройства.
К верхней и нижней части основной трубы посредством сварки фиксируем монтажные кольца.
К низу трубы варим 4 трехсантиметровых полоски из 8 заготовленных, заблаговременно проделав в них отверстия диаметром 5-7 мм. К ним будут фиксироваться рога. Оставшиеся 4 полосы точно так же варим к отрезку 2-ой трубы. Данная труба должна беспрепятственно передвигаться по основной.
В 4 полосах длиной 4-5 сантиметров на концах делаем отверстия того же диаметра. Аналогичные отверстия сверлим с одного края 4 полос, длина которых 10-15 сантиметров.
С другого края длинные полосы заужены, и в этом районе к ним посредством сварки фиксируем треугольники. Посередине этих полос производим надрезы, после гнем их и осуществляем в месте сгиба сварку. Благодаря этому рога приобретут дугообразную конфигурацию.
Фиксируем получившиеся рога посредством железных прутков к «ушам», находящимся внизу. Четырехсантиметровые полосы точно так же фиксируем к «ушам» на втором кусочке трубы. Надеваем данный сегмент на основную трубу. В рогах сверлим отверстия так, чтобы была возможность соединить их прутками с отверстиями на других краях четырехсантиметровых полос.
Складной якорь-кошка
Существует и складная модель кошки. Она похожа на вышеописанное устройство, но за счет скользящей муфты и обособленного шарнирного соединения лап на штанге она обладает возможностью складываться. Когда муфта пребывает в крайней нижней точке, лапы расставляются и фиксируются, а в крайней верхней – сходятся.
Зачастую лапы фиксируются к штанге посредством шплинтов из меди, что при опасном зацепе дает возможность сохранить анкер – шплинты срезаются, высвобождая удерживающее устройство.
https://zen.yandex.ru/media/id/5be1eba9d28a2200aae215e0/5cffb4bd2eda9900ac611196 https://fisherhook.ru/2017/04/vyibiraem-i-sobiraem-yakor-dlya-lodki-pvh-svoimi-rukami/ https://wlooks.ru/lodki/yakor/
Как привязать якорь
Снабдить малую лодку полным якорным устройством весьма проблематично. А надувную и нереально. Между тем узел скрепления якорь-троса или цепи с корпусом судна – жвака-галс – штука очень ответственная. Об одном из вариантов прикрепления якорь-троса к надувной лодке без дельных вещей, т.е. деталей из жестких материалов, см. видео напоследок:
Видео: размеры и способ привязывания самодельного якоря
***
2012-2020 Вопрос-Ремонт.ру
cope itemtype=”https://schema.org/Article” data-nonce=”5bf44b09ea”>

(1 оценок, среднее: 5,00 из 5)
cope itemtype=”https://schema.org/Organization”>
О плавучих якорях
Плавучий якорь не держит судно на месте. Он удерживает его носом против волны или течения. На флотах штатные плавучие якоря применяются редко, разве что на экспедиционных судах. Вероятно, из моряцкого суеверия: в рейсе или плавании (если корабль военный) плавучий якорь чаще всего выбрасывают, когда впору давать SOS. Действует любой плавучий якорь по принципу парашюта.
Однако в любительском удебном рыболовстве плавучие якоря находят вполне утилитарное применение. Некоторые виды рыб для кормежки сплывают стайкой по течению, а затем выходят из стрежня и возвращаются на исходную позицию Понятно, что, держась в лодке над стаей, улова можно ожидать большего.
Рыбацкий плавучий якорь для лодки ПВХ очень легко сделать из 4-5 2 л бутылок из ПЭТ, стянув их в ряд скотчем. Затем к горлышкам крайних бутылок привязывают концы капронового шнура, заводят его петлю за донышки и приматывают тем же скотчем. Трос от лодки привязывают к петле шнура. Так нужно, чтобы струю течения бутылки встречали наиболее обтекаемой поверхностью, а на тягу от лодки упирались в воду наименее обтекаемой, как и положено парашюту. Настроить такой плавучий якорь практически под любую лодку также несложно: для этого бутылки частично наполняют водой или песком.
Якорь для надувной лодки из тормозного диска
Пожалуй, самый простой, дешевый и достаточно действенный якорь. Чем он действительно хорош, тем, что, благодаря своей массе и форме, не нужно никак доработок — привязал, бросил в воду. Справляется со своими задачами неплохо и стабильно держит в разных ситуациях.
При этом места занимает мало и, более того, его можно один раз привести на рыбалку, спрятать в кустах и пользоваться при случае — такие объекты легко маскируются и внимания не привлекают, а если украдут, то и не жалко.
При желании можно доработать, наварив дополнительные элементы. Для эстетов не составит труда сделать из диска и вполне цивильный вид:
Мне подходит8Не подойдет1
Делаем якорь Дэнфорта без сварки
Якорь эффективно работает на многих грунтах, особенно, где возможно заглубление лап. Предлагаем вариант самостоятельного изготовления без использования сварки. Из инструментов потребуются дрель и болгарка.
Это простейший якорь, чертеж к которому можно сделать самостоятельно, используя пропорции, приведенные на фото:
Потребуются материалы:
- стальная труба 3х60см;
- стальной лист 200х200 мм и толщиной 4 мм;
- болты: 8х60 — 1шт, 5х35 — 2 шт;
- гайки: М8 — 3 шт, М5 -2 шт ;
- шайба Д8 -2 шт;
- 1 рым-гайка с подходящей к ней болтом -1 шт;
- кольцо.
Алгоритм действий:
- обрезаем трубу на 2 части по размерам, на короткой вырезаем болгаркой места для вставки лап и веретена:
- болгаркой вырезаем лапы с учетом формы, которая в дальнейшем будет вставлена в трубу-шток (для быстроты и точности разметки можно сделать лекало из картона);
- прикладываем лапы и шток, высверливаем отверстия под соединение болтами;
- фиксируем рым-кольцо посередине;
- делаем запилы с одной из сторон веретена, чтобы получилось скругление, высверливает отверстие под болт 8х60, помещаем веретено в шток и продеваем болт, фиксируя его гайками;
- окончательно фиксируем лапы, устанавливаем страховочное кольцо наверху веретена.
На видео можно детально ознакомиться с самодельным якорем Дэнфорта, сделанным аналогичным способом и тоже без применения сварки.
Мне подходит6Не подойдет
Якорь для лодки пвх своими руками фото
На фотографиях представлены два вида якорей для маломерных судов:
Веретено обоих якорей изготовлено из арматуры 38 мм. Длина веретена для лодки ПВХ 40 сантиметров, для казанки 60 сантиметров. Лапы для лодки ПВХ вырезаны болгаркой из металла толщиной 4 мм, для казанки из металла толщиной 5 мм.

Угол между лапами и веретеном равен 30 градусам. По госту 28-30 градусов. Угол может быть и больше, но не превышать 45 градусов.
Два вида исполнения ограничения угла поворота лап на якоре
- Ограничивающая рама из арматуры. Рама варится после предварительно установления и фиксации угла между веретеном и лапами, так сказать по факту. (на якоре для лодки ПВХ)
- Навариванием арматуры на трубу, внутри которой проходит ось лап. (На якоре для казанки)

фото якорь для лодки пвх

самодельный якорь для лодки пвх

ЯКОРЬ ДЛЯ ЛОДКИ ПВХ СВОИМИ РУКАМИ ФОТО
Система крепления якорной верёвки
Основное крепление якорной верёвки в районе оси лап и дополнительно с помощью хомута на конце веретена. Если якорь крепко застрянет в грунте, хомут порвётся и вытащить якорь с креплением в районе лап будет проще.

крепление верёвки к якорю
Элементы самодельного якоря для маломерной лодки:
- веретено
- лапы
- шток с наливами
- наливы от якоря Холла по оси лап
- система ограничения угла

якорь матросова на спасательном катере





































