Комплектация и характерные отличия гидрострелок
Комплект разделителя зависит от внутреннего наполнения и численности контуров, на которые он рассчитан. Обязательный элемент – автоматический отводитель для воздуха 1/2, оборудованный обратным клапаном либо шаровым краном. Для установок на заказ в комплектацию входит съемная теплоизоляция.
В гидрострелках типа ГС вмонтированы элементы для устранения воздуха и шлама. В МГС (многофункциональные гидрострелки) комплекте есть магнитные стержни и возможность регулировать опору по высоте в пределах 10 см. Устройства типа ГС, МГС, flexbalance и maibes можно использовать для двухконтурных систем, но возможна их докомплектация коллектором.
Для чего нужна гидрострелка в системе отопления
В простой однотрубной или двухтрубной системе отопления с несколькими радиаторами и циркуляционным насосом нет необходимости использовать гидроразделитель. Поток теплоносителя в этой инженерной коммуникации равномерно распределяется по одному контуру и качественно прогревает все жилые помещения. Совсем другая ситуация возникает с большим двухэтажным коттеджем, где может устанавливаться разное по принципу работы и функциям тепловое оборудование. Например:
- Несколько контуров с конвекторами или батареями отопления.
- Система тёплый пол с длинными трубопроводами и уменьшенной температурой теплоносителя.
- Система горячего водоснабжения с установленным бойлером (здесь совсем другие требования к интенсивности потока и температуре воды).
Один насос, который установлен в простой отопительной системе не справится с прокачкой теплоносителя на тёплые полы, обычную систему обогрева и подачу горячей жидкости к потребителям в ГВС. Скорее всего, такой агрегат не выдержит нагрузки и быстро выйдет из строя. Выходом из ситуации станет разработка чертежа и установка отдельных насосов в каждый из контуров.
Казалось бы проблема решена, но для стабильной бесперебойной работы системы необходим тщательный расчёт мощности насосного оборудования. Проблемы усугубляются различными режимами работы каждого из контуров, в одном трубопроводе насос работает постоянно, в другом включается или выключается только в определённое время, например при использовании горячей воды. В итоге пользователи наблюдают перегрев тёплого пола или неравномерный прогрев жилых помещений обычными радиаторами.
Выходом из ситуации станет разделение гидравлической системы на контуры при помощи распределительного коллектора, а также выделение контура газового или твердотопливного котла. Подобные функции возложены на гидравлическую стрелку (ГС). Указанный прибор монтируют между коллектором и котлом.
ГС по-другому называют гидравлическим разделителем. Основным назначением этого прибора считается балансировка системы методом перераспределения потоков теплоносителя. В конечном итоге в системе образуются два контура, один с которых связан с котлом, второй – с остальными отопительными приборами. В каждом из трубопроводов своя скорость и расход теплоносителя, но эти величины не взаимосвязаны.
Совмещение коллектора отопления с гидрострелкой
Небольшие дома обогревает котел, в который встроен насос. Вторичные контуры присоединяют к котлу через гидрострелку. Независимые контуры жилых домов с большой площадью (от 150 м 2 ) подключают через гребенку, гидроразделитель будет громоздким.
Какие трубы для теплого пола лучше и удобнее применять. Технические характеристики каждого вида трубной продукции, применяемой для теплого пола.
Распределительный коллектор монтируют после гидрострелки. Устройство состоит из двух независимых частей, которые объединяют перемычки. По количеству вторичных контуров врезают попарно расположенные патрубки.
Распределительная гребенка облегчает эксплуатацию и ремонт оборудования. Запорная и регулирующая арматура системы теплоснабжения дома находится в одном месте. Увеличенный диаметр коллектора обеспечивает равномерный расход между отдельными контурами.

Применение гидрострелки убережет котел от теплового удара
Разделитель и компланарная распределительная гребенка образуют гидравлический модуль. Компактный узел удобен для стесненных условий небольших котельных.
Монтажные выпуски предусмотрены для обвязки звездочкой:
- низконапорный контур теплых полов подключают снизу;
- высоконапорный контур радиаторов — сверху;
- теплообменник — сбоку, на противоположной стороне от гидрострелки.
На рисунке представлена гидрострелка с коллектором. Схема изготовления предусматривает установку балансировочных клапанов между коллекторами подачи/обратки:

Схема гидрострелки с коллектором
Регулирующая арматура обеспечивает максимальный проток и напор на дальних от гидрострелки контурах. Балансировка снижает процессы неправильного дросселирование потока, позволяет добиться расчетной подачи теплоносителя.
Важно! Автономная система отопления относится к системам, работающим с высокой температурой среды под давлением (гидрострелка отопления частного дома в том числе). Сделать гидрострелку отопления своими руками может специалист, обладающий достаточным запасом знаний в теплотехнике, опытом и навыками работы (электрогазосварка, слесарное дело, работа с ручным электроинструментом)
Многочисленные интернет-сайты предлагают пошаговые инструкции по изготовлению гидрострелки для отопления, видео ролики также смогут помочь в этом процессе
Сделать гидрострелку отопления своими руками может специалист, обладающий достаточным запасом знаний в теплотехнике, опытом и навыками работы (электрогазосварка, слесарное дело, работа с ручным электроинструментом). Многочисленные интернет-сайты предлагают пошаговые инструкции по изготовлению гидрострелки для отопления, видео ролики также смогут помочь в этом процессе.

Размеры коллектора отопления с гидрострелкой
Теоретические знания помогут составить схемы и чертежи гидрострелки отопления, сделать индивидуальный заказ оборудования в специализированной организации, проконтролировать работу подрядчика. Доверять изготовление ответственных узлов системы отопления непрофессионалам опасно для жизни и здоровья. Следует помнить о том, что испорченное по вине владельца оборудование гарантийному ремонту и возврату не подлежит.
https://youtube.com/watch?v=sLsOysrbhb8
Как работает гидрострелка в разных случаях
Принцип работы гидрострелки различается в зависимости от целей её использования и типа систем, в которые она установлена.
Отопление с 4-х ходовым смесителем
Чтобы описать схему работы отопления с 4-х ходовым смесителем, для начала нужно представить квадрат, на каждой стороне которого находятся отверстия равные по ширине. Из всех этих отсеков протекает либо холодная, либо горячая вода.
В системе существует всего 3 режима: полностью открытый, полностью закрытый и промежуточный. Начнём разбор с полностью закрытого.

Как мы знаем тёплые потоки воздуха или горячей воды выходят прямиком из котла, а холодные потоки из системы отопления (вода вышла из котла, сделала круг и остыла).
Если вся система закрыта, т. е. не работает, то тёплая вода постоянно переливается через гидравлический разделитель, никуда не уходя, протекая постоянно по одному кругу и возвращаясь обратно в котёл.
Та же самая ситуация происходит и с холодным потоком воды или воздуха, который не нагревается заново, оставаясь холодным до открытого режима. Эти жидкости не смешиваются и не передают друг другу тепло, циркулируя строго по своему контуру.
При промежуточном режиме эти жидкости начинают смешиваться. При этом температура часто бывает немного выше средней, потому что весь пар, накопленный за период закрытого режима, выходит наружу и начинает согревать холодные потоки. Таким образом, обычно нагревают полы, чтобы ноги не жгло.
В открытом режиме протоки горячей и холодной воды вновь не пересекаются, но компенсируют утраты друг друга. Что это значит. Представим опять квадрат. Потоки горячего воздуха или воды выходят из одного края и входят в систему отопления, в то время как холодная жидкость, выходя из нее движется в стороны котла, где согревается. И такой процесс восполнения постоянно горячей воды холодной и наоборот почти вечный двигатель, если не учитывать, что тепло безвозвратно уходит.
Для нейтрального режима работы

Идеальным режимом работы гидроразделителя является тот момент, когда количество горячей и холодной воды примерно одинаково и не требует регуляции.
Обычно это случается, когда котёл работает постоянно и без перебоев — очень редко, потому что всегда существует погрешность.
Котёл не обладает достаточной мощностью
Основываясь на этой проблеме, и ставят термодатчик, или, в нашем случае, гидрострелку. Получив сигнал от встроенного термодатчика, гидравлический разделитель переходит в разные режимы: либо в открытый, либо в закрытый.
Внимание! Это обеспечивает безопасность котла, который может в одночасье просто расколоться от перепадов температур и давления. Перегоняя воду, охлаждая или нагревая, гидрострелка помогает котлу справиться с уравновешиванием термодинамики, чтобы продолжить работу
Поток на первичном контуре объёмнее, чем расход теплоносителя
Как уже рассказывалось выше, в случае, если горячий поток слишком сильно разогрет для вхождения в котёл, то через гидрострелку он попадает в систему, гарантирующую разделение потока на две части, вторая будет охлаждаться и уйдёт в систему отопления вместе с холодной водой или паром, а горячая часть сильно сократиться и перестанет представлять угрозу для и так горячего котла.
Принцип работы гидрострелки
Разберем принцип работы гидравлического разделителя. Поскольку внутри трубы прибора ничего нет, ясно, что регулирование работы теплоносителя осуществляется за счёт физических законов. Как это работает:
Когда оборудование только запускается, температура теплоносителя ещё не достаточна, чтобы хоть как-то обогреть помещение, а циркуляционные насосы уже разгоняют его по батареям. Вода, достигая гидрострелки, направляется вниз и происходит вращение по малому кругу и котёл работает на себя, быстрее повышая температуру теплоносителя.

Гидравлические процессы, протекающие в гидрострелке
После того, как восстанавливается баланс в температуре подачи и обратки, потоки практически не смешиваются, а гидрострелка выполняет только функции сбора примесей и воздуха из жидкости. Но на практике, такое равновесие практически не достижимо и кратковременно, поэтому наличие гидрострелки всегда будет оправдано.
Если по каким-то причинам увеличивается расход системы, а протоки в котле меньшего диаметра и просто не могут обеспечить больший расход. Тогда вода в гидрострелке смешивается (происходит добавление нужного объема жидкости из обратки к подаче) и каждый элемент системы получает столько, сколько ей требуется – котёл меньше, ветки трубопровода больше.
Отопительные котлы длительного горения особенно остро нуждаются в установке гидрострелки, поскольку имеют несколько режимов топки (от розжига до затухания) и на каждом этапе работы требуется создать стабильные условия давления и температуры.
Устройство и принцип действия гидрострелки
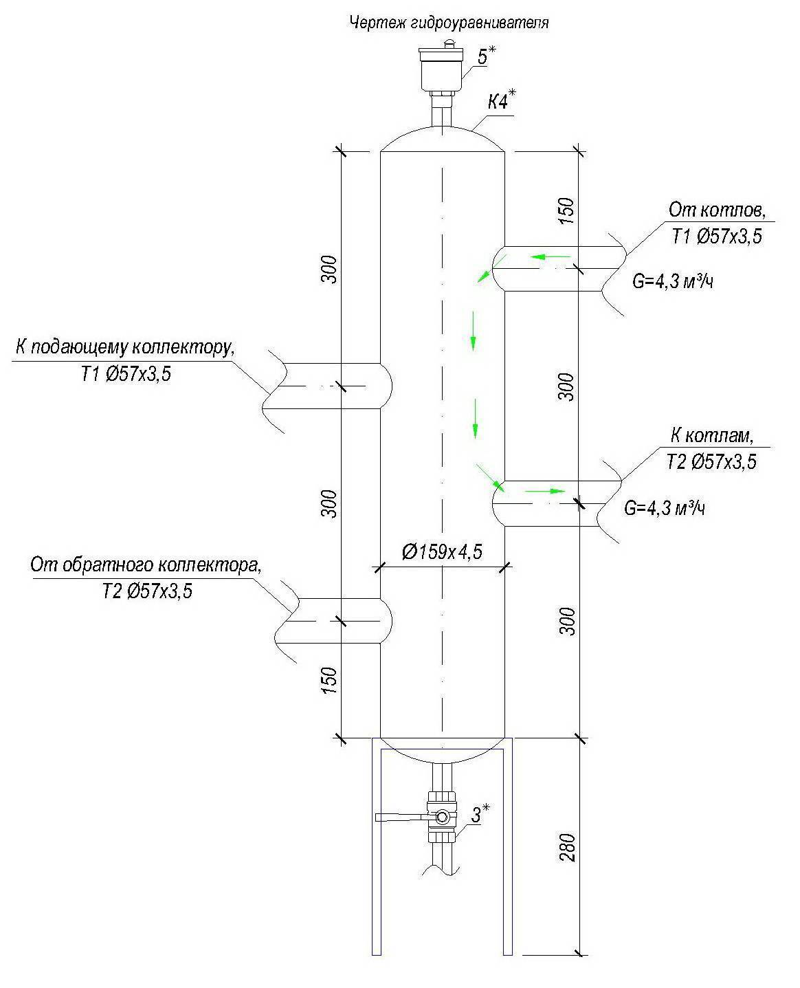
Классическое устройство гидрострелки – полый сосуд, имеющий две пары патрубков. Первая пара служит для подключения котла (или каскада котлов), вторая – для присоединения системы потребления. Внутренний объем сосуда круглого или прямоугольного сечения служит зоной гидравлического разделения, разряжения и смешивания потоков разнотемпературных теплоносителей.
В верхней части устройства устанавливают воздухоотводчик, нижняя служит грязеуловителем. В гидрострелке циркулирует два потока теплоносителя – поток котлового (первичного) контура и поток системы потребления (вторичного контура). При различных режимах работы оборудования величина потоков меняется. Происходит либо прямая подача от котла, либо смешивание потоков с разной температурой.
Гидрострелка подбирается из расчета снижения скорости теплоносителя до диапазона 0,1 – 0,2 м/с. Прим этой скорости практически отсутствует гидравлическое сопротивление, гидродинамический режим принимает ламинарный характер, происходит наиболее качественный тепломассообмен между контурами.
Контур циркуляции котла практически не зависит от вторичного контура, режим работы котла приобретает стабильный, ровный характер. Вторичный контур получает теплоноситель с равной температурой для всех ветвей, необходимое его количество отбирается собственными насосами.
Отключение, изменение режима работы любой зоны отопительного оборудование приобретает лишь косвенное влияние на работу котла и системы в целом. Обеспечивается гидравлическое разделение, снижающее нагрузку на теплогенератор, отопительные приборы, насосное оборудование, коммуникации.
Гидравлический разделитель имеет три режима работы:
Режим 1. Прямой тепломассообмен потоков теплоносителя первичного и вторичного контура. Стабильная тепловая нагрузка потребления равна постоянному значению тепловой мощности котлоагрегата. Смешивания теплоносителей практически не происходит, движение приобретает ламинарный режим, происходит отделение воздуха, примесей и так далее. Режим работы котла – постоянный, на средней нагрузке.
Режим 2. Котел работает с максимальной нагрузкой, при этом не может обеспечить все потребности системы. Происходит полная передача потока из первичного контура котла с подмешиванием воды из обратки вторичного контура. При этом общая температура снижается для всех потребителей.
Режим 3. Оптимальный режим работы характеризуется наличием необходимой тепловой мощности котла, обеспечением экономного, «щадящего» режима работы. В этом режиме происходит смешивание прямого и обратного потоков первичного контура, температура поднимается. Котел останавливается при достижении заданной температуры, режим его работы приобретает циклический характер.
Гидравлический разделитель имеет и более сложные конструктивные конфигурации. Устройство оснащается сетчатыми элементами в верхней зоне для качественного отделения воздуха. Внутри изделия выполняются перфорированные перегородки вертикального или горизонтального направления для более эффективного разделения потоков.
Гидрострелки часто комбинируются с распределительными коллекторами. При этом коллекторы иногда входят в конструкцию моноблока, могут подключаться независимые.
Производятся изделия в виде комбинации разделителя и коллектора. При этом реализуется зонный температурный отбор теплоносителя для различных отопительных блоков.
Установка

Гидрострелка с коллектором
Описанный в предыдущем разделе вариант прибора не единственный. Гидрораспределитель сделанный своими руками может быть не только вертикальный, но и горизонтальный и даже установленный под углом. Всё зависит от места, куда вы его планируете установить и от размеров самого прибора. Единственное неизменное правило для всех вариантов – это воздушный клапан должен быть в самой верхней точке, а сливной кран в самой нижней. Больше никаких принципиальных нюансов нет.
Гидрострелка из полипропилена
Как заявляют производители, полипропиленовые трубы по долговечности не уступают, а порой и превосходят трубы металлические. Что ж, поспорить с этим трудно, а значит использовать этот материал для изготовления гидрострелки, начали практически одновременно с его появлением. Сделать это не сложнее, а если судить по весу материала, то и легче.
В зависимости от конфигурации гидрораспределителя понадобится:
- Полипропиленовая труба соответствующего диаметра.
- Тройники, количество которых зависит от количества отопительных контуров.
- Две торцевые заглушки.
Алгоритм сборки гидрострелки из полипропилена, мало чем отличается от сборки металлического. Основные элементы все те же самые, поменялся только материал. Однако следует учитывать, что не во всякую систему отопления можно вставить подобный гидрораспределитель. Полипропилен способен выдержать довольно высокие температуры, но при использовании твёрдотопливного котла, может возникнуть ситуация, когда температура воды повысится до таких показателей, которые просто-напросто расплавят полипропилен. Случаи эти в большинстве своём связаны с аварийной ситуацией, но рисковать, всё-таки не стоит.
Обвязка с котлом
Можно нарисовать красочную схему с множеством стрелочек и красивых символов, но это настолько просто, что и нескольких слов будет достаточно. Распределитель подсоединяется к котлу при помощи патрубка, через который поступает нагретая вода. В гидрострелке она поднимается вверх и через верхнее отверстие уходит к радиаторам. Оттуда по обратному контуру поступает к нижнему патрубку распределителя и перемешивается с котловым контуром. Таким образом, осуществляется постоянная циркуляция воды.
Гидрострелка с коллектором
Коллектор необходим в системе, где предусмотрены несколько разных отопительных контуров. В этом случае гидрострелка изготавливается по упрощённому варианту, а все патрубки, распределяющие воду по контурам, монтируются к коллектору. Подающие сверху, обратки – снизу. Тот же принцип соединения коллектора и гидрострелки. Горячая вода из котла идёт через верхний патрубок. Холодная в котёл – через нижний. Схема и в этом случае вполне понятна и сборка её не представляет никаких трудностей, хотя времени потребуется значительно больше.
Понятие гидрострелки
В профессиональной среде можно встретить иные названия гидрострелки:
- гидравлический или термогидравлическийразделитель;
- анулоид.
Применение гидрострелки рекомендовано преимущественно для котельного оборудования из серии долгого горения на твердом топливе, нежели для газовых.
Основное назначение работы разделителя гидравлического (это официальное название гидрострелки) – разделение гидравлических потоков. Контуры разделяются каналом, делая их независимыми и автономными при передаче носителя тепла по отопительной системе. При этом тепло хорошо передается от одного контура к другому.
Порядок самостоятельного изготовления

При изготовлении гидрострелки своими руками нужно иметь навыки сварочных работ
Для сборки стрелки для отопления своими руками сначала потребуется провести теоретические расчеты, после чего подготавливаются чертежи и рабочие схемы. Эту часть подготовительных мероприятий лучше всего доверить специалисту по теплотехнике, владеющему необходимой теоретической подготовкой. Человеку, решившему изготовить стрелку своими руками, необходимо обладать навыками проведения сварных работ.
Сборка любой модификации гидравлической стрелки основана на правиле «3-х диаметров». Рабочий размер патрубков выбирают втрое меньше диаметра основного цилиндра распределителя. Располагаются они диаметрально противоположно, а их местоположение по высоте привязывается к главному калибру. Возможен вариант, при котором отводы делаются так называемой «лесенкой», что позволяет повысить эффективность выведения газов и удаления нерастворимых взвесей. Помимо этого выбор такой конструкции при самостоятельной сборке способствует нормальному смешению потоков.
Соотношения их расположений лучше всего выбирать таким образом, чтобы скорость перемещения вертикального потока достигала 0,2 метров в секунду. Согласно действующим нормативам превышать этот предел недопустимо, поскольку тогда водные потоки не успевают смешиваться. А это чревато появлением температурного градиента и ухудшением условий распределения потоков.
В этом случае предпочтительней выбрать горизонтальную схему, которая в отличие от вертикального аналога не так распространена у любителей и профессионалов. Но в данной ситуации на первое место выходят вопросы эффективности эксплуатации отопительной системы, а не удобство ее обслуживания, чистки и ремонта.
Нюансы работы гидрострелки в системах с насосной группой
В целях повышения эффективности работы отопительных контуров инфраструктура может дополняться вспомогательными насосами и коллекторами. Однако вместе с наращиванием производительности при таком подходе можно ожидать и увеличения нагрузки на отдельных контурах. В результате система отопления с гидрострелкой и насосной группой может функционировать с наличием следующих проблем:
- Если используются циркуляционные агрегаты с разными показателями мощности, то слабые насосы не смогут справляться с нагрузками, присутствующими на соседних контурах.
- Само по себе разделение на множество контуров в результате установки дополнительных функциональных узлов также влияет на работу насосной группы, что может привести к ее перегрузкам и выходу из строя.
- Если в проекте закладывается нормативная разница в показателях давления на отдельных ветках, то малейшее нарушение в балансировке вызовет аварию уже в трубопроводе.
- При штатной остановке отдельных насосов для прекращения подачи воды на их целевом участке возрастет риск движения «паразитных» течений, спровоцированных соседним циркуляционным оборудованием.
Вышеназванные эксплуатационные проблемы обычно возникают в сложных промышленных системах на производствах, где одним источником тепла обслуживаются десятки потребителей. В системах отопления частного дома гидрострелка обычно работает в комплексе с малой насосной группой и двумя-тремя коллекторами. Даже если речь идет о двухэтажном доме, для полноценной циркуляции теплоносителя может быть достаточно и двух насосов. Главное – правильно их подобрать в соответствии с потребностями конкретной системы.
Функционал прибора
Если собственник не знает, для чего нужна гидрострелка в системе отопления, то ему будет полезна информация, освещенная в данном разделе.
В широком понимании гидроразделитель в системе отопления позволяет устранить все перепады расхода теплоносителя и скачки давления.
Установка прибора позволяет повысить надежность системы в целом и предотвратить возникновение аварийных ситуаций. К примеру, гидравлический разделитель в системе отопления позволяет избежать термоклина – угрозы, которая ведет к выходу из строя котла и может спровоцировать нарушение целостности контура.
Монтированная гидравлическая стрелка для систем отопления схема подключения которой разрабатывается теплотехниками, выполняет следующие функции:
- гидродинамическая балансировка;
- стабилизация давления при неравномерной подаче теплоносителя;
- функция отстойника;
- удаление воздуха из теплоносителя;
- снижение нагрузки на котел и циркуляционное оборудование;
- достижение стабильности в работе системы;
- предотвращение «запирания» контуров.
Перечисленные выше функции позволяют избежать преждевременного износа системы отопления, предотвратить серьезные поломки котлов и протечки отопительных приборов, защитить металлические детали контура от окисления. В отличие от традиционных схем обогрева схема отопления с гидрострелкой и коллектором позволит добиться максимальной производительности и эффективности системы. Что такое коллектор отопления можно прочитать в нашей статье «Коллектор отопления: устройство оборудования и особенности монтажа» .
В некоторых случаях, например, при использовании котлов с чугунным теплообменником, установка балансирующего прибора является обязательной. Рекомендуется использовать гидравлический разделитель и людям, которые пользуются дорогими отопительными приборами, находящимися на гарантии от производителя для минимизации риска их поломки.
Гидрострелка своими руками
Гидравлический распределитель можно изготовить самостоятельно из труб подходящего диаметра, металлического бака и др. Понадобится лишь приварить патрубки, а также верхнее и нижнее дно.
Важно! Сварка должна быть на высоком уровне, чтобы внутрь не попал мусор. Поэтому обратитесь к профессиональному сварщику.. Пошаговое руководство:
Пошаговое руководство:
Рассчитайте диаметр труб, по приведенным выше формулам.
Составить схематический чертеж устройства. При этом учитывайте, что контейнер следуют разделить на несколько промежутков:Дистанция от дна к первому нижнему патрубку должна быть около 10-15 см, чтобы в нем собирался шлам;
Дистанция от верха к первой трубке сверху должна быть тоже около 10 см, для накопления воздуха.
Вход и выход верхних патрубков регламентирован температурным градиентом
Верхние трубки могут располагаться параллельно друг к другу или чередоваться. Важно! Если патрубки находятся на одной оси, то за счет прямого потока, отвод воздуха очень слаб, из-за чего возникают воздушные пробки.
Чем выше располагается патрубок верхнего вывода, тем больше температура поступающего потока. Важно! Если верхний выходной патрубок расположен ниже чем входной, то вода в него будет поступать только после того как полностью прогреется.
Входная трубка вверху не должна быть в самой верхней точке, поскольку в устройстве не будет двигаться горячий поток и вода не сможет смешиваться.
Провести сварочные работы.
Проверить герметичность устройства, закрыв отверстия и наполнив его водой. Затем оставить в таком состояние на сутки
Если протечек нет, устройство можно монтировать.
Если верхний выходной патрубок расположен ниже чем входной, то вода в него будет поступать только после того как полностью прогреется
Что такое гидрострелка для отопления?
В сложных разветвленных отопительных системах даже насосы завышенной мощности не смогут соответствовать разным параметрам и условиям работы системы. Это негативно скажется на функционировании котла и сроке службы дорогостоящего оборудования. Помимо этого, каждый из подключенных контуров имеет свой собственный напор и производительность. Это приводит к тому, что одновременно слаженно вся система работать не может.
Даже если каждый контур снабдить своим собственным циркуляционным насосом, который будет отвечать параметрам заданной магистрали, то проблема только усугубится. Вся система станет разбалансированной, потому что параметры каждого контура будут существенно различаться.
Чтобы решить проблему, котел должен выдавать необходимый объем теплоносителя, а каждый контур должен забирать из коллектора ровно столько, сколько нужно. В данном случае коллектор выполняет функции разделителя гидросистем. Именно для того, чтобы выделить из общего контура «малый котловой» поток и нужен гидроразделитель. Второе его название гидравлическая стрелка (ГС) или гидрострелка.
Такое название прибор получил за то, что он так же, как и железнодорожная стрелка, может разделять потоки теплоносителя и направлять их в нужный контур. Это прямоугольный или круглый резервуар с заглушками с торцов. Он подключается к котлу и коллектору и имеет несколько врезанных патрубков.
Принцип работы гидравлического разделителя
Поток теплоносителя проходит гидравлический разделитель для отопления со скоростью 0,1-0,2 метра в секунду, а насос котла разгоняет воду до 0,7-0,9 метров. Скорость водяного потока гасится за счет изменения направления движения и объема проходящей жидкости. При этом теплопотери в системе будут минимальные.
Принцип работы гидравлической стрелки заключается в том, что ламинарное движение водяного потока практически не вызывает гидравлического сопротивления внутри корпуса. Это способствует сохранению скорости потока и уменьшению теплопотерь. Такая буферная зона разделяет потребительскую цепь и котел. Это способствует автономной работе каждого насоса без нарушения гидравлического равновесия.
Режимы работы
Гидравлическая стрелка для систем отопления имеет 3 режима работы:
- В первом режиме гидроразделитель в системе отопления создает условия равновесия. То есть расход контура котла не отличается от общего расхода всех контуров, которые подключены к гидрострелке и коллектору. При этом теплоноситель не задерживается в приборе и движется через него по горизонтали. Температура теплового носителя на патрубках подачи и отведения одинаковая. Это довольно редкий режим работы, при котором гидрострелка не влияет на работу системы.
- Иногда встречается ситуация, когда расход на всех контурах превышает производительность котла. Такое бывает при максимальном расходе жидкости всеми контурами сразу. То есть спрос на тепловой носитель превысил возможности котлового контура. Это не приведет к остановке или разбалансировке системы, потому что в гидрострелке сформируется вертикальный восходящий поток, который обеспечит подмес горячего теплоносителя из малого контура.
- В третьем режиме термострелка на отопление работает чаще всего. При этом расход нагретой жидкости в малом контуре выше, чем суммарный расход на коллекторе. То есть спрос во всех контурах ниже, чем предложение. Это также не приведет к разбалансировке системы, потому что в приборе образуется вертикальный нисходящий поток, который обеспечит сброс избыточного объема жидкости в обратку.
Дополнительные возможности гидрострелки
Описанный выше принцип работы гидравлического разделителя в системе отопления позволяет прибору реализовать и другие возможности:
После попадания в корпус разделителя скорость потока снижается, это приводит к оседанию нерастворимых примесей, которые содержатся в теплоносителе. Для слива скопившегося осадка в нижней части гидрострелки устанавливают кран. Благодаря снижению скорости потолка из жидкости выделяются пузырьки газа, которые выводятся из прибора через автоматический воздухоотводчик, установленный в верхней части. По сути, он выполняет функции дополнительного сепаратора в системе
Особенно важно удалять газ на выходе из котла, ведь при нагревании жидкости до высоких температур газообразование повышается. Гидроразделитель очень важен в системах с чугунными котлами. Если такой котел подключить напрямую к коллектору, то попадание холодной воды в теплообменник приведет к образованию трещин и выходу оборудования из строя
Если такой котел подключить напрямую к коллектору, то попадание холодной воды в теплообменник приведет к образованию трещин и выходу оборудования из строя.





































