Прибор для ионизации воды
Гидроионизатор вырабатывает щелочную и кислотную разновидности воды. Это происходит за счет процесса электролиза жидкой среды.
Популярность ионизации как метода обработки воды связана с тем, что ионизованной жидкости приписывают целебные свойства. Считается, что такая вода замедляет процессы старения в организме человека.
Чтобы получить воду с позитивным и негативным зарядом, для начала ее необходимо тщательно очистить от посторонних примесей. Это происходит при помощи фильтрования. Отрицательно зараженный электрод собирает вещества со щелочной реакцией, а положительный электрод притягивает соединения кислотной природы. Так и получается две разновидности воды.
Ионизатор, прибор для выработки щелочной и кислотной жидкости.
Щелочная вода обладает отрицательным зарядом. Она имеет такие особенности:
- Стабилизирует артериальное давление.
- Приводит в нормальное состояние обмен веществ.
- Борется с вирусами в организме.
- Усиливает иммунитет.
- Способствует заживлению тканей.
- Является сильным антиоксидантом.
Кислотная вода обладает положительным зарядом. Она имеет такие особенности:
- Является сильным дезинфицирующим веществом.
- Устраняет аллергию.
- Борется с воспалениями.
- Уничтожает грибки, бактерии, вирусы.
- Придает здоровый вид локонам, ухаживает за кожей.
- Помогает ухаживать за зубами и полостью рта.
Гидроионизаторы бывают двух разновидностей:
- Работают за счет использования драгоценных металлов (в первую очередь, серебра), а также полудрагоценных камней (коралл, турмалин).
- Обеспечивают ионизацию за счет электрического тока. Во время функционирования прибора происходит дезинфекция воды и ее обогащение.
Схема подробно описывает принцип действия ионизатора
Зачем необходим ионизатор?
Известный профессор А. Л. Чижевский писал, что человек построил себе дом, но находясь внутри него, он лишает себя ионизированного воздуха, а чем большим количеством отрицательных ионов обогащён воздух, тем он полезнее для человека.
Для сравнения можно отметить, что воздух в лесу насчитывает около 1500 отрицательных аэроионов. Воздух же в современных городах, соответственно, и в домах, содержит более чем в 10 раз меньше полезных ионов из-за многочисленного транспорта, асфальта, нагревающегося бетона. Это намного меньше, чем необходимо для отличного самочувствия, поэтому вдалеке от города дышится значительно лучше, чем в квартире.
К счастью, существует устройство, которое может решить данную проблему. Прибор, который очищает воздух и повышает в квартире количество отрицательных ионов, – это и есть ионизатор воздуха. Он способствует насыщению воздуха отрицательными аэроионами, которые отдают свою энергию, тем самым оказывают благотворное воздействие на здоровье всех, кто находится дома, а именно:
- снижают утомляемость после рабочего дня;
- восстанавливают сон;
- нормализуют работу внутренних органов, в том числе сердца;
- улучшают память;
- активизируют деятельность иммунной системы.

Ионизатор необходим, если в доме проживают люди преклонного возраста и маленькие дети, особенно если у них имеются проявления аллергии, или они подвержены простудным заболеваниям. К тому же он будет полезен тем, кто редко бывает на свежем воздухе, работая в офисе или дома за компьютером. Больше информации об использовании ионизатора в комнате новорожденного, ищите в этой статье.
Несколько слов о живой и мертвой воде
Чтобы понять, какое влияние оказывает на человека жидкость различной кислотности, следует разобраться с показателем pH. Его шкала имеет значения от 0 до 14, где:
- 0-7 – кислая среда, в которой мало кислорода;
- 7 – нейтральная;
- 7-14 – щелочная с большим содержанием кислорода.
Употребление “нехороших” еды и питья повышает кислотность организма, и чтобы ее восстановить, нужна щелочь.
Не менее важным является показатель окислительно-восстановительного потенциала (ОВП). Он указывает на умение вещества восстанавливать или окислять другие вещества. Положительный показатель ОВП говорит, что напиток является окислителем и забирает электроны у клеток, провоцируя появление свободных радикалов. Из-за них появляются неполадки со здоровьем. Питье с отрицательным значением ОВП, напротив, содержит антиоксиданты, помогающие восстановлению организма.
Теперь немного поговорим о том, какой эффект оказывает получаемая с помощью аппарата вода.
Итак, что же дает при регулярном применении живая (она же щелочная – pH от 7 до 12) вода.
- Поглощает и нейтрализует свободные радикалы, т. е. действует как антиоксидант.
- Восстанавливает кислотно-щелочной баланс – от закисленности берут свое начало многие недуги.
- Насыщает кислородом – по заверениям продавцов, эффект заметен сразу и проявляется он в улучшении мозговой активности.
- Уменьшает риск образования тромбов, инсульта и высокого давления – это достигается за счет меньшего, чем у жидкости из-под крана, поверхностного натяжения (плотности). Она более “жидкая”, а потому умеет разжижать кровь.
Мертвая (кислотная) влага применяется, в основном, наружно и для бытовых нужд:
- избавляет от проблем с кожей, например, угрей, сыпи, помогает справиться с выпадением волос;
- убивает вредные бактерии и вирусы, поэтому такой раствор рекомендуют использовать для мытья овощей и фруктов, а также для влажной уборки дома;
- лечит многие хвори: ангину, насморк, бронхит, грибок, зубную боль, радикулит и много других.
Существуют целые сборники рецептов с подробными описаниями, каким лучше напитком лечить те или иные заболевания. Верить или нет – дело ваше. Но пожалуйста, не переборщите с самолечением: опасные болезни требуют обязательной врачебной помощи и серьезных препаратов!

Как в ионизаторе воды получается живая вода
Что происходит внутри, между обкладками постоянно заряженного конденсатора? Ионизатор воды создает невидимых частиц в воде, начинается движение тока. При этом на отрицательном электроде скапливаются электроны, которые хотят попасть на тот берег – к аноду. В этом смысле процесс в ионизаторе воды тот же самый, что и в любой электронной лампе. Только там среда вакуум, а здесь – вода. Последнее обусловливает то, что молекулы неустойчивы. Все растворы содержат не их, как таковые, а именно ионы. Это касается и солей, и самой воды. Как известно, ее формула – «аш два о». Это значит, что она состоит из трех молекул:
- две – водорода;
- одна – кислорода.

Однако из химии известно, что устойчивых ионов только два – гидроксильная группа и водород. Отрываясь от молекулы, последний теряет свой электрон, обретает положительный заряд и становится кислотным фактором. Вблизи отрицательного электрода, он ловит новую элементарную частицу, благодаря которой впадает в нейтралитет. Но в природе не существует отдельно парящих атомов водорода, это ненормальное состояние, и атомы начинают собираться парами, образуя газ водород, который улетучивается, как только вода вытекает на открытое место, например, из крана. В воде остается, собственно, вода, а также гидроксильная группа, обладающая выраженными щелочными свойствами.
Вода получает отрицательный заряд за счет избытка электронов, становится живой и готова лечить. Как получить такую дома? В этом нет ничего сложного. Вы даже удивитесь, насколько все просто.
Свойства мертвой воды (анодная)
Свойства мёртвой воды могут сохраняться до 2-х недель. Но храниться должна в закрытой стеклянной таре.
— В отличие от живой, мёртвая вода замедляет процесс обмена веществ.
— Мощный антисептик! По эффективности можно сравнить с действием спирта, йода, перекиси водорода. Отличное средство для дезинфекции!
— Великолепные антиаллергическими, подсушивающие, противоглистные, противозудные и противовоспалительные свойства;
— При употреблении внутрь, мертвая вода снижает давление у гипертоников, восстанавливает проходное сечение сосудов;
— Помогает растворять камни в желчном пузыре, желчных проходах, печени, почках.
— Уменьшаются боли в суставах;
— Замечено некоторое снотворное воздействие. Поэтому не рекомендуется её пить, когда вы за рулём.
— Выводит из организма вредные вещества
— Восстанавливает работу потовых, слюнных, сальных, слёзных желез.
— Усиливает воздействие солнечной радиации, поэтому не стоит ею пользоваться, если вы собираетесь длительно находиться на солнце;
Если применяете живую и мёртвую воду в комплексе, между приёмами нужно выдерживать интервал не менее часа.
Не буду дальше вас грузить теорией, перейду наконец-то к описанию аппарата для приготовления живой и мёртвой воды.
Самостоятельное изготовление
Ионизатор воздуха можно создать из доступных дома деталей, которые лежат без дела или находятся в неработающей бытовой технике. Вариантов для сооружения прибора может быть много, все зависит от опыта мастера и типа ионизатора. Самый простой вариант требует таких компонентов:
- небольшую пластмассовую емкость, для чего можно взять яйцо из «Киндера»;
- 2 провода с диаметром 0.5 мм;
- штепсельная вилка, имеющая разводной тип;
- изолирующие материалы;
- ножницы, которыми будет осуществляться монтаж;
- игла, которой будут проделываться отверстия.
В яйце из-под «Киндера» иглой делаются 2 отверстия, в которые будет вводиться провод. В одну часть необходимо вставить провод с положительно заряженными частицами, в другую – с отрицательно заряженными. Жилы необходимо заизолировать и соединить между собой. Вторая часть провода присоединяется к вилке.

Можно создать ионизатор воздуха для автомобиля, для чего необходим трансформатор. Создание прибора из строчного трансформатора будет немного более сложным, но под силу многим. Устройство можно взять в старом компьютере или телевизоре. На сердечник, который был освобожден от старой обмотки, нужно намотать новые провода. Этот процесс должен быть сделан правильно, так как состоит из нескольких этапов, первичной и вторичной намотки. Первичная предполагает 14 витков, а вторичная 600.
Чтобы конструкция была безопасной, ее обязательно нужно заизолировать, используя при этом обычный скотч
При вторичной обмотке важно изолировать конструкцию, использую скотч после каждых 100 витков. Готовый трансформатор нужно присоединить к таймеру
Следующим этапом будет конструирование умножителя напряжения, для чего нужны диоды КЦ 106 и конденсаторы с мощностью до 10 кВт и 3300пФ. Электроды умножителя должны быть установлены на расстоянии в 3 см, после чего прибор готов и может быть включен в сеть.

Наиболее популярный ионизатор, который можно сделать дома, представляет собой люстру Чижевского. Схема этого устройства проста.
Алюминиевый обруч в 1 м диаметром – основа прибора.
Медные провода с диаметром 1 мм, которые крепятся к основанию.
Расстояние между проводами должно быть около 45 мм.
Сетка не должна натягиваться, лучше если провода будут провисать до 90 мм.
В месте пересечения медных проводов необходимо припаять иголки длиной не более 5 см
Важно, чтобы иглы были максимально острыми, ведь по ним будет стекать отрицательный заряд.
Прикрепить к основе на равном расстоянии 3 медных провода диаметром в 1 мм.
Второй конец этих проводов нужно спаять вместе над основой.
Присоединение генератора в том месте, где скрепляются медные провода.. Чтобы обеспечить работоспособность такой лампы, необходимо напряжение больше 25 кВт, а для большего помещения примерно 50 кв
м, напряжение должно быть до 40 кВт. Оптимальное расстояние от люстры до человека должно составлять 1,5 метра. При выключении прибора не стоит какое-то время к нему прикасаться, так как он несет в себе остаточный заряд
Чтобы обеспечить работоспособность такой лампы, необходимо напряжение больше 25 кВт, а для большего помещения примерно 50 кв. м, напряжение должно быть до 40 кВт. Оптимальное расстояние от люстры до человека должно составлять 1,5 метра. При выключении прибора не стоит какое-то время к нему прикасаться, так как он несет в себе остаточный заряд.

Несмотря на свою популярность, люстра Чижевского имеет и свои слабые стороны, которые выражаются в выделении вредоносных биологически активных газов. Чтобы решить эту проблему, было решено собрать биполярный ионизатор воздуха, который отличался от предшественника. Такой прибор выделял не только полезные аэроионы, но и бесполезные, что не давало повысить уровень электростатического напряжения в помещении. Сделать ионизатор можно при помощи:
- генератора;
- высоковольтного трансформатора;
- умножителя напряжения;
- блока питания.


Чтобы создать прибор правильно, не упустив ничего, стоит приобрести полноценный набор для самостоятельной сборки, который напоминает конструктор. Наиболее распространенным производителем является «Мастер-Кит», который зарекомендовал себя как надежная фирма. Ее продукция и детали имеют хорошее качество и небольшую стоимость.

Создать ионизатор воздуха самостоятельно не слишком сложно, но иметь общие азы радиотехники, умение паять и работать с различными материалами все же необходимо. Большинство приборов работают от напряжения, а потому стоит быть аккуратным в работе, чтобы не получить поражение током и не стать причиной возникновения пожароопасной ситуации.
О том, как сделать ионизатор воздуха своими руками, смотрите в следующем видео.
Нетрадиционные способы получения живой воды
Целебную жидкость можно получить и без использования активаторов. Она может быть не такой результативной, но окажет эффект при определенных заболеваниях. В домашних условиях вы можете приготовить католит, используя рецепты заморозки. Готовим
живую воду несколькими способами:
- Заморозьте воду в кастрюле. Лучше использовать покупную бутилированную воду или очищенную при помощи фильтра. Налейте полную кастрюлю и поставьте ее в морозильную камеру. Дождитесь, пока на поверхности образуется тонкая ледяная корка, и снимите ее. Затем перелейте воду в другую емкость и вновь отправьте в морозилку. На этот раз дождитесь, пока замерзнет две трети от общего объема. Слейте воду, которая не замерзла. Оставшийся лед – это и есть тот самый католит.
- Если у вас не так много времени, можете воспользоваться более быстрым способом. Налейте жидкость в стеклянный или керамический стакан и поставьте в морозилку. Когда вода превратится в лед, достаньте его из стакана и сполосните холодной водой. Затем оставьте лед при комнатной температуре и дайте ему растаять на 2/3. Это и будет активированной водой. Оставшуюся часть льда выбросьте.
При заморозке первыми застывают вредные для человека примеси. После проведения таких процедур жидкость получает целебные свойства.
Изготовление ионизатора воды своими руками
Описан принцип действия ионизатора воды. Чтобы реализовать концепцию практически, разживемся электродами. Полагаем, подойдут две пластины пищевой нержавеющей стали на том простом основании, что из такой делают днища современных электрочайников. Водонагреватели оставьте в покое. Бак стальной, но пить оттуда воду не рекомендуют даже производители. Возьмите на карандаш, имеющие такую привычку. Авторы склонны считать, дело ограничивается магниевым анодом. Железо в больших количествах приносит немалый вред, концентрацию ограничивают (государственными нормативами) в питьевой воде, чего говорить про магний, непонятные соли, образующиеся протекающими химическими реакциями внутри под действием температуры!
Подобный продукт продается оптом, партиями, не то чтобы цена большая, куда остальное девать. Поставить самодельный ионизатор воды на конвейер.
Во вторую очередь ищем материал, не пропускающий воду, проводящий ток. Энтузиасты рекомендуют использовать кусок пожарного шланга, зашитого одним концом. Импровизированная емкость позволит осуществить задуманное. Чтобы живая вода в мешке не смешалась с мертвой, которая будет вокруг мешка. Конструкции ионизатора воды не обойтись без стеклянной банки, которая послужит прибору оболочкой:
- Кладем мешок в банку.
- Наливаем воды, чтобы уровень не достигал края.
- Ионизатор с параллельными электродами размещаем, чтобы отрицательный полюс оказался внутри мешка, положительный – снаружи.
- Подключаем электричество.
- Через десять минут получаем профит: живая и мертвая вода.
Первая слегка белесая, заряжена отрицательно ионами гидроксильной группы. Вторая слегка зеленоватая, прозрачная, наделена положительным зарядом.
Осталось добавить: выпрямитель подойдет любого класса. Лучше выбрать двухполупериодный. Согласно опыту энтузиастов, большой разницы нет, что входит в устройство ионизатора воды. И один, и два периода требуют 10 минут, чтоб получить готовый продукт. Верим, читатель соберет ионизатор воды своими руками. Будьте осторожны, не путайте электроды. Для себя лучше пометить сразу знаками «+» и «-». Полярность на выходе выпрямителя не зависит от того, какой стороной воткнуть вилку в розетку. Касается однополупериодных и двухполупериодных. Если не разбираетесь в электронике, найдите диод. На нем нарисовано направление движения тока. Вот только в электронике ток движется с плюса на минус. Потому врубите диод в цепь положительного электрода, только обратной стороной. Как видите, самостоятельно сделать ионизатор воды под силу каждому.
Подошел к концу рассказ о том, как сделать ионизатор воды. Не забудьте – внутри 230 вольт, значит, корпус должен быть заизолирован. Рекомендовали бы включить ионизатор воды через дифференциальное устройство защиты, если таковое найдется в доме.
Разновидности ионизаторов
Известно несколько методов ионизации воздуха искусственным путём, каждый из которых требует отдельного внимания.
Ультрафиолетовый
Больничные палаты, помещения в дошкольных учреждениях и школе, особенно в период вирусной инфекции, обрабатываются кварцевой лампой, которая и представляет собой ультрафиолетовый ионизатор.
Во время работы этой лампы и в течении получаса после её отключения не рекомендуется находиться в помещении, так как в воздухе образуется озон и окислы азота, что можно определить по характерному запаху. Спустя 30 минут после отключения лампы воздух снова становится безопасным для вдыхания, поскольку указанные частицы распадаются в силу своей непостоянной природы.
Гидродинамический
Такой ионизатор осуществляет распыление воды, которая имеет электрический заряд, то есть производит не лёгкие отрицательные аэроионы, а водяную пыль (аэрозоль) с электрическим зарядом.
Вначале производились подобные ионизаторы для бытовых целей – они превращали в водяную пыль дистиллированную воду. Позже учёные выяснили, что польза от них небольшая, поэтому прибор был снят с производства, но метод не был забыт, а получил распространение в медицинской практике. Его используют для получения из лекарственных жидкостей электроаэрозолей.
Коронный
Такой прибор также именуется эффлювиальным аэроионизатором. Он работает по методу коронарного разряда и оснащён электрической схемой. Выполняет функцию преобразования переменного напряжения в высоковольтное (несколько десятков киловольт).
Именно коронный ионизатор собирается в домашних условиях. Он имеет своеобразную конструкцию с заострёнными электродами, на которых как раз и подаётся напряжение. Возникает коронный разряд. В результате электроны как бы стекают к острию и их захватывают молекулы кислорода. Наглядно принцип работы такого ионизатора представлен на схеме:

В простых приборах режим работы нерегулируемый, как и производительность по ионам, однако имеются более сложные модификации с регулируемым управлением. Они учитывают напряжение окружающего электрического поля и в зависимости от него корректируют напряжение на электродах.
Бытовые приборы на коронном разряде бывают двух типов:
- униполярные – производят только отрицательные ионы;
- биполярные – производят отрицательные и положительные ионы.
Бытовая техника в квартире и так образует положительные ионы, а полезными считаются отрицательные, значит, целесообразнее собрать униполярный ионизатор.
Если же в помещении отсутствует бытовая техника, можно собрать биполярное устройство, поскольку дисбаланс между ионами разных знаков практически сведёт на нет положительное воздействие отрицательных частиц. Однако существуют мнения, что биполярные приборы не оказывают никакого полезного эффекта, поскольку вырабатываемые отрицательные частицы будут притягиваться к положительным, образуя нейтральный нулевой заряд. Так, прибор будет только впустую крутить счётчик, не образуя при этом ничего полезного.
Люстра Чижевского своими руками
В данной статье будет рассмотрена простая конструкция ионизатора, которую можно собрать своими руками в домашних условиях.
Люстра Чижевского состоит из двух частей – собственно из самой люстры и схемы преобразователя высокого напряжения.

Люстра Чижевского представляет собой алюминиевый обруч имеющий диаметр до 1 метра. На него крепят обслуженные медные провода диаметром до 1 мм и с шагом 35 – 45 мм взаимно-перпендикулярно. Полученная сетка должна провисать на расстоянии 60 – 90 мм. На пересечении проводов припаиваются металлические иголки длинной до 40 мм.
Желательно что бы они были максимально острыми, так как от этого зависит эффективность работы всей конструкции. К обручу на равном расстоянии ( через каждые 120 гр.) необходимо прикрепить три медных провода диаметром до 1 мм., которые другими концами спаиваются вместе над обручем. К этой точке затем подсоединяется сам высоковольтный генератор.
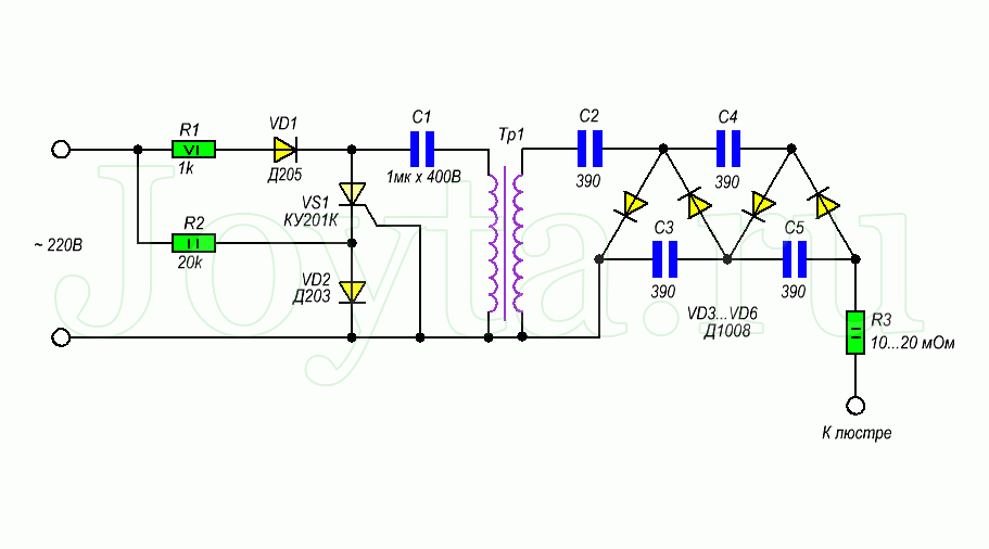
Для эффективной работы люстры Чижевского, необходимо высоковольтное напряжение не менее 25кВ. Для помещения примерно в 50 кв. м необходимо порядка от 30кВ до 40кВ. Этого можно добиться путем добавления в схему ионизатора необходимое количество каскадов умножителя. Ниже приведена простая электрическая схема высоковольтного генератора для ионизатора, которая прошла почти тридцатипятилетнюю проверку и доказала свою эффективность.

Как получить ионизированную воду в домашних условиях

Существует несколько разновидностей приборов с функцией преобразования обычной питьевой воды в ионизированную щелочную, которые имеют свойства насыщать ее полезными ионами водорода.
Модели современных ионизаторов:
- Стационарный: устанавливается на кухне рядом с мойкой: модифицирует поток воды из крана, эксплуатационный срок — 10 лет;
- Водородная бутылка, кувшин: с их помощью выполняется мощное насыщение водородом, смена структуры воды на молекулярном уровне;
- Минеральный: основан на наличии специальных фильтров. Имеет свойства производить очистку воды от хлора, солей тяжелых металлов, избавлять от вредных микроорганизмов, насыщать полезными веществами, ионизировать. Практичен в применении, срок эксплуатации до 6 месяцев;
- Аква-кружка: — активирует воду, другие виды жидкости в течение 1 — 4 минут, не нуждается в подзарядке или замене.
Понимание того, какую пользу и вред приносит ионизатор воды организму, дает человеку возможность выбрать подходящий для конкретного случая вид прибора.
Вред ионизированной воды
Современные ионизаторы позволяют получать в итоге два вида жидкости.
Щелочная вода пригодна для питья и полива растений.
Кислая вода, польза которой состоит в ее антисептическом действии и применяется:
- для ополаскивания овощей и фруктов, кухонных принадлежностей;
- промывания повреждений на теле.
Внимание! При добавлении в приборы серебра необходимо следить за содержанием ионов металла в приготовленной воде, так как большие дозы вещества способны нанести вред здоровью.
Кроме индивидуальных реакций организма, противопоказаний к использованию воды, насыщенной водородом, не выявлено
Ознакомившись с информацией, в чем заключается польза и вред ионизации воды, во избежание развития нежелательных аллергических реакций, прием внутрь следует начинать с осторожностью















































