Рекомендуемый дизайн и материал
Товарный знак той или иной компании предпочтительнее размещать в верхней части бренд-пилона. Форма пилонов не регламентирована: все зависит от вкусов и предпочтений каждой отдельной организации. В качестве материала чаще всего используют алюминий или сталь (последняя станет вам в копеечку). Никто не воспрещает вам возводить пилоны из камня или кирпича (если вы решили обосноваться на этом месте «на века»).
Важно! Перед непосредственной установкой пилона следует произвести необходимые инженерные расчеты, учитывающие глубину залегания фундамента, а также соответствия несущей конструкции ветровым и снеговым нагрузкам
Что будем делать?
Что касается работ на местности, то здесь выбор способа нивелирования однозначен – глазомерное, см. далее. А вот строительно-ремонтный нивелир лучше делать лазерный: такое его преимущество, как многократное сокращение трудоемкости разметочных работ, упускать никак нельзя.

Лазерный 3D нивелир и лазерный уровень
В продаже имеются в общем 2 разновидности лазерных нивелиров: 3-х координатные (3D, поз. А на рис.) и лазерные уровни, поз. Б. 3D-нивелир, рисующий линии, углы, кресты и даже, под управлением внешнего компьютера, контуры проемов или панелей отделки – сложная оптико-механическая конструкция, вряд ли повторимая своими руками. Но главное – такие приборы уж очень хлипки. Не только случайная лопата земли или уроненный инструмент, но и обычная строительная пыль в помещении могут раз навсегда вывести 3D-нивелир из строя. Поэтому приборы данного класса находят довольно ограниченное применение, а мы возьмемся за лазерный уровень – его, самодельный, возможно вписать в заданные условия по всем параметрам.
Что мы имеем?
Сделать лазерный уровень, казалось бы, проще простого: прикрепил к обычному пузырьковому уровню лазерную указку – и готово. Клади все вместе на ровную подставку, крути и ставь отметки на стене. Отнимает изготовление такого «мини-нивелира» как правило не более 10 мин, см. напр. видео:
Видео: самодельный мини лазерный нивелир
Устройство лазерного уровня показано слева на рис. Там и видна его главная ахиллесова пята – начальная установка по трубчатому пузырьковому уровню. Для точной начальной установки луч прибора нужно выставить в горизонт по 2-м взаимно перпендикулярным плоскостям. Но на объекте, при постановке нивелира на случайную опору (справа на рис.), обе регулировки оказываются взаимозависимы! Подкрутил ножку штатива под горизонталь в одном направлении – по перпендикуляру луч «уехал» вверх или вниз. В итоге бывает проще отбить разметку руками, чем мучиться с настройкой лазера.

Устройство лазерного уровня и порядок его использования
Исходя из этого, введем в конструкцию сразу 2 доработки: установку нивелировочного блока по 2-х координатному уровню (см. далее), и легкую переносную опору, независимо регулируемую на вертикаль. На точно вертикальной опоре, и если сразу видно, куда и насколько накренился нивелировочный блок, его можно будет быстро и просто выставить в один прием на весь разметочный цикл на данном объекте.
Хотя устройство самодельного лазерного уровня с лазерной указкой вместо специальной головки проще, но процедура его настройки (см. след. рис.) ничуть не менее трудоемка, а точность и стабильность оказываются гораздо хуже, чем при ручной разметке. В данном случав конструкцию добавляются еще 2 слабых места: головка-указка и узел вращения. Где гарантия, что луч указки «бьет» точно по ее оптической оси? Для того, чтобы просто водить лучиком туда-сюда, их аксиальности (соосности) не требуется, потому лазерные указки и дешевы. А если луч скошен, то при разметке по точкам вместо прямых горизонталей и отвесов получатся отрезки тангенсоид. Их прогиб на глаз может быть незаметен, но погрешность разметки за пределы допустимой выйдет.

Устройство и способы юстировки самодельного лазерного нивелира
Что же касается узла вращения, то изготовление деталей для него на заказ обойдется вряд ли дешевле стоимости готового лазерного уровня. Любители с узлом вращения как только ни мудрят. Хорошо, если в запасниках (попросту – в хламе) найдутся подходящие готовые детали для него, как, напр., в сюжете:
Видео: перезаряжаемый нивелир из лазерного модуля
Но это – единичное уникальное изделие. Если подходящих компонент в «загашнике» нет, умельцы умудряются делать лазерные нивелиры даже из… канализационных труб, см. ролик:
Видео: лазерный уровень из канализационной трубы
Мы же постараемся выйти из положения еще проще, но соблюдая поставленные выше условия: точность, стабильность, простота.
Рекомендуемый дизайн и материал
Товарный знак той или иной компании предпочтительнее размещать в верхней части бренд-пилона. Форма пилонов не регламентирована: все зависит от вкусов и предпочтений каждой отдельной организации. В качестве материала чаще всего используют алюминий или сталь (последняя станет вам в копеечку). Никто не воспрещает вам возводить пилоны из камня или кирпича (если вы решили обосноваться на этом месте «на века»).
Важно! Перед непосредственной установкой пилона следует произвести необходимые инженерные расчеты, учитывающие глубину залегания фундамента, а также соответствия несущей конструкции ветровым и снеговым нагрузкам
Значение слова пилон
А значений у этого слова несколько:
- Так называли столбы или колонны, которыми обрамляли ворота зданий. Также их устанавливали при въезде на мост и съезде с него (то есть конструкция моста была обустроена на цепях, укрепленных на четырех пилонах). Чаще всего эти «архитектурные изваяния» украшали скульптурными композициями.
- В древнем Египте так называли башни в виде усеченных пирамид, которые возводили по обеим сторонам от входа в храм.

По сути, что такое пилоны? Это несущие элементы конструкции. Их делают из металла, камня или ж/бетона. Они могут быть гибкими или жестко закрепленными. Вариантов много.
Пилоны при строительстве висячих и вантовых мостов
Чем вантовый мост отличается от висячего? Действительно, у них очень много общего: и мощные пилоны, и балки для усиления жесткости конструкции, и винтовые крепежные приспособления, и подвески, и оттяжки. Главное отличие заключается в форме несущих компонентов: если это прямолинейные ванты, то мост вантовый; если криволинейные кабели (нити), то висячий. Все очень просто. И кабели, и ванты, работающие на растяжение и представляющие собой исключительно гибкие элементы, поддерживают балки жесткости моста с помощью подвесок и передают усилия на пилоны.
Что такое пилоны в строительстве (фото можно увидеть ниже) висячих и вантовых мостов? Они являются несущими элементами конструкции моста и их обустраивают с помощью специального оборудования. Обычно используют ползучий кран, который по мере сооружения пилона поднимается по нему все выше и выше.

Рекомендуемый дизайн и материал
Товарный знак той или иной компании предпочтительнее размещать в верхней части бренд-пилона. Форма пилонов не регламентирована: все зависит от вкусов и предпочтений каждой отдельной организации. В качестве материала чаще всего используют алюминий или сталь (последняя станет вам в копеечку). Никто не воспрещает вам возводить пилоны из камня или кирпича (если вы решили обосноваться на этом месте «на века»).
Важно! Перед непосредственной установкой пилона следует произвести необходимые инженерные расчеты, учитывающие глубину залегания фундамента, а также соответствия несущей конструкции ветровым и снеговым нагрузкам
Особенности монтажа
Если это пенопласт или родственная ему синтетика, крепление элемента к фасаду не составит проблем. Фиксируют его на жидкие гвозди, например, или на специальные смеси с аналогичными характеристиками. Если сандрик выполнен из стали, его крепят саморезами либо шурупами. Каменный сандрик устанавливается на отесанных гранях камней, которые уже зафиксированы в стене.
Осталось лишь сказать, что такой элемент, как сандрик, служит долго, особого ухода не требует, структурирует образ постройки и способен несколько ее менять (визуально, конечно). Есть в нем и какая-то романтичная часть уходящей эпохи, которая сегодня так желанна во множестве дизайн-проектов.


Пилоны при строительстве висячих и вантовых мостов
Чем вантовый мост отличается от висячего? Действительно, у них очень много общего: и мощные пилоны, и балки для усиления жесткости конструкции, и винтовые крепежные приспособления, и подвески, и оттяжки. Главное отличие заключается в форме несущих компонентов: если это прямолинейные ванты, то мост вантовый; если криволинейные кабели (нити), то висячий. Все очень просто. И кабели, и ванты, работающие на растяжение и представляющие собой исключительно гибкие элементы, поддерживают балки жесткости моста с помощью подвесок и передают усилия на пилоны.
Что такое пилоны в строительстве (фото можно увидеть ниже) висячих и вантовых мостов? Они являются несущими элементами конструкции моста и их обустраивают с помощью специального оборудования. Обычно используют ползучий кран, который по мере сооружения пилона поднимается по нему все выше и выше.

Виды
Сегодня на рынке можно найти большое разнообразие декоративных пилястр: с каннелюрами, угловые, типа пилон, рустованные, каннелированные и другие варианты. В связи с таким большим разнообразием подобных архитектурных элементов пользователю бывает достаточно сложно сделать выбор.
Прямоугольные
Прямоугольные пилястры считаются современными (или модерновыми). Они способны гармонично вписаться в самые разные интерьеры. При этом зачастую их используют для укрепления стены, а также в целях зонирования пространства.
Полукруглые
Полукруглые разновидности пилястр можно отнести к конструкциям классического типа. По своему внешнему виду такие пилястры в интерьере помещения могут напоминать колонну, которая наполовину утоплена в стену.
Сложные
Сложные пилястры могут обладать различной формой, иметь разнообразный рельеф и уникальную форму (которая, в свою очередь, может изменяться в различных частях столба)
К выбору данных элементов нужно подходить с особой осторожностью, так как они достаточно сложно вписываются в привычный классический интерьер
Таким образом, каждый пользователь сможет подобрать такие пилястры, которые гармонично впишутся именно в тот интерьер, который присущ его жилищу. Выбор пилястр вы можете сделать самостоятельно либо прибегнуть к помощи профессиональных дизайнеров, чтобы не ошибиться и в дальнейшем не пожалеть о своем приобретении.
Лазерный нивелир для стройки и ремонта
Вот теперь мы готовы сделать лазерный нивелир, по точности, стабильности и практичности не уступающий дорогому покупному. Данным прибором равно удобно отбиваются и горизонтали, и отвесы. Процедура пользования им проста:
- Штатив устанавливают на место и, подтягивая/выдвигая его ножки, по собственному уровню выставляют вертикально;
- На штативную головку крепят нивелир (см. ниже);
- Для отбивки отвеса штативную головку наклоняют на 90 градусов (это возможно в любом штативе);
- Ставят на нивелир 2-координатный уровень и по нему выставляют прибор горизонтально (для отбивки горизонталей) или вертикально (для отбивки отвесов);
- Вращая поворотную площадку (также см. ниже) ведут лучом от размечаемой поверхности и делают на ней отметки.
Конструкция самодельного строительно-ремонтного нивелира под лазерную указку показана на рис.:

Конструкция самодельного лазерного нивелира
Лимб (градусную шкалу) полностью размечать не обязательно; достаточно в каждом квадранте сделать отметки 30, 45 и 60 градусов. Лоток под укладку лазерной указки выбирается кромочным рубанком (можно воспользоваться рубанком для гипсокартона). Самый излучатель закрепляется в лотке полосками резины на саморезах. В перпендикулярной опорной плите планке для выравнивания прибора при отбивке отвесов, также выбирается лунка под круглый уровень. Кромки деталей после распиловки пропитываются строительным экогрунтом (водно-полимерной эмульсией) и прокрашиваются. Под головку болта поворотного узла подкладывается шайба (лучше 2-3). В опорную плиту под болт запрессовывается втулка из металлической трубки. В собранном приборе поворотная площадка должна плотно всей пластью лечь на опорную плиту, вращаясь с некоторым трением.
Нужна ли штативная гайка?
Крепежный винт фото/видео штатива в машинной (не трубной) резьбой 1/4”. Найти или выточить гайку по него достаточно сложно, но без нее вполне возможно обойтись. Установочная площадка современных штативов съемная, держится на пружинной защелке с фиксатором. В ней можно просверлить пару сквозных отверстий и прикрепить площадку снизу к узлу вращения нивелира саморезами. В таком варианте под «хвостик» штативного винта в исподе узла вращения выбирается лунка; под штырь – фиксатор камеры ничего выбирать не нужно, он подпружинен и утапливается. Ставить нивелир на штатив в таком исполнении проще, но снимать для использования опоры по иному назначению (напр. как мольберта, держателя осветителя фотозоны и т.п.) сложнее, однако нивелир на штативе таким образом держится крепче и погрешность дает меньшую.
Юстировка лазера
Должным образом изготовленный из подходящих материалов (см. выше) нивелир данной конструкции отдельных юстировочных манипуляций не требует. Однако может понадобиться юстировка лазерной указки на аксиальность луча. Производится она след. образом:
- Прибор устанавливают на горизонтальную отбивку, как описано выше;
- Указку кладут в лоток свободно (без закрепления резиной на саморезах);
- Излучатель прибора направляют на белую стену с расстояния 3-5 м;
- Включают лазер;
- Вращая излучатель пальцами по продольной оси, смотрят, как «пляшет» световое пятно;
- Если пятно описывает видимую окружность, отмечают на стене ее центр;
- Также вращая указку, находят такое ее положение, при котором световое пятно уходит точно вниз или вверх от центра;
- Указку штатно закрепляют резиной и саморезами, см. выше;
- Если пятно ушло вверх от центра, под указку сзади подсовывают тонкий гвоздь острием вперед, пока пятно не встанет по центру. Если пятно ушло вниз, гвоздь (в данном применении – юстировочный клин) подсовывают под излучатель спереди;
- Закрепляют юстировочный клин за шляпку капелькой твердого клея, а на поворотной площадке отмечают расположение заднего обреза излучателя. Теперь лазер можно снимать и ставить обратно (скажем, для замены батареек), не теряя точности прибора.
Из чего делают снаряды и как их крепят
Большинство начинающих танцоров задумываются не только о том, что такое пилоны и как они выглядят, но и насколько они надежны. Это шесты, которые должны быть достаточно крепкими и прочными. Для изготовления труб используется нержавеющая сталь с содержанием никеля и хрома — это обеспечивает устойчивость пилона к ржавчине. Поверхность снаряда полируется, покрывается эмалью или нескользящим материалом для лучшего сцепления с кожей спортсмена.
Имеется два способа крепления шестов:
- анкерное — надежное крепление при помощи встраиваемых в пол или потолок анкеров из металла;
- дюбельное — эстетичное крепление пластиковыми дюбелями и саморезами, не выступающими из фланцев (металлических дисков, крепящихся к полу или потолку для установки трубы).
Минимальное количество дюбелей или анкеров на одну сторону — 3 штуки (в том случае, если пилон крепится и к полу, и к потолку).
Что же такое pylon
Что в наши дни называют пилоном:
- колонны при въезде на мосты;
- кирпичные и каменные опоры перекрытий,
- столбы монолитных и сборных железобетонных конструкций ;
- основания-опоры арочных сводов метрополитена, культовых сооружений, домов; выставочных и концертных залов;
- колонны-столбы при входах в скверы и парки;
- небольшой выступ железобетонной стены или пола.
Различаются по:
- внешнему виду;
- по функциям;
- по функциональности и способу распределения нагрузок в мостостроении.
Размер пилона тоже может быть разным.
Эти колонны служат не только основанием, поддерживающим навески натяжных тросов, но и являются опорой пролетов моста. Даже широко известные башни тауэрского моста в Лондоне и арки при въезде на него являются пилонами.
Воздушный винт
Это тоже одна из основных деталей рассматриваемого типа плавсредства. Чтобы создать воздушный винт для аэроглиссера своими руками, необходимо понимать его конструкцию. Этот элемент является деревянным и моноблочным. Другими словами, для изготовления детали нужно использовать цельный брусок древесины. Тут стоит заметить, что найти такой брус, который не будет иметь дефектов в виде сучков или трещин, проблематично. Поэтому можно поступить иначе. Конструкторы предлагают брать несколько пластин, толщина которых будет не менее 10 мм и склеивать их при помощи эпоксидной смолы.
Прежде чем приступить к самому процессу склеивания, необходимо удостовериться, что слои древесины располагаются симметрично. Это необходимо сделать для того, чтобы избавить винт от возможных деформаций при дальнейшей эксплуатации. Уже готовая (склеенная) заготовка размечается по стандартному чертежу, который вешается в центр бруска и прибивается небольшим гвоздем. Далее нужно обвести имеющийся рисунок, а после этого перевернуть его на 180 градусов и обвести еще раз. Таким образом, можно получить проекции обеих лопастей.

Поделки своими руками
Превосходные внешние качества, декоративность и удобство в работе (по данным параметрам ей можно присвоить «пятерку» по уже используемой нами ранее пятибалльной шкале оценки), древесина является одним из наиболее популярных материалов, используемых для создания всевозможных поделок и сувениров.
Из нее можно изготовить огромное количество интересных и оригинальных вещей: дверки шкафа и столешницы для журнальных столиков, украшения, декоративные подставки, шкатулки и т.д.
Что может быть сделано из древесины
При самостоятельной работе с древесиной различных видов следует иметь в виду, что в качестве облицовочного материала наиболее рационально использовать кап тополя, отличающийся легкостью, хорошей податливостью шлифовке и высокой декоративностью. Однако недостатком этого материала является его редкость.
Гораздо более доступным материалом для домашних поделок можно назвать поленья дров, среди которых «встречаются» очень оригинальные «экземпляры». Их, при правильном распиле, можно использовать для облицовки столешниц и дверок шкафчиков.
Из натуральной древесины также можно изготовить скамейки, статуэтки и другие предметы декора, которые могут стать дополнением любого интерьера.
Главные задачи департамента

- Следить за тем, чтобы любой утвержденный архитектурный проект был направлен на улучшение условий проживания для граждан, сохранение и приумножение природных ресурсов, поддержание благоприятной экологической обстановки.
- Совершенствовать архитектурный облик так, чтобы внешняя красота строений не таила в себе некрасивое внутреннее содержание.
- Держать под контролем состояние всех городских коммуникаций. По возможности внедрять более современные и прогрессивные технические конструкции.
- Следить за тем, чтобы не возводились самовольные постройки, регистрировать документально все новые строения.
- Повышать туристическую привлекательность региона благодаря сохранению объектов исторического наследия.
Обзор видов
Сандрик может быть оконным – то есть располагаться над окном. Может быть размещен над дверью и даже на кровле.
Прямые
Они обычно становятся «бровями» окон в классическом стиле. Они четко обрамляют окно, не ломая форму, не преступая правила лаконичности. Этот вариант подойдет тем, кто хочет остаться в классике, боится, что слишком яркое решение быстро надоест. Хотя на строительных форумах те, кто решился на сандрики, отмечают: уже в процессе строительства они решили придать прямому элементу ломаную форму.


Треугольные
Тот случай, когда у окна появляются «бровки домиком». Их монтируют в комплекте с наличниками, пилястрами и прочими элементами изысканной лепнины. На невысоких зданиях такой архитектурный атрибут может показаться чрезмерным, в целом геометричность должна соблюдаться в единстве.

Лучковые
Так они называются, потому что напоминают лук с тетивой. Часто они соединяются друг с другом, образуя волнообразный пояс. Такой декор будет очень выразительным. При желании найти сандрик каждого вида можно в архитектурных строениях любого города – в той или иной выразительности.

Выбор движущей детали
Одна очень важная особенность таких необычных лодок в том, что выбросы от работы силовых элементов они отводят не в воду, а в воздух. Специалисты в области экологии утверждают, что это намного лучше.
Если человек решился на создание такой аэролодки, то первое, что ему необходимо приобрести – это двигатель. В статье для примера будет взят лодочный мотор “Вихрь”. Характеристики этого агрегата следующие: двухцилиндровый, обладающий жидкостным охлаждением, а его мощность составляет около 25 л.с. Довольно приятный бонус заключается в том, что устройство компактное по своему исполнению. Однако это не значит, что нужно использовать только этот тип двигателя. Можно сконструировать аэроглиссер из автомобильного двигателя своими руками.

Если же вернуться к рассмотрению “Вихря”, то здесь есть один нюанс. В нем частота, с которой вращается коленвал, довольно велика. Она не подойдет для прямого соединения с воздушным винтом. Чтобы решить эту проблему, мотор дополнительно снабжается трехручьевым клиноременным редуктором, имеющим передаточное число 1,6. В качестве клиновых ремней взяты модели, применяющиеся в автомобилях “Жигули”, где используется система “двигатель – насос – генератор”.
Из чего делать
Сделать этажерку можно из любого более-менее прочного и поддающегося обработке материала, но начинающим мебельщикам увлекаться их разнообразием не стоит. Кованая (поз. 1 на рис.) или литая этажерка может быть произведением искусства, а функционально очень надежной и долговечной. Но для ее изготовления понадобится производственное помещение, спецоборудование, основательное умение и значительные затраты труда. Возможности изготовления без опыта в домашних условиях плетеных этажерок (поз. 2), помимо большой технологической сложности и трудоемкости, упираются в материал: этажерка не корзина, она должна долгие годы не терять устойчивости и способности нести нагрузку. Поэтому сильно и неравномерно усыхающая лоза не годится, нужен ротанг.

Разновидности этажерок
Пластиковые этажерки, вопреки распространенному убеждению, вполне надежны и устойчивы. Современные технологии пластмасс позволяют получать вещи, с виду не отличимые от изделий художественной ковки/литья или деревянных (поз. 3 и 4). Но чтобы сделать детали для них, нужен уже не угол в гараже или сарае с самодельным гибочным станком и даже не кузница с горном, а цех с оборудованием для пластикового литья. Что касается сборки из готовых деталей, то тут каких-то особых публикаций не нужно, достаточно инструкции к комплекту. Для кухонной этажерки из лотков-закромов (поз. 5) и этого не требуется: секции просто ставят одну на другую, придавливая до защелкивания. Поэтому оптимальный выбор домашнего мастера для начала – этажерка из дерева. Древесина – традиционный, экологичный и благородный материал, приятный и на глаз, и на ощупь. В отапливаемых помещениях дерево достаточно долговечно без пропитки химией; материала на этажерку нужно немного, так что использование ценных пород дерева для нее обойдется не чрезмерно дорого.
Примеры конструкций
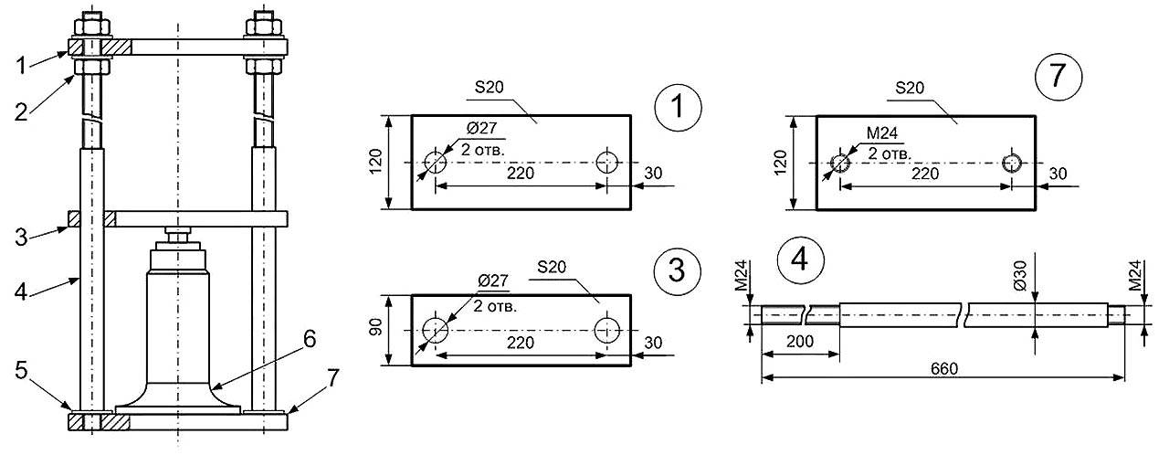
Вибрационная и механическая устойчивость пресса весьма существенны при ремонте и техобслуживании автомобилей; особенно легковых. Задиры и перекосы посадки сопряженных деталей это еще не все, важен и внешний вид машины. Т.е., пресс, применяемый при рихтовке и/или тюнинге автомобиля, должен иметь как можно более плавный ход и быть максимально точен. Достигается это повышенной материало- и трудоемкостью конструкции: колонны делаются стальными точеными, а стол и траверсы из цельных металлических плит.
Чертежи гидравлического пресса из домкрата повышенной точности и устойчивости даны на рис.:

Чертежи гидравлического пресса (из домкрата) повышенной точности и устойчивости
Без ущерба для эксплуатационных качеств пресса в геометрическом центре его верхней неподвижной траверсы (дет. 1) можно просверлить отверстие диаметром до 40 мм для прохода вала/оси при напрессовке на нее сопряженных деталей или, наоборот, выпрессовки его из них. Максимальное кратковременное (10 мин/1,5 час перерыв) рабочее усилие – ок. 10 тс.
На след. рис. даны чертежи пресса подобной конструкции и технического исполнения, но уже производственно-технологического назначения.

Чертежи производственно-технологического гидравлического пресса из домкрата с усилием в 12 тс
Максимальное усилие уже регулярное долговременное: до 50% рабочего времени, поэтому и конструкция данного изделия много сложнее. Особенность этого пресса – двойная комбинированная рама. Ее ходовая часть на круглых точеных колоннах, а опорная сварная из швеллеров. Такая рама очень хорошо гасит вибрации практически любой моды. Дело в том, что механическая добротность квадратной трубы, сваренной из швеллеров полками встык, очень низка: попавшие в нее волны упругости, образно говоря, запутываются в металле неравномерной толщины и дополнительно гасятся в сварных швах. Еще об опыте любительского изготовления гидропрессов из домкратов см. видео:
Пресс-молот
Чтобы покончить с ремонтно-технологическими прессами, вспомним обещанное: каким образом в домашней мастерской или у ИП-индивидуала применимо ударное прессование? В виде педального пресс-молота; он может использоваться как ковочный, заклепочный и штамповочный.
Прессы такого типа называются еще рычажными молотами. Их прародитель – кузнечный молот с приводом от водяного колеса. Сила удара пресс-молота далеко не рекордная, всего несколько тс. Но вследствие описанных выше особенностей поведения металла под ударом рычажные молоты достаточно эффективны, тем более что силу и скорость удара можно регулировать соотв. характера нажатием на педаль.

Устройство рычажных молотов для ударной прессовки
Кинематическая схема рычажного молота показана на поз. а) рис., а на поз. б) – устройство его традиционного типа. На поз. в) – устройство усовершенствованного рычажного молота: параллелограммная подвеска верхнего бойка (так в данном случае называется пуансон) на паре серег (качающихся рычагов) обеспечивает прямой удар, а перемещением хомута тяги (водила) по нижней серьге, как показано стрелками, точно регулируется сила удара. Пара пружин (нижняя – регулируемая) позволяет добиться механического безразличия бойка: в пределах рабочего хода он остается в любом положении, куда его поставят рукой; это дает возможность, не меняя веса бойка, точно регулировать запасаемую в нем кинетическую энергию. Такие рычажные молоты применяют даже ювелиры и яхтсмены – для установки в паруса мощных люверсов и сборки дельных вещей внатяг.
Верхняя часть
Если говорить об изготовлении верхней части корпуса, то этот процесс практически ничем не отличается от сборки нижней части. Существенная разница заключается лишь в том, что она формируется не из фанерных шпангоутов, а из ранее подготовленных криволинейных реек. Отметим, что формирование корпуса осуществляется уже не на полу, а на непосредственно готовой и собранной нижней части корпуса. Тут стоит сказать, что можно избежать этой трудоемкой работы, если заниматься сборкой аэроглиссера из ПВХ лодки своими руками. Корпус у таких моделей уже готовый и представляет собой единую конструкцию.
Требования к конструкции ульев
Главные требования, предъявляемые к конструкции ульев для пчел, заключаются в том, что они должны обеспечивать сухое, хорошо проветриваемое и теплое помещение для пчел. При разработке собственной конструкции, отличающейся от стандартных вариантов, следует учесть некоторые особенности. Как показывает практический опыт, конструктивные размеры должны предусматривать следующее:
- ширина верхней планки на рамках равна 25 мм;
- между осями соседних рамок должно быть 37,5 мм;
- ширина улочек или проходов для пчелок 12,5 мм;
- между боковыми рейками рамок и стенками улья не более 7,5 мм;
- от верха рамки до нижнего корпуса и от нижнего бруска до верхнего корпуса должно быть не менее 8 и не более 10 мм;
- расстояние от нижней планки рамки до дна корпуса улья в пределах 20-40 мм.
Особенно хорошо эти насекомые различают желтые, оранжевые и голубые оттенки, а также белый цвет. Крышу необходимо покрасить белой краской, чтобы уменьшить ее нагрев солнечными лучами. Перед покраской поверхность обрабатывают олифой или грунтом.
При использовании тонких стенок на зимний период, их утепляют камышовыми или соломенными матами. Можно использовать и другие утеплители, но этот вариант с матами самый дешевый. Соблюдение этих условий обеспечит нормальное развитие пчелиной семьи и простое обслуживание улья.
Основные вопросы решены. Что дальше?
Проверь прочность потолка в месте установки пилона. Ты можешь или сама постучать и потрогать потолок или попросить технически подкованного в этих вопросах человека
Важно чтобы потолок был прочным, не подвесным и не натяжным.
Замерь высоту в месте установки пилона строительной рулеткой вертикально (по кратчайшему расстоянию).
Постарайся выбрать место, где при крутке ты не снесешь)) мебель и не поранишься сама. Также, не стоит устанавливать пилон менее чем за 60 см от люстры
В идеале, вообще убирай из комнаты люстру, можно обойтись торшером или настольной лампой.
Надеюсь, ты согласовала установку с живущими по соседству род ственниками. Неожиданные «подарочки» тоже могут быть чреваты. Не стоит пугать консервативную тетю!
Ну вот! Теперь ты подкована в вопросах выбора и покупки пилона, и я надеюсь, что помогла тебе в этом. Удачи!
Пилоны — что это такое и каковы их характеристики
Все снаряды различаются по определенным критериям. Существует два метода установки шеста:
- стационарный — пилон устанавливается в школах танцев и спортивных залах, где достаточно пространства для занятий;
- быстросъемный — снаряд подходит для небольших помещений, использующихся не только для тренировок, но и других дел (распространенный вариант — квартира).

Статичные конструкции — самые распространенный вид пилонов
Конструкции пилонов отличаются друг от друга в зависимости от механизма работы:
- статичные — не имеют дополнительных элементов, предназначены для новичков;
- вращающиеся — оснащены дополнительными вращающимися деталями, которые дают нагрузку на вестибулярный аппарат, но позволяют включать в танец интересные движения; все механизмы нужно регулярно смазывать и следить за состоянием шеста.
Пилоны обладают диаметром с разными значениями во всех странах. В государствах СНГ стандартный обхват трубы равняется 42 мм, в США — 50 мм. Встречаются варианты с диаметром 44, 46, 48 мм.
Толщина стенки шеста имеет большое значение для занятий. Профессиональные спортсмены и танцоры предпочитают тренироваться на пилонах с толщиной стенок 3 мм и более. Для любительских уроков лучше выбирать снаряды с толщиной от 2 до 3 мм. Не рекомендуется эксплуатировать шесты с толщиной стенок менее 2 мм.

























































