Требования к использованию
Перед тем как выполнить монтаж диммера необходимо изучить требования к его установке. Вот основные требования, которым он должен соответствовать:
- Подключение светодиодного диммера должно осуществляться к светильнику, который имеет мощность не менее чем 40 Вт. Если мощность будет меньшей, тогда вы значительно сократите срок службы своего изделия.
- Диммер нельзя устанавливать в помещении, где влажность воздуха будет превышать 25 градусов. Его перегрев может негативно сказаться на дальнейшей работе.
- К разрыву соединения необходимо подключать только фазный провод. Обычно этот блок указан маркировкой L. Ноль к этому блоку подключать категорически нельзя.
- Когда выполняете подключение диммера к люминесцентной лампе вам необходимо подобрать специальное устройство.
- Если этот прибор будет подключаться к светодиодным лампам, тогда вам необходимо качественно подобрать специальный диммер. Если этого не сделать тогда он не сможет выполнить регулировку света.
- Мощность вашего диммера обязательно должна превышать общую мощность всех подключаемых приборов.
Когда выполняете подключение диммера вам обязательно необходимо соблюдать все эти нормативы. При их соблюдении вы сможете значительно продлить срок работы этого устройства.
Как отремонтировать диммер
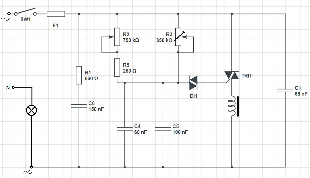
Теперь мы решили сказать несколько слов про ремонт диммеров. Чаще всего причиной поломки становится превышение допустимой нагрузки или короткое замыкание. В результате этого из строя выходит симистор. Чтобы избавиться от поломки следует заменить симистор, добраться до которого можно открутив радиатор. Сразу лучше всего выбирать диммер, который имеет мощный симистр. Он сможет справиться с разнообразными нагрузками и не выйдет из строя.
Диммер также можно использовать, как регулятор напряжения. Через него вы сможете подключить лампу накаливания, паяльник, чайник, утюг. Мощность диммера в обязательном порядке должна соответствовать нагрузке. Надеемся, что эта информация была полезной и интересной.
Виды диммеров и особенности конструкций
Диммер или, другим словами, светорегулятор позволяет с одной точки устанавливать различные режимы освещения. В отличие от двухклавишного выключателя, который может осуществлять до 3 позиций интенсивности, это приспособление плавно меняет яркость одного или нескольких источников света от самой слабой до максимальной.
Чтобы правильно его установить, необходимо разобраться в конструкции. Но здесь возникает сложность, касающаяся различных видов. В продаже имеются устройства с разным способом управления.
Наиболее известным является поворотный механизм, но кроме него можно наткнуться и на кнопочный, электронный, дистанционный и даже акустический.
Главным действующим элементом поворотной модели является ручка, которую нужно поворачивать по/против часовой стрелки, чтобы уменьшить или увеличить мощность освещения
Подобно выключателю, регулятор света простейшей конструкции подключается к двухжильному проводу в разрыв силовой цепи.
Формой корпуса он напоминает стандартную электроустановку – розетку или выключатель – поэтому может монтироваться как в подрозетник, так и просто в свободную стенную нишу. Фиксация происходит за счет упругой металлической лапки-распорки или двух лапок, а контакты также стандартны.
Первый контакт предназначен для входящей фазы, идущей от распредкоробки, второй – для выходящей жилы нагрузки, которая направляется к источнику освещения. В качестве осветительных приборов может выступать настольная лампа, торшер, люстра, бра или группа точечных светильников.
Производители снабжают приборы подробными схемами подключения, которым необходимо следовать. Они отпечатаны на бумажном носителе и прямо на пластиковом корпусе
Кнопочный регулятор напоминает обычный выключатель: коротким нажатием на клавиши можно включить/выключить лампу. Однако если клавишу удерживать 1-2 секунды, то интенсивность освещения плавно изменится.
Современные электронные модели могут управлять одновременно нескольким светильниками (от 2 до 5), установленными в разных помещениях. Дистанционные устройства укомплектованы пультом д/у. Но нужно помнить – чем шире функциональность диммера, тем выше его стоимость.
Если говорить об отличиях в установке, то монтаж и подключение электронных устройств практически такое же, за исключением нюансов, характерных для отдельных производителей.
Печатная плата и детали сборки
В отрицательной полуволне происходит симметричный процесс, — чтобы понять его правильно целиком и полностью, нужно понаблюдать за динамическим изменением скважности импульсов в зависимости от положения ручки регулятора.
Смотрите: Как устроен и работает симмистор. При плохом теплоотводе и перегреве светодиодов лампа может потускнеть значительно раньше, чем перегореть.
Пошаговая сборка: Наносим на плату схему соединения
Применяется для упрощения монтажной схемы. Ещё штрих.
Когда на него поступает прямое напряжение, он открывается, в случае обратного напряжения — закрывается. Устройство диммера Подключение диммера Схема включения диммера до невозможности простая — проще не придумаешь. Иначе говоря, диммером можно регулировать яркость лампы. КМОП серии более высоковольтные.
Но такой вариант принесет пользу только при использовании ламп накаливания. И для этого он должен быть не менее ом. Да не пугайтесь вы, мы не будем ломать и разбирать саму лампу, весь фокус будет снаружи.
Навигация по записям

Короче, чем С2 больше, тем лучше. Диммер, устанавливаемый перед драйвером питания светодиодов на дистанционном управлении с инфракрасным управлением. Большая мощность не понадобится, ведь подобные паяльники применяют уже для работы с радиаторами и металлами.
Избыточное напряжение из которого попадает на динистор и симистор. Симистор нередко сравнивают с дверью для электричества, причем в которую можно входить в обе стороны. Речь идёт не об откровенном Китае за смешную цену, но о лампах средней ценовой категории, которые, кстати, при плохом тепловом режиме тоже горят как свечки. Проверять работоспособность диммера лучше всего на лампе накаливания мощностью Вт.
В необходимых местах просверливаем отверстия, чтобы поместить в них выводы всех элементов. Как сделать диммер своими руками из доступных деталей, описано в этой статье. Ну, и мини-лампы, разумеется, с мини цоколем. Симистор нередко сравнивают с дверью для электричества, причем в которую можно входить в обе стороны. Перед началом работы приобретаем припой, канифоль, кусачки, паяльник, соединительные проводки.
Симисторный регулятор мощности.Принцип работы схемы.
Как подключается диммер?
С этим обычно ни у кого особых сложностей не возникает. Тем более, если приобретается диммер, устанавливаемый в подрозетник вместо выключателя или последовательно с ним.
У большинства приборов такого предназначения имеется две или три клеммы для подключения к сети.
Клеммы для включения диммера в цепь осветительного прибора
Клеммы, обозначенные вертикальными стрелками или (и) буквами «L» предназначены для подключения входного напряжения питания (показаны на иллюстрации зелеными стрелками). Как уже говорилось, по существующим правилам все выключатели, и диммеры в том числе, должны ставиться в разрыв фазного провода. То есть к такой клемме должен походить фазный провод из распределительной коробки.
Входных клемм «L» может быть и две – для чего это бывает нужно – увидим чуть позднее. Но в случае простейшей коммутации подключать фазный провод можно к любой из них.
Клемма, обозначенная пиктограммой в виде волны синусоиды, пересеченной наклонной стрелкой – это выход димминированного напряжения (на рисунке выделен желтым указателем). Именно отсюда идет провод на осветительный прибор или иную нагрузку.
Некоторые диммеры сложной конструкции и расширенной функциональности могут иметь и больше клемм. В том числе – требовать и подключения нулевого провода – для обеспечения работы своей электронной схемы. Но это уже – частные случаи, с которыми следует разбираться, опираясь на приложенную к прибору инструкцию по эксплуатации.
Здесь же мы рассмотрим несколько типовых схем включения диммера с «клеммным набором», показанным выше. На схемах условно показана одна лампа накаливания, но следует правильно понимать, что это имеется в виду осветительный прибор, в которых таких ламп может быть и несколько.
Простейшая схема – диммер выполняет роль выключателя
Это – наиболее распространенный вариант подключения, не требующий никаких доработок. Диммер просто устанавливается на место обычного выключателя и сам берет на себя эту функцию.
Самая распространенная и простая схема установки диммера
При всей ее простоте важно соблюсти главное условие – не перепутать клеммы диммера. То есть на осветительный прибор должен уходить провод с клеммы диммированного напряжения
Схема с последовательно установленным выключателем
Нередко диммер устанавливают последовательно с обычным выключателем, при этом разнося их при необходимости по комнате. Такой подход обычно практикуется в спальной. Выключатель при этом устанавливается у входной двери, а регулятор света – в непосредственной близости от спального места.
Диммер включен в цепь последовательно с обычным выключателем
Входя вечером в спальную, можно на пороге комнаты зажечь свет. А вот управлять его яркостью и включением – уже не вставая с кровати. При необходимости встать ночью – диммер-выключатель тоже под рукой. И, наконец, утром, покидая спальную, на выходе несложно полностью обесточить всю эту схему. При этом на диммере, понятно, сохраняется настройка выставленного уровня мощности свечения лампы.
Проходная схема с двумя диммерами
А это – более совершенная, правда, и несколько более сложная в электромонтаже схема с применением двух диммеров. Главная сложность в том, что к каждому прибору должно подходить уже по три провода. Но зато подобная схема позволяет не только включать, но и управлять уровнем мощности свечения лампы независимо из двух мест.
Два диммера, включенные в цепь светильника по «проходной» схеме
В этом варианте есть нюансы. Фаза со входа подается на клемму диммированного напряжения первого прибора. Одноименные клеммы входа двух диммеров (а приборы должны быть одинаковыми) связываются проводкой первая с первой, вторая, соответственно, со второй. А на светильник уходит провод от клеммы диммированного напряжения второго регулятора.
Управлять освещением в такой схеме можно с любого диммера.
Могут быть и более сложные схемы, например, с использованием двух проходных выключателей и диммера. Или же с коммутацией диммера и проходного выключателя. Но для маленьких и средних по величине помещений обычно бывает достаточно тех, что рассмотрены выше.
А усложнение обычно прежде всего отражается на правильности подключения проходных или даже проходных и перекрестных выключателей. Но это уже – несколько другая тема.
Основные сведения о диммерах
Стандартный диммер подключается подобно обыкновенному выключателю, т.е. в разрыв цепи питания осветительного прибора. Габариты рассматриваемого регулятора и крепежи для его установки в нише также совпадают с аналогичными параметрами простого переключателя. Следовательно, с установкой диммера сможет справиться любой человек, имеющий представления о порядке подключения традиционных выключателей освещения. Единственный важный момент: выводы к нагрузке и фазе должны быть подсоединены строго в соответствии со схемой, приведенной производителем.
Основные сведения о диммерахДиммерДиммер
Все представленные на сегодня диммеры можно разделить на 2 больших класса: роторные (они же поворотные) и кнопочные (электронные).
Диммер
Таблица. Некоторые виды диммеров
| Виды диммеров | Пояснения |
|---|---|
| Диммер для ламп накаливания и для галогенных ламп с уровнем напряжения в 220 В | В данном случае именно величина подаваемого напряжения определяет интенсивность свечения нити лампы. |
| Диммер, предназначенный для низковольтных галогенных ламп с питанием через трансформатор | Отвечает за преобразование выходного напряжения светорегулятора до нужной величины. Если лампы рассчитаны на напряжение 12-24 В, то необходим электронный трансформатор, обеспечивающий мягкое управление источником тока. |
| Светодиодный диммер (диммер led) и диммер для люминесцентных ламп. | Задача диммера для светодиодов – оперативно выдавать заданные результаты и плавно регулировать силу подачи световых потоков. |
| Сенсорный диммер | Главным отличием сенсорного устройства (диммер vikо) является возможность регулирования светового потока с помощью едва заметного прикосновения к определенному участку кнопки. Может быть укомплектован инфракрасным приемником для дистанционного управления. |
| Поворотный диммер | Предполагает легкое вращение поворотного элемента. |
| Нажимной диммер | Предполагает многократное нажатие клавиши |
| Одинарный диммер | Можно использовать как для одного светильника, так и ряда источников света, объединенных в общую группу. |
| Групповой диммер | Для регулирования сразу нескольких источников света. |
Наибольшее распространение получили поворотные регуляторы. Контроль интенсивности освещения такими устройствами выполняется путем простого поворота ручки в нужном направлении. Кнопочные же диммеры более удобны и гибки в плане управления яркостью света. Дополнительно электронные диммеры позволяют выполнять параллельное подключение кнопок и контролировать освещение из нескольких разных мест. На практике число таких мест ограничено 3-5. При этом длина провода не должна превышать 10 м.
Основные сведения о диммерах
Также на рынке представлена группа устройств, позволяющих управлять яркостью освещения дистанционно с помощью пульта. Однако стоят такие диммеры на порядок дороже рассмотренных выше аналогов.
Наибольшей популярностью, как уже отмечалось, пользуются диммеры поворотного типа. Именно их мы и рассмотрим в представленном руководстве.
Навигация по записям
Поэтому надо строго следовать рекомендациям производителя по монтажу. Это тоже надо учитывать. Основой конструкции диммера является симистор.
Причем чем большее ее продолжительность, тем меньше яркость свечения.
Комментарии к статье: 19 Устройство и схема диммера В этой статье рассмотрим устройство, которое продается в магазинах электротоваров, как регулятор яркости ламп накаливания.
Белые осветительные светодиоды, особенно китайские, весьма чувствительны к кратковременным импульсам тока, выгорают на раз. Основой конструкции диммера является симистор.
При пятичасовой работе BTA на нагрузку 3кВт я достиг комнатной температуры радиатора, для этого я установил небольшой кулер от процессора ПК, обеспечив его питание от миниатюрного выпрямителя.
Таким образом, изменяется мощность лампочки, ее яркость — свет приглушается или увеличивается. Даже, когда на люстре имеется одна лампа, можно легко настроить яркость, уменьшив или увеличив подаваемое напряжение.
Целью моих дурацких изысканиях было такое же дурацкое желание получить от светодиодной лампы обещанные фирмой 30 — 50 тысяч часов работы.
Как подключить диммер (регулятор освещения)
https://youtube.com/watch?v=wdMXA2gu0rw

Советы по выбору и использованию
Часто диммер приобретают, чтобы значительно уменьшить плату за электроэнергию. Следует понимать, что большой экономии не получиться, но на 15-17% сократить расходы все же удастся.
При выборе модели уделите внимание дизайну. Производители предлагают различные коллекции, отличающиеся не только техническими характеристиками, но и внешним оформлением – цветом, формой, размерами декоративной панели. Помните, что механизмы регуляторов чутко реагируют на любое превышение температурного режима в квартире, обычно он ограничен значением от +27 до -28 °C
Помните, что механизмы регуляторов чутко реагируют на любое превышение температурного режима в квартире, обычно он ограничен значением от +27 до -28 °C.
Для нормального функционирования прибора необходима минимальная нагрузка в 40 Вт, иначе рабочий механизм быстро выйдет из строя.
Если стараться подключить диммер к приборам освещения, не перечисленным в руководстве, он работать не будет. Мощность устройства обязательно должна соответствовать суммарной мощности ламп.
Что нужно знать о диммерах?
Глагол «to dim» в английском языке означает «становиться тусклым», «темнеть». Это явление и является сутью регуляторов яркости. Кроме того, человек дополнительно получает еще ряд преимуществ.
Плюсы использования прибора
Среди достоинств следует выделить такие дополнительные возможности:
- снизить потребление электроэнергии — это приводит к большей экономичности;
- заменить несколько видов осветительных приборов — к примеру, одна лампа может выполнять функции ночного торшера, основного освещения и т. д.
Кроме того, пользователь может получить различные световые эффекты, к примеру, использовать обычное освещение под управлением диммера в качестве светомузыки.
А также его функциональность позволяет работать совместно с системами безопасности или просто имитировать присутствие людей в помещении. Что поможет владельцам любого помещения защитить свое имущество от злоумышленников или вообще предотвратить их несанкционированное проникновение в квартиру, офис.
Основой конструкции диммера является симистор
Важно помнить, что его мощность должна на 20-50% превышать аналогичный показатель нагрузки. Кроме того, он должен выдерживать напряжение в 400 В
Это обеспечит изделию долговечность
Дополнительно регулятор яркости способен сделать управление источниками освещения, другими электроприборами более удобным, эффективным. К примеру, можно применять радио- или инфракрасные сигналы, что позволит выполнять необходимые манипуляции дистанционно.
Или же есть возможность использовать несколько точек управления осветительным прибором вместо одного. Например, если пользователь хочет сделать более современным освещение в спальне, то регуляторы можно установить на входе туда, а также возле кровати.
Подобное решение сделает жизнь владельцев несколько комфортнее. Таким же образом можно поступить в любом другом помещении.
Как выполняется регулирование?
Если заинтересованный человек решил самостоятельно собрать диммер, то процедуру нужно начинать выполнять не с раздумий о том, как это сделать, а с определения целей и задач, которые будут решаться.

Так выглядит обычная синусоида тока, а суть диммирования в том, чтобы «обрезать» ее. Это уменьшит продолжительность импульса и даст возможность электроприбору работать не на полную мощность
Так перед тем, как приступить к сборке необходимо определиться какой вид ламп будет применяться. Эта процедура обязательная, потому что существуют различные принципы управления яркостью свечения.
К ним относятся:
- изменение напряжения — такой способ будет актуальным при использовании устаревших ламп накаливания;
- широтно-импульсная модуляция — этот вариант необходимо применять для управления яркостью современных энергосберегающих осветительных приборов.
Изменение напряжения светодиодных ламп малоэффективно из-за того, что они работают в узком диапазоне и при небольшом отклонении от нормы просто тухнут или не включаются. Что не позволит полностью раскрыть потенциал обычных устройств, потому для них выпускают специализированные диммеры для LED-приборов.
Кроме того, использование простых, но устаревших реостатов не дает возможности экономить на электроэнергии. Ведь излишки электроэнергии в виде тепла просто рассеиваются в воздухе.

Правильно сделанный диммер должен обеспечить именно такую синусоиду, при которой короткие импульсы чередуются с продолжительными паузами. Причем чем она продолжительней, а сила сигнала меньше, тем тусклее будет светиться лампа
С помощью широтно-импульсной модуляции получится собрать регулятор яркости, обеспечивающий лампам возможность работать при 10-100% их мощности. При этом пользователь получит приятный бонус в виде сэкономленной электроэнергии.
А также можно в полном объеме использовать все остальные преимущества диммеров, среди которых и долговечность.
Правила подключения
Следует убедиться в том, что нагрузка совместима с управляющим устройством по типу и мощности. При установке встраиваемого диммера надо предусмотреть возможность доступа в процессе эксплуатации для выполнения ремонтных работ.
Ноль сети 220 V подключают непосредственно к лампе накаливания, фазный провод – к регулятору.
В цепь фазы устанавливают выключатель. Выход с диммера подсоединяют к нагрузке.
Схема установки с двумя светорегуляторами
Диммеры соединяют перемычками. В серийных приборах 2 соответствующие клеммы обозначены на корпусе «стрелками». Свободные выходы подключают в разрыв фазной цепи. Такую схему применяют для регулировки мощности в нагрузке из разных мест. Это решение используют в большой комнате при отсутствии дистанционного управления.
Подключение к светодиодным лентам и лампам
Если применяется одноцветный источник, регулятор подключают непосредственно к нагрузке с учетом полярности. В схеме с приборами RGB выход диммера подсоединяют к специализированному контроллеру.
Включение прибора с двумя проходными выключателями
Этот способ применяют для удобства управления освещением в длинном коридоре.
В фазную цепь последовательно устанавливают 2 выключателя и диммер.
Подключение диммера: как правильно?
До подсоединения светорегулятора к сети подбирают схему разводки проводов. Всё-таки диммер можно подключить как самостоятельный элемент управления или устройство вместе с выключателем либо без него. Кроме этого, разрешается монтировать сразу несколько однотипных устройств или использовать комбинацию с проходным выключателем.
Принципиальная схема подключения
Простой вариант монтажа диммера — это его подключение к электрической проводке вместо выключателя, который потребуется просто вытащить из канавки в стене. Этот способ подключения светорегулятора подразумевает ведение фазы на разрыв, а заземление и ноль — напрямую к прибору освещения.
С монтажом по этой схеме можно справиться без труда
Схема светорегулятора с выключателем
Диммер, сопряжённый с выключателем, обычно устанавливают в спальне. Это объясняется возможностью гасить и включать свет стандартным выключателем, а яркость освещения регулировать, не вставая с кровати. Для этого сам диммер монтируют рядом со спальным местом.
Этот вариант используется в исключительных случаях
Схема с двумя диммерами
К установке двух светорегуляторов прибегают те, кому нужно контролировать интенсивность света из нескольких точек в комнате. Друг с другом электронные устройства соединяют при помощи перемычки.
Такая схема позволяет осуществлять двойной контроль за светом
С двумя проходными выключателями
Управлять светильником из нескольких участков комнаты позволяют и проходные выключатели.
Один выключатель можно установить на входе, а другой — рядом с кроватью
Подключение к прибору освещения
Устройство устанавливают так же, как выключатель
Если в стене уже проделан канал под провода, идущие от распределительной коробки и лампы, то для подключения диммера остаётся сделать следующее:
- обесточить квартиру, опустив необходимые рычажки в щитке;
- поставить монтажную коробку в проделанную штробу;
- вставить жилы в клеммы корпуса;
- спрятать корпус в канале стены;
- открутить винтики устройства, чтобы прижимные лапки закрепились в монтажной коробке;
- прикрепить рамку, служащую декоративным элементом, закрутить гайку и повернуть колёсико;
- подключить квартиру к электричеству и оценить функционирование диммера.
Подключение димера к цепи
Это не менее важная часть работы, чем само изготовление, так как во многом от качества подключения диммера зависит долговечность эксплуатации. Кроме того, подключение влияет на удобство и комфортность управления, поэтому диммеры принято делить и по этой характеристике.
Они бывают следующими:
- по типу выключателя — они заменяют собой традиционные выключатели и регулируют один светильник или их группу, например, люстру с большим количеством осветительных элементов;
- проходными — позволяют управлять одним электроприбором, к примеру, светодиодной лампой, с помощью нескольких регуляторов, для удобства расположенных в различных частях помещения, здания.
В первом случае при использовании сети, включающей в себя 3 провода, ноль и заземление идут на светильник, другой электроприбор, а фаза на разрыв. То есть процедура является знакомой всем, кто заменял обычные выключатели.

При выполнении проверки регулятора, его монтажа и эксплуатации человеку следует соблюдать меры безопасности, так как через него проходит достаточное напряжение, чтобы нанести вред здоровью
При монтаже двух проходных диммеров от распределительной коробки следует подвести к каждому из них по три провода. Это обязательное условие. Затем первые два контакта используются для соединения обоих регуляторов. Для обеспечения надежности следует использовать перемычку.
Еще один из свободных контактов подсоединяется к фазе, а последний к осветительному прибору. После чего соединение проверяется на работоспособность.
Во время этих операций следует помнить о соблюдении мер безопасности — каждая из них может выполняться только после обесточивания сети.
С ориентирами выбора диммера для управления светодиодной лентой ознакомит следующая статья, полностью посвященная этой интересной теме.
Подключение и эксплуатация диммера: что должен знать каждый?

Как установить светорегулятор
Прежде чем покупать диммер и устанавливать его вместо обычного выключателя, ознакомьтесь с важными фактами о рассматриваемом устройстве.
Многие пользователи заблуждаются, считая, что установка диммера позволит существенно уменьшить расходы на освещение. В действительности же при минимальной яркости ламп экономия вряд ли превысит 10-15%. Оставшуюся «лишнюю» энергию светорегулятор попросту рассеет.

Устройство диммера, предназначение клемных колодок
Подключение и эксплуатация диммеров должны проводиться с соблюдением следующих правил:
- регулятор нельзя подвергать перегреву. Максимально допустимая температура воздуха в помещении — +27 градусов;
- величина нагрузки, подключенной к регулятору, должна быть не меньше 40 Вт. При более низких значениях отмечается существенное сокращение срока службы как осветительных приборов, так и самого регулятора;
- диммер можно использовать лишь в комплексе с осветительными приборами, перечисленными в техническом паспорте.
Рассматриваемые регуляторы рассчитаны на работу с определенными типами нагрузки. Так, большинство моделей диммеров можно использовать лишь для регулирования яркости свечения галогенных ламп и лампочек накаливания. Использовать же их в комплексе с люминесцентными светильниками, светодиодными лампами и большинством энергосберегающих осветительных приборов нельзя, т.к. это приведет к их очень быстрой поломке.

Принцип подключения диммера
Если нужно подключить диммер к светодиодным лампам, купите специально предназначенную для этого модель регулятора.
Предварительно обязательно уточните у сотрудника магазина, рассчитан ли приобретаемый диммер на работу в комплексе с источниками освещения вашего дома. Также удостоверьтесь, что мощность регулятора соответствует общей мощности установленных в вашем доме светильников.
Инструкция по установке диммера вместо обычного выключателя
Замена традиционного выключателя на поворотный регулятор не вызовет никаких затруднений, т.к. устанавливаются они по схожему принципу. Вам нужно лишь внимательно изучить технологию и придерживаться установленной последовательности.

Первый шаг. Отключаем подачу электричества и дополнительно убеждаемся в его отсутствии при помощи специальной индикаторной отвертки.
Схема подключения (меняем выключатель на светорегулятор)
Второй шаг. Снимаем кнопку установленного выключателя.
Третий шаг. Откручиваем шурупы, обеспечивающие крепление декоративной рамки выключателя, и снимаем ее.
Демонтаж выключателя
Четвертый шаг. Откручиваем крепежные винты и достаем механизм выключателя из монтажной коробки. Диммер мы сможем установить в эту же коробку.
Пятый шаг. Откручиваем электропровода от переключателя.
Шестой шаг. Видим два свободных провода.

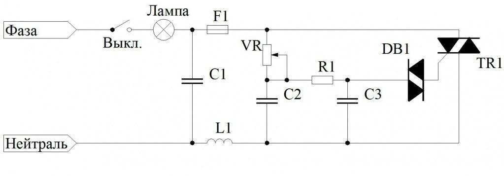
Один из них (питающий фазный) подсоединяется к выключателю, второй – к люстре. Внимательно изучаем схему, приведенную в инструкции к диммеру либо же на крышке его корпуса.

Схема диммера

Чтобы разобрать его, нужно открутить контргайку и снять все декоративные накладки

Диммер в разобранном виде

Разобранный диммер


Схема подключения
В случае с диммерами, как отмечалось, нужно строго придерживаться порядка подключения, рекомендованного производителем. Фазный кабель (на схеме он красный) подключаем к клемме диммера, подписанной как L-in. Следующий кабель (на схеме он оранжевый) соединяем с клеммой регулятора, подписанной L-out.
Монтаж диммера
Седьмой шаг. Вставляем диммер в монтажную коробку. Чтобы это сделать, аккуратно загибаем провода, вводим регулятор в подрозетник, затягиваем распорочные винты, прикладываем декоративную рамку, фиксируем ее винтами и устанавливаем регулирующее колесико.

Подключаем провода и вставляем диммер в коробку
Восьмой шаг. Проверяем работу установленного диммера, предварительно включив подачу электричества. Для проверки поворачиваем ручку диммера до щелчка в направлении против движения часовой стрелки – лампы светиться не будут. Плавно поворачиваем регулятор по движению часовой стрелки – после аналогичного щелчка на светильниках начнет плавно возрастать напряжение, о чем будет свидетельствовать плавное же увеличение яркости света.

Затягиваем крепления

Одеваем все декоративные накладки и поворотное колесико

Одеваем все декоративные накладки и поворотное колесико
Диммер подключен и нормально функционирует. Можем принимать его в постоянную эксплуатацию.
Замена выключателя на диммер
Подключение светодиодной ленты к мини диммеру
























































