Общие принципы монтажа систем водяного типа
Сначала нужно подготовить основание: выровнять его и очистить от загрязнений. После этого укладывают слой теплоизоляции, часто для этого используют плиты экструдированного пенополистирола.
Такой материал поставляется в виде плит, которые не сложно установить. После этого теплоизоляционный материал застилают гидроизолирующей пленкой.
Перед началом монтажа по периметру комнаты кладут демпферную ленту, чтобы компенсировать тепловое расширение во время работы системы. На больших площадях ее устанавливают не только вдоль стен, но и в проходящие посредине помещения швы.
Если утеплитель и лента уложены правильно, то пленку можно будет аккуратно заправить за край теплоизоляционного материала, она ляжет ровно и с небольшим натяжением.
Демпферная лента, установленная по периметру помещения, необходима при применении бетонной стяжки для укладки ТП, чтобы компенсировать тепловое расширение
Поверх пленки нужно уложить трубы для горячей воды, именно на этом этапе должна быть реализована схема укладки водяного теплого пола, ее выбирают заранее. Трубы следует укладывать ровно, стараясь сохранить равное расстояние между ними, чтобы добиться равномерного прогрева пола.
Какой бы ни была выбранная схема ТП, следует правильно согнуть трубу и аккуратно разложить ее по разметочной сетке, чтобы прогрев пола был равномерным
Уложенные коммуникации подключают к распределительному коллектору, через который подключаются к отопительной системе дома, к котлу и т.п. Трубы заливают бетонной стяжкой, после чего необходимо подождать ее полного высыхания. Остается проверить работу системы и уложить напольное покрытие.
Каждую петлю трубы подключают к коллектору. Желательно, чтобы отдельные участки системы обладали примерно равной длиной и гидравлическим сопротивлением
При монтаже систем этого типа мелочей не существует. Небольшая погрешность может вызвать серьезную поломку в будущем.
Поэтому имеет смысл учесть ряд полезных советов еще перед началом монтажных работ:
- Прежнюю стяжку лучше полностью демонтировать, а гидроизоляцию и утеплитель положить на максимально прочное основание, тщательно выровненное по горизонтали.
- Не стоит думать, что под стяжкой неровности основания будут незаметны, все перепады более 10 мм нужно старательно выровнять.
- Если в одном помещении укладывается несколько отдельных контуров системы, пространство между ними следует разделить демпферной лентой, не ограничиваясь только ее укладкой по периметру.
- На небольших участках в качестве утеплителя вполне допустимо использовать пенофол.
- Над неотапливаемым подвалом или на грунте нужно сделать максимально надежное утепление, например, слой керамзита и плиты пенополистирола не менее 50 мм толщиной.
- Прикрепляя трубы к сетке, не следует затягивать стяжки слишком туго, чтобы не повредить трубу.
- Диаметр трубы для такой системы может варьироваться в пределах 16-20 мм, материал должен быть рассчитан на давление не менее 10 бар и нагрев до 95 градусов.
- При ограниченном бюджете не стоит тратиться на трубы с опциями в виде дополнительной защиты, хотя армирование полипропиленовых коммуникаций стекловолокном лишним не будет.
- Чтобы автоматизировать работу системы, нужно правильно выбрать и установить коллектор, дополнив его конструкцию сервоприводами, датчикам давления, воздухоотводчиками и другими полезными устройствами.
- Ящик коллектора размещают в нише на стене, он должен возвышаться над уровнем пола достаточно высоко, чтобы можно было правильно изогнуть входящие в него трубы.
- Все трубы должны выходить из коллектора вниз, и никогда – вверх, чтобы обеспечить корректную работу устройств для отведения воздуха, попавшего в систему.
- Не рекомендуется делать нишу для коллектора в несущих стенах, если другого варианта нет, лучше просто установить шкаф на стене, а не внутри ее.
По понятным причинам исправить огрехи после окончания монтажа такой системы может быть очень затруднительно, поэтому следует все операции выполнять очень внимательно. Например, каждая петля должна состоять из одной цельной трубы, никакие спайки и любые другие соединения недопустимы.
Подготовка поверхности. Особенности утепления основы под теплый пол
Старая стяжка полностью демонтируется вплоть до основания. В отличие от процесса формирования обычной стяжки при установке теплого пола следует уже на начальном этапе выровнять пол по горизонтали, если имеются перепады более 10 мм.
Далее на очищенную поверхность укладывается слой гидроизоляции. По всему периметру закрепляется демпферная лента. Она позволит компенсировать тепловое расширение пола при нагреве.
Для того чтобы тепло не уходило вниз, необходимо утеплить основу пола. В зависимости от расположения помещения и типа пола, а также целевой направленности системы обогрева, выбирается соответствующее утепление:
- Если теплый пол – это дополнение к основной системе отопления, то достаточно использовать вспененный полиэтилен с отражающим фольгированным покрытием в качестве подложки для теплого пола (пенофол).
- Для квартир с отапливаемыми помещениями этажом ниже достаточно использовать листы пенополистирола или экструдированного пенополистирола толщиной от 20 до 50 мм или другой прочный утеплитель подходящей толщины.
- Для квартир первого этажа с неотапливаемым подвалом или домов, в которых пол расположен на грунте, следует использовать боле серьезное утепление в виде насыпи керамзита и листов пенополистирола толщиной в 50-100 мм.
Поверх утеплителя укладывается армирующая сетка. Она необходима для закрепления слоя стяжки, которой будет закрываться вся система теплого пола. Помимо прочего можно именно к сетке закреплять впоследствии трубу теплого пола, вместо использования специальных крепежных полос и клипс. При этом используются обычные пластиковые стяжки.
Схема устройства поверхности теплого пола
Укладка пола
Самостоятельно смонтировать водяной теплый пол в состоянии любой человек, умеющий обращаться с гаечными ключами, дрелью, молотком и ножовкой. Самый сложный момент монтажа – это расчеты системы и выбор конфигурации укладки труб с водой. А непосредственно монтажные работы не должны вызвать проблем.
Монтаж утеплителя
Плиты ЭППС укладываются встык без прорех в швах. Бетон между них пройти при заливке не должен ни в коем случае. Если это произойдет, то образуются акустические и температурные мостики. Для выравнивания плит по горизонтали можно воспользоваться мелким песком, который подсыпается снизу.
Расстилать поверх утеплителя под теплый водяной пол фольгу или фольгированную пленку не стоит. Тонкий алюминий моментально будет съеден бетоном, так как цементный раствор отличается высокой щелочностью. Слой с фольгой актуален только при укладке водяного ТП по сухой технологии с настиланием сверху гипсоволокнистых и древесных плит.
Чтобы упростить себе монтаж, вместо обычных ЭППС можно взять специальные пенополистирольные плиты под «трубный теплый пол». Они сверху имеют пупырышки-выступы с шагом в 50 мм, между которых и укладываются трубы с прочной фиксацией на месте.

Укладка пола на пенолистирольную основу
Монтаж труб
Контур из трубы формируется из расчета – один на 15–30 м2 комнаты. По максимуму допускается закладывать его на 40 м2. Если помещение большое по площади, то придется в нем сделать несколько отдельных контуров. Причем в каждом из них трубопровод с теплоносителем в длину не должен превышать 100 м.
Соединять металлопластиковые трубные изделия с помощью фитингов или спайки в теплом водяном полу нельзя. В стяжке каждый контур должен состоять из непрерывной трубы, два конца которой подключаются к коллектору.
Фиксация трубопровода на утеплителе осуществляется при помощи имеющихся пупырышек-выступов либо за счет крепления его к армирующей сетке с шагом 0,5–1 м. Во втором случае применяются крепежная проволока либо хомуты. От внутренней перегородки труба должна отстоять минимум на 30 см, а от внешней стены – на 50 см.

Укладка пола на деревянную основу
Монтаж армирующей сетки
При устройстве теплого пола обычно применяется армирующая сетка из металлического прутка сечением 3–6 мм. Она не только усиливает прочность стяжки, но и упрощает раскладку труб. Каждая ее квадратная ячейка – это от 100 до 300 мм. После ее выкладки на основании получается ровная решетка, расстояние на которой можно легко определить без рулетки.
Укладывать армирующую сетку для стяжки следует поверх труб, чтобы арматура оказалась внутри бетона. Если положить ее непосредственно на утеплитель под трубопровод, то толку от такого армирования будет ноль.

Стяжка на теплый пол
Испытание системы
После монтажа труб водяные теплые полы подлежат обязательной промывке и проверке на протечки. Делается это с помощью опрессовочного насоса и до заливки бетонного раствора. Причем здесь разрешается использовать воду без подогрева до рабочих температур. Главное – выявить места, где возможно протекает теплоноситель. Если все нормально, то остается уложить вдоль стен демпферную ленту и можно заливать стяжку.
Достоинства
Система подогрева на основе воды имеет массу достоинств. К ним можно отнести:
достижение нужного уровня комфорта, так как полы будут всегда теплыми, а воздух в помещении будет прогрет равномерно;

Таблица решений для выбора системы водяного теплого пола
- безопасность, но только в частном доме. Такие полы не ударят током, и самое страшное, что может случиться – это протечка. Но в частном доме она не так критична, как в многоквартирном. Притом даже если произойдет протечка, то пострадает максимум имущество владельца, но никак не он сам, так как риска обжечься горячей водой просто нет;
- экономию – тоже одно из достоинств. Водяные полы позволят сэкономить немало природных и денежных ресурсов, так как вода будет использоваться в качестве теплоносителя одна и та же. Также можно быстрее прогреть помещение, используя водяные полы, если высота потолков очень велика;
- совместимость со всеми напольными покрытиями – тоже плюс. Действительно, лишь в редких случаях нельзя укладывать поверх нагревательной системы какие-то определенные покрытия. И то, если сделать все грамотно, то поверх водяной системы можно уложить любые покрытия;

Можно совмещать водяной теплый пол со всеми напольными покрытиями
стоимость водяной системы невелика, что позволит сэкономить некоторую сумму денежных средств при монтаже.
Но у такой системы есть и недостатки. Так, например, при монтаже не обойтись без заливки стяжки, а это достаточно тяжелая работа, требующая определенных навыков. Плюс стяжку перед эксплуатацией придется просушить, а это – плюс 28 суток к длительности ремонта. И на протяжении этого срока делать в ремонтируемом помещении ничего нельзя. Еще один недостаток – это сложность ремонта самой системы при необходимости
Так что важно все делать качественно изначально, чтобы потом избежать неприятностей на протяжении длительного времени

Совокупные затраты на системы отопления теплыми полами за 5 лет
Как отрегулировать температуру в доме – 3 способа и определение оптимального режима
Основная задача поддержания температурного режима – создание комфортных условий для проживания при условии оптимального расходования ресурсов. Этого можно добиться несколькими способами.
Первый из них заключается в установке оптимальной степени нагрева теплоносителя в контурах теплых полов. Второй – в полном прекращении его поступления в него.
Самый простой способ заключается в использовании для греющего контура труб с максимальной рабочей температурой 90-95 градусов. Это позволяет установить в систему циркулярный насос с терморегулятором, а также клапан обратного хода.
Место установки насоса – труба-обратка, а температура теплоносителя в этом месте составляет не более 70-80 градусов по Цельсию. Если разогрев теплоносителя достигает критичных значений, термостатом отключается насос и отопление переходит в режим ожидания.
По мере остывания пола, циркулярный насос снова включается, подавая в трубопровод контура новую дозу горячей воды. Практика показывает, что такой способ наиболее эффективен и надежен для устойчивой работы отопления с теплым полом.
Второй способ регулировки степени нагрева предполагает включение в систему трехходового вентиля или смесительного клапана. При таком подходе через трехходовой вентиль производится подмешивание охлажденной воды из обратки к горячей подаче. То есть, максимальная температура горячей воды из котла, понижается добавлением охлажденной.
Если используется 3-х ходовой вентиль, регулировку можно производить вручную или через сервопривод. Клапан смешивающий регулирует температуру носителя тепла по заранее введенной величине контрольного показателя.
Третий способ регулировки нагрева носителя тепла в системе обогрева жилья
состоит в использовании узла подмеса. Такое устройство можно изготовить из следующих компонентов:
- вентиль 3-х ходовой;
- насос циркуляционный;
- перемычка байпаса;
- градусник;
- термостатическая головка ;
- реле контроля максимальной температуры.
Учитывая состав применяемых компонентов, узел регулировки степени нагрева в системе обогрева получается довольно не дешевым.
Но изменение температуры в нем происходит очень быстро, потому, что оно производится подмешиванием к основному потоку теплоносителя воды из трубы-обратки. При этом происходит автоматическое уменьшение интенсивности горения в котле.
В соответствии с установленными регулировками режим потребления топлива всегда является оптимальным.
Количество узлов в объединенной системе может быть любым, и каждый будет работать автономно в соответствии с установленными настройками.
Таким образом, можно поддерживать более высокую температуру воздуха, например, в детской комнате и одновременно более низкую в спальне взрослых представителей семейства. Особенно эффективен такой узел для управления температурой в устройстве водяных полов.
Для применения такого способа регулировки есть только одно требование – вся отопительная схема должна быть устроена по европейским требованиям. Температура горячей воды из котла должна быть не выше 67 градусов.
И в теперь рассмотрим методику регулировки теплового и гидравлического режима с использованием термостата. Его устанавливают в помещении, и настройка производится путем установки на этом приборе нужной температуры для данной конкретной точки. Управление нагревом производится сервоприводом на конкретном контуре.
Смотреть видео
Узнайте как работает водяной теплый пол в зависимости от вида подключения.

Установка котла
Для системы «тёплый пол» выбирают котёл в зависимости от теплоносителя. Если в доме есть газ, то целесообразно выбрать газовый котёл. Его устанавливают в помещении. Расходы на теплоноситель будут минимальными. Необходимо оборудование с выходами для горячего водоснабжения и для водяной напольной магистрали.
Если в доме устанавливают печь на твёрдом или жидком топливе, то для нагревательного оборудования обустраивают отдельную котельную. Неудобства состоит в том, что придётся постоянно следить за расходом топлива.

Вода в теплообменнике нагревается до высокой температуры, потребуется дополнительно установить радиаторы, сушилки для полотенец, можно вывести отдельные контуры в баню или в гараж. Данные мероприятия необходимы, чтобы выдержать в напольной магистрали определённое давление и температуру воды.
Условия установки водяного теплого пола
Если свой дом вы строите самостоятельно, то предусмотреть разводку теплого пола по комнатам не будет сложно. Вам достаточно все делать поэтапно, рассчитывать высоту порогов дверей и самих помещений. Но бывает так, что в купленном доме или коттедже уже все установлено, а полы с подогревом застройщик не предусмотрел. В такой ситуации произвести установку становится очень сложно – вы либо вынуждены производить демонтаж напольного покрытия и стяжки, либо поднимать уровень пола, что допустимо не во всех случаях.

Разводка теплого пола
Можно придумать решение проблемы, но оно всегда будет связано с некоторыми условностями. Давайте попробуем копнуть глубже, и разберемся в строении пола, прежде чем давать советы.

Схема «пирога» пола с водяным подогревом
На картинке выше прекрасно видно, что система теплого пола включает в себя несколько слоев, каждый из которых имеет свою толщину. Общая толщина при этом может достигать 10-15 см – сильно уменьшать ее нельзя, так как выделяемое тепло может негативно сказаться на целостности напольного покрытия. Давайте по порядку о каждом слое.
Основание или черновой пол представляет собой бетонную плиту в виде готового ЖБИ или залитую по опалубке или грунту. Эта часть пола несет на себе основные нагрузки и предварительно выравнивает пол в помещении. Ее толщина в расчет фактически не берется, так как ниже опускаться некуда. В зависимости от типа пола под основанием могут находиться слои гидро- и пароизоляции, а также слой экструдированного пенополистирола в качестве утеплителя.

Черновой пол
- Далее на пол укладывается гидроизоляционный слой. Его необходимо делать на межэтажных перекрытиях, чтобы исключить возможность подтопления нижних этажей.
- Третьим слоем идет утеплитель. Тут вариантов несколько – можно взять пенополистирольные плиты, в которых уже имеются пазы под разводку теплых полов, можно взять простые плиты, а можно и фольгированный материал на вспененной полимерной подложке. Названий у них много, но самый известный – пенофол. Установка слоя утеплителя необходима в обязательном порядке, иначе большая часть тепла будет уходить на прогрев грунта и чернового пола, что совершенно не нужно.

Вспененный фольгированный утеплитель

Теплораспределительные пластины

Поверх теплого пола делается еще один слой стяжки – обратите внимание, что под сеткой настелена гидроизоляционная пленка
- Следующий слой – чистовая стяжка, толщина которой рекомендована не меньше 8,5 см. Это обеспечивает более равномерный прогрев с умеренной скоростью, что помогает сохранить отделку из керамической и прочей плитки, которые приклеиваются к основанию.
- Последний слой – напольное покрытие. Он может занимать, в зависимости от ровности чистовой стяжки, от 8 до 20 мм. Также на этот параметр влияет тип материала отделки.

Ламинат и теплый пол в одной конструкции
Вот и получаем минимальную толщину утепленного пола в упомянутые средние 12 см. Это значение может быть и больше – нужно смотреть на конкретный объект.
Основа под теплый пол
Если речь идет о доме с бетонными перекрытиями, то самый доступный общепринятый вариант – это бетонная стяжка с водяным подогревом. Такой же способ применяется и для первых (цокольных) этажей частных коттеджей, если основание пола находится на песчаной подушке, которая расположена непосредственно на грунте.
Установка теплого пола своими руками начинается с подготовки основания. Основа для создания теплого пола должна быть ровной, без выступов и впадин. Максимально допустимый перепад составляет 5 мм. Если глубина дефектов поверхности достигает 1-2 см, то придется насыпать и разровнять тонкий слой гранитного отсева (мелкий щебень) с размером зерна до 5мм. Поверх выравнивающего слоя придется уложить пленку и при укладке теплоизоляции ходить по деревянным щитам. В противном случае выравнивающий слой сам станет источником неровностей.
Установка и подключение своими руками газового котла и насоса для теплого пола
Стандартный котел, работающий от газа и служащий для подачи горячей воды и отопления помещений, имеет 5 расположенных последовательно слева направо выводов:
- Выход горячей воды в отопительную систему.
- Выход горячей воды в систему водоснабжения.
- Подача газа.
- Вход холодной воды для нагрева и подачи.
- Вход холодной воды от отопления (обратка).
Соединения всех труб с нагревательным элементом разъемные, устанавливаются при помощи муфт и гаек.
Система отопления контролируется отдельно от водоснабжения, что дает возможность независимого подключения.
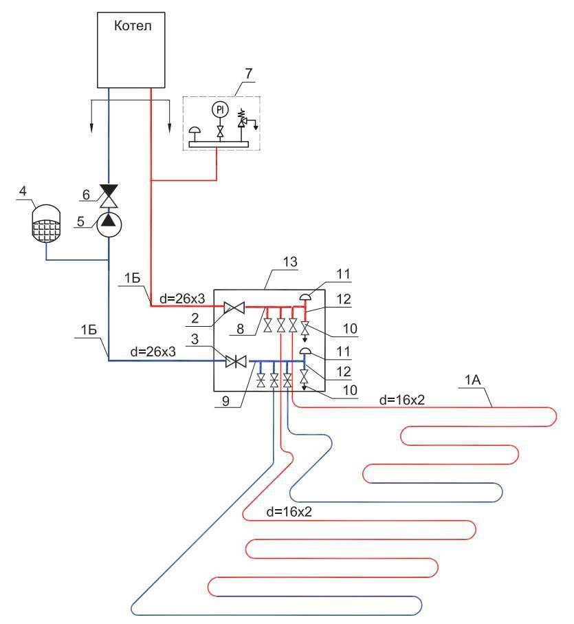
В котел от коллектора теплого водяного пола должно подходить две трубки. По одной будет проходить подача остывшей воды, по другой – горячей в систему отопления.
Насос входит в большинство современных котлов. В случае его отсутствия необходима установка его последовательно с коллектором и нагревателем.
Рекомендуется поместить насос между возвратной системой коллектора и входом трубы в котел. Возможна установка отдельных насосов на каждый контур.
Порядок монтажа
Собирается однотрубная система следующим образом:
- В хозяйственном помещении устанавливается на пол или вешается на стену котел. С помощью газового оборудования может быть устроена самая надежная и эффективная однотрубная система отопления двухэтажного дома. Схема подключения в этом случае будет стандартной и позволит произвести все работы, при желании, даже и самостоятельно.
- На стены вешаются радиаторы отопления.
- На следующем этапе монтируются стояки «подводящий» и «обратный» на второй этаж. Располагают их в непосредственной близости от котла. Внизу к стоякам присоединяется контур первого этажа, вверху – второго.
- Далее выполняется подключение к магистралям батарей. На каждый радиатор следует установить запорный кран (на подводящем отрезке байпаса) и кран Маевского.
- В непосредственной близости от котла на «обратной» трубе монтируется расширительный бак.
- Также на «обратной» трубе поблизости от котла на байпасе с тремя кранами подключается циркуляционный насос. Перед ним на байпасе врезается специальный фильтр.
На заключительном этапе производится опрессовка системы в целях выявления неисправностей оборудования и протечек.
Как видите, однотрубная система отопления двухэтажного дома, схема которой максимально проста, может очень даже удобным и практичным оборудованием
Однако при желании использовать такую простую конструкцию, на первом этапе важно произвести все необходимые расчеты с максимальной точностью
Задумываясь над установкой отопления, первоначально определяются, какой вид топлива будет использоваться
Но наряду с этим крайне важно решить, насколько планируемый обогрев будет действительно независимым. Так, по-настоящему автономной будет система отопления без насоса, которой для работы не нужна электроэнергия. Для эффективной работы понадобится лишь источник тепла и правильно расположенный трубопровод
Для эффективной работы понадобится лишь источник тепла и правильно расположенный трубопровод.
Контур отопления — это совокупность элементов, предназначенных для обогревания жилища путём передачи тепла воздуху. Наиболее распространённым видом отопления является система, использующая в качестве источника нагрева котлы или бойлеры, подключённые к водопроводу. Вода, проходя через нагреватель, достигает определённой температуры, а после направляется в отопительный контур.
В системах с теплоносителем, в качестве которого используется вода, циркуляция может быть организована двумя путями:
В качестве источника тепла, служащего для нагревания воды, используются котлы (бойлеры). Их принцип действия основан на превращении определённого для них рода энергии в тепло с последующей его передачей теплоносителю. По типу источника нагрева котельное оборудование бывает газовым, твердотопливным, электрическим или мазутным.
По типу соединения элементов контура система отопления может быть однотрубной или двухтрубной. Если все приборы контура включены относительно друг друга последовательно, то есть теплоноситель проходит по порядку все элементы и возвращается в котёл, то такая система называется однотрубной. Её существенным недостатком является неравномерность прогрева. Это связано с тем, что на каждом элементе происходит потеря какого-то количества тепла, поэтому разница температур котла может быть существенной.
Система двухтрубного типа подразумевает параллельное подключение радиаторов к стояку. К недостаткам такого подключения относят осложнение конструкции и увеличенный в два раза расход материала по сравнению с однотрубной системой. Но построение контура обогрева для больших многоэтажных помещений выполняется только таким соединением.
Система с гравитационной циркуляцией чувствительна к ошибкам, допущенным во время монтажа отопления.
Схема прямого подключения
У вас есть котел, после которого смонтирована вся арматура безопасности + циркуляционный насос. В некоторых настенных вариантах котлов, насос идет изначально встроенным в его корпус.
Для напольных экземпляров придется ставить его отдельно. От этого котла, вода сначала направляется в распределительный коллектор, и далее разбегается по петлям. После чего завершив проход, возвращается через обратку в теплогенератор.


Спецификация материалов и оборудования на примере Valtec
При такой схеме, котел непосредственно настраивается на желаемую температуру самих ТП. У вас тут нет никаких дополнительных батарей отопления или радиаторов.
На какие главные особенности здесь стоит обратить внимание? Во-первых, при таком прямом подключении, желательно устанавливать конденсационный котел.
В таких схемах, работа при относительно невысоких температурах для конденсационника вполне оптимальна. В этом режиме он достигнет своего наибольшего КПД.
Если же вы будете использовать обычный газовый котел, то в скором времени попрощаетесь со своим теплообменником. 
Второй нюанс касается твердотопливных котлов. Когда у вас смонтирован именно он, для прямого подключения к теплым полам, вам потребуется еще и буферная емкость.

Она нужна для ограничения температурного режима. Твердотопливными котлами напрямую очень тяжело регулировать температуру.
Выводы
Подведем итоги: схемы подключения теплого пола в наших квартирах и домах могут быть разными, но по своему функционированию они мало различаются. В зависимости от конкретных особенностей помещения и индивидуальных потребностей выполняется укладка трубопровода и подключение к источнику горячей воды.
Следует помнить, что подключение к магистрали центрального отопления запрещено по техническим причинам. Дело в том, что если выполнить такое подключение, то это понизит температуру дальше по стояку отопления.
Максимальный эффект отопления теплые полы дают при использовании автономных источников отопления. Газовые котлы – лучшие источники тепла. Поскольку предельно допустимая температура нагрева теплоносителя для теплого водяного пола составляет от +45 до +50° C, можно использовать маломощный котел.
При правильной укладке по обычной схеме теплого пола можно долго чувствовать себя комфортно. В нормальных условиях эксплуатации ваш теплый пол может проработать в течение 30–50 лет.
По вопросам монтажа обращайтесь на почту zakaz@trmka.ru или звоните по телефону 8 (983) 130-10-10
Выводы и полезное видео по теме
Интересный материал по сборке и установке смесительного узла:
Ролик демонстрирует процесс сборки комплекта элементов коллектора:
О самостоятельном изготовлении недорогого коллектора рассказано в этом видео:
Распределительные как и смесительные узлы – очень важные элементы для водяного пола. Обойтись без них можно, только если система включает всего один-два контура и занимает небольшую площадь.
Но если принято решение создать качественный водяной пол, тогда все эти узлы необходимо собрать и установить правильно, чтобы система работала с максимальной отдачей и минимальными затратами.
А может вы обнаружили ошибку или несоответствие материала, изложенного в статье, теоретическим нормам? Напишите нам, пожалуйста, об этом в блоке комментариев.
Выводы и полезное видео по теме
В подобранных видеороликах много интересной и полезной информации о выборе схем сооружения водяных тёплых полов и материалов, о правильном монтаже труб и гидравлических испытаниях.
Практические советы по укладке труб:
Как проводить опрессовку:
Правила монтажа от профессионалов:
Как видите, монтаж водяного теплого пола доступен для самостоятельного исполнения: в супермаркетах огромный выбор современных материалов, а в интернете можно найти множество подробных видео-инструкций.
Однако каждый этап – проектирование, укладка труб, подключение коллектора, заливка стяжки – имеет свои подводные камни, обойти которые можно только с помощью профессиональных строителей и теплотехников.
Вы своими руками собрали и установили дома теплый водяной пол? Расскажите, с какими трудностями вам пришлось столкнуться.

























































