Акустический выключатель на Таймере 555
Для изготовления приспособления, которое позволит бесконтактно включать и выключать свет в комнате, потребуется не много компонентов и знания в области электротехники. Цепь в сети будет замыкаться от звука хлопка.
Иногда такое устройство называют хлопковым коммутатором. Его конструкция включает конденсаторный микрофон, который принимает сигнал. При этом цепь замыкается не только от хлопка в ладони, но и от любого источника шума, имеющего сходную по высоте звуковую волну. На вход устройства поступает сигнал в виде колебания, а на выходе образуется ток, питающий светодиод или лампу. Таким образом, звуковая энергия будет преобразована в электрическую.

Комплектующие
Пред тем как приступать к работам по изготовлению прибора, нужно подготовить все необходимые компоненты. Их список приведен ниже:
- Резисторы на 330 Ом, 470 Ом, 1 кОм, 4,7 кОм и 47 кОм;
- Конденсатор на 10 мкФ – 1 шт.;
- Конденсатор на 100 нФ – 2 шт.;
- Электрический конденсаторный микрофон – 1 шт.;
- Светодиод – 1 шт.;
- Таймер 555 – 1 шт.;
- Батареи на 9В.
Принцип работы
Схема работы устройства приведена на рисунке ниже. Из нее видно, что источник звука активирует датчик. Этот датчик преобразует входящие колебания воздуха, возникшие от хлопка ладоней, и проводит их обработку. Звук попадает на чувствительные элементы конденсаторного микрофона, после этого включается индикатор, и колебания переводятся в электрическую энергию. Появившийся в сети ток идет к светодиоду или лампе накаливания, а источник света, в свою очередь, загорается.
При повторном хлопке цепь размыкается, подача тока к светодиоду прекращается, а лампочка гаснет. Можно сделать так, что бы источник света потухал через несколько секунд в автоматическом режиме. Для этого в настройки конденсатора 100 мФ и таймера 555 вносят необходимые изменения. Благодаря этому усовершенствованию импульс, который станет размыкать цепь, будет образовываться спустя определенный промежуток времени. Для управления устройством можно использовать не только хлопок, но также и любой другой шум сходный по амплитуде звуковой волны с ударом в ладони. Поэтому «звуком выключателя» может стать шлепанье тапка об пол, удар газеты по столу или что-нибудь иное.
Электрическая схема прибора основана на работе транзисторов. К тому же конденсаторный микрофон имеет прямой вывод на один из них. В схеме отсутствует переключатель, поэтому при подсоединении к батарее устройство сразу переходит во включенное состояние. Изменения в режим работы прибора вносятся посредством реле.
Как только колебания звуковой волны нужной амплитуды достигают конденсаторного микрофона, то полученный сигнал усиливается на входе и передается на таймер 555. После этого импульс преобразуется в электрический ток, который подается на светодиод. Перед проведением тестирования нужно убедиться, что к усилителю подсоединен отрицательный выход микрофона.
Чувствительность принимающего элемента изменить нельзя, а микрофон по умолчанию действует на небольшом радиусе. Если при тестировании устройство не срабатывает, то следует заменить использованный транзистор на другой. Некоторые модели транзисторов могут не подойти для этой схемы. Заменять можно и другие детали устройства, так как это обеспечит много возможностей для различных его модификаций.

Преимущества
- Устройство легко использовать, включать и выключать лампу или светодиод можно с помощью хлопка в ладоши.
- Вместо светодиода на выходе можно установить вентилятор, радио или другой электрический прибор.
Недостатки
Конденсаторный микрофон имеет малый радиус приема сигнала. Этот параметр устанавливается по умолчанию и не может быть изменен.
Схема улучшенной защиты для АС
Большими возможностями обладает устройство защиты рис.2.

Рис. 2. Принципиальная схема защиты акустических систем от бросков выходного напряжения, питается от источника питания УМЗЧ.
Оно предохраняет громкоговорители от бросков выходного напряжения как при включении, так и при выключении питания, при неисправности УМЗЧ и в моменты вероятного отказа последнего — при понижении или полном исчезновении одного или обоих напряжений питания, а также при превышении ими предельно допустимых значении (это может иметь место при питании от стабилизированных источников) и, наконец, отключает их при подсоединении головных стерео телефонов. Питается устройство от того же двуполяного источника, что и выходные каскады УМЗЧ.
В момент включения питания начинает заряжаться конденсатор С3, поэтому транзистор VT2 открыт, VT3 закрыт, реле К1 обесточено и громкоговорители отключены. Как только напряжение на конденсаторе достигает значения
— напряжение стабилизации стабилитрона VD9), состояния указанных транзисторов изменяются на обратные, срабатывает реле К1 и громкоговоритель подключаются к выходам каналов УМЗЧ.
Время задержки подключения:
Приведенная формула справедлива при условии: .
Время задержки при указанных на схеме номиналах элементов: .
Напряжение стабилизации стабилитрона VD11 выбрано из условия .
При понижении напряжении любого источника питания на величину, большую чем транзистор VT3 закрывается и реле К1 отключает громкоговорители от УМЗЧ.
Стабилитроны VD7 и VD9 в цепях баз соответственно транзисторов VT1, VT2 одинаковы и выбраны с учётом следующего. Как видно из схемы, для того, чтобы открылся транзистор VT2 (а следовательно, закрылся транзистор VT3 и отпустило реле К1), напряжение питания должно удовлетворять условию:
, где и — соответственно напряжение и минимальный ток стабилизации стабилитрона VD9.
Отсюда: . При указанных на схеме номиналах и типах деталей
, а это значит, что при устройство отключит громкоговорители, если отрицательное напряжение питания возрастёт (по отношению к номинальному) на 2,8 В.
Транзистор VT1 открывается по цепи VD1 — R5 — VD7, идентичной цепи VD6 — R7 — VD9. Это приводит к открыванию транзистора VT2 и закрыванию транзистора VT3, т.е. к отключению громкоговорителей при увеличении на 8 В напряжения питания положительной полярности.
В случае появления на выходе УМЗЧ постоянного положительного напряжения транзистор VT2 открывается током протекающим через резистор R3 (или R4), VD4 (VD5) и цепь R7VD9. Условие его открывания в этом случае выглядит так:

Если же напряжение на выходе УМЗЧ имеет отрицательную полярность, по цепи R3 (R4) — VD2 (VD3) — R5 — VD7 открывает транзистор VT1.
Для подключения стереотелефонов служит розетка ХS1, с которой механически связан выключатель SA1. При установке вилки стереотелефонов в розетку контакты выключателя размыкаются, реле К1 отпускает и громкоговорители отключаются от УМЗЧ.
То же происходит и при выключении питания УМЗЧ кнопкой SB1 (А1 — источник питания). Поскольку коллекторная цепь транзистора VT3 и цепь сетевого питания разрываются практически одновременно, громкоговорители отключаются до начала переходного процесса и щелчок не прослушивается.
В устройстве применено реле РЭС-22 (паспорт РФ-4.500.130). Неполярные оксидные конденсаторы С1, С2 — К50-6. Транзистор КТ815В можно заменить любым другим с допустимым напряжением коллектор — эмиттер более 50 В и максимальным током коллектора ни менее значения , где — — сопротивление обмотки реле К1).
Вместо стабилитронов КС527А можно использовать КС482А, КС510А, КС512А, КС175Ж, КС182Ж, КС191Ж и т.п., соединив нужное число приборов для получения напряжения стабилизации, выбранного приведённым формулам. Диоды VD1 — VD6, VD8, VD10, VD12 — любые кремниевые маломощные с обратным напряжением более 50 В.
Плюсы и минусы
Важнейшим преимуществом звукового переключателя перед классическими является простота и удобство использования. Пользователю не нужно думать, куда установить выключатель.
Основные преимущества:
- работают с любыми электроприборами или источниками света;
- возможность включить и выключить бытовой прибор или свет, находясь в любой точке комнаты;
- отсутствие лишних проводов;
- надежность и длительный срок службы;
- бесшумность;
- безопасность.
Недостатки:
- Современные датчики умеют распознавать звук, который нужен для включения и выключения. Пользователю нужно точно знать, на какой именно сигнал отреагирует сенсор.
- Зона чувствительности ограничена. В большой по площади комнате придется хлопать громко или подходить ближе к сенсору. Если увеличить чувствительность, датчик может ложно среагировать на аналогичные звуки.
Акустическое реле (схема, монтажная плата)
Акустическое реле (схема, монтажная плата)

Начну с того, какие возможности дает нам акустическое реле, или иначе звуковой выключатель. С помощью данного устройства, можно выключать приборы на расстоянии с помощью подачи звукового сигнала. Чувствительность настраивается с помощью переменного резистора. Так же вместо выключателя света в комнате, что бы дистанционно выключать или включать свет.Схема устройства:

Принцип работы: Усилитель сигнала с электретного микрофона собран на транзисторе VT1 и работает при токе коллектора около 0,2 мА. Питание микрофона осуществляется через резистор R1. Разделительный конденсатор С1 малой емкости подавляет НЧ составляющую звука. Регулировка чувствительности осуществляется подстроечным резистором, включенным в цепь ООС по току. Сигнал, усиленный до амплитуды 1 В, через разделительный конденсатор С2 поступает на вход транзисторного ключа, собранного на транзисторе VT2. Отрицательная полуволна сигнала, превышающая по амплитуде 0,6 В, открывает транзистор VT2 и через диод VD2 и токоограничивающий резистор R7 заряжает конденсатор С5. Такой же результат можно получить при нажатии на кнопку SB1 (кнопка без фиксации). Через делитель R10 R11 это напряжение подается на затвор полевого транзистора VT3, открывает его, в результате закрывается биполярный транзистор VT4. Напряжение на конденсаторе С5 за время около 0,5 мс достигает уровня немного меньшего, чем напряжение на конденсаторе С4. Через резистор R9 начинает заряжаться конденсатор С9, включенный в цепь затвора полевого транзистора VT5. Совместно с цепью отрицательной обратной связи C8 R15 обеспечивается плавное открывание полевого транзистора VT5.

В процессе сборки девайса неожиданно для себя столкнулся с проблемой приобретения транзисторов ZVN2120, а так же рекомендованной автором его замены на КТ501А. На свой страх и риск решил VT3 заменить 2N7000. Сомнения возникли в связи с тем, что у указанных автором транзисторов напряжение сток-исток составляет 240 Вольт, а у 2N7000 всего лишь 60. Высокоомные резисторы R10, R11 номиналом 100 Мом и 51 Мом были найдены в миниатюрном исполнении мощностью 0,125 Вт. Указанные же автором повергли в ужас своими размерами

В качестве элементов диодного моста звукового выключателя использовал 1N4007 из отслужившей энергосберегающей лампы. Для транзистора VT1 вполне подойдет КТ3102Е, VT4 – КТ3102 с любым буквенным индексом. В результате получилось устройство, реагирующее на хлопок в ладоши либо на другой короткий хлесткий звук на расстоянии примерно 5 метров. Как утверждает автор и что подтверждено полевыми испытаниями устройства, ключевой транзистор VT5, благодаря его плавному включению и выключению, существенно разогревается именно в эти периоды работы. В ситуации, когда задержки в две-три минуты недостаточно и необходимо снова включить свет, транзистор сильно нагревается, поэтому рекомендую установить хотя бы небольшой теплоотвод для перестраховки. В итоге, могу рекомендовать данную схему к повторению как исключительно стабильно работающую с перечнем положительных свойств, а также как основу для акустического реле, реагирующего на звуки шагов, дребезг ключей, голосовую команду и т. д. Для реализации чего следует лишь собрать другую схему микрофонного усилителя.

Плата в формате LAY-скачать: Монтажная плата звуковое реле.rar
Да, забыл указать в своей заметке, что кнопку, указанную в схеме, не ставил, так как устройство планирую установить рядом со светильником в подъезде и дотягиваться до кнопки будет проблематично.
Автор статьи — Николай Кондратьев, г. Донецк.
Примеры моделей датчиков звука для освещения
Рассмотрим не только обычные звуковые датчики и стандартные типоразмеры, но и специфические, например, ночники, лампочки со встроенной электронной начинкой.
ASO-208
Недорогая модель (300–400 руб.) белорусского производителя. Подойдет для лестничной площадки. На корпусе прописана управляемая мощность для разных ламп. Чувствительность микрофона регулируется отверткой или подобным. При максимальном уровне среагирует даже на звон ключей.

Это шумовой вариант без регулируемого реле задержки, то есть продолжительность до выключения нельзя изменить, она составляет 1 мин. после распознавания последнего звука. Несмотря на данный минус модель — одна из самых качественных для не особо сложных целей, например, для подъездов, общественных коридоров.
Реле (лестничный автомат) ЭВ-01
Контроллер шума российского бренда ООО «Реле и автоматика». Дешевый — 300–400 руб., относительным недостатком является поддерживаемая мощность — до 60 Вт, впрочем, для большинства случаев этого хватит, тем более, если учесть, что теперь чаще используют экономные лампочки с небольшим потреблением энергии.

Прибор с базовыми функциями, реле не регулируемое, встроенная задержка 50 сек., радиус мониторинга 5 м. Чувствительность микрофона не настраиваемая, но для помещений типа подъездов, лестничных клеток, коридоров этого особо и не требуется. Достоинства: есть фотоэлемент, включающий прибор только для темного времени. Но его чувствительность также не регулируется, поэтому надо выбирать места, чтобы не было засветки, например, фонарями на улице.
Joying Liang
На Aliexpress есть много достойных дешевых акустических реле, Joying Liang одно из них. Стоит всего около 270 руб. Управляет нагрузкой до 60 Вт, задержка — 40–50 сек. Регулировка микрофона и датчика света отсутствует.

Лампочки с датчиком звука
Осветительные приборы с вмонтированным акустическим включателем удобные, так как не надо заниматься отдельным монтажом сенсора. Одним из типоразмеров является лампочка с такой электронной начинкой. Изделие ничем не отличается по внешнему виду от обычной экономки LED. Стоимость — 250–300 руб.
Пример стандартной лампочки E27, 9 Вт (эквивалент лампе накаливания 60 Вт), LED со звуковым дистанционным включателем:
- особенность: есть не только сенсор звука, но и освещенности;
- радиус действия обнаружителей — 3–8 м;
- чувствительность — 50 дБ;
- задержка — 30 сек.
Минус: чувствительность датчика и микрофона не регулируемая.

ANBLUB
Изделие от бренда ANBLUB отличается практичностью для определенных условий. Звуковой датчик выполнен внутри цоколя (патрона), то есть надо всего лишь вкрутить его, а затем — лампочку.

- нерегулируемые датчик света (работает только в темноте) и звука;
- реагирует на шум 45–50 дБ (хлопок, громкий кашель);
- задержка 45 сек.;
- цоколь E27/E26 (универсальный);
- для нагрузки 25 W, то есть изделие для экономных LED лампочек.
Lincoiah

Модель с клеммами, спрятанными под крышкой, провода уже есть и выведены для подключения к цепи.
- задержка 45 сек.;
- диапазон частот для реагирования 50–70 дБ;
- управляемая нагрузка — 60 Вт;
- есть спящий режим, когда светло, то есть вмонтирован также обнаружитель уровня освещенности;
- не регулируемый.

Ночник с датчиком шума
Звуковые обнаружители можно вмонтировать в любые приборы с электроцепью. Один из примеров — ночник из Aliexpress.

- с блоком питания на ≤ 36 В, крайне низкое потребление — 0.5 W, 32 mA;
- 10 режимов;
- спящий режим в светлые периоды суток;
- охватывает 150° (широкий угол), дальность 3–6 м.

Комплекты автовключателей света с разными датчиками
Пример комплекта с акустическим реле, сенсором движения:
- переключатель-контроллер (реле задержки);
- звуковой детектор;
- фотосенсор;
- сенсор PIR, он же датчик движения.



Дистанционный выключатель света. Три варианта
В данной статье приведем несколько вариантов схем, при помощи которых можно изготовить дистанционный выключатель света.
Дистанционный выключатель света при помощи ПДУ
Это простая схема для дистанционного включения и выключения любого электрического устройства при помощи обычного пульта дистанционного управления (ПДУ).
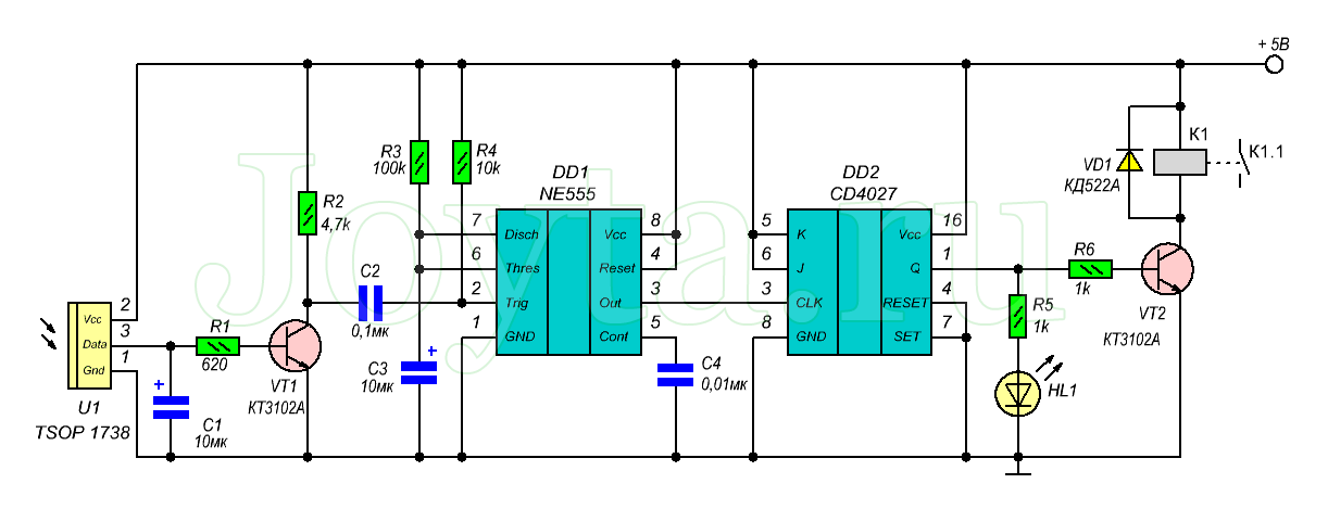
Дальность действия дистанционного выключателя составляет около 10 метров. В качестве датчика используется 3-контактный ИК- приемник (TSOP 1738 или его аналог), работающий на частоте 38 кГц. При обнаружении ИК-излучения, на выходе датчика появляется сигнал лог.0, который в свою очередь усиливается транзистором VT1.

С выхода транзистора VT1 усиленный сигнал запускает ждущий мультивибратор на таймере NE555 . Импульс с выход (3) таймера, имеющий длительность в 1 секунду, переключает JK-триггер, чей выход (1) через транзистор (VT2) управляет электромагнитным реле. С каждым новым сигналом от NE555, выход JK-триггера будет изменяться на противоположное состояние.
Светодиод HL1 используются для отображения состояния выходного каскада во время работы устройства. Схема запитана от стабилизатора напряжения 7805. Конденсатор С2 и резистор R4 предназначены для предотвращения ложного срабатывания таймера NE555.
Дистанционный выключатель света по хлопку
Вариант 1
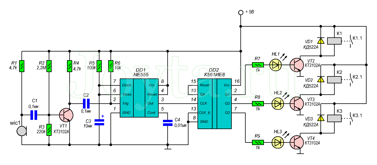
Эта схема дистанционного акустического выключателя предназначена для дистанционного включения / выключения света либо изменения скорости вращения напольного вентилятора. Особенность данного дистанционного выключателя в том, что управление нагрузкой происходит по звуковому сигналу (хлопку). Так же данная схема может быть востребована, в целях безопасности, для бесконтактного включения и выключения электроприборов в помещениях с повышенной влажностью.

Устройство имеет три канала управления, каждый из которых оснащен индикатором на светодиоде. Основу схемы акустического выключателя составляют две микросхемы: таймер NE555 и десятичный счетчик-делитель К561ИЕ8 (аналог CD4017)
Микросхема NE555 в данном случае подключена в режиме ждущего мультивибратора. При изменении сигнала на входе 2 таймера NE555, на его выходе 3 появляется одиночный импульс, после чего ждущий мультивибратор переходит в исходное состояние. С помощью формулы, приведенной ниже, можно длительность выходного импульса:
В то время, когда кто-то хлопает в ладоши, звуковой сигнал при помощи конденсаторного микрофона преобразуется в электрический. Затем этот сигнал поступает на базу транзистора VT1, который в свою очередь запускает ждущий мультивибратор на NE555.
Сигнал с выхода 3 таймера NE555 поступает на счетный вход (вывод 14) микросхемы К561ИЕ8. После получения сигнала тактовой частоты, счет начинается с нуля. С каждым новым входным сигналом (хлопком) происходит последовательное появление сигнала высокого уровня на выходах К561ИЕ8. (Подробное описание К561ИЕ8.)
Поскольку схема имеет три канала для управления, то следующий выход (вывод 10) подключены к выводу обнуления счетчика (вывод 15), и при появлении на выводе 10 лог.1 происходит сброс счетчика, в результате чего все три канала обнуляются и счет начинается снова.
При первом хлопке на вывод 2 будет лог.1 — загорится светодиод HL1 и включится реле К1, при следующем хлопке лог.1 появится уже на выводе 4 — загорится светодиод HL2 и включится реле К2, при этом на выводе 2 будет лог.0 и светодиод HL1 погаснет (реле К1 отключится) и так далее.
Вариант 2
Звуковой сигнал, принятый микрофоном, усиливается микрофонным усилителем на ОУ 741. С выхода ОУ сигнал поступает на вход десятичного счетчика К561ИЕ8, работа которого была описана в предыдущей схеме.

C помощью резистора R3 регулируют чувствительность ОУ 741. Резистор R1 устанавливает чувствительность микрофона. Резистор R4 предназначен для исключения ложных срабатываний счетчика К561ИЕ8. Свечение светодиода HL1 указывает на выключенное состояние нагрузки.
Дистанционный выключатель света на основе лазера
Эта простая схема дистанционного выключателя построена на таймере NE555. В качестве управляющего элемента использована лазерная указка. Эта схема была опробована в работе с расстояния 50 метров и показала хорошие результаты. По большому счету дальность действия зависит от мощности и качества самого лазера. Электрическая схема дистанционного выключателя:

Испытание акустического устройства
Акустический датчик включения и выключения света испытывается на вероятность активации от любых резких звуков и шумов, кроме хлопков. В качестве подопытного прибора рассмотрим выключатель Claps Max отечественного производства. Проверим, будет ли он срабатывать на звуки — от ударов молотка по доске, включённого гайковёрта, лобзика и болгарки, цоканья отвёртки по металлу. Такие звуки могут спровоцировать активацию устройства.
Видео: испытание акустического выключателя Claps Max
В нашем варианте устройство не сработало ни на звук от включённых электроинструментов, ни на стук молотка, ни на цоканье отвёртки. При этом оно продолжало отвечать на хлопки в ладоши. Это можно назвать отличным результатом.
Самостоятельную сборку и монтаж акустического (или хлопкового) выключателя следует производить с соблюдением норм техники безопасности. После испытания прибора на восприимчивость можно внести коррективы в его настройки.
Управлять освещением можно не только при помощи классических выключателей, но и используя специальные модули, которые позволяют дистанционно включать или выключать свет. Хлопковый выключатель света относится именно к таким устройствам, его можно купить в любом электрическом магазине и установить своими руками.
Виды звуковых выключателей
Акустические выключатели могут реагировать на голосовые команды и хлопки
Существуют следующие типы акустических выключателей:
- Приборы, реагирующие на хлопок. Заранее программируется, при каком количестве хлопков будет выполняться та или иная команда.
- Приборы, реагирующие на голос или заранее поставленную команду.
- Комбинированные устройства (например, светоакустический выключатель). В них могут устанавливаться звуковые, световые датчики или сенсоры движения. Это наиболее технологичные устройства, у которых риск ложного срабатывания максимально снижен.
- Устройства для слаботочных систем. Используются для подключения видеокамеры или передачи команды охране.
Акустические выключатели стали популярными благодаря удобству применения. Они полезны для пожилых людей, лежачих больных и маленьких детей. Приборы такого класса уже активно используются в системе «Умный дом».
Выключатель по хлопку с микроконтроллером
Микроконтроллер — это маленький кусочек кремния, покрытый пластиком и имеющий металлические выводы, который не выполняет никаких функций без программного обеспечения. Применение его в любой техничке делает её умной и предполагает использование в системе «Умный дом».
Отличие от стандартного звукового выключателя:
- уменьшенное время срабатывания до 100 микросекунд;
- возможности перепрограммирования, установки индивидуальных параметров;
- увеличенный радиус действия;
- возможность изменения порогового значения сигнала (для устранения помех и исключения реагирования на ложные команды);
- плавное изменение яркости освещения;
- меньшее количество составных частей;
- защита от замыкания.
Диммерный акустический выключатель
Оптико-акустический выключатель для скрытой проводки Диммирование – это регулировка нагрузки, которую потребляет прибор. С помощью диммеров можно плавно включать свет, регулировать яркости светодиодной лампы или лампочки накаливания. Не применяется для люминесцентной лампы. Также диммерные устройства могут применяться для регулировки температурного режима в утюгах, паяльниках, чайниках и других бытовых приборах.
Оптико-акустический выключатель нужен для диммерного включения электричества. Принцип работы микросхемы следующий:
- сигнал в виде звука попадает на микрофон;
- звук переводится в импульс;
- импульс отправляется на микроконтроллер и проходит через усилитель, заряжая конденсатор;
- достигается заряд большой величины, после чего переключается компаратор;
- ноль на выходе меняется на импульс;
- активируется транзитный генератор, который направляет импульсы;
- открывается симистор, через который проходит питание на светильник;
- конденсатор теряет уровень напряжения;
- на симистор подается сигнал с возрастающим фазовым замедлением;
- плавно включается свет.
Если правильно подобрать все номиналы компонентов, светильник выключается с паузой до 3 минут. Для работы диммера нужна лампа с мощностью не ниже 40 Вт. Напряжение на оптико-акустическом переключателе плавно изменяется в диапазоне от 0 до 220 В.
Преимущества:
- благодаря плавному включению увеличивается срок службы лампы;
- возможность создания освещения нужной яркости в определенном месте;
- возможность управления светом с помощью интеллектуальных систем.
К недостаткам можно отнести невозможность размыкать сеть в случае короткого замыкания и отсутствие защитной функции от перегрузок.
Как выбрать
Перед покупкой нужно заранее решить, с какой целью покупается акустический выключатель. Приборы для домашнего использования, для гаража, подъезда или улицы разные, так как в каждых условиях свой уровень внешнего шума. Неправильный выбор приведет к тому, что устройство либо не будет срабатывать, либо будет реагировать на любой звук.
Хлопковые выключатели можно установить на 4 прибора. Например, за включение света будет отвечать один хлопок, за вентилятор – два, и так далее. Хлопки нужно делать подряд.
Для люстр с большим числом ламп можно купить переключатель с несколькими кнопками. Такие приборы имеют несколько каналов, и их можно подключить к определенной группе источников света.
Как собрать?
Чтобы изготовить чудо-техники самостоятельно, необходимы навыки и знания:
- по чтению простейших электрических схем;
- опыт работы с паяльником;
- умение разбираться в электрорадиодеталях;
- практика в изготовлении печатных плат.
Выключатель будет функционировать от напряжения 9 вольт. В качестве источника питания подойдёт прямоугольная батарейка, но её можно заменить аккумулятором. При использовании понижающего трансформатора или DC–DC преобразователя можно работать от сети 220 Вт.
СоветЕсли нет навыков или квалификации, лучше не пытаться сделать его самостоятельно. Для таких людей предусмотрен огромный выбор готовых вариантов.
Список деталей
Резисторы:
- R1– 10К;
- R2– 1M;
- R3– 22К;
- R5– 2К;
- R6– 1,8К;
- R7– 330 Ом;
- R8– 1,5K.
Транзисторы:
- VT1– KT315;
- VT2– RT315;
- V3– 3107 (DC557).
Конденсаторы:
- С1– 2200 пФ;
- C2– 1 мкФ*10В.
Диод — VD1– 1N.
Разное:
- M1- микросхема электрическая;
- HL1– светодиод или реле;
- контактная колодка.
ВниманиеЕсли в качестве нагрузки будет использоваться реле, то резистор R8 необходимо поменять на 2 Ом
Изготовление печатной платы
Объяснять подробно как изготовить печатную плату я не буду, так как это займет много времени. Файл печатной платы открывается с помощью программы sprint-layout 6.0:sprint-layout-6.zip (скачиваний: 697) В схеме используется диод VD1, он нужен для защиты транзистора VT3 от ЭДС катушки реле. Если вы будете подключать в качестве нагрузки реле, то диод нужно поставить, если будет использоваться лёгкая нагрузка, то вместо него можно поставить перемычку.После изготовления платы, во избежании окисления, пролудите порожки оловом. Откройте программу sprint-layout 6.0 и припаяйте все детали на ней, согласно расположению. Если всё сделано правильно, детали и номиналы не перепутаны, то устройство должно заработать сразу без каких либо проблем. Вот так выглядит собранный акустический выключатель.И ещё одно фото с подключённый батареей и светодиодом на нагрузке.Хотелось бы сказать об одной проблеме которая может возникнуть. В схеме стоит резистор R8 на 1.5 кОм, если вы будете использовать в качестве нагрузки светодиод то его можно оставить, если планируете устанавливать реле, то замените резистор на 2 Ом. Больше проблем возникнуть не должно ))В итоге получился не дорогой но очень эффективный и полезный прибор, который обязательно найдет своё применение в хозяйстве! ))
Плюсы и минусы

Важнейшим преимуществом звукового переключателя перед классическими является простота и удобство использования. Пользователю не нужно думать, куда установить выключатель.
Основные преимущества:
- работают с любыми электроприборами или источниками света;
- возможность включить и выключить бытовой прибор или свет, находясь в любой точке комнаты;
- отсутствие лишних проводов;
- надежность и длительный срок службы;
- бесшумность;
- безопасность.
Недостатки:
- Современные датчики умеют распознавать звук, который нужен для включения и выключения. Пользователю нужно точно знать, на какой именно сигнал отреагирует сенсор.
- Зона чувствительности ограничена. В большой по площади комнате придется хлопать громко или подходить ближе к сенсору. Если увеличить чувствительность, датчик может ложно среагировать на аналогичные звуки.
В корпусе на транзисторах
Выключатель в корпусе на транзисторах размещается в пластиковой коробке со степенью защиты от пыли и влаги ≥ IP30. Благодаря применению печатных плат с SMD-элементной базой,пьезоэлектрического датчика и твердотельного реле, размеры современного акустического выключателя в корпусе на транзисторах не превышают габаритов спичечного коробка.
Транзисторные устройства успешно локализуются в слаботочные сети (сигнализации, видеонаблюдения и т.п.).
Без корпуса
Применение изделия без корпуса оправдано в случае, если пользователь собирается встраивать изделие в корпус какого-то электроприбора. Например, предполагает закрепить печатную плату с компонентами и акустическим датчиком под кожухом кондиционера или в подставке вентилятора. Открытая сборка компактнее и заметно дешевле, чем девайс в корпусе.
Выключатели и светильники «вилка-розетка»
Выключатель типа «вилка-розетка» представляет съемное электроустановочное изделие в пластмассовом корпусе с входной вилкой для включения в сеть. Изделие оснащается 1-3 выходными розетками для подключения торшеров, бра, сложной бытовой техники, аппаратуры, гаджетов и других энергопотребителей. Изделие является переходником на пути следования электрического тока от сети 220 В к нагрузке, оснащенным платой управлением звуком.
Обыкновенная пристыковка выключателя типа «вилка-розетка» позволяет подсоединить модуль с акустическим датчиком без электромонтажных и установочных работ.
Очень просто вставить в стационарные розетки комнаты 1–4 выключателя и настроить на разных потребителей (или группы потребителей для устройств с выходами типа «двойник» или «тройник»). Например, 1-й выключатель будет подключать отключать сетевую розетку от 3 хлопков, 2-й сработает от 4, 3-й среагирует на 5 хлопков, 4-й будет управлять 6-ю хлопками в ладоши.
Встроенный в «вилку-розетку» акустический коммутатор срабатывает от хлопков в ладоши благодаря селективной фильтрации, выделяющей характерные звуки на фоне шумов.
Отличия между хлопковым и звуковым (голосовым) выключателем
Голосовые управляющие устройства сложнее переключателей «хлопкового» типа. В них задействованы специальные активные фильтры на микросхемах, выполняющие функции декодера команд. Они распознают последовательность гласных звуков определенной частоты и длительности, игнорируя акустические помехи.





































