Печки для бани из металла
Металлические печи для бани принято делить на два типа – чугунные и стальные сварные.
Чугунные печи для бани
Чугунные печи для бани можно только купить. Тем не менее для них можно самостоятельно сделать много дополнительных элементов. К примеру, печи для бани с баком для воды не всегда имеются в продаже. Бак можно сделать и самому, и прислонить к стенке печи.
Главное, чтобы это не была стенка топки или каменки – в этом случае камни будут плохо греться. Вода быстро нагреется, и будет иметь температуру от 60 до 90 градусов. Вполне достаточно для комфортного мытья. Подробнее про бак для чугунной печки будет рассказано .
Чаще всего печи из металла твердотопливные. Они используют для создания тепла уголь или дрова, реже – торфяные брикеты.
Дровяные печи для бани не требуют каких-то специальных устройств в топке, если используются не очень часто. А вот для угля металлическая топка не подойдёт – её нужно футеровать огнеупорным кирпичом.
Будет лучше, если в любом случае железная печь для бани имеет футерованную топку. Это продлит срок её службы.
Стальные печи для бани
Банные печи своими руками из металла можно сделать только сварными. Это значит, что вам потребуется как минимум сварочный аппарат, а лучше – умение выполнять сварные работы. Если вы не обладаете этими навыками – можно пригласить сварщика.
Также вам будет необходим материал. Наилучшим вариантом для печей будет котельное железо толщиной от 5 до 10 мм. Железо меньшей толщины использовать не рекомендуется – печь быстро придёт в негодность, сначала топка, затем – обороты и дымоход.
Посредственное качество сварки – главный дефект, которым могут обладать металлические печи. Своими руками редко кто сможет выполнить сварку нормально, желательно обратиться к специалисту подходящей квалификации.
Если получилось сварить печь – попробуйте сварить бак. Он не должен иметь течей. Бак обязательно снабжают отверстием с крышкой наверху для заливки воды и краником внизу. Отверстие должно быть удобным, чтобы через него прочищать бак. Крышка должна плотно прилегать.
Краник должен стоять так, чтобы сливать по возможности больше воды из бака, то есть ввод должен быть как можно ниже. Краник также желательно делать съёмным, для возможности чистки. То есть в бак вставляется только штуцер, к которому прикручивают краник. Удобнее всего использовать шаровый кран.
Металлические банные печи могут иметь горячую наружную поверхность. Касание такой печи приведёт к ожогу. Обязательно надо ставить защитный экран из кирпича, который предохранит людей в бане от касания печи. Или просто расположить печь так, чтобы в парную выходила только каменка – но в этом случае будет страдать нагрев, печь не будет отдавать тепло в помещение, если в него не выходят её поверхности.
Дымоход для банной печи из металла также обычно металлический. Его можно делать из труб, сварным. Но при начале топки, особенно в холодной бане, печка будет плохо дымить и разгораться. Разумнее всего делать дымоход из системы сэндвич-труб. Такие системы имеются в продаже. Если же купить их не удастся, вначале прогрейте дымоход, сжигая лучинки в печи в течение не менее получаса, и только затем начинайте топить печь как положено.
Способы нагрева
Оперативный нагрев воды в бане организуется обычно одним из следующих способов:
- использование дровяного котла;
- установка колонки, работающей на газу и обеспечивающей быстрый подогрев водной массы;
- применение электронагревателей типа ТЭНа;
- нагрев в специальной емкости, монтируемой либо вплотную к печи, либо в канале дымохода;
- обустройство специального агрегата, действующего по принципу теплообменника.

Известен еще один способ, которым удается нагревать воду в пределах бани, называемый комбинированным. Он заключается в совместном использовании основного отопительного котла и вспомогательных устройств типа ТЭНа.

Несмотря на известное разнообразие способов нагревания воды в бане, наибольшей популярностью пользуются только первые три. Рассмотрим каждый из них более подробно.
Металлическая банная печь

Металлическая банная печь, обложенная кирпичом для сохранения тепла
Сварить печку для бани своими руками из металла по чертежам — самый простой способ сэкономить на оборудовании парной. Конструкцию продумывают самостоятельно или адаптируют размеры к подробным чертежам, которые легко найти в интернете. Изготавливают варианты с навесными или встроенными баками, всё зависит от квалификации и навыков хозяина в сварочных работах.
Конструкции печей из железа похожи и состоят из следующих основных элементов:
- топки с дверцами для закладки дров и поддувала, колосника;
- каменки — места, где будут уложены камни-аккумуляторы тепла;
- бака для воды, теплообменника в разнесённых системах.
Для ускорения работы заранее готовят инструмент и материалы.
Из инструментов для работы понадобятся:
- сварочный аппарат, маска, электроды;
- углошлифовальная машинка (болгарка) с отрезными и зачистными кругами, дрель с набором свёрл;
- рулетка или метр, стальной уголок-шаблон;
- карандаш или чертилка для нанесения разметки.
Работы упрощаются, если в арсенале мастера присутствует уголок, оснащённый магнитами — точность работы становится выше, высвобождается одна рука, так как заготовки надёжно соединяются под нужным углом перед прихватыванием.
Материал для печи приобретают на строительных базах, но выгоднее посетить пункты приёмки металла — там всегда можно найти необходимые по размерам заготовки.

Можно сварить из металлических листов своими руками
Понадобятся:
- стальной лист от 3 мм для стенок и дна печи, водяного бака;
- железный лист от 8 мм для верхней крышки (дна бака);
- чугунный колосник или стальная арматура диаметром от 16 мм, если тоньше, то её быстро поведёт;
- труба от 100 мм для дымохода;
- кран слива воды из бака;
- стальной лист для защиты пола;
- готовая разделка для трубы.
Чтобы сделать печь красивой, можно приобрести кованые фигурные изделия, которые приваривают к наружным стенкам.
Последовательность изготовления

Чертеж печи из металла
Чертёж банной печи из металла с точными размерами можно адаптировать под собственные нужды. Достаточно пропорционально уменьшить или увеличить размеры каждой детали.
Алгоритм изготовления печи со встроенным баком:
Размечают металл по необходимым размерам
Для проведения отметок используют самодельные чертилки из стальной проволоки или покупные метчики.
Резы проводят болгаркой, края зачищают.
Изготавливают корпус, обращают внимание на герметичность швов — утекающий угарный газ ядовит, а дым делает нахождение в парной неприятным. Крышку не делают.
Приваривают держатели для колосника, при необходимости наваривают стальные пластины между топкой и поддувалом, чтобы уменьшить зазоры, в которые проваливаются крупные несгоревшие куски топлива.
Изготавливают бак
Дно надо сделать из стали толщиной 8 мм, чтобы оно быстро не прогорело. Размер должен соответствовать размерам крышки печи. Проверяют герметичность швов, при необходимости заваривают обнаруженную течь.
Приваривают бак на место верхней крышки корпуса печи.
Вырезают дверцы топки и поддувала. Приваривают их к корпусу на петли.
Трубу дымохода выводят через заднюю стенку. Можно применить схему, когда трубу пропускают внутри водяного бака. Для этого потребуется вырезать отверстие в толстом металле, что непросто.
Устанавливают печь на место и подсоединяют дымоход. Метровый участок от печи изготавливают из трубы с толщиной стенки от 3,5 мм. Тонкий металл раскаляется докрасна и быстро прогорает.
Проводят пробную топку, устраняют места утечки дыма.
Если пробная топка прошла успешно, пользуются печью в штатном режиме.
Покупной дровяной агрегат
Водонагревательная колонка на дровах (ее еще называют дровяным бойлером или титаном) по своей конструкции достаточно проста. Она представляет собой нагревательный агрегат, изготовленный на основе металлического бачка, монтируемого непосредственно в печке.
Конструкция дровяного бойлера предусматривает наличие системы патрубков и смесителя, позволяющего нагревать воду до комфортной температуры.

Однако (несмотря на их универсальность) важнейшее условие эффективности таких систем – это уже упоминавшееся ранее постоянство подачи воды в бойлер. Принцип нагрева в этих агрегатах достаточно прост: при поступлении холодных водных масс в накопительную емкость они вытесняют горячую воду, создавая повышенное давление в котле.

После того как они нагреваются от расположенной вплотную к резервуару котельной топки, процесс циркуляции повторяется по той же схеме.
Независимо от того, каким будет водоизмещение используемого бойлера, его вполне можно считать компактными. Последнее объясняется тем, что по своей форме он напоминает вытянутый вертикально плоский ящик, занимающий совсем немного места в стандартном моечном помещении.

Рассматриваемая в этом разделе система нагрева воды в бане может иметь следующие исполнения:
- со встроенной во внутренние пространства агрегата топочной камерой;
- с раздельно устанавливаемой топкой (с внешним подогревом);
- в варианте, предполагающем применение резервного нагрева от ТЭНа.
Оборудование, выполненное по перечисленным выше схемам, широко представлено на отечественном рынке и может быть приобретено по вполне приемлемой цене.
Чертежи самодельных стальных печей для бани
Рассмотрим вариант печи, которая будет актуальна для парилки объемом 2×3×2,3 м. Для ее конструкции используются листы стали толщиной 3 мм.
Для запуска процесса горения конструкцией предусмотрен дополнительный воздуховод, который берет свое начало с улицы. Чтобы во время нагрева сталь не изгибалась, вверху топки к бокам приваливают ребра жесткости в виде уголков.
Рассмотрим еще одну схему, по которой можно изготовить металлические банные печи своими руками. Это модели с забором воздуха из верхней части топки. Их еще именуют печами с дожиганием газов. На задней стенке к ней приварена стальная платина. В печь воздух поступает из-под колосников, и подается через воздуховоды, идущие в щель между этой пластиной и задней стенкой топки.
Такая интересная конструкция справляется одновременно с двумя задачами: производит охлаждение задней стенки, не давая ей прогорать, а также подается воздух уже прогретым в верхнюю часть, где сконцентрированы очень горячие газы в виде дыма. 80 % их объема являются горючими. В случае необходимости, понадобится узнать, почему дымит печка в бане, и как это исправить.
После смешения с воздухом происходит их воспламенение, что приводит к повышению температуры в топке и прогреву камней до более высоких показателей. Если при этом используются сухие дрова в качестве топлива, то их потребуется значительно меньше. На таком принципе работы построено немало печей продолжительного горения, но для банных печей он стал применяться лишь недавно. Существует и схожая модель без дожига. Изучив ее чертеж можно лучше понять пропорции и размещение разных элементов.
Данная конструкция предполагает построение топки с объемом на 30 % больше, чем каменка. Соотношение можно считать приемлемым. Дымоход располагается со смещением назад, что иногда вызывает сложности при его установке – ему может мешать потолочная балка. При этом может понадобиться произвести изгибание дымохода, что не приветствуется.
Кроме того, перед тем как сделать печь для бани, следует определиться, нужен ли в парной бак для подогрева воды. Некоторые подстраивают уровень влажности, открывая и закрывая крышку бака. Другие специалисты утверждают, что таким образом вырабатывается тяжелый пар, поэтому они советуют устанавливать бак в моечной комнате, а прогрев воды производят посредством вмонтированного в топку теплообменника, соединенного трубами с баком.
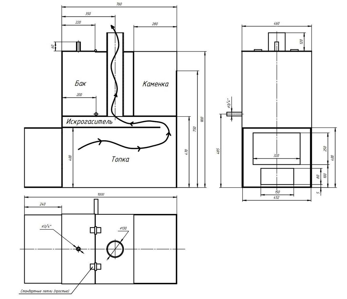
Теперь рассмотрим схему металлической печи с баком для воды. Конструкция считается довольно грамотно проработанной. Благодаря искрогасителю дым проходит немного большее расстояние, тем самым лучше прогревая стенки топки. Вместо бака, конечно же, можно уложить камни.
Стоит рассмотреть вариант установки бака сзади печи. Дымоход смещен назад, проходя сквозь бак. Из-за большой высоты бака будет эффективная теплоотдача, следовательно – дымоход не будет перегреваться при выходе из него.
Плюсы и минусы трубной конструкции
Современные банные печи трудно представить себе сложенными из кирпича. Металлические конструкции выгодно отличаются небольшим весом, компактными габаритами и удобством установки.
К главным преимуществам металлического корпуса можно отнести:
- Минимальное количество сварных соединений. Хорошую печь можно изготовить из трубы диаметром около 0,5 м. При этом конструкция способна выдержать воздействие высоких температур.
- Приемлемый вес. Периодически люба печь требует покрытия поверхности от ржавчины. Большим плюсом будет возможность вынести её из парилки на свежий воздух.
- Низкая стоимость. Еще один важный аспект. В различных строительных организациях есть возможность найти даже трубы б/у, которые могут прослужить вам не один год.
- Простота изготовления. Не нужно быть специалистом высокого уровня, чтобы сделать трубную печь. Найти заготовку, значит, сделать 80% работы.
- Надежность. Подобные трубы давно применяются в промышленном строительстве.
- Впишутся в любой интерьер помещения. Не нужно отводить им определенное место. Благодаря форме, такие печи можно легко установить хоть в вертикальном, так и в горизонтальном виде.
Плюсы и минусы печей из металла
Баня должна поддерживать температурный режим от +50 градусов. С этой целью рекомендуется устанавливать самодельные печи для бани из металла. В их использовании есть следующие плюсы:
- малогабаритные конструкции, что актуально для небольших помещений;
- нельзя задохнуться, так как такая железная «самоделка» выводит продукты горения через дымоходную трубу;
Металлические печи различных габаритов и типов
- за счет высокого коэффициента теплоотдачи происходит быстрый прогрев парного помещения. В среднем около 1,5 часа;
- срок годности, напрямую зависящий от качества выполненной работы и материалов;
- отсутствие задымленности при растопке бани сырой древесиной;
- невысокая себестоимость.
У таких самодельных металлических печей есть и некоторые минусы:
- малые габариты конструкции исключают использование в просторных банных помещениях;
- быстрый период остывания. Чтобы печь грела, тепло необходимо постоянно поддерживать;
- высокая вероятность воспламенения расположенных рядом со стенками конструкции предметов.
Варианты сварных отопительных устройств
Думая о том, как самому сварить печь для бани, нужно вначале решить вопрос о том, какое будет использоваться топливо.
В отопительных металлоконструкциях применяется:
- дрова, паллеты, уголь и/или брикеты, т. е. твердое топливо;
- керосин и/или солярку, бензин с низким октановым числом (так называемый тяжелый);
- электроэнергия;
- природный газ.

Считаетеся,что печь лучше всего топить при помощи дров, они передают специфический банный аромат
Бензин и керосин имеют очень неприятный запах, поэтому их нежелательно использовать для топки печи в бане
Перед тем как сварить железную печь в баню, которая будет функционировать за счет электричества, следует подумать о дороговизне подобного устройства. Электропечь требует бережного обращения, качественной проводки, тщательной изоляции всех проводов и соединений. Это намного увеличивает себестоимость и сложность проведения монтажных работ. Расход энергии во время эксплуатации печи высокий. Цены на электричество постоянно растут.

Электрическая печь в бане считается наиболее дорогим вариантом прогрева парилки
Топливо для газовой печи поставляется в баллонах или по специальной отводящей трубе. Ее подсоединяют к центральной магистрали. Газ создает высокую опасность взрыва или непроизвольного возгорания. Об этом следует основательно подумать, решая вопрос о том, какую печь сварить в баню.

Газовые печи в бане также являются недорогим вариантом для прогрева парилки, но очень взрывоопасным
Выбор формы
Многим покажется такой параметр несущественным. На самом деле конфигурация влияет на производительность оборудования и удобство при его использовании в процессе эксплуатации. Печной агрегат бывает:
- цилиндрическим;
- горизонтальным;
- фигурным;
- прямоугольным.
Последний вид наиболее распространенный и удобный в использовании. При такой конфигурации у печи есть угловые зоны, которые подвержены минимальному накалу. Именно поэтому многие считают, что в прямоугольной конструкции наилучшим образом сохраняется каркас печи.
Форма также влияет на равномерность нагревания как самой конструкции, так и отапливаемого помещения. При максимальном нагревании одного элемента оборудования происходит уменьшение разогрева другого. Это, в свою очередь, обеспечивает равномерность обогрева помещения, постоянный баланс тепловых потоков.
Правильный нагрев конструкции влияет на ее механическую устойчивость. Круглая или цилиндрическая печь характеризуется низкой степенью, поэтому для нее делают более плотные стенки. Прямоугольная печь считается устойчивой, так как у нее имеются холодные углы.

Как залить фундамент
Когда выбрано место, где сварить печь для бани, можно приступать к работе. Вначале необходимо залить фундамент.
Из досок и другого подходящего материала выстраивается опалубка. Затем бетонный раствор замешивается строительным миксером из песка и цемента. Можно использовать готовую смесь, добавив в нее воду согласно инструкции.
Размер фундамента зависит от габаритов будущей печи. Его делают больше минимум на 5 см. Готовый раствор заливается внутри опалубки на высоту от 25 до 40 см. Поверхность выравнивается. Пузырьки воздуха удаляются жесткой щеткой.
После технологического застывания бетона необходимо выложить кирпичную кладку в 1 или 2 ряда. Раствор используется только глиняный, кирпич — огнеупорный и/или красный.
Высота кирпичного основания — от 15 до 20 см над уровнем чистового пола. Площадь немного превышает планируемые габариты будущей печи.
Штукатурим кирпичные печи
Когда кирпич высохнет, его нужно будет отштукатурить. Для этого можно использовать раствор, состоящий из песка и глины. Песок просеивается, в раствор добавляется стекловолокно. До того, как проводить дальнейшие работы, поверхность печки потребуется тщательно подготовить:
- остатки раствора и пыли отчищаются;
- стенки смачиваются водой.
Дальше нужно по одному слою наносить получившийся раствор на стенки печки. Каждый слой должен успевать высохнуть.
Итак, кирпичная печь с баком для воды может быть построена самостоятельно
Не важно, если вы не профессионал в данном деле. Если будете пользоваться инструкцией, то великолепная печь будет сложена очень быстро
Также вряд ли для вас составит сложность поставить бак для воды.
Особенности самодельной печи из трубы
Конструкция каменки включает в себя следующие элементы:
- топку;
- предназначенную для камней емкость, которая может быть расположена как внутри, так и снаружи корпуса;
- дымоходную трубу;
- камеру для сбора золы;
- водонагревательный бак, который может быть частью корпуса или располагаться над камерой с камнями.
Камеры между собой отделяются решетками-колосниками.
Достоинства
Печи для бани из трубы являются не единственным вариантом, который можно выполнить своими руками. Но они имеют ряд неоспоримых достоинств:
- Большая толщина стенок имеет отличную теплоемкость, что позволяет сохранять тепло в парной даже после сгорания топлива.
- Металл, из которого изготовлены трубы, обладает механической прочностью и выдерживает значительные перепады температур.
- За счет круглого сечения трубы топочное отделение конструкции получается куполообразной или цилиндрической формы. Это способствует максимально эффективному распределению тепла и созданию естественной тяги.
- С помощью выполненной из трубы самодельной каменки, помещение прогреется за 40–60 минут.
- Конструкция из металла, в отличие от кирпичной печи, не нуждается в возведении фундамента.
- Под воздействием температурной и водной коррозии толстостенная труба разрушается не так быстро, поэтому выполненная из нее печь при грамотной эксплуатации прослужит не один десяток лет.
- Собрать металлическую каменку можно самостоятельно. Для этого нужно только иметь небольшие навыки обращения со сварочным аппаратом и инструментами по металлу.
Больших затрат закупка материалов для изготовления самодельной печи не требует. А если в хозяйстве найдется подходящий кусок трубы, банная каменка обойдется практически бесплатно.
Отличия печей из металла для бани и сауны
Парилки в бане и сауне значительно отличаются между собой. Сауна сопровождается высокой температурой – свыше 85 ºС. Такие показатели делают невозможным сильно увеличивать еще и влажность, так как неминуемо получение ожогов кожи. При этом веник в таких условиях осыпается всего за 5 минут. Поэтому влажность доводят до 5-15 %. Русская баня отличается температурой в районе 55-65 ºС, что дает возможность поднять относительную влажность до 50-60%.
Для создания тех или иных условий в парной используются разные печи, а также применяются разные подходы к их установке. Если обустраивается сауна, то понадобится соблюсти максимальную площадь контакта корпуса печи с воздухом и обеспечить быструю циркуляцию воздушных потоков вдоль стенок. Достаточно часто походная баня с печкой делается самостоятельно.

Все сводится к тому, чтобы нагреть воздух в парилке как можно скорее. Небольшая открытая каменка, располагаясь над топкой, способна прогреть камни до 200-250 ºС. Она дает возможность получить немного пара – как правило, для сауны этого достаточно, потому что нужно добиться всего 15 % влажности.
Изготовление печи согласно чертежу печки для бани
Процесс изготовления печи делится на такие этапы:
- монтаж топки и каменки;
- изготовление бака для нагрева;
- сооружение и установка дымохода.
Этап 1: Изготовление топки и каменки
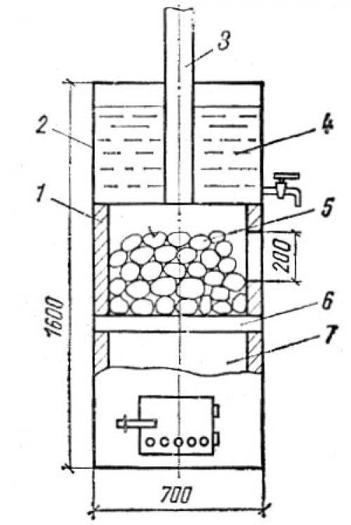
Сначала нужно разрезать при помощи болгарки металлическую трубу на две части. Первая часть должна быть 90 см, она пойдёт для каменки и топки, а вторая часть размером – 80–90 см пойдёт на бак нагрева воды.
Внизу первой части трубы нужно прорезать окошко размером в 20*5 см – это для поддувала. Во внутренней части этой же трубы, немного выше поддувала, нужно приварить кронштейны под колосник. Далее, немного выше колосника следует проделать окошко для топки размером – 20*25 см. К одной из сторон отверстия для топки необходимо приварить петли и повесить на них дверки.
Далее, следует расположить каменку, которая будет находиться над топкой. На дне топки необходимо расположить колосник. Также вместо колосника можно соорудить решётку внутри каменки. Но следует помнить, что размеры ячеек решётки должны быть меньше чем камни, которыми будет заполняться печь, чтобы они не проваливались.
Далее, в каменке нужно проделать окошко для залива воды. Его лучше расположить с противоположной стороны от топки и тоже приделать дверцу. Сверху над решёткой или колосником нужно расположить трубу дымохода и заложить камни.
К верхней части трубы, где находится каменка и топка, нужно приварить металлический круг с отверстием, в которое будет проходить ещё одна труба. Сварочные швы должны быть водонепроницаемыми, потому что сверху будет установлен бак с водой.
Этап 2: Бак для нагрева
К нижней части второго отрезка трубы нужно приварить кран. Далее, эту трубу крепят с помощью сварки к каменке
Очень важно делать идеальный сварочный шов, ведь он не должен пропускать воду. На бак, сверху, нужно приварить крышку, которая должна состоять из двух половин
Первая половина крышки приваривается, а ко второй приделывают петли, она будет служить в качестве дверцы.
Этап 3: Дымоход
Самым лучшим вариантом крепления дымохода считается вне печи. Его нужно будет обмотать термостойким материалом. Также существуют варианты изоляции трубы кирпичом
Очень важно знать, что печь из металла в бане очень сильно нагревается и может стать очагом пожара. Поэтому в местах прохождения дымохода через потолок или стену в бане, нужно соорудить соответственную изоляцию
Стены, которые находятся поблизости печи тоже нужно обшить изоляцией в виде металлических листов. А лучше всего после установки металлической печи в бане обложить её кирпичом, что значительно снизит вероятность непредвиденного воспламенения.
Кладка печи
Печь-каменка с баком для воды
Перед началом делают правильный проект печи для бани своими руками из кирпича, чертежи которой можно взять из интернета. Обязательно делают разрез и пошаговый план каждого ряда. При кладке проверяют прямоугольность, горизонтальность, вертикальность, по инструкции соблюдают правило перевязки элементов.
Ставят печь у стены, где проходят дымовые каналы. Возле наружной стены с окнами отопительный агрегат не выкладывают, чтобы не закрывать поступление света. Подготовка заключается в нанесении разметки на полу, выкапывании ямы под основание печи.
Фундамент
Кирпичная печка отличается массивностью и большим весом, поэтому строят фундамент. Основание заглубляют в почву не меньше 0,5 м, чтобы конструкция не наклонялась и не проседала при увлажнении и замерзании земли.
Размер фундамента больше печи на 10 см с каждой стороны. Между фундаментами печки и несущей стены дома оставляют зазор не менее 5 см, который заделывают песком.
Выбирают бутобетонную или бетонную основу, в сухой почве кладут из керамического кирпича на цементно-песчаном растворе. Поверхность фундамента равняют аналогичным раствором, покрывают рулонной изоляцией в 2–3 слоя на мастике.
Кладка основания

Основание печи
Прокладывают асбестовый лист на растворе из глины, сверху устанавливают металл. Первый ряд кладут насухо, проверяют размеры и расположение швов. После этого кирпичи ставят на раствор, сначала угловые, затем по шнурку — рядовые элементы. Толщина стены (в ¼, ½, 1 кирпич) зависти от конструкции печки.
Подготовка глины
Лучше подходит перемерзлая глина, которая зиму была под открытым небом. Глину предварительно размачивают в дождевой воде, срок — 2–3 суток. Для этого используют ящики из дерева, оббитые внутри железом.
Кладка зольника и топки

Решетка располагается ниже дверцы
Размеры камеры выбирают в зависимости от кубатуры одной загрузки топлива. Топка соединяется с зольником колосниками. Решетку ставят ниже дверки, чтобы не выпадали горящие элементы при открывании.
Топливник делают с наклонными стенками, чтобы зола скатывалась по ним в поддувало. Между металлом и кирпичом делают промежуток 5 мм, чтобы топка не разрушилась при разном расширении материалов.
Кладка ходов каменки и установка бака для воды
Ряды кладут точно по чертежам порядовки, чтобы получить проходимые для дыма ходы. Газы могут пойти внутрь помещения, если не найдут выхода при ошибочном расположении прохода или тупике.
Котел устанавливают в соответствии с конструкцией, при внутреннем варианте используют двухслойную кладку, чтобы повысить теплоотдачу.
Дымоход

Дымоход из сэндвич-трубы
Используют внутренние каналы в стене или монтируют сэндвич-трубы с раструбными соединениями. Первый элемент стыкуют с выходом печного дымохода, остальные крепят хомутами к стенам.
В перекрытии делают отверстие так, чтобы труба не касалась деревянных конструкций. На дымоход надевают гильзу со слоем теплоизоляции. К кровле фиксируют, прикрывая место стыка юбкой из прорезиненного материала.
Штукатурка
Слой наносят толщиной около 15 мм. Перед работой печку протапливают, чтобы ускорить время высыхания. Поверхность смачивают водой, наносят всплошную первый пласт. Дожидаются схватывания, накладывают второй слой. Площадь затирают штукатурной теркой, чтобы выглядела ровной. После высыхания белят известью.
Выбор проекта для печи в баню
Самодельные каменки дизайнерскими изысками и стильным внешним видом не отличаются, но помещение парной объемом до 20 куб. метров отапливают качественно и быстро. По своей конструкции печи из трубы разделяются на два вида:
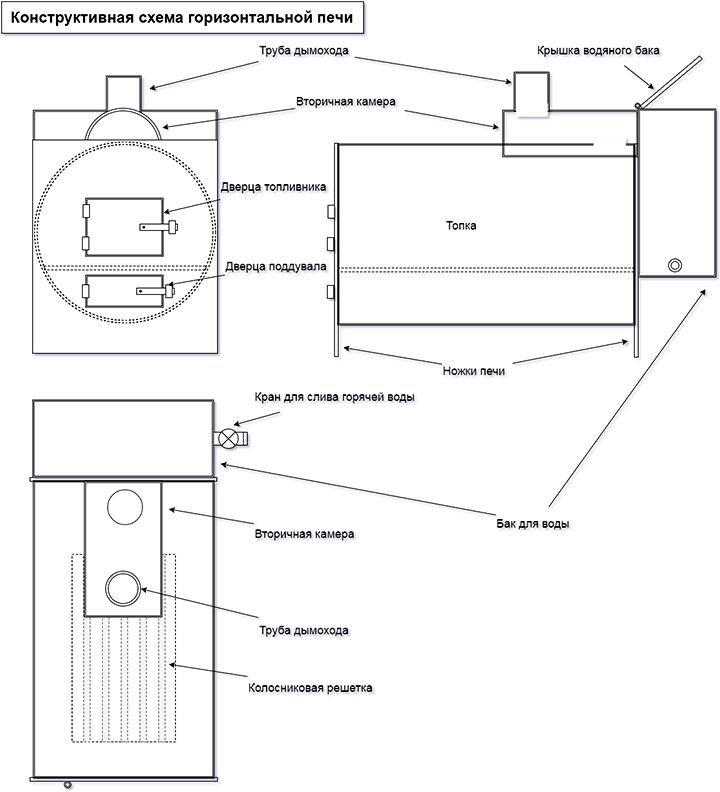
- Вертикальная банная печь их трубы 530. Конструкция похожа на обычную буржуйку, но, кроме отделения для топки, имеет еще водяной бак для нагрева воды и емкость для закладки камней. Это довольно компактная модель, которая занимает немного места, поэтому подойдет для небольших парных. В то же время главным ее недостатком является то, что поддувала и дверцы топки находятся в парной, а также она обладает меньшей тепловой эффективностью.
- Горизонтальная каменка. Конструкция также включает в себя бак для воды и емкость для камней, но при этом дверцы топки и поддувала можно вывести в соседнее помещение или на улицу. Горизонтальная печь из трубы занимает больше места, однако, благодаря большей длине топки и ее низкому расположению увеличивается площадь нагрева камней и улучшается теплообмен воздуха в парилке.
Выбор самодельной печи зависит от планировки и размеров парной, и от индивидуальных предпочтений владельца бани.
Повышение теплоемкости печи
Снизить потерю тепла и повысить скорость нагревания помещения поможет кирпичная облицовка. Кладка выполняется только на глиняный раствор с добавлением шамотной крошки или порошка. Пропорция — 2х2х1. Кирпич используется 65 мм.
Между кладкой и металлоконструкцией необходимо оставить технологический зазор шириной от 10 до 15 см. Дополнительно между кирпичами формируют верхнее и нижнее отверстие. Это обеспечит свободную циркуляцию воздуха и убережет железную печь от быстрого прогорания.
Минимальная высота кладки — 3 ряда кирпичей. Можно облицевать металлическую печь полностью. В этом случае на верхний край кладки крепится металлический уголок. На него впоследствии монтируется перекрытие.
Подготовка к работе
Не нужно специально придумывать, как сварить печь для бани, чертежи, можно найти здесь, они значительно облегчат задачу. Эти варианты многократно опробованы на практике, расчеты сделаны грамотно и точно. Достаточно найти подходящий вариант и точно следовать прилагаемой инструкции.
Все инструменты и стройматериалы необходимо приготовить заранее. Обязательно потребуется:
- сварочный аппарат;
- резервуар для бетонного раствора;
- мерная емкость;
- строительный миксер;
- рулетка, уровень, отвес, линейка;
- болгарка;
- шлифовальные и режущие круги;
- ножовка по металлу;
- пила;
- молоток;
- технический нож;
- набор шпателей;
- ветошь.

Перед сваркой печи в бане нужно подготовить необходимые инструменты и оборудование
Основные расходные материалы для создания банной печи:
- песок, цемент или готовая бетонная смесь;
- листовая сталь (толщина 0,8 см);
- металлические трубы диаметром 60 см и толщиной стенки не менее 8 мм;
- арматурный прут сечением не менее 1 см;
- колесные диски;
- кирпич или камень;
- деревянная доска.




































