Назначение оборудования и важность расчётов
Основное назначение распределительного щита – это защита домашней электросети от перегрузок, а самого помещения от пожара
Тут важно понимать, что проектирование и расчёты всех параметров необходимо провести с максимальной тщательностью.. Например, при неправильном расчёте поперечного сечения проводки и монтаже недостаточной величины, нагрузка на сеть может вызвать возгорание изоляционного слоя
Другая крайность – установка слишком мощных автоматов. В таком случае, электроприборы с высоким потреблением энергии могут вызвать выгорание розеток.
Например, при неправильном расчёте поперечного сечения проводки и монтаже недостаточной величины, нагрузка на сеть может вызвать возгорание изоляционного слоя. Другая крайность – установка слишком мощных автоматов. В таком случае, электроприборы с высоким потреблением энергии могут вызвать выгорание розеток.
Проводка большого сечения, не рассчитанного для конкретных условий, также оставляет сеть беззащитной. При скачке нагрузки, может не произойти защитных действий поскольку автоматические выключатели не успеют вовремя среагировать на критические показатели.

Примерная схема построения электрощитаИсточник ul-avesta.ru
Расчет количества модулей
Корпуса продаются с уже закрепленными в них DIN рейками, рассчитанными на заданное число приборов, которое указывается в наименовании изделия. Под этой характеристикой понимается количество элементов кратностью в один модуль (18 мм), свободно размещаемое на фиксирующей направляющей. Для определения их точного числа потребуется сложить размеры всех устанавливаемых изделий в модулях с учетом запаса на зазоры между ними (3-4 мм).
В описании некоторых шкафов упоминаются крепежные рейки с торцевыми заглушками, после снятия которых удается освободить еще одно посадочное место. При самостоятельной сборке число таких модулей лучше планировать с небольшим запасом. Если примерные выкладки дали цифру 66, бокс желательно выбирать на 72 модуля-места.
Подключение
В первую очередь необходимо подключить вводной автоматический предохранитель. Если он однополюсный – подвести фазу. Если двухполюсный – подвести и фазу, и ноль.
Для удобства дальнейшего монтажа фазы на вводной пакетник лучше заводить снизу.
- Все УЗО и пакетники объединить шинами «гребенка» или перемычками. Провод перемычки должен совпадать сечением с вводным проводом.
- Отходящие электропровода подключить к автоматам.
Ноль (N) всегда идет на автоматы и УЗО с нулевой шины. Фаза (L) – с вводного кабеля через перемычки или «гребенку».
Чтобы не запутаться при монтаже и подключении, выберите провода ноля, фазы и заземления в изоляции различного цвета. Чаще всего бывает:
- Ноль N – синий
- Фаза L – красный
- Заземление PE – желтый cзеленым пунктир
Следите за надежностью подключений, тщательно зажимайте болты на предохранителях и шинах.
- Подключить электросчетчик в соответствии с приложенной к нему схемой.
- Подать напряжение на щиток
- При помощи мультиметра проверить наличие напряжение на отходящих линиях и пакетниках
- Маркировать каждый автомат в соответствии с коммутационной схемой
- В случае, если корпус устройства не прозрачен, копию схемы следует прикрепить к дверце электрошкафа с внутренней стороны. Помимо соблюдений требования энергонадзора, это существенно облегчит профилактические и ремонтные работы распредщитка.
ВАЖНО! Не забудьте после проверки нагрузки на отходящих линиях отключить вводной автоматический предохранитель для безопасного завершения работ. Установка электрического щита в домовладении – дело несложное
Его вполне возможно сделать собственными руками. Главное – соблюдать правила техники безопасности, тщательно выполнять все предписания и не экономить на расходных материалах
Установка электрического щита в домовладении – дело несложное. Его вполне возможно сделать собственными руками. Главное – соблюдать правила техники безопасности, тщательно выполнять все предписания и не экономить на расходных материалах.
Следите за тем, чтобы сборка вашего распределительного электрощитка соответствовала всем требованиям ПУЭ. В противном случае, энергонадзор может не позволить подключения вашей дачи к электросетям или указать на какие-либо нарушения, наказуемые штрафом.
При сборке проверяйте жесткость крепления каждого из элементов. Не допускайте лишних пересечений проводов, а тем более – их ненадлежащих скруток. Правильная сборка функционала распредщита гарантирует безопасное подключение, безаварийную работу ваших бытовых приборов при различных типах нагрузок.
Скрупулезность и следование нормам – залог пожарной безопасности вашего жилища, а значит, и вашего комфорта и спокойствия.
В заключение предлагаем вам посмотреть видео, как своими руками осуществить монтаж и сборку уличного электрощита для дачи:
Основные термины и правила, о которых стоит помнить
Перед тем, как говорить о работах в щитке, напомним терминологию, без которой иногда трудно обойтись даже доморощенному электрику:
- Электрощитом считается устройство, при помощи которого обеспечивается подключение и учёт электроэнергии в отдельном участке сети.
- Распределительный щит обеспечивает раздачу питания в различные участки сети с общим учётом (или без такового), обеспечивая возможность отключения каждого отдельного участка без обесточивания остальных.
- Правильным электрощитом считается устройство, в котором можно обеспечить отключение, как всей цепи, так и любого отдельного участка при помощи автоматов защиты или рубильников.
- В отличие от распределительного щита, электрический силовой щит может не иметь возможности полного отключения от питания, если схема электрощита предусматривает защитную автоматику.
Проще говоря, электрический щиток – это ящик, в котором установлен счетчик энергии, рубильник, защитные автоматы, раздающие ток по группам потребителей (нагрузка), дополнительные устройства защиты (УЗО или дифавтоматы) и который удалось подключить к внешнему источнику питания (генерация, генератор).
Для понимания как собрать электрощит этого вполне достаточно, поэтому перейдём к практическим рекомендациям.
Первое правило электрика при сборке электрощитов – последовательность и системный подход. Не так уж важна эстетика, если всё сделано правильно, и щиток работает в режиме, при котором опасность возгорания или КЗ стремится к нулю. Другое дело аварийная ситуация за таким щитком. Согласитесь, профессионалу потребуется 5 минут на устранение аварии, нужно ли ставить его в тупик, чтобы он не один час потратил на то, чтобы разобраться что отключить?
Именно в этом заключается системное правило, которое гласит, что все подключения, вся электропроводка . должны быть интуитивно понятны и очевидны. Когда сборка электрощитов делается по правилам, любой электрик очень быстро (даже при отсутствии маркировки) может устранить неисправность, восстановив питание.
Перечислим эти нехитрые правила:
Соблюдение цветовой маркировки жил. Одноцветные провода это нейтральный и фаза, многоцветный – заземление. Обычно, фаза – это белый провод, нейтральный – синий. Категорически запрещено цветной провод, вроде жёлто-зелёного, использовать для соединений с напряжением;
Однотипность подключений – фаза снизу, нейтраль сверху, земля на отдельной шине;
Порядок подключений, а также коммутация, при которой вся схема электрощита видна наглядно без дополнительных рисунков
Пример такого щитка: Чем больше порядка в щитке, тем быстрее можно устранить проблему с отсутствием питания;
Ещё одно важное правило – силовые подключения необходимо монтировать сверху вниз. Иначе говоря, ввод питания делаем сверху, опуская вниз менее нагруженные участки
Такое подключение придумано не просто так, оно позволяет отключить щиток ударом топора;
И, наконец, подключение распределительного щита . или силового, делается как самая последняя операция. Все проверки участков цепи производятся по схеме временных включений, но входное питание подаётся в самую последнюю очередь. После того, как проверка всех коммутаций проверена.
Может показаться, что это давно надоевшие правила, без которых можно обойтись. Можно. Например, Автор этого щитка обошёлся без них. Но возникает вопрос, ранее заданный – сколько времени понадобится аварийной бригаде на то, что бы разобраться в том, что нужно отключить?
Принципы распределения потребителей электроэнергии по группам
Для удобства обслуживания, потребители распределяют на группы, каждая из которых отключается отдельным автоматом, устанавливаемым в электрический распределительный щиток.
В щитках по группам электрические сети делятся по разным критериям:
- По силе тока. Отдельным мощным автоматом отключаются электроплиты и электроотопление, и маломощным освещение. Это делается потому, что номинальный ток автоматического выключателя, к которому подключается плита, выше допустимого тока для кабеля, проложенного в сети для освещения. Поэтому этот автомат не сможет защитить данный провод.
- По направлениям. Электропроводка, идущая в разные части квартиры или в дом и гараж отключаются отдельными автоматами для удобства эксплуатации.
- По функциям. Розетки и освещение, внутреннее освещение и наружное, рабочее освещение и аварийное.
Watch this video on YouTube
Необходимо ли УЗО?
УЗО или дифференциальный автомат, устанавливается для защиты людей от поражения электрическим током.
Эти приборы работают по принципу сравнения токов в нулевом и фазном проводах. В исправной сети эти величины равны. При нарушении изоляции между частями электрооборудования, находящимися под напряжением и заземлённым корпусом или прикосновении к таким деталям человека, это равенство нарушается, что вызывает срабатывание защиты.
Отличаются такие приборы по току срабатывания и подключаются одно на весь дом или несколько, по одному в каждой части электросхемы.
Разница между УЗО и дифференциальным автоматом в том, что дифавтомат совмещает функции УЗО и автомата защиты. Он дороже, чем эти оба этих прибора вместе, но занимает в щитке меньше места.
Установка реле напряжения
Все бытовые электроприборы и электроника рассчитаны на напряжение 220В. Но при авариях в электросети — перегорании нулевого провода, замыкании между нулевым и фазным проводами и в других случаях, оно может возрастасти до 380В, что приводит к выходу аппаратуры из строя.
Падение напряжения ниже допустимых пределов также опасно — если телевизор или компьютер просто не включатся, то компрессор холодильника и кондиционера перегорит.
Для предотвращения подобных ситуаций устанавливается реле напряжения РН.
В отличие от УЗО, такое устройство необходимо только одно, с номинальным током не меньше, чем у вводного автомата.
Watch this video on YouTube
Как рассчитать количество мест в электрическом щите
В современные щитки аппаратура устанавливается на DIN-рейку. Это фигурная стальная, реже пластмассовая, планка, на которую устанавливаются автоматы и другие приборы. В основании этих устройств есть специальные пазы и защёлки, которыми они крепятся к рейке.
Ширина всех автоматов, УЗО и других устройств защиты, устанавливаемых на DIN-рейку, стандартная и измеряется в модулях. Размер одного модуля равен ширине однополюсного автомата.
Для определения количества мест в щитке необходимо:
- составить схему электрощита;
- по этой схеме написать список всего устанавливаемого оборудования с указанием ширины в модулях;
- посчитать общую ширину всех приборов.
Установка и подключение элементов
Все современные автоматы и УЗО имеют унифицированное крепление под стандартную монтажную рейку (DIN-рейку). На тыльной стороне у них имеется пластиковый упор, который защелкивается на планке. Ставите устройство на рейку, зацепив за нее выемкой на задней стенке, пальцем надавливаете на нижнюю часть. После щелчка элемент установлен. Осталось его подключить. Делают это по схеме. Соответствующие провода вставляют в клеммы и отверткой поджимают контакт, закручивая винт. Сильно его затягивать не нужно — можно передавить провод.
Работают при выключенном питании, все рубильники переведены в положение «выкл». Старайтесь не браться за провода двумя руками. Подключив несколько элементов, включают питание (рубильник ввода), затем по очереди включают установленные элементы, проверяя их на отсутствие КЗ (короткого замыкания).
Подключение входного автомата и УЗО
Фаза от ввода подается на входной автомат, с его выхода идет на соответствующий вход УЗО (ставьте перемычку медным проводом выбранного сечения). В некоторых схемах нулевой провод от вода подается напрямую на соответствующий вход УЗО, а уже с его выхода идет на шину. Фазный провод с выхода защитного устройства подключается к соединительной гребенке автоматов.
В современных схемах входной автомат ставят двухполюсный: он должен одновременно отключать оба провода (фазу и ноль), чтобы в случае неисправности полностью обесточить сеть: так безопаснее и таковы последние требования по электробезопасности. Тогда схема включения УЗО и выглядит так, как на фото ниже.
При использовании двухполюсного входного автомата
Об установке УЗО на DIN-рейку смотрите видео.
В любой схеме провод защитного заземления подключается на свою шину, куда заводятся аналогичные проводники от электроприборов
Наличие заземления — признак безопасной сети и делать его жизненно важно. В прямом смысле
О том, как правильно подключить УЗО, смотрите видео-урок.
При самостоятельной сборке щитка учтите, что входной автомат и счетчик будут опечатываться энергопоставляющей организацией. Если на счетчике есть специальный винт, на который цепляют пломбу, то входной автомат таких приспособлений не имеет. Если не будет возможности его опломбировать, вам или откажут в пуске, или опломбируют полностью весь щиток. Потому внутри общего щитка ставят бокс на одно-два места (зависит от размеров и типа автомата), а в нем крепят входной автомат. Этот бокс при приемке опечатывают.
Индивидуальные автоматы устанавливаются на рейки точно как УЗО: прижимаются к рейке до щелчка. В зависимости от типа автомата (на один или два полюса — провода) к ним подключаются соответствующие провода. Какие бывают автоматы, и чем отличаются устройства для одно и трех- фазной сети, смотрите в видео, выбор номинала автомата защиты описан тут.
После того, как необходимое количество устройств установлены на монтажной рейке, их входы соединяют. Как говорили раньше, это можно сделать перемычками из провода или специальной соединительной гребенкой. Как выглядят соединение проводами смотрите на фото.
Автоматы в одной группе соединяют перемычками: фаза приходит общая
Есть два способа сделать перемычки:
- Нарезать проводники нужных отрезков, оголить их края и согнуть дугой. В одну клемму вставлять по два проводника, потом затягивать.
- Взять достаточно длинный проводник, с через 4-5 см зачистить по 1-1,5 см изоляции. Взять круглогубцы и загнуть оголенные проводники так, чтобы получились соединенные между собой дуги. Эти оголенные участки вставлять в соответствующие гнезда и затягивать.
Так делают, но электрики говорят о низком качестве соединения. Надежнее использовать специальные шины. Под них на корпусе имеются специальные разъемы (узкие прорези, ближе к лицевому краю), в которые вставляются контакты шины. Эти шины продаются на метры, режутся на куски необходимой длины обычными кусачками. Вставив ее и установив подающий проводник в первый из автоматов, закручивают контакты на всех соединяемых устройствах. О том, как соединять автоматы в щитке при помощи шины смотрите видео.
К выходу автоматов подключается фазный провод, который идет на нагрузку: на бытовую технику, к розеткам, выключателям и т.д. Собственно, сборка щитка закончена.
Всё готово к монтажу
Итак, схема составлена и осмыслена, комплектующие подготовлены — ничто не мешает начинать сборку электрощитка. В первую очередь выбирается место расположения щитка, на котором устройство крепится, как правило, саморезами или хомутами. Корпус электрощита размещается, как правило, недалеко от входа в дом или квартиру — в тамбуре или прихожей. Если хозяин изъявил желание скрыть щиток в стене, а стена окажется бетонной, можно использовать фальшстену или выступ из гипсокартона: площадь помещения при этом может несколько уменьшиться.
Выбирая место на стене для установки электрощитка, следует учитывать, что расстояние от прибора до ближайшего дверного проема должно быть не менее 15 см, расстояние до пола — 1.5–1.7 м. В случае необходимости хозяин жилья или вызванный электрик должен иметь возможность беспрепятственно добраться до щитка: категорически недопустимо размещение прибора внутри шкафов или другой мебели. Прибор должен располагаться в отдалении от газовых труб и легковоспламеняющихся материалов.
Чтобы электрощит не оказался слишком большим или маленьким, можно предварительно определить его размер, зная габариты компонентов, которые будут в нём расположены. Например, ширина стандартного однополюсного автоматического выключателя равна 17.5 мм, двухполюсного — 35 мм, трёхполюсного — 52.5 мм. Остальные компоненты имеют следующие размеры:
- УЗО однофазное двухмодульное — 35 мм;
- УЗО трёхфазное четырёхмодульное — 70 мм;
- дифавтомат однофазный двухмодульный — 70 мм;
- клеммник на дин-рейке — 17.5 мм (1 модуль);
- счётчик (6–8 модулей) — 105–140 мм;
- реле напряжения из 3 модулей — 52.5 мм; это не обязательный элемент щитка, но при его использовании, вы сможете защитить оборудование от скачков или проседаний напряжения, спасти от выхода из строя такие бытовые приборы как холодильник, телевизор, компьютер и другую электронику;
- розетка на дин-рейку (3 модуля) — 52.5 мм.
Модули располагаются на так называемой DIN-рейке — специальной металлической пластине шириной 35 мм. Розетка не входит в число обязательных элементов, но может пригодиться при проведении ремонтных работ. Если при суммировании количества компонентов оказалось, что необходим щиток на 20 модулей, то будет разумным установить электрощит на 24 или даже 32 модуля — кто может знать, сколько бытовых электроприборов добавится в доме через год, два или пять?
Виды и размеры электрощитков
Речь пойдет о шкафах/ящиках под установку автоматов и другой электрической начинки, об их разновидностях. По типу установки электрощиты бывают для наружной установки и для внутренней. Ящик для наружной установки крепится к стене на дюбеля. Если стены горючие, под него укладывается изолирующий материал, не проводящий ток. В смонтированном виде наружный электрощит выступает над поверхностью стены примерно на 12-18 см. Это нужно учитывать при выборе места его установки: для удобства обслуживания щиток монтируют так, чтобы все его части находились примерно на уровне глаз. Это удобно при работе, но может грозить травмами (углы острые), если место для шкафа выбрано неудачно. Лучший вариант — за дверью или ближе к углу: чтобы не было возможности удариться головой.
Корпус электрощитка для наружного монтажа
Щит для скрытого монтажа подразумевает наличие ниши: его устанавливают и замуровывают. Дверца находится на одном уровне с поверхностью стены, может — выступает на несколько миллиметров — зависит от монтажа и конструкции конкретного шкафа.
Корпуса есть металлические, окрашенные порошковой краской, есть пластиковые. Дверцы — цельные или со вставками из прозрачного пластика. Размеры различные — вытянутые вверх, в ширину, квадратные. В принципе, под любую нишу или условия можно найти подходящий вариант
Один совет: если есть возможность, выбирайте шкаф большего размера: работать в нем проще, особенно это важно, если собираете электрощиток своими руками в первый раз
Комплектация и устройство навесного распределительного щитка
При выборе корпуса часто оперируют таким понятием, как количество мест. Имеется в виду, сколько однополюсных автоматов (толщиной 12 мм) можно установить в данный корпус. У вас имеется схема, на ней указаны все устройства. Считаете их с учетом того, что двухполюсные имеют двойную ширину, прибавляете примерно 20% на развитие сети (вдруг купите еще какой-то прибор, а подключить будет некуда, или во время монтажа решите из одной группы сделать две и т.п.). И на такое количество «посадочных» мест ищите щиток подходящий по геометрии.
Что необходимо знать
Различают несколько разновидностей сетей, а именно:
- однофазную;
- трёхфазную.
По способу монтажных работ:
- используя гребёнку, то есть шину;
- через перемычки из электропровода одножильного типа;
- через перемычку из электропровода многожильного.
Ориентируясь на первоначальные данные, важно купить техническую арматуру для осуществления установки выключателей, выбрав требуемый вариант соединения непосредственно под собственную электросеть
Что же касается схемы трёхфазной, то здесь применяются тройного действия выключатели при подсоединении трёхфазного напряжения, либо можно обустроить одинарные на все фазы индивидуально, при однофазном напряжении.
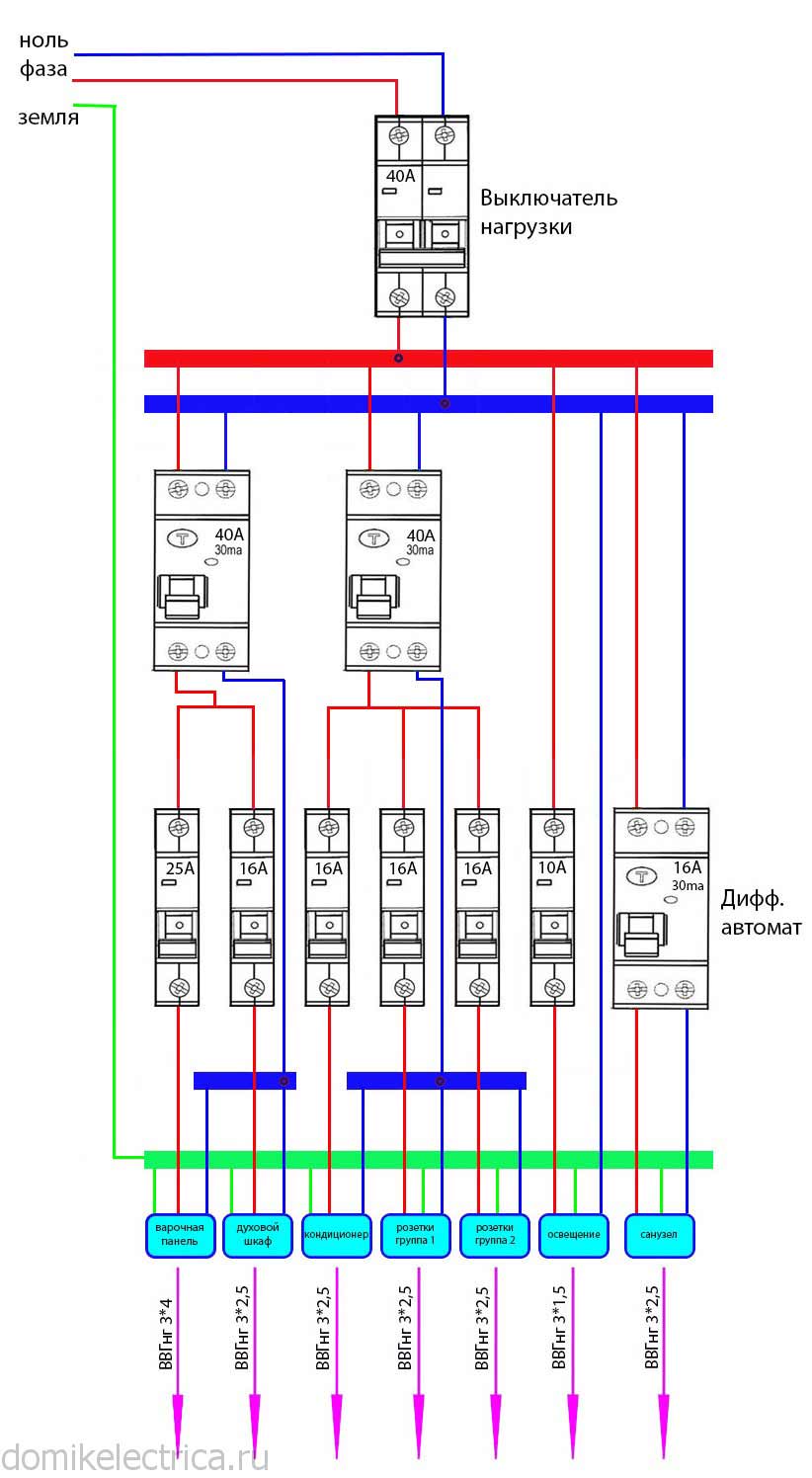
Схема электрощитка в квартире с УЗО в отдельных группах

Данная схема уже более совершенна. Ее можно применять как в небольших квартирах, так и в квартирах с общей длиной проводки превышающей 400м. Здесь нет вводного УЗО, так как достаточно выключателя нагрузки (не забывайте про автомат в этажном щите со счетчиком).
Присутствует защита от утечек тока на отдельных группах розеток и сплит системы (кондиционера). Причем один защитный аппарат УЗО стоит на объединенных группах, каждая из которых в свою очередь защищена от перегрузок автоматическими выключателями.
Линии освещения целесообразно защищать от утечек, если вы применяете настенные светильники с металлическими корпусами и периодически их протираете или меняете лампочки не выключая напряжение. В большинстве случаев здесь можно обойтись простыми автоматами.
Та же схемка, но с реле напряжения:

Как распределяется электричество
Распределение энергии по группам пользователей – одна из главных задач электрического щитка. Если его установку решено проводить самостоятельно, следует знать несколько обязательных правил распределения:
- Потребители, которые берут на себя больше всего энергии, должны выделяться в специальные группы. К ним относятся духовые шкафы, посудомоечные и стиральные машинки, водонагревательные приборы и электрические плитки. Обычно это устройства, которые превышают по мощности 2 кВт. Каждая линия в щитке должна быть оборудована системой автоматического выключения. При этом она должна иметь соответствующий номинал. Ни у одной из таких линий не должно быть ответвлений. От щитка к потребителю электричества в этом случае ведется цельный отрезок кабеля.
- Все накопительные водонагревательные приборы, стиральные машины и электроплиты должны подключаться к щитку электрическим кабелем 2,5 кв. мм. В электрическом щитке на каждую линию устанавливается автовыключатель, рассчитанный на 16 А.
- Некоторые электрические духовки должны подключаться кабелем большого сечения. Это обычно провода 4 кв. мм. Автомат в щите при этом должен иметь номинал 20 А. Если к щитку подключен электроварочный прибор или проточное водонагревательное устройство, кабель может понадобиться сечением 6 кв. мм. При этом автомат устанавливается на 32 А.
- Розеточные линии распределяются таким образом, чтобы для каждого помещения они были выполнена отдельно. Линия может быть оборудована трехжильным электрическим кабелем, имеющим сечение 2,5 кв. мм. Ее разветвление может происходить в распределительных коробках по дороге к потребителям. Если возникает какая-нибудь нештатная ситуация, не понадобится отключать другие помещения, можно выключить только один конкретный автомат.
- Линии освещения тоже следует выполнять отдельно для каждой комнаты. Кабели для них должны иметь сечение 1,5 кв. мм. К каждой такой линии должна подключаться система автоматического отключения на 10 А.

Многие могут подумать, что такой подход к монтажу щитка и проведению электрических кабелей довольно избыточен. Однако в действительности этот способ является единственно верным, если учитывать необходимость обеспечения безопасности и комфорта управления, прописанных в ГОСТе.
Многие неопытные электрики, незнакомые с принципами проведения проводки, в целях экономии закупают кабели небольшого сечения вместо качественных изделий. Кроме того, нередко любители приобретают УЗО и автоматы невысокой стоимости. Такие решения могут сказаться на безопасности жителей дома, в котором проводится электричество.

Пред проведением проводки следует рассмотреть один пример. Из щитка выходит кабель сечением 1,5 кв. мм, который защищен автоматом 10 А. Он может предназначаться для освещения в одной комнате. Линия заходит в распределительную коробку. Если в следующем помещении нагрузка на электрическую сеть предполагается меньше, неопытный электрик может решить снизить сечение кабеля, выводящего из распределительной коробки, до 0,75 кв. мм.
По неизвестным причинам в электрической сети происходит короткое замыкание. Провода может просто залить из квартиры сверху. Кабель начинает испытывать действие сильных токов, доходящих до 10 А. Он не выдерживает и загорается. Изоляция кабеля плавится, а в квартире может начаться пожар. Из этого следует, что в линии не должно быть снижения сечения кабеля ни при каких условиях.

























































