Базовая конструкция чиллера
Конденсатор
Превращение газа или пара в жидкость, конденсация хладагента и отвод теплоты. Существует два типа конденсаторов: конденсатор с воздушным охлаждением и конденсатор с водяным охлаждением.
Расширительный клапан
Расширительный клапан (ТРВ, ЭРВ), это компонент чиллера, который дозирует количество хладагента поступающего в испаритель, для регулирования количества пара выходящего из испарителя.
Испаритель
Испаритель, применяется для преобразования жидкости в пар, чтобы в процессе кипения хладона поглотить тепло и сделать целевую воду более холодной. Температура испарителя зависит от давления испарения-кипения.
Гликолевый и фреоновый контур
Гликолево-водяной и фреоновый контур в точке соприкосновения между собой обмениваются полученной теплотой или холодом. После чего рабочая жидкость на водной основе с помощью циркуляционного насоса доставляет теплоноситель нужной температуры до потребителей.

Особенности монтажа запуска и технического обслуживания
В связи с наличием водяного контура, к наружному блоку необходимо подвести подводящий и отводящий трубопровод.

В качестве системы водоснабжения могут быть использованы:
- Две скважины. С одной вода подается в теплообменник, а в другую сбрасывается.
- Замкнутый цикл охлаждения промышленного оборудования.
- Замкнутый цикл отопления офисных помещений с мощными серверными отделениями. В процессе работы кондиционера, жидкость температурой от -5 до +40, должна постоянно циркулировать по водяному теплообменнику под давлением не ниже 2 бар.
После долгого простоя холодильной машины необходимо прочистить водяной фильтр, проверить циркуляцию воды или антифриза. После подачи теплоносителя в кондиционер для возобновления циркуляции нужно произвести сброс воздушной пробки через золотник.

Золотник для сброса воздушной пробки.
Последовательность удаления воздушной пробки:
- С клапана золотникового типа откручиваем колпачок.
- Надавливаем на золотник и выпускаем воздух.
- После появления воды из клапана отпускаем золотник.
- Проверяем герметичность сбросного устройства.
- Закручиваем колпачок.
При проведении технического обслуживания наружного блока выполняется:
- чистка всех компонентов системы от пыли;
- очистка сетчатого фильтра водяного контура от накопленной грязи;
- проверка герметичности системы и количество хладагента;
- восстановление теплоизоляции фреонопровода.
Некоторые параметры, на которые следует ориентироваться при проведении ТО, указаны на информационной табличке.

Информационная табличка.
Все остальные работы, проводимые в процессе ТО внутреннего блока, остаются такими же, как и при ревизии кондиционера типа воздух-воздух.
Вопросы и ответы
Можно ли чиллером охлаждать жидкость на проток более, чем на 5 градусов?
Ответ:
Чиллер можно использовать в замкнутой системе и поддерживать заданную температуру воды, например, 10 градусов, даже если возврат будет с температурой 40 градусов.
Есть чиллеры, которые охлаждают воду на проток. Это в основном используется для охдаждения и газирования напитков, лимонадов.
Вопрос:
Что лучше чиллер или драйкулер?
Ответ:
Температура хладоносителя при использовании драйкулера зависит от температуры окружающей среды. Если, например, на улице будет +30, то хладоноситель будет с температурой +35…+40С. Драйкулер используют в основном в холодное время года для экономии электроэнергии. Чиллером можно получать заданную температуру в любое время года. Можно изготовить низкотемпературный чиллеры для получения температуры жидкости с отрицательной температурой до минус 70 С (хладоносителем при такой температуре является в основном спирт).
Вопрос:
Какой чиллер лучше — с водяным или воздушным конденсатором?
Ответ:
Чиллер с водяным охлаждением имеет компактные размеры, поэтому могут размещаться в помещении и не выделяют тепло. Но для охлаждения конденсатора требуется холодная вода.
Чиллер с водяным конденсатором имеет более низкую стоимость, но может дополнительно потребоваться сухая градирня, если нет источника воды — водопровод или скважина.
Вопрос:
В чем отличие чиллеров с тепловым насосом и без него?
Ответ:
Чиллер с тепловым насосом может работать на обогрев, т.е не только охлаждать хладоноситель, но и нагревать его. Необходимо учитывать, что с понижением температуры нагрев ухудшается. Наиболее эффективен нагрев когда температура опускается не ниже минус 5.
Вопрос:
На какое расстояние можно выносить воздушный конденсатор?
Ответ:
Обычно конденсатор можно вынести на расстояние до 15 метров. При установке системы отделения масла выснок конденсатора возможен до 50 метров, при условии правильного подбора диаметра медных магистралей между чиллером и выносным конденсатором.
Вопрос:
До какой минимальной температуре работает чиллер?
Ответ:
При установке системы зимнего пуска работа чиллера возможно до окружающей температуры минус 30…-40. А при установке вентиляторов арктического исполнения — до минус 55.
Вспомогательное оборудование для систем охлаждения
Насосные станции
Насосная станция состоит из одного или нескольких
циркуляционных насосов, накопительного бака
и расширительного бака. На циркуляционных насосах может быть установлен частотный преобразователь, для плавной
регулировки производительности. Для предотвращения передавливания насосов в процессе работы, на подаче установлены
обратные клапана. Накопительный бак служит для компенсации температурных колебаний. Расширительный бак служит для
компенсации температурных расширений теплоносителя. Циркуляционные насосы устанавливаются на раму. Насосная станция
может быть оборудована коллекторами из пластика, стали или нержавеющей стали. Также устанавливается панель
управления, для управления работой циркуляционных насосов.
Работа насосной станции
Работа насосной станции основывается на поддержании
необходимого расхода жидкости и напора. Давление в контуре поддерживается в автоматическом режиме путем введения
уставки на контроллере насосной группы.
Станция оснащается двумя датчиками давления (на входе и на выходе). В связи с этим, можно выбрать различные
алгоритмы работы:
- Работа на поддержание давления на выходе (работа по датчику на нагнетании).
- Работа на поддержание постоянства перепада давления в системы (идет сравнение сигнала обоих датчиков и
поддержание в контуре перепада давления).
Насосную станцию можно подключить двумя способами:
- Установка на нагнетании на потребитель
- Установка на обратном трубопроводе с потребителя
Выбор способа подключения зависит от принципиальной схемы охлаждения, требования по параметрам давления
на потребителе, типа контура.
Пластинчатый теплообменник принцип работы
Принцип работы пластинчатого теплообменника базируется на правилах термодинамики: передачи тепла от более нагретого
тела менее нагретому телу. Жидкости циркулируют через пластины. И не перемешиваются между собой.
Типы промежуточных теплообменников и их назначение
Промежуточные теплообменники разделяются по принципу:
- Вода-вода
- Вода-воздух
Теплообменники вода-воздух применяются в системах кондиционирования, для охлаждения складов и холодильных камер. Где
холод от теплоносителя передается воздуху (происходит охлаждение воздуха)
Теплообменники вода-вода подразделяются на следующие типы:
- Паяный теплообменник (не разборный)- теплообменники малой мощности, применяются в чистых средах
- Пластинчатый разборный теплообменник- теплообменники малой и большой мощности, широко применяются в
промышленности и на производстве. Благодаря разборной конструкции осуществляется прочистка и возможность
увеличения мощности охлаждения, путем добавления пластин. - Кожухотрубный теплообменник- теплообменники применяющиеся на производстве. По кожуху циркулирует охлаждаемая
среда. По рубкам охлаждающая. Данный тип теплообменников получил широкое применение в отраслях промышленности,
где необходимо охлаждать теплоноситель с включениями.
Управление фанкойлами
Ручное управление позволяет регулировать подачу холодного или горячего теплоносителя путем перекрытия крана вручную или с помощью пульта.
Автоматическое управление осуществляется с помощью электрического или электромеханического термостата. Устройство поддерживает температуру, заданную на термостате.
Устройства монтируются в заранее выбранном месте, которое может находиться на стене, полу, потолке. Если планируется использовать климатические устройства для охлаждения, то лучшим местом будет потолок. Для обогрева помещений, лучше установить их на полу у стен или в нижних участках стен.
Централизованные системы кондиционирования
![]() |
| Рис. 1. Централизованная СКВ |
Одной из тенденций развития инженерных систем и коммуникаций является централизация, или, другими словами, перераспределение функций между различными компонентами таким образом, чтобы отдельные процессы, например, холодоснабжение нескольких помещений либо всего здания, производились централизованно — за счет общих для этих помещений ресурсов.
Как видно из рис. 1, система кондиционирования в первом примере включает в себя один чиллер, размещенный снаружи здания. Он осуществляет охлаждение воды, которая затем используется в воздухообрабатывающих агрегатах — фэнкойлах. Кассетные фэнкойлы, установленные в кондиционируемых помещениях, охлаждают и фильтруют воздух внутри рабочих зон. Распределение охлажденной чиллером воды между фэнкойлами осуществляет гидравлический контур, состоящий из циркуляционных насосов, расширительного и аккумулирующего баков.
Функциональные особенности преимущества двух различных вариантов организации СКВ
| Критерии | СКВ №1 на базе чиллеров и фэнкойлов | СКВ №2 на базе кондиционеров с водяным охлаждением конденсатора | Сравнение |
|---|---|---|---|
| Охладитель – холодильная установка | Чиллер осуществляет охлаждение воды в гидравлическом контуре СКВ, которая затем поступает в фэнкойлы для охлаждения воздуха в помещениях. | Каждый кондиционер с водяным охлаждением конденсатора имеет независимый холодильный контур, который осуществляет охлаждение воздуха внутри кондиционируемых помещений. | Использование в СКВ №1 одного чиллера в большой производительности снижает стоимость системы кондиционирования, упрощает техническое обслуживание. Так как СКВ №2 охладители – холодильные установки – встроены в состав каждого кондиционера, все помещения независимы. Это повышает надежность, уменьшает уровень энергопотребления. |
| Распределение тепла в здании | Распределение тепла в здании производится с помощью гидравлического контура, в котором циркулирует холодная вода с температурой 7-12°С. | Распределение тепла в здании производится с помощью гидравлического контура охлаждения конденсаторов кондиционеров, в котором циркулирует теплая вода с температурой 42-47°С. | В СКВ №1 существуют повышенные требования к теплоизоляции. Кроме того, гидравлический контур чиллеров должен быть оборудован аккумулирующим баком, что увеличивает стоимость и потери энергии. Во втором случае нет необходимости в дополнительной теплоизоляции. |
| Охлаждение и нагрев | СКВ №1 может работать только в режиме охлаждения либо в режиме нагрева. | В каждом помещении можно установить свой собственный режим работы – охлаждение или нагрев. | Установка в каждом помещении независимого кондиционера с водяным охлаждением конденсатора расширяет возможности СКВ по поддержанию индивидуальных комфортных условий. |
| Работа в зимний период времени | Существует ограничения температурного диапазона эксплуатации оборудования в зимний период времени при работе в режиме охлаждения и теплового насоса. | Существуют ограничения температурного диапазона эксплуатации оборудования в зимний период времени при работе только в режиме теплового насоса. | Использование кондиционеров с водяным охлаждением конденсатора снижает чувствительность СКВ к воздействию отрицательных температур. |
| Постепенный ввод в эксплуатацию СКВ | Так как чиллер является наиболее дорогим элементом СКВ, основные затраты возникают на этапе, предшествующем вводу СКВ в эксплуатацию. | Основные затраты распределяют по времени поэтапного ввода системы в эксплуатацию. | СКВ №2 наиболее привлекательная на объектах с поэтапным вводом в эксплуатацию, например в многофункциональных офисных комплексах, в которых отдельные помещения будут принадлежать отдельным арендаторам. При организации СКВ №2 первоначальные инвестиции связаны с приобретением недорогой градирни и элементов гидравлического контура конденсатора. В то время как будущие собственники на свое усмотрение смогут оборудовать помещения необходимым кондиционеров в зависимости от функциональных и архитектурных особенностей. |
Реферат патента 2020 года КОНДИЦИОНЕР С ВОДЯНЫМ ОХЛАЖДЕНИЕМ ИЛИ НАГРЕВОМ ТЕПЛООБМЕННИКА КОНДЕНСАТОРА
Изобретение относится к области кондиционирования воздуха, в частности, с использованием системы водоснабжения и предназначено для создания комфортных условий в бытовых помещениях. Технической проблемой, решаемой настоящим изобретением, является расширение арсенала существующих средств и создание конструкции кондиционера с водяным охлаждением или нагревом теплообменника конденсатора, предусматривающего дальнейшее снижение энергопотребления, а также использование конденсатной воды. Техническим результатом изобретения является повышение эффективности водяного охлаждения или нагрева теплообменника конденсатора за счет конструктивных особенностей. Технический результат достигается при использовании кондиционера с водяным охлаждением теплообменника конденсатора, который содержит испаритель, компрессор, конденсатор, емкость, имеющую первую и вторую камеры, представляющие собой сообщающиеся сосуды, причем вход теплообменника конденсатора расположен в нижней части первой камеры емкости, а выход теплообменника расположен в верхней части первой камеры емкости, при этом вторая камера емкости соединена со сливным трубопроводом, в верхней части емкости расположены трубопровод для подачи в первую камеру емкости собранной конденсатной воды, трубопровод для подачи в первую камеру емкости водопроводной воды и электромагнитный клапан открывания трубопровода для подачи водопроводной воды, соединенный с температурным датчиком, расположенным в нижней части емкости. 3 ил.
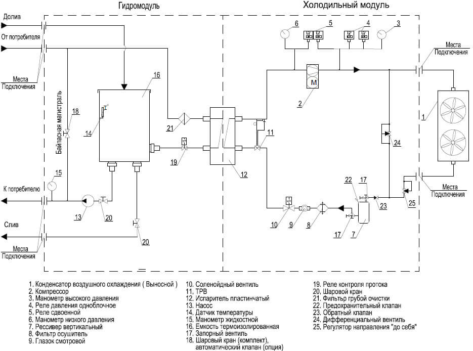
Чиллер с конденсатором воздушного охлаждения и системой зимнего пуска

Состав
- Компрессор Danfoss
- Реле высокого давления КР
- Клапан запорный Rotolock
- Клапан дифференциальный NRD
- Регулятор давления конденсации KVR
- Конденсатор воздушного охлаждения
- Ресивер линейный
- Клапан запорный Rotolock
- Фильтр-осушитель DML
- Стекло смотровое SG
- Клапан соленоидный EVR
- Катушка для клапана соленоидного Danfoss
- Клапан терморегулирующий ТЕ
- Испаритель пластинчатый паяный тип В (Danfoss)
- Фильтр-осушитель DAS/DCR
- Реле низкого давления КР
- Клапан запорный Rotolock
- Датчик температуры AKS
- Реле протока жидкости FQS
- Щит электрический
- Чиллер с конденсатором воздушного охлаждения и системой зимнего пуска
- С выносным конденсатором воздушного охлаждения
- Многокомпрессорный с конденсатором воздушного охлаждения
- Многокомпрессорный с выносным конденсатором воздушного охлаждения
- С конденсатором водяного охлаждения и с регулированием давления конденсации
- Многокомпрессорный с конденсатором водяного охлаждения
Характеристики климатических аппаратов
Разные модели чиллеров характеризуются разной мощностью, которая может находиться в диапазоне от 5 кВт до 9 тыс. кВт. Изделия невысокой мощности отлично подходят для работы в офисе или гостинице, обладающие большой мощностью используются на промышленных предприятиях и в производственных цехах.
Имеются и другие характеристики, которые тоже дают представление об аппарате и могут повлиять на выбор модели. Выбирая чиллер,следует изучить такие параметры:
- производительность, измеряемая в кВт, от 10 кВт, до нескольких тысяч;
- марка применяемого хладагента (подбирается от вида компрессора и температурной среды эксплуатации)
- номинальная мощность может варьироваться от 30 до 200 кВт;
- геометрические размеры колеблются от 0,5 до 4 метров по каждому параметру: длине, ширине, высоте;
- вес от 0,1 до 2,0 т.
- исполнение чиллера может быть моноблочным либо с выносным конденсатором.
Типы и модели вспомогательных устройств, таких как компрессор, испаритель, конденсатор устанавливает предприятие, выпустившее чиллер.
Преимущества и недостатки чиллеров
Использование чиллеров для климатического контроля в помещении, имеет множество положительных сторон. В их число входят:
- повышение качества жизни или работы;
- вынос климатической установки за пределы помещения, что сводит к минимуму шум и вибрацию;
- экономия на оплате отопления, уменьшение количества отопительных приборов или батарей;
- меньшие потери полезной площади;
- высокая безопасность.
К недостаткам систем охлаждения можно отнести:
- большие размеры основного блока;
- большой вес конструкции;
- сложность установки и монтажа системы;
- высокие цены на данное оборудование.
Выбирая климатическое оборудование, необходимо учитывать эти тонкости. Для небольшого помещения можно подобрать сплит-систему или кондиционер, которые могут оказаться более эффективными.
Принцип работы чиллера
испарении
- компрессор, создающий необходимую разность давлений;
- испаритель, забирающий тепло от жидкости;
- конденсатор, отдающий тепло в окружающую среду;
- Дросселирующее устройство, поддерживающее разность давлений за счёт дросселирования хладагента;
- Фреон — вещество, переносящее тепло от испарителя к конденсатору.
В конденсаторе нагретый в результате сжатия хладагент остывает, отдавая тепло во внешнюю среду, и при этом конденсируется, то есть превращается в жидкость, поступающую в дросселирующее устройство.
Жидкий хладагент под давлением поступает через дросселирующее устройство (капилляр или терморегулируемый расширительный вентиль) в испаритель, где за счёт резкого уменьшения давления происходит испарение жидкости. При этом хладагент отнимает тепло у внутренних стенок испарителя, за счёт чего происходит охлаждение.
Таким образом, в конденсаторе хладагент под воздействием высокого давления конденсируется и переходит в жидкое состояние, выделяя тепло, а в испарителе под воздействием низкого давления вскипает и переходит в газообразное, поглощая тепло.
Терморегулируемый расширительный вентиль необходим для создания необходимой разности давлений между конденсатором и испарителем, при которой происходит цикл теплопередачи. Он позволяет правильно (наиболее полно) заполнять внутренний объём испарителя вскипевшим хладагентом. Пропускное сечение ТРВ изменяется по мере снижения тепловой нагрузки на испаритель, при понижении температуры в камере количество циркулирующего хладагента уменьшается.

- 1 — конденсатор
- 2 — терморегулирующий вентиль
- 3 — испаритель
- 4 — компрессор
Особенности оборудования
Фактически чиллер нельзя назвать кондиционером, в силу особенностей его строения и возможностей. Классический кондиционер обходится без промежуточного теплоносителя, охлаждая пространство непосредственно, тогда как чиллер всегда взаимодействует с антифризами либо водой. Основными особенностями чиллера являются:
- высокая степень автоматизации процесса;
- возможность осуществлять охлаждение на большом расстоянии, величина которого зависит только от мощности циркуляционного насоса;
- высокая экологичность и безопасность;
- удобство монтажа, т.к. занимает мало места;
- работа независимо от погодных условий;
- экономичность.
При выборе устройства необходимо ознакомиться с рейтингом брендов, оценить характеристики аппаратов, почитать отзывы о моделях.
Гидромодуль — насосная станция
- насос подающий, циркуляционный, резервный;
- накопительная теплоизолированная емкость;
- расширительная емкость (служит для компенсации температурного расширения и сжатия теплоносителя);
- щит управления и система автоматики;
- фильтр;
- запорная арматура;

Поскольку тепловая нагрузка изменяется в зависимости от времени суток или сезона, то возникают периоды времени, когда холодопроизводительность чиллера существенно превышает реальную потребность. В этом случае чиллер начинает работать короткими импульсами, включаясь и выключаясь. Частые пуски компрессора приводят к его быстрому износу и заметному уменьшению срока службы. Что бы этого избежать, в систему иногда устанавливают аккумулирующий бак, объем которого рассчитывается исходя из возможных тепловых нагрузок и количества теплоносителя в системе. В этом случае суммарный объем, и теплоемкость теплоносителя увеличивается, благодаря чему интервалы между включением/выключением компрессора возрастают.
Схема гидромодуля

Спецификация:
- Термоизолированная емкость открытого типа
- Насос
- Кран шаровый
- Разборное соединение
- Манометр
- Выход на потребителя
- Вход воды
- Байпасный вентиль
- Фильтр грубой очистки
- Реле контроля протока
- Визуальный контроль уровня жидкости
Стоимость чиллеров
- На стоимость чиллеров влияют следующие основные факторы:
- какую температуру жидкости необходимо поддерживать;
- холодопроизводительность;
- температура окружающей среды;
- моноблочное исполнение, контейнерное или выносной конденсатор;
- наличие гидромодуля

Экономическая выгода от использования чиллера
Если у нас на производстве час расходуется 5 м3/ч водопроводной воды, то выгода от чиллера составит до 90%. При использовании воды оплата идет за саму воду, а также за инженерные коммуникации — канализация и пр. При использовании оборудования для охлаждения воды затраты идут только на электроэнергию.
Принцип работы чиллера
принцип работы холодильниковцикл Ренкинацикла Карноиспарении
Промышленный чиллер состоит из трех основных элементов: компрессора, конденсатора и испарителя. Основная задача испарителя – это отвод тепла от охлаждаемого объекта. С этой целью через него пропускаются вода и хладагент. Закипая, хладагент отбирает энергию у жидкости. В результате этого вода или любой другой теплоноситель охлаждаются, а холодильный агент – нагревается и переходит в газообразное состояние. После этого газообразный холодильный агент попадает в компрессор, где воздействует на обмотки электродвигателя компрессора, способствуя их охлаждению. Там же горячий пар сжимается, вновь нагреваясь до температуры в 80-90 ºС. Здесь же он смешивается с маслом от компрессора.
В нагретом состоянии фреон поступает в конденсатор, где разогретый холодильный агент охлаждается потоком холодного воздуха. Затем наступает завершающий цикл работы: хладагент из теплообменника попадает в переохладитель, где его температура снижается, в результате чего фреон переходит в жидкое состояние и подается в фильтр-осушитель. Там он избавляется от влаги. Следующим пунктом на пути движения хладагента является терморасширительный вентиль, в котором давление фреона понижается. После выхода из терморасширителя холодильный агенент представляет собой пар низкого давления в сочетании с жидкостью. Эта смесь подается в испаритель, где хладагент вновь закипает, превращаясь в пар и перегреваясь. Перегретый пар покидает испаритель, что является началом нового цикла.

Энергоэффиктивность чиллеров
- спиральный;
- поршневой;
- винтовой.
| Значение | Поршневой | Спиральный | Винтовой |
| Q, кВт | 99,9 | 102 | 103,2 |
| N, кВт | 33,66 | 30,08 | 32,4 |
| СОР/КПД | 2,97 | 3,4 | 3,18 |
| Ток, А | 57,1 | 53,3 | 56,4 |
QN
Из таблицы видно, что потребляемая мощность на спиральных компрессорах меньше на 10-15%. Поэтому для систем кондиционирования очень часто используют спиральные коммпрессора в чиллерах.
Основные наиболее популярные фреоны на которых собираются чиллеры это: R404a, R407° C, R410a, R134a. (R22 разрушает озоновый слой, и производство ограничено Монреальским протоколом)
| R134a | Используется в основном в жарком климате, когда окружающая температура достигает +50…+60С или если нужно поддерживать температуру воды в чиллере +25…30 градусов. Компрессора, заправленные данным фреоном, показывают меньшую холодо-производительность, чем, например, на R407° C. Потенциал разрушения озона ODP = 0. Для работы с хладагентом R134a рекомендуются только полиэфирные холодильные масла. Хладагент 134а просто дозаправляется после каждой утечки. |
| R410a | Давление в контуре при рабочих температурах существенно выше (так, при температуре 43°С R22 имеет давление насыщенного пара 15,8 атм, а R410A—около 26 атм.), поэтому более высокие требования предъявляются к герметичности, медные трубки конденсатора и испарителя должны быть более прочными, отсюда большая масса меди и более высокая цена. (В процессе старения металлов и соединений возрастает количество утечек в оборудовании). Ещё одним минусом R-410A является несовместимость с минеральным маслом. Если R22 растворяется в любом минеральном масле, то для фреона R410a нужно специальное полиэфирное масло, которое намного дороже, а кроме того, требует более аккуратной заправки (оно очень активно поглощает влагу, теряя свои свойства). С другой стороны, R-410A обладает высокой удельной хладо-произодительностью (в полтора раза выше чем R-407° C и R22, в два раза выше чем R-134A, что позволяет использовать компрессор с меньшей объёмной производительностью. |
| R407° C | R-407° C является гидрофторуглеродным хладагентом, не разрушающим озоновый слой. Разработан для замены R-22 во многих системах кондиционирования воздуха. По своим эксплуатационным характеристикам R-407° C очень близок к R-22, что позволяет осуществлять ретрофит многих агрегатов, работающих на R-22. R-407° C – это трехкомпонентная смесь с температурным дрейфом около 6 оК. Хладагент 407° C не рекомендуется в холодильных системах с температурами испарения ниже −10°С. Большинство систем кондиционирования воздуха и тепловых насосов, в которых в настоящее время в качестве хладагента применяется R-22, может быть переведено на R-407° C. |
| R404а | Используется в основном в низкотемпературных чиллера, когда необходимо получать температуру гликоля минус 15 и ниже. Температурный глайд менее 0,5 К. В зависимости от условий эксплуатации обеспечиваются повышение холодо-производительности на 4…5% и снижение температуры нагнетания в компрессоре до 8% по сравнению с аналогичными характеристиками R502. |
Абсорбционный чиллер

Холодильная машина, работающая по принципу абсорбции (лат. absorbere — поглощать, растворять), добивается результата за счёт поглощения тепла сорбентом. Принцип абсорбции позволяет обходиться без компрессора и движущихся механизмов. Ее преимущество, это возможность запуска в местах, где электрическая энергия недоступна или ограничена. Для работы машины необходим источник тепла. Это может быть горячая вода, пар, природный газ, твердое топливо. Чиллер заправляется хладагентом. Жидкости для этого типа аппаратов могут различаться по химическому составу.
Абсорбционные устройства подразделяются по некоторым характеристикам, в число которых входят:
- число контуров (от одного до трех);
- нагревающее вещество;
- состав хладагента.
Количество контуров влияет на получаемую разницу в температуре. Чем больше контуров, тем более производительно работает чиллер.
По типу нагревающего вещества машины могут быть: прямого нагрева, использовать внешние источники для обогрева или быть комбинированными. При прямом нагреве в корпусе устройства имеется топка для сжигания горючих веществ: газа, твердого или жидкого топлива. Устройствам непрямого нагрева потребуется внешний источник тепла: пар, вода, воздух.
Состав смеси для хладустройств может включать бромид лития в качестве абсорбента и воду-хладагент. Это бромистолитиевые машины. У аммиачных машин роль хладагента исполняет аммиак, в роли абсорбента выступает вода.
Существуют бромистолитиевые и аммиачные абсорбционные холодильные машины. В первых хладагентом является вода, абсорбентом – бромид лития LiBr. Чиллер второго вида заправляется хладагентом, состоящим из аммиака NH3, в качестве абсорбента заливается вода.
АБХМ, работающие с бромидом лития получили большую популярность.
Их конструкция состоит:
- из 2 камер;
- теплообменника;
- контура (1, 2 или 3).
Верхняя камера вмещает конденсатор и генератор, нижняя – испаритель и абсорбер. Генератор нагревает рабочий состав, влага испаряется, концентрация бромистой соли лития увеличивается.
В конденсаторной камере водяные пары остывают, конденсируются и возвращаются в контур. В испарителе устанавливается низкое давление, при котором вода опять переходит в пар.
Теплообменник обеспечивает термообмен между хладагентом и абсорбентом.
Чиллер с выносным конденсатором

Основные преимущества:
- возможность круглый год использовать воду;
- высокий КПД работы за счет отсутствия контура с гликолем и промежуточного теплообменника;
- более тихая работа чиллера из-за того, что нет шума от работающих вентиляторов конденсатора;
- при работе не выделяется тепло в помещение;
- холодильный модуль устанавливается в теплом помещении — это удобно для обслуживания. При установке чиллера с выносным конденсатором необходимо учитывать, что существуют ограничения по длине хладоновых трасс между чиллером и конденсатором. Длина трассы между блоками должна быть не более 15 метров. При дополнительном оснащении возможен вынес до 50 метров.


Схема чиллера с выносным конденсатором и зимним пуском

Спецификация
- Компрессор Danfoss
- Реле высокого давления KP
- Клапан запорный Rotolock
- Маслоотделитель OUB
- Клапан обратный NRV
- Клапан дифференциальный NRD
- Регулятор давления конденсации KVR
- Кран шаровой GBC
- Конденсатор воздушного охлаждения
- Кран шаровой GBC
- Клапан обратный NRV
- Ресивер линейный
- Клапан запорный Rotolock
- Фильтр-осушитель DML
- Стекло смотровое SG
- Клапан соленоидный EVR
- Катушка для клапана соленоидного Danfoss
- Клапан терморегулирующий TE
- Испаритель пластинчатый паяный тип B (Danfoss)
- Фильтр DAS/DCR
- Реле низкого давления KP
- Клапан запорный Rotolock
- Датчик температуры AKS
- Реле протока жидкости FQS
- Щит электрический
Что такое чиллер
Чиллер – аппарат, который служит для охлаждения или подогрева жидкой среды, используемой как переносчик тепла. Модели обладают разной мощностью, поэтому могут использоваться в промышленном производстве, для обогрева небольших помещений и в климатотехнических работах:
- на пищевых комбинатах;
- фармакологических предприятиях;
- отоплении (кондиционировании) объектов соцкультбыта;
- устройстве катков и т. д.
Чиллер по конструкции является мощной холодильной машиной, он имеет компрессорную установку, конденсаторную камеру и испаритель. С помощью чиллера жидкость может повышать температуру или понижать ее. Эту возможность обеспечивает наличие 2 контурных систем циркуляции горячего и холодного теплоносителя.
Основные узлы кондиционера
Главной особенность кондиционера вода-воздух от сплит систем воздух-воздух является наличие сдвоенного теплообменника и отсутствие вентилятора в наружном блоке.
Условно холодильную машину можно разделить на гидравлический и электрический узел. Гидравлический узел состоит из:
- Компрессора – осуществляет перемещение фреона по замкнутому контуру с необходимым для протекания процесса теплообмена давлением.
- Аккумулятора с фильтром – накапливает хладагент и защищает внутренние детали компрессора от окисления и попадания твердых частиц.
- Сдвоенного теплообменника – способствует переходу хладагента в жидкое состояние.
- Дросселирующего устройства – снижает давление жидкого фреона для перехода его в газовое состояние.
- Испарителя – охлаждает воздух в помещении.
- Трехходового крана с клапаном – соединяет линию всаса одной части кондиционера с другой, и через него осуществляется заправка фреона.
- Двухходового крана – соединяет линию нагнетания.
- Трубной обвязки – соединяет перечисленные компоненты системы в замкнутый контур.
Электрический узел состоит из:
- Блока управления – организовывает работу компрессора и других электрических узлов системы.
- Мотора с турбиной – осуществляет принудительную циркуляцию охлажденного воздуха.
- Датчика температуры – контролирует температуру хладагента и воздуха в помещении.
- Шаговый двигатель – перемещает жалюзи для изменения направления потока воздуха в горизонтальном направлении.
Чиллеры с выносным конденсатором (безконденсаторные)
Большинство чиллеров с воздухоохлаждаемым конденсатором предназначены для монтажа вне помещений, но существует разновидность с выносным конденсатором. В этом случае испаритель и компрессор (компрессорный блок) размещают внутри здания, а воздушный конденсатор, отводящий излишнее тепло, соединяют с чиллером фреоновой магистралью и располагают снаружи.
Разнообразие сфер применения чиллера, допускает отвод тепла по средствам драйкулера. В этой ситуации водяной конденсатор, расположенный в едином блоке чиллера, соединяют с драйкулером с помощью гликолевого трубопровода. Когда температура уличного воздуха на 5-8 °С ниже требуемой, такая конфигурация подключения позволяет использовать функцию фрикулинга. Фрикулинг – это свободное охлаждение (free-cooling) промежуточного теплоносителя за счет окружающей среды.







































