Критерии выбора воздухораспределителей
При выборе решеток и диффузоров следует обращать внимание на следующие параметры:
- шум,
- дальнобойкость струи,
- тип и внешний вид решетки или диффузора.
Первый критерий — уровень шума. Истекание воздуха через решётку может сопровождаться шумом. Поскольку система вентиляции работает непрерывно, шум будет постоянно раздражать находящихся в помещении людей
Следовательно, при выборе решеток нужно обращать внимание на тот уровень шума, который будет возникать при установке данной решётки. В зоне постоянного нахождения людей не рекомендуется устанавливать решетки, уровень шума которых будет выше 30-35дБ
Второй критерий — дальнобойкость струи. Здесь многое зависит от геометрии помещения, температуры подаваемого воздуха и направления струи — вертикальная или горизонтальная. Суть сводится к тому, что струя должна успеть раскрыться, а скорость воздуха — успеть снизиться до оптимальных значений до того, как подаваемый воздух попадет в рабочую зону помещения. Напомним, что рабочей зоной называют пространство, ограниченное по высоте 2 метрами от уровня пола в помещении.
Ещё один критерий — задача, которую должен решать воздухораспределитель. В самом простом случае это подача или вытяжка воздуха. В более сложном сценарии — необходимость подачи больших объёмов воздуха или формирования воздушной завесы, например, для разделения зон в помещении. Существуют и другие задачи, которые решают воздухораспределители.
Далее, важно правильно оценить количество воздухораспределителей, которое требуется для обслуживания данного помещения. В зависимости от количества воздухораспределителей определяется расход воздуха, приходящийся на каждый из них и, соответственно, их типоразмер
Наконец, среди критериев выбора воздухораспределителей отметим дизайн и конструктив. В некоторых помещениях уместны потолочные воздухораспределители, в других — настенные. Это могут быть прямоугольные и квадратные решётки или круглые диффузоры. С узкими или широкими рамками, белого цвета, серого, бежевого или ярко красного — выбор огромен, а предлагаемый на рынке ассортимент способен удовлетворить самые изысканные запросы.
Текстильные вентиляционные трубы
Новинка в вентиляции — трубы из технического текстиля. Такие воздуховоды устанавливаются на приточную часть и благодаря особым свойствам равномерно распределяют воздух по всему объему помещения. Более распространены текстильные воздуховоды круглого, полукруглого или четвертькруглого сечения, но технически возможно производить и прямоугольные.
Характеристики текстильных воздуховодов:
- работают в диапазоне -40 +280 градусов;
- устойчивы к воздействию влаги и химических веществ;
- антибактериальны;
- обладают небольшой массой;
- текстильные вентиляционные трубы отличаются высокой пропускной способностью;
- легко ремонтируются и очищаются;
- служат дольше 10 лет;
- комбинируются с воздуховодами и элементами из любых материалов;
- могут быть различных цветов.
Благодаря разнообразию окрасок во многих случаях вентиляцию из текстильных труб не нужно обшивать коробами. Она аккуратно и гармонично вписывается в интерьер. Трубы специального назначения обладают антистатическими, антикоррозийными или противопожарными свойствами.
Устройство вентиляции
Теперь рассмотрим общую информацию, которая характерна для каждой системы вентиляции частного дома:
- Для систем естественной вентиляции лучше всего использовать пластиковые трубы с идеально ровной внутренней поверхностью. Монтаж гофрированных труб разрешается только в том случае, если планируется приточно-вытяжная вентиляция.
- Чем меньше изгибов и кривых в трубопроводе, тем более эффективной будет система.
- Рекомендуется прокладывать все трубопроводы от входа до выхода как можно короче.
- Если вы строите естественную вентиляцию, необходимо сделать вытяжные трубы высотой более 5 метров. В противном случае проект будет очень низким. Если вы не можете обеспечить такую высоту, установите вентиляторы в вытяжных каналах на верхних этажах.
- При принудительной вентиляции мощность крыльчаток следует выбирать таким образом, чтобы количество приточного воздуха было немного меньше, чем количество вытяжного. В этом случае давление в системе будет снижено, что положительно скажется на общем климате в помещениях, а также на состоянии всех конструкций здания.
- При естественной циркуляции воздух может забираться с улицы или из подвала.
- Оптимальное количество воздуха для помещения площадью 40 квадратных метров составляет около 120 кубических метров в час.
- Приток может осуществляться двумя способами – инфильтрацией, через щелевые отверстия и оконную вентиляцию, а также контролируемой, которая происходит через вентиляторы, установленные в трубах, и системами климат-контроля.
- Вытяжные каналы должны располагаться на расстоянии 25 см от потолка.
Отличия вытяжки от вентиляционной системы
На первый взгляд, трудно сказать, чем отличается вытяжка на кухне от вентиляции. Чтобы найти ответ, нужно подробно разобраться в терминологии.
Санитарными требованиями на сегодняшний день предусмотрен монтаж в жилых помещениях специальных агрегатов, обеспечивающих должный уровень воздухообмена. Для выполнения этих норм в многоэтажных постройках обустраивают вентиляционную систему. Последняя представлена в виде заранее продуманной цепочки каналов, которые располагаются в стенах и способствуют отхождению воздушных масс на крышу.
Непосредственно каналы вентиляции нужны для вывода за пределы жилой постройки отработанных воздушных потоков. В свою очередь свежий воздух естественным образом поступает в помещение через стыки и щели в оконных и дверных проемах. Однако нужно учитывать тот факт, что подобная система не в состоянии быстро устранять различные неприятные запахи, которые зачастую появляются в процессе готовки на кухне.
Чтобы избавиться от подобных неприятностей, осуществляется монтаж специальной системы вентиляции, которая функционирует в принудительном порядке. В простонародье ее именуют «вытяжкой». Принцип действия таких устройств немного отличается — они поглощают пары, исходящие от варочных поверхностей, а затем с помощью воздуховода выводят их в специальный канал вентиляционной системы.
Особенности установки
Монтаж воздухопровода без труда можно провести самостоятельно. В этом плане наиболее простым решением является использование гофрированных изделий. Последние следует разрезать на детали нужной длины, а затем соединить с элементами вытяжки и вентиляционной шахты на кухне. Простую решетку рекомендуется заменить на ту, которая имеет встроенный соединительный патрубок. В подобных случаях для фиксации используются специальные хомуты. Для достижения максимальной прочности места соединений обрабатывают герметиком.
Аналогичным образом осуществляется установка воздуховодов из ПВХ. Ножовкой по металлу нужно разрезать трубу на отдельные детали требуемых размеров, затем с помощью специальных переходников осуществить их коммутацию с элементами вытяжки. Труба должна входить в патрубок не менее чем на 5 см. Места соединений в обязательном порядке необходимо промазать герметизирующим составом.
Если установить на кухне слишком мощную вытяжку, может наблюдаться обратная тяга: в комнату будут попадать запахи из вентиляционной шахты. Подобный эффект может происходить при использовании особо мощных агрегатов, производительность которых составляет 600−700 м3 воздуха в час. Для борьбы с такой проблемой требуется установить обратный клапан. Последний производят в нескольких вариациях:
- в виде пластмассового диска на оси;
- пленчатый.
Чтобы все детали вентиляции на кухне были в одной цветовой гамме, желательно покупать готовые комплекты. Сегодня большинство производителей выпускают наборы, которые состоят из вытяжки, воздухопровода и доборного элемента. Качество материалов играет далеко не последнюю роль. Излишняя экономия чревата тем, что система проработает не больше пяти лет. В то же время высококачественная продукция из ПВХ рассчитана на эксплуатационный период не меньше 30 лет.
Гибкие воздуховоды круглого сечения
Воздуховод из полиуретана
Гофрированные круглые вентиляционные трубы представляют собой каркас из проволоки с покрытием из ПВХ, алюминиевой фольги. Гибкие пластиковые трубы круглого сечения для вентиляции не относятся к гофротрубам.
Гибкая круглая пластиковая вентиляция может быть:
- с термоизоляцией повышенной прочности или стандартной;
- без изоляции (стандарт или повышенной прочности);
- со звукоизоляцией (снабжена внутренним воздуховодом).
Плюсы гибких воздуховодов:
- простота монтажа, демонтажа;
- легкость обслуживания и ремонта системы вентиляции;
- простота перевозки и складирования;
- малый вес;
- простота замены трассы при необходимости;
- невысокая цена.
Гибкие воздуховоды не устанавливаются на длинные трассы, так как разрешается провисание трубы не более 5 см.
Особенности монтажа
Перед тем, как монтировать домашнюю вентиляционную сеть необходимо:
- составить схему магистрали с точными размерами;
- подбирать форму короба: прямоугольную или круглую;
- рассчитать количество соединительных колен, вентиляционных пластиковых переходов и поворотных элементов.
Если выбирается гибкий воздуховод, задача по монтажу намного упрощается. Потребуется гибкая труба, вентиляционная решетка и несколько крепежных хомутов. С одной стороны конец пластиковой гофры подсоединяется хомутами к кухонной вытяжке, а с другой стороны – к вентиляционной решетке. Остается только запрятать воздуховод за карнизом кухонного навесного шкафчика или спрятать за съемной панелью.
Ассортимент современных пластиковых систем вентиляции открывает большие возможности для самостоятельного монтажа бытовой вентиляции. Однако если есть сомнения в своих силах или необходимо запроектировать сложную вентиляционную сеть, то лучше не рисковать, а обратиться за помощью к специалистам для профессионального монтажа вентиляционной системы.
Выбор трубопроводов для вентиляции помещений различного назначения на видео:
Просмотров: 869
Прямоугольные и круглые воздуховоды
Полезная информация ›
Воздуховоды (прямые и фасонные части) прямоугольного и круглого сечения изготавливаются определенных размеров и видов, установленных:
- ВСН 353-86 «Проектирование и применение воздуховодов из унифицированных деталей»
- ТУ 36-736-93 «Воздуховоды вентиляционные металлические»
- СНиП 2.04.05-91 «Отопление, системы вентиляции, кондиционирование»
У круглых воздуховодов есть существенные преимущества перед прямоугольными . В большинстве случаев прямоугольный воздуховод может быть заменен на круглый без увеличения створа прохода воздуховодов. При расчете монтажных створов для прямоугольных воздуховодов не учитывают высоту фланцев — 40-60 мм и необходимую монтажную зону для закручивания болтов по углам фланцев. Это пространство можно использовать при замене на круглые воздуховоды с ниппельным соединением. Круглые воздуховоды с ниппельным соединением не имеют выступающих частей и требуют сушественно меньше пространства для монтажа систем вентиляции. Практически всегда пакет круглых воздуховодов занимает меньше пространства, чем соответствующие по площади сечения прямоугольные воздуховоды
Это особенно важно для стесненных подшивных потолков, коридоров и шахт, где воздуховоды устанавливаются в несколько слоев
Площадь поверхности круглого воздуховода на 12% меньше плошади поверхности аналогичного по живому сечению квадратного воздуховода. При соотношении сторон прямоугольного воздуховода 1:4 разница возрастает до 40%. Это делает эффективным замену одного плоского воздуховода на несколько круглых, идущих параллельно.
Для тепловой и противопожарной изоляции круглых воздуховодов достаточно более тонкого слоя изоляции, чем для прямоугольного при равных требованиях. Значительно уменьшается и расход изоляции.
Чем меньше периметр прямоугольного воздуховода, тем больше удельная (на 1 м2 поверхности воздуховода) стоимость фланцев и крепежа. Наиболее дорого обходятся воздуховоды периметром 1600 мм.
При деталировке используются только стандартные фасонные детали минимальной длины.
Круглые прямые участки заказываются максимальной длины, удобной для перевозки (4-6 п.м.). Помните, что чем длиннее используемый воздуховод, тем меньше мест соединений, утечек воздуха и дешевле монтаж систем вентиляции.
Прямоугольные воздуховоды имеет смысл использовать только при их периметре свыше 1600 мм. При этом использование воздуховодов длиной 1250 мм позволяет увеличить их жесткость и избавиться от проблем «хлопающих» воздуховодов. При соотношении сторон более 1:3 используются дополнительные стойки жесткости. Эти меры застрахуют вас при вводе систем в эксплуатацию от дополнительных работ.
Использование стандартных узлов позволяет «пережить» любые изменения в проекте и работать с «листа» без каких-либо потерь. При изменении проекта все демонтированные воздуховоды могут быть использованы повторно, так как они стандартные. При работе с «листа», имея некоторое количество стандартных воздуховодов, можно тут же начать монтаж, а затем довезти необходимые детали.
Чем больше доля стандартных деталей, тем меньше будут отходы при монтаже.
При проектировании современных систем вентиляции и кондиционирования воздуха возможно используются любые фасонные детали сетей воздуховодов, поскольку существующие технологии производства круглых воздуховодов позволяют изготовить эти детали с высоким качеством.
Пример замены воздуховодов прямоугольного сечения на воздуховоды круглого сечения
«ИНТЕХ» — инжиниринговая компания. На нашем ресурсе air-ventilation.ru Вы можете узнать необходимую информацию и получить коммерческое предложение.
Нужна консультация? Звоните:
+7(495) 118-26-34
Отзывы о :
Информация, размещенная на сайте, носит ознакомительный характер и ни при каких условиях не является публичной офертой.
Особенности монтажа
Классический вариант накладной вентиляционной крышки из ПВХ пластика с сетчатым экраном устанавливается по следующему алгоритму:
- вскрывается упаковка, и вынимаются все элементы конструкции;
- решетка аккуратно разбирается: снимается крышка с жалюзи, сетчатый экран и отделяется корпус с посадочными отверстиями;
- корпус прикладывается к отдушине, и через отверстия карандашом делаются отметины на стене;
- в точках крепления сверлятся отверстия, вставляются дюбеля;
- на обратную сторону корпуса наносится клей или силикон для герметизации стыка, корпус прикладывается к стене и фиксируется саморезами;
- устанавливается сетчатый экран;
- в последнюю очередь вставляется крышка с жалюзи.
При установке сетчатого экрана, если он имеет пластиковую рамку, рекомендуется его зафиксировать одной-двумя каплями силикона. Приклеивать намертво не стоит, так будет легче его снимать для чистки в дальнейшем.
Особенности монтажа
Монтаж круглых воздуховодов имеет свои особенности:
- собирать вентиляционные каналы начинают с больших прямых участков, затем их стыкуют с помощью специальных соединительных элементов: углов, переходников и пр.;
- гофры монтируют так, чтобы они были максимально выпрямлены и растянуты;
- трубы фиксируют через каждые 1-1,5 м, чтобы они не провисали. Их можно крепить к стенам, потолку или укладывать на опору, в зависимости от выбранного типа крепления, нагрузки, особенностей расположения магистрали;
- рукав прокладывают так, чтобы количество поворотов и изгибов было минимальным, в противном случае система сильно потеряет в мощности;
- все швы и стыки дополнительно герметизируются с помощью уплотнительных прокладок, герметика и пр.;
- для алюминиевых труб необходимо заземление, т. к. они накапливают статическое электричество.
Необходимо учитывать эти особенности при проведении монтажных работ. Тогда удастся собрать мощную и надежную вентиляционную систему.
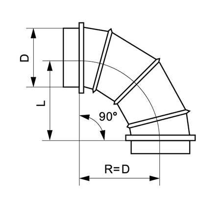
Круглые вентиляционные отводы
Можно заказать любой угол поворота
Отводы необходимы для поворота круглых воздуховодов для вентиляции на углы 30, 90, 60, 15 и 45 градусов. Круглые вентиляционные отводы изготавливаются из рулонной оцинкованной или нержавеющей стали толщиной 0,55 – 1 мм.
Стандартный отвод конструируется по схеме диаметр = радиусу поворота.
Но по заказу производятся круглые вентиляционные отводы с любым радиусом поворота от 150 мм и любой длиной шейки.
Отводы собираются из отдельных сегментов, крепящихся друг с другом замковым соединением. Их размеры и количество определяются углом поворота. Отводы с самыми маленькими диаметрами выполняются методом штамповки.
Как правило, диаметр круглого вентиляционного отвода чуть меньше, чем диаметр круглого воздуховода для вентиляции. Отвод просто вставляется в воздуховод, что позволяет экономить на крепеже и фасонных элементах.
Отводы соединяются ниппелями или фланцами.
Фасонные изделия небольших диаметров можно приобрести сразу, крупные и нестандартные же следует заказывать. При заказе указываются угол отвода, диаметр и радиус поворота (если он не стандартен).
Размеры труб для воздуховодов
Чтобы правильно рассчитать необходимый объем подаваемого в помещение воздуха, следует руководствоваться рекомендациями СНиП 41-01-2003 и МГСН 3.01.01. Здесь также прописаны предельные нормативы скорости воздуха. Для жилых помещений с естественной системой вентиляции – не более 1 м/с, с принудительной – 3-5 м/с.
Промышленные предприятия выпускают большой ассортимент типоразмеров, позволяя подобрать подходящие элементы для строительства воздуховодов любой сложности:
- Элементы круглого сечения имеют габариты от 100 до 2000 мм.
- Размеры прямоугольных конструкций варьируются от 100 до 3200 мм.
Расчет воздуховодов каналов: методики и важные нюансы

Для создания хорошей системы вентиляции надо создать достаточно эффективные пути поступления и вывода воздуха Следующие простые правила помогут уменьшить ошибки:
- Хорошая герметизация современных помещений заставляет создавать вентиляционные отверстия (1) для доступа свежего воздуха.
- Для перемещения его в другие комнаты устанавливают специальные каналы (2).
- Из жилой зоны воздушный поток (3) может поступать в санузел, ванную, кухню, но не в обратном направлении.
- Каждый метр трассы (4) уменьшает производительность вытяжки на 5% и более. Для повышения производительности минимизируют число поворотов.
Точный расчет воздуховодов вентиляции можно сделать по приведенным ниже методикам. Но в любом случае, кроме отмеченных рекомендаций, надо учитывать архитектурные особенности объекта недвижимости
Также следует обратить внимание на предполагаемый режим будущей эксплуатации, частоту проветривания комнат, иные индивидуальные предпочтения
Как сделать расчет производительности по воздуху с учетом действующих нормативов
Более точные результаты можно получить после вычисления мощности вентиляционной системы двумя способами.
| Название методики | Формула | Обозначение | Единицы измерения | Расшифровка |
| Расчет воздухообмена по кратности | МВС = К х П х В | МВС | м куб. за час | Мощность вентиляционной системы. |
| К | ед. | Коэффициент кратности. В жилых объектах применяют от 1 до 2, в офисных и общественных помещениях увеличивают до 3. | ||
| П | м. кв. | Площадь комнаты. | ||
| В | м | Высота потолков. | ||
| Вычисление притока с учетом количества людей | МВС = Ч х Н | Ч | ед. | Количество человек, «постоянно пребывающих» в комнате. |
| Н | м. куб. | Нормативный коэффициент (30 – минимум для спальни, 60 и более – кухня, детская комната). |
Для последующего определения технических параметров канала берут большую величину. Лучше сделать определенный запас, чтобы не испытывать неудобств при максимальных нагрузках системы.
Основные принципы правильного расчета сечения воздуховодов вентиляции
В следующих формулах используют вычисленное значение производительности, а также скорость воздушного потока.
| Формула | Обозначение | Единицы измерения | Расшифровка |
| СР = МВС х НК/С | СР | см кв. | Площадь поперечного сечения канала. |
| МВС | м куб. за час | Мощность вентиляционной системы из предыдущего раздела статьи. | |
| С | м/с | Скорость воздуха в канале. Для магистральных участков ее устанавливают в диапазоне от 5 до 9 м/с. В ответвлениях – от 3 до 5 м/с. | |
| НК | ед. | Нормативный коэффициент. Для этой формулы применяют значение: 2,778. |
Нюансы монтажа
Трасса прокладки воздуховода по возможности должна иметь наименьшую протяженность и минимальное число соединений. До начала сборки вентиляционная система разбивается на отдельные блоки длиной не более 15 метров.
Каждый такой узел собирается отдельно, с использованием следующего алгоритма:
- На элементах конструкции отмечаются места креплений, при необходимости просверливаются отверстия.
- Отдельные элементы собираются в укрупненные узлы, места стыков тщательно герметизируются.
- Монтируется крепеж.
- Готовый узел поднимается на место и закрепляется.
- Производится стыковка с предыдущим установленным узлом.
Для полужестких и гибких воздуховодов при монтаже учитываются некоторые особенности. Так, проход через стены выполняется только с применением вспомогательных элементов – специальных гильз. Радиус изгиба не должен превышать двух диаметров, а направление движения воздуха должно совпадать с маркировкой на воздуховоде. Крепление производится на расстоянии не менее 1 метра, а допустимое провисание составлять не более 5 см на каждый метр длины.
Монтаж металлического воздуховода:
Монтаж пластикового воздуховода:
Способы крепления
Соединение соседних элементов воздуховода производится двумя способами: фланцевым и бесфланцевым (бандажным).
В первом варианте на краях элементов воздуховода расположены фланцы, которые соединяются между собой саморезами, клепками или клипсами (расстояние между соседними элементами крепежа – не менее 20 см). При необходимости шов может быть заварен. Герметичность обеспечивается и другим способом – посредством уплотнительных прокладок.
Бесфланцевое соединение подразумевает использование металлического бандажа. Этот способ более экономичный и простой в реализации.
Соединение с помощью С-рейки:
Утепление воздуховодов
Утепление воздуховода не считается обязательным условием его монтажа. Основная роль теплоизолирующего слоя – борьба с выпадением конденсата, который негативно сказывается на эксплуатационных характеристиках любого материала. В первую очередь теплоизоляция потребуется на наружных участках воздуховода, либо на участках трассы, проходящих по неотапливаемым помещениям.
Еще одно преимущество утепленных воздуховодов – звукоизоляция. Уровень шума на таких участках будет в разы меньше, что позволяет использовать их в детских, спальнях и иных помещениях, где должна соблюдаться тишина. Похожий эффект дает применение элементов с толстыми стенками.
Виды воздуховодов
Как уже было сказано, работа вытяжного устройства невозможна без специализированного воздуховода. Существует несколько видов вытяжных труб, отличающихся друг от друга множеством параметров, однако главная разница выражается в материале, который использовался при их изготовлении.

Помимо этого, они могут отличаться между собой следующими характеристиками:
- длиной воздуховода;
- размер одного диаметра;
- форма сечения (прямоугольные, круглые или плоские);
- по гибкости.
Как же выбрать воздуховод для вытяжки? Чтобы получить ответ на этот вопрос, стоит подробнее рассмотреть различия между вытяжными трубами, созданными из различных материалов.
Алюминиевый
Алюминиевый воздуховоды являются наиболее частым вариантом, который используется для проектирования принудительной системы вентиляции. Их сечение может быть как круглым, так и прямоугольным.
К основным преимуществам таких конструкций можно отнести:
- простота монтажа – алюминиевые воздуховоды легко режутся и гнутся;
- отсутствие резонансного шума;
- относительно вытяжных труб из пластика, алюминиевые продаются по достаточно демократичной цене;
- маскировка – алюминиевые трубы достаточно легко замаскировать, тем самым сохраняя эстетичный интерьер кухни.
Пластиковый
Пластмассовые воздуховоды так же, как и алюминиевые, могут выпускаться с прямоугольным или круглым сечением. Мнение экспертов, о том какая форма сечения является наиболее подходящей для проектирования принудительной системы вентиляции, очень часто отличаются. Кто-то считает, что лучше использовать квадратные воздуховоды из пластика, так как они не отлично впишутся в дизайн помещения, кто-то наоборот предпочитает круглые, так как их производительность значительно выше.
Основные преимущества пластиковых воздуховодов выглядят следующим образом:
- практически полное отсутствие шума;
- высокая универсальность – пластиковые вытяжные трубы отлично справляются с выводом как запахов, так и влаги;
- длительный срок эксплуатации – минимальный срок службы пластикового воздуховода составляет как минимум десять лет;
- пластик не нуждается в дополнительно обслуживании и уходе;
- малый вес позволяет монтировать воздуховод подобного типа без использования дополнительных конструкций.
Гофрированный
Гофрированный воздуховод может создаваться как из пластика, так и из алюминия. Раньше, для его производства использовали оцинкованную сталь, сейчас же такой материал применяется все реже и реже.

Главный достоинством гофрированной вытяжной трубы является ее гибкий канал. Он позволяет удлинять или укорачивать трубу, сгибать канал для поворотов без использования каких-либо дополнительных материалов и крепежных элементов. Помимо этого, гофрированный воздуховод обладает небольшим весом, что также значительно облегчает процедуру его монтажа.





































