Как правильно пользоваться Керхером — инструкция по применению, подключение и уход
Выбор минимойки – процесс, требующий особой скрупулезности и серьезности. Не секрет, что наибольшей популярностью среди потребителей пользуются мойки высокого давления Karcher немецкого производства. Они настолько популярны и распространены, что многие покупатели называют Керхером любой моечный агрегат от другой фирмы. Настоящий Керхер отличается многофункциональностью и надежностью. Такая машина пригодна для выполнения практически любого задания, поэтому спрос на данную технику растет с каждым днем.
Причина популярности в том, что специалисты Karcher первыми в Европе начали производить мойки высокого давления, поэтому имеют огромный опыт в разработке новых моделей. За десятилетия продуктивной работы они успели изучить данный вопрос досконально, внедрить несколько запатентованных технологий, и подобрать идеальные для моечного механизма материалы.
Как сделать правильный выбор минимойки
У Керхера есть несколько классов моек. На каждой модели есть обозначение типа: – К2, К3, К4, К5 и т.д. Также на упаковке каждой мойки схематически показано, что можно мыть с ее помощью
Классы отличаются друг от друга производительностью, мощностью, ценой, и, что особенно важно – материалом, из которого изготовлена помпа
Мы поможем вам разобраться в основных типах мини-моек от прославленного немецкого производителя, чтобы узнать их особенности и рабочие характеристики, ведь эти показатели формируют производительность и определяют предназначение.
Существует распространенное мнение пользователей, что ориентироваться нужно по размеру. Маленькая моет мелкие предметы, средняя – соответственно, средние (в том числе и небольшой и не очень грязный автомобиль). А большая — все габаритное, включая фуры и грузовики, трактора и комбайны.
Зерно истины в этом утверждении есть. Но лучше смотреть не на размер моечного аппарата, а на его технические характеристики.
1. Минимойки начального уровня К2 и К3 характеризуются невысокой ценой и небольшими параметрами корпуса. Их преимущество – легкий вес, удобство при хранении и переносе. Отличаются компактностью, помещаются в багажнике. Но моют они слабовато. К2 подойдут для садовой техники, скамеек, бордюров, велосипедов. Как правило, их покупают для редких и кратковременных работ по эпизодической чистке небольших площадей. К3 помоют и мотоцикл, и даже автомобиль, но не слишком грязный. Давление в таких моделях не превышает 100-110 бар. Классы К4 и К5 – самые оптимальные и популярные среди пользователей. Эти устройства практичны, удобны в применении, рассчитаны на выполнение широкого спектра задач. У них высокий рабочий ресурс и прочная алюминиевая помпа. Давление на выходе может достигать 120-140 бар, есть возможность работать с любым источником воды, можно подключить к крану или к искусственному водоему, цистерне с водой, бочке. Это самый оптимальный вариант минимойки, включающий в себя высокие технические характеристики и доступную цену. Также стоит отметить, что этот класс оснащен:
- системой быстрого подключения Quick connect;
- принудительным охлаждением механизмов, что способствует длительной работе;
- шлангами в комплектации, К-4 – 6 м, К-5 – 9 метров.
2. Есть и промышленные агрегаты Керхер высшего класса К6 и К7. Они могут работать и без перерыва на охлаждение, то есть – в постоянном включении. Эта особенность важна на больших СТО, при мойке габаритных площадей на предприятиях. Скорость и производительность подобных машин достойны уважения, с ними не сравнится ни один производитель. Устройства большие, тяжелые, оснащены колесами для перевозки. Для дома такой агрегат покупать нет смысла в подобной мощности, а вот для бизнеса — самое то.
Что необходимо для качественной мойки
Чтобы правильно подобрать модель, которая максимально удовлетворит ваши запросы, необходимо ознакомиться с особенностями каждой, со спектром ее работы, номинальной мощностью и возможностями, которые она предоставляет механизму.
Принцип действия
Основная функция пеногенератора заключается в том, чтобы обеспечить подачу пены в приготовленный заранее песчано-цементный раствор.
Для производства пенобетона используется обыкновенная бетономешалка. В ней замешивают бетон для заливки фундаментов и стен или раствор для кирпичной кладки.
Когда в процессе перемешивания раствора в него попадает определенное количество пены, то обыкновенный бетон превращается в пенобетон.
О преимуществах и недостатках пенобетона известно всем специалистам. Сегодня этот строительный материал можно приготовить непосредственно на том месте, где возводится дом, гараж или другой объект.
Структура пеногенератора
Приступая к изготовлению пеногенератора своими руками, необходимо оптимизировать все попавшиеся на глаза чертежи и описания.
Дело в том, что многие специалисты, познакомившись с принципом действия пеногенератора, тут же применяют полученные знания, воплотив их в реальность.
Схемы и чертежи:


Наглядную демонстрацию работы пеногенератора можно увидеть на любой автомобильной мойке.
Здесь генератор распыляет моющую пену по кузову транспортного средства, а в процессе изготовления пенобетона с помощью такого генератора «газируются» пеноблоки.
Пена при перемешивании заполняет определенный объем бетонного блока и тем самым уменьшает его исходную плотность.
Простейший пеногенератор можно собрать из следующих элементов:
- патрубок подачи пенообразующего раствора;
- патрубок подачи сжатого воздуха;
- камера смешивания;
- пенопатрон.
Пенообразователь заводского изготовления всегда имеется на стеллажах в магазинах строительных материалов.
Если такой возможности нет, то эмульсию можно приготовить, смешав живичную канифоль, каустическую соду и костный столярный клей. Процесс приготовления не сложный, но требующий аккуратности.
После того как самопальный пенообразователь будет готов, нужно проверить его качество. Пена должна обладать достаточной плотностью и стойкостью.
Сборка и подключение
Основными элементами пеногенератора для производства пенобетона являются камера смешивания и пенопатрон
В этом контексте важно подчеркнуть, что за этими терминами кроются обыкновенные и хорошо знакомые мастерам элементы
Камера смешивания представляет собой обыкновенную трубу. Диаметр трубы выбирается в зависимости от мощности будущего генератора. К трубе привариваются два патрубка.
Видео:
https://youtube.com/watch?v=m79oHazeZEc
Первый – с торца, предназначенный для подачи воздуха, второй – посередине трубы под углом 90 градусов. Через него подается раствор пенообразователя. На каждом патрубке необходимо установить запорный вентиль.
На пеногенераторах для пенобетона заводского изготовления устанавливается по два вентиля – запорный и регулировочный.
Практика последних лет показывает, что при небольших объемах производства, когда нужно изготовить пеноблоки для возведения гаража или дачного домика, вполне достаточно одного запорного вентиля.
Ко второму торцу камеры смешивания приваривается патрубок, который выполняет функции пенопатрона. При возможности внутреннюю поверхность патрубка обрабатывают в форме воронки.
Это делается для уменьшения скорости потока смеси пенообразователя и воздуха, чтобы обеспечить образование пены.
Некоторые нюансы
Когда выполняется соединение камеры смешивания и пенопатрона, между ними фиксируется элемент, который носит название сопло Лаваля, или другое устройство – жиклер.
Эти элементы предназначены, чтобы увеличить скорость протекания смеси при переходе из камеры в пенопатрон. Именно в пенопатроне происходит окончательное формирование пены.
В самодельных пеногенераторах в качестве такого фильтра используют кухонные металлические сеточки, которые продаются в каждом хозяйственном магазине.
Соорудить пеногенератор своими руками для производства пенобетона задача не сложная. Здесь главное представлять себе принцип действия генератора.
Видео:
Технически более сложная задача – правильно подключить пеногенератор к основному оборудованию.
В настоящее время конструкции бетономешалок, которые применяются для производства блоков, можно встретить самые разные.
Перед тем как собирать пеногенератор, необходимо определить все установочные элементы, которые используются при соединении шлангов и труб.
Критерии выбора аппарата
Приобретая парогенератор, важно учесть следующие параметры и технические характеристики:
- Материал корпуса. Производители предлагают потребителям парогенераторы с баллонами из пластика, металла и композитного материала. Лучший и самый долговечный вариант – бак из стали. Он устойчив к ударам, окислению при контактах с моющим средством. Абсолютно не боятся агрессивных жидкостей и перепадов температур алюминиевые баллоны. Но они менее устойчивы к механическому воздействию.
- Длина шланга. В категорию лучших попадают аппараты с длиной шланга и высотой пенной струи от 6 м. Они позволяют обрабатывать автомобиль даже в труднодоступных участках.
- Комплект насадок. Для эффективной работы необходимо широкое распыление пены и ее точечная подача. Две разные насадки должны входить в комплект. При необходимости их можно купить отдельно, но это связано с дополнительными тратами.
- Размер горловины. Эта деталь должна быть достаточно широкой для комфортного добавления жидкости. Обязательно наличие плотной крышки. Также удобно, если предусмотрен сливной клапан для отвода лишней жидкости.
- Мощность. Данный показатель влияет на скорость подачи пены. Давление в аппаратах варьируется от 5 до 8 Бар. Производительность лучшего парогенератора обеспечивает пропуск 12 л раствора за минуту.
Какой объём у Вашего пеногенератора?
25-50л100л и более
При выборе пеногенератора для профессиональной автомойки нужно оценивать объемы устройства. Для индивидуальных целей и небольшой СТО хватит агрегата на 25-50 л. Для крупной коммерческой мойки лучшим станет устройство на 100 л и более. Компактные модели применяют в основном в быту или в мастерских с малым потоком клиентов, поскольку такие модели постоянно требуют дозаправки.
При покупке лучшего пеногенератора для профессиональной автомойки необходимо также уточнить скорость подачи пены. Желательно, чтобы на обработку одной машины уходило не более 5-7 минут, что позволит исключить простои в работе.
Для бытового использования принято считать лучшими недорогие устройства и агрегаты со средним ценником. Они позволяют отмыть машину на загородном участке или во дворе дома, и быстро провести обслуживание сразу нескольких семейных автомобилей. Некоторые приборы вполне пригодны для применения на небольшой профессиональной мойке.
Изготовление пеногена
Наименее трудоемкий метод изготовления пеногена заключается в использовании обычного садового опрыскивателя. Это приспособление берется за основу, после чего дополняется некоторыми элементами. Ранее было упомянуто, что опрыскиватель очень похож на оборудование для мойки авто, поэтому именно он идеально подходит для создания пеногенератора. Самую простую конструкцию пеногена можно легко выполнить в домашних условиях. Мастеру придется позаботиться о наличии:
- Опрыскивателя любого объема;
- Двух сгонов (одна вторая дюйма);
- Гаек для сгонов;
- Воздушного штуцера;
- Клапана;
- Пенообразующей таблетки;
- Переходника для таблетки;
- Металлической трубки.
Пеногенератор своими руками для мойки авто из опрыскивателя выполняется по следующей схеме:
- С основы удаляется клапан сбрасывания давления, а также штуцер для прикрепления шланга;
- В получившиеся выемки вставляются сгоны;
- Сгоны с обеих сторон фиксируются гайками с применением уплотняющих прокладок;
- На любой из двух сгонов устанавливается трубка. Ее нужно устроить таким образом, дабы она не касалась донышка баллона. На этот же сгон ставится обратный клапан и штуцер;
- На второй сгон устанавливается переходник, через него накручивается таблетка;
- Ручной насос заглушается, так как он не нужен. В готовом пеногенераторе он будет исполнять роль крышки бака;
- К выходному штуцеру пенообразователя подсоединяется шланг;
- На свободный конец шланга надевается пистолет-распылитель.
Оборудование полностью готово. Следует упомянуть, что изготавливая пеногенератор для автомойки своими руками, чертежи не обязательно делать самостоятельно – можно найти их в специальной литературе, или поискать в Сети.
Эксплуатировать собственноручно изготовленный пеноген немного сложнее, нежели заводской вариант, но не настолько тяжело, чтобы отказаться от такого оборудования.
Для того чтобы вымыть автомобиль при помощи самостоятельно сделанного пеногена следует:
Наполнить две третьих части баллона моющим составом; Присоединить компрессор и начать закачку воздуха в емкость (важно контролировать давление, чтобы оно не превышало стандарт); После того, как откроется клапан распылителя, воздушные массы направят смесь и пропустят ее сквозь таблетку. Из пистолета выйдет качественная пена
Основным минусом самостоятельно изготовленного пеногена является необходимость постоянной подкачки давления, так как специальный регулятор в данном оборудовании не предусмотрен
Кроме того, у мастера не будет возможности регулировать силу выходящей струи
Основным минусом самостоятельно изготовленного пеногена является необходимость постоянной подкачки давления, так как специальный регулятор в данном оборудовании не предусмотрен. Кроме того, у мастера не будет возможности регулировать силу выходящей струи.
Существует еще один способ создать пеногенератор для мойки керхер своими руками. Он применяется не так часто, как предыдущий, однако не теряет популярность среди автомобилистов. Технология выполнения довольно проста:
- Необходимо обзавестись канистрой, объем которой превосходит 20 л;
- К входному соску (из латуни) от автопокрышки следует подсоединить компрессор с машины;
- Далее нужно подсоединить шланг (длина – 6 м, диаметр – 1,6 см) к заранее подготовленному пистолету;
- Скрепить элементы можно посредством резиновых лоскутов, хомутов и гаек.
Видео-руководство:
Модернизация устройства
Доработка включает в себя улучшение функционирования насадки. Недостаток штатных насадок заключается в том, что вода подаётся под низким давлением, поэтому полноценного смешивания не наблюдается. Рассмотрим два способа доработки заводских пеногенераторов.
Замена форсунки
Для модернизации понадобится воспользоваться винтогайкой. Найти её можно в системном блоке компьютера. Это изделие, которым фиксируется материнская плата. Преимуществом винтогайки является то, что она изготовлена из мягких материалов, поэтому в ней не составит труда высверлить отверстие. Для этого нужно взять сверло диаметром 1 мм. Посередине гайки проделывается отверстие. С торцевой части проделывается разрез, чтобы её можно было закручивать отвёрткой. Получившееся устройство следует завинтить внутрь насадки.
Теперь нужно взять аналогичного вида гайку немного большего размера. В ней просверливается отверстие диаметром 2 мм. Со стороны, которая будет повёрнута в сторону насадки, устанавливается форсунка. Для этого берётся стержень от гелевой ручки, от которого отрезается часть длиной не менее 30 мм. На насадке в верхней части делается отверстие диаметром 4,6 мм. Всё соединяется герметиком. Можно приступать к проведению испытательных работ.
Модернизация насадок с сетками
Сетка в насадке играет роль рассекателя воды и образователя пены. Недостатком сеток является их быстрый износ. Чтобы доработать изделие, понадобится воспользоваться жиклёром от карбюратора любого автомобиля. Также понадобится сеточка из нержавеющего материала.
Жиклёр нужно расположить вместо штатной форсунки, обращая внимание на размеры. При необходимости выполнить рассверливание отверстия, чтобы вместить жиклёр. По шаблону штатной сетки нужно сделать новую
Новая сетка должна иметь диаметр ячеек не более 2 мм. После этого изделие можно установить на место штатного и испытать в действии
По шаблону штатной сетки нужно сделать новую. Новая сетка должна иметь диаметр ячеек не более 2 мм. После этого изделие можно установить на место штатного и испытать в действии.
Подводя итог, необходимо отметить, что соорудить пеногенератор для мойки автомобиля не составляет большого труда. Все детали и инструменты имеются в каждом гараже, поэтому при возникновении такой потребности, нужно брать и делать. В материале представлены ориентировочные образцы, поэтому в каждом индивидуальном случае можно использовать свои идеи.
Вариант №3 – пеногенератор из пластиковой канистры
Металлические емкости, необходимые для реализации первого варианта пеногенератора, имеются не у каждого автолюбителя. В качестве недорогой альтернативы можно использовать обычную пластиковую канистру. Для сборки устройства понадобится болгарка, гаечные ключи, форсунка, компрессор, патрубки, трубопроводные фитинги и пистолет. Работы выполняются по такой схеме:
Сначала необходимо обрезать 50-сантиметровый фрагмент дюймовой трубы с помощью болгарки. Внутрь нее необходимо набить достаточное количество обыкновенной рыболовной лески с любым сечением. Этот материал будет служить пенообразователем (аналогично полиэтиленовой мочалке, которая использовалась в варианте №1).
На обоих концах трубы следует плотно зафиксировать сантехнические заглушки
Важно, чтобы эти фитинги были оснащены резьбой. На одной заглушке крепится Т-образный переходник, на другой – штуцер.
К Т-образному переходнику прикрепляются гибкие шланги с кранами.
Один вывод пеногенератора будет подключаться к емкости с моющим средством, ко второму подсоединяется трубка, идущая от компрессора.
Этот способ можно реализовать в разных вариациях. Ниже представлены возможные варианты, среди которых можно подобрать подходящую модификацию на свое усмотрение.


Бесконтактная мойка
Моющий эффект у такого типа мойки достигается за счет специального автошампуня, который наносят с помощью специальных устройств − это и есть пенные насадки. Сам процесс выглядит так:
- Кузов автомобиля тщательно обливается водой, желательно под большим напором. Это нужно для того, чтобы размочить и смыть большую часть присохшей грязи.
- В соответствии с инструкцией к аппарату приготавливается моющий раствор. Обычно это концентрат автошампуня, разбавленный водой.
- Теперь используется пенная насадка для мойки − автомобиль обильно покрывается пеной, двигаться при этом нужно снизу вверх.
Какие емкости лучше использовать в самодельных пеногенераторах
Собирая пеногенератор своими руками, вы можете использовать практически любые резервуары, которые имеются в вашем хозяйстве и способны работать при давлении 3-5 атмосфер. Выбор конкретного варианта зависит от того, что для вас является приоритетом: дешевизна самодельного устройства или его надежность.
Если экономия важнее, можно использовать железные и пластиковые канистры, садовые опрыскиватели и похожие резервуары. Но следует учитывать, что при работе с такими емкостями нужно следить за давлением в пеногенераторе. Незначительное превышение этого показателя может привести к тому, что резервуар взорвется, повредит автомобиль или причинит вам травмы.
С точки зрения безопасности наиболее оптимальным вариантом являются металлические баллоны для пропана. Такие конструкции рассчитаны на десятки атмосфер, поэтому обычными компрессорами, используемыми в домашних условиях, разрушить их достаточно сложно. Очевидно, что пеногенератор с таким баллоном будет более дорогим в производстве, но это полностью компенсируется его долговечностью, безопасностью и устойчивостью к повышенному внутреннему давлению.
Как работает пеногенератор
Такую технику не удастся собрать в гаражных или домашних условиях, не понимая принцип работы устройства. Прежде чем приступить к собственноручной сборке пеногенератора, необходимо выяснить, как функционирует агрегат. Общая схема работы устройства такова:
- Резервуар для моющей смеси заправляется водой, разбавленной с пенообразователем или автомобильным шампунем в определенных пропорциях. Горловина емкости должна быть герметично закрытой.
- К баку подсоединяют компрессор необходимой мощности, который накачивает воздух внутрь резервуара, создавая в нем требуемое давление.
- Когда пользователь открывает клапан пистолета, присоединенного к емкости с помощью гибкого шланга, сжатый воздух начинает выдавливать моющую смесь из бака. Состав проходит через жиклер, где происходит предварительное пенообразование.
- Далее вспененная жидкость проходит сквозь сетку пенообразующей таблетки. На выходе из нее пена становится более мелкодисперсной, готовой к нанесению на кузов авто.
- Готовый пенный раствор распрыскивается через форсунку пистолета на обрабатываемую поверхность. В зависимости от конструкции пеногенератора, ее напор и фронт распыления можно регулировать.
Ознакомившись с принципом действия пеногенератора, можно избежать возможных ошибок при его самостоятельном конструировании. Далее предлагаем рассмотреть несколько различных методов сборки таких устройств.
Принцип действия
Итак, мы будем конструировать воздушно-жидкостный пеногенератор с пассивным барботером. Такой вид данного класса устройств технически прост и доступен для самостоятельного изготовления, а его показатели по производительности и кратности пены достаточны для индивидуальной автомойки. Воздушно-жидкостный значит, что пенообразователь жидкий (раствор автошампуня в воде), а наполнитель пены атмосферный воздух.
Принцип действия генератора пены указанного вида иллюстрирует рис.:

Принцип действия пеногенератора для мойки машины
В зависимости от способа подачи пенообразователя и наполнителя данное устройство конструктивно может быть выполнено:
- Инжекционным (с наддувом) – пенообразователь и наполнитель подаются принудительно под давлением. Возможности регулировки кратности и расхода пены наиболее широкие. «Дальнобойность» (см. ниже) наибольшая. Воздушный компрессор – низкой или средней производительности на давление от 4-5 ати (4-5 бар (прибл.) или 55-70 psi). Расход шампуня на мойку легковой машины 30-50 мл; воды на пенообразователь – 5-6 л.
- Эжекционным прямого действия (с наддувом) – воздух подается также принудительно и подсасывает пенообразователь из расходной емкости с атмосферным дренажем, как в распылителе одеколона с грушей. Конструктивно проще пред. вида (не нужен сосуд на давление), но возможности установки параметров пены несколько уже. Компрессор на давление от 2-2,5 ати (бар, или 29-36 psi); расход воды и шампуня прибл. в 1,5-2 раза больше, чем в пред. случае. С компрессором низкой производительности (для накачки шин) возможно получение только низкократной пены. По данной схеме строится большинство пенных насадок к моечным пистолетам.
- Эжекционным обратного действия – струя пенообразователя из сопла подтягивает атмосферный воздух. Его расход определяется падением давления на срезе сопла, которое не может быть больше 1 атм (0,987 бар или 14,5 psi), поэтому получение высокократной пены невозможно. Актуальные для автомойки дополнительные параметры (см. ниже) неудовлетворительны, но на модели такого устройства из моечного пистолета с грязевой фрезой и обрезка пластиковой бутылки с «талией» (внизу на рис.) можно наглядно понять принцип действия и поучиться настраивать пену.
Дополнительные параметры
На производительность пенной автомойки существенно влияют и дополнительные параметры генератора пены:
- дальность выброса пенной струи (дальнобойность) – чем с большего расстояния можно «обстрелять» заданную площадь, чем меньше времени уйдет на мойку и тем лучше будет ее качество, т.к. у набрызганной в начале пены меньше риска «перестояться»;
- однородность струи – моет машину преим. пена из плотного ядра струи, а образующие ореол хлопья более стекают без толку;
- поперечное сжатие струи – мойка сжатой «лопатой» пены дает гораздо меньшую потерю ПАВ, чем круглой в поперечном сечении «метлой».
Дальше всего «стреляют» инжекционные генераторы, на 3 м и дальше. Однородность и сжатие струи в значительной мере определяются распылительной насадкой, см. далее.
Еще один генератор
Часть пенных насадок к моечным пистолетам выпускается с двойным барботированием, активным пневматическим и пассивным. Воздух в расходный резервуар накачивается через распылитель в виде струи пузырей сквозь пенообразователь, над зеркалом которого образуется шапка низкократной пены. При нажатии на спуск часть ее поступает в камеру с пассивным барботером, который повышает кратность пены. За счет этого резко падает дальность выброса струи, зато под генератор такого типа для мойки небольших поверхностей может быть очень просто приспособлен бытовой помповый опрыскиватель (см. далее), причем возможность его использования по прямому назначению не теряется.
Особенности минимойки с пеногенератором
Следует отметить, что настоящий пеногенератор – это большая ёмкость, минимум от 24 литров, часто стационарная, если объём составляет 50 литров и более, используемая на профессиональных мойках, или на других коммерческих объектах, или просто для больших площадей.
Логично, что в бытовых минимойках с пеногенератором удержать на весу в руках такую ёмкость будет невозможно. Плюс стоимость такого пеногенератора для домашних нужд высока. Для него требуется выделенное место и соответствующие условия эксплуатации. Поэтому в минимойках используется либо пенная насадка, либо пенокомплект.
Объём бачка под пенную насадку зачастую составляет 1 литр, и этого достаточно для эффективного нанесения пены и помывки даже труднодоступных поверхностей.
Пенокомплект состоит из: собственно пеногенератора, копья (с его помощью происходит обливание водой), курка, сетки и баллона.
Следует помнить, что пенокомплект работает только с приборами высокого давления (100-130 бар), каким и является минимойка.
Какой делать?

Виды самодельных пеногенераторов
Выбор типа пеногенератора для самостоятельного построения производится исходя из наличных производственно-хозяйственных потребностей, сосуда для расходного и допустимых затрат на создание установки (см. также рис.):
из бытового помпового опрыскивателя – только мини-генератор с двойным барботированием. Но с его помощью можно вымыть самые загрязняющиеся места машины: колеса, колесные ниши и пороги кузова (см. рис. ниже), мотоцикл (простите – байк), скутер/мопед, велосипед, резиновые сапоги после выхода на природу или работы на огороде;
Мойка пеной колеса и колесной шиши автомобиля
- из помпового переносного садового опрыскивателя – без компрессора такой же пеногенератор, но пригодный для мойки компактного городского автомобиля. С компрессором – любой из описанных выше типов. Лучший агрегат-основа – российский «Жук», его танк без проблем держит 6 бар;
- из автомобильного огнетушителя – пеногенератор с наддувом для мойки личного автомобиля или микроавтобуса/фургончика типа «Газели». «Форд Транзит», «Мерседес Транспортер» и т.п. Компрессор для накачки шин или из холодильного агрегата подойдет;
- из стационарного огнетушителя – генератор пены для профессиональной мойки, в т.ч. большегрузных автомобилей. Компрессор – на производительности от 120-150 л/мин (напр. на основе бортового от ЗИЛ-130);
- из канистры, ведра с крышкой и т.п. – эжекционный с наддувом. Параметры генератора определяются типом имеющегося компрессора.
Как промыть пенную насадку
Для того чтобы пенная сеточка служила вам дольше, после каждого использования нужно обязательно промывать пенообразователь. Делать это нужно так:
Проводите такую процедуру после каждого использования мойки, иначе пенная таблетка может засориться. Остатки моющей пены могут забивать жиклер или саму сетчатую таблетку, спрессовываться внутри и перекрывать выход пены. Если так случилось, сеточку можно попробовать починить. Для этого ее нужно вынуть и замочить в керосине на некоторое время, после чего попытаться прочистить механическим путем при помощи спицы или толстой иглы. Если вышеуказанные манипуляции не принесли желаемого результата, то пенную таблетку придется заменить.
Внимание, только СЕГОДНЯ!
Самым безопасным для лакокрасочного покрытия кузова автомобиля является бесконтактный способ мойки с применением пеногенератора (у нас его еще называют пеногеном). Суть этого метода сводится к нанесению химического моющего средства на поверхность кузова в виде мелкодисперсной пены. После нанесения она размягчает грязь и пыль, далее остается всё смыть струей воды. с лакокрасочным покрытием (тряпкой, щеткой и т. д.) исключает повреждение поверхностных слоев лака, то есть образование так называемой «паутинки» полностью исключено. Поэтому такой способ мойки автомобиля и является сейчас более приоритетным и продвинутым.
Эффективность мойки во многом – чем выше ее плотность, тем лучше очистный свойства, меньший расход воды и химических средств. А пену дает как раз пеногенератор. Поэтому основная задача пеногенератора – получение мелкодисперсной плотной пены, а также равномерное ее распределение по поверхности кузова автомобиля.
Конструктивно пеногенератор очень схож с обычным садовым опрыскивателем, принципиальная схема у них практически одинаковая. Но есть один существенный нюанс – пеноген является оборудованием, работающим под высоким давлением.
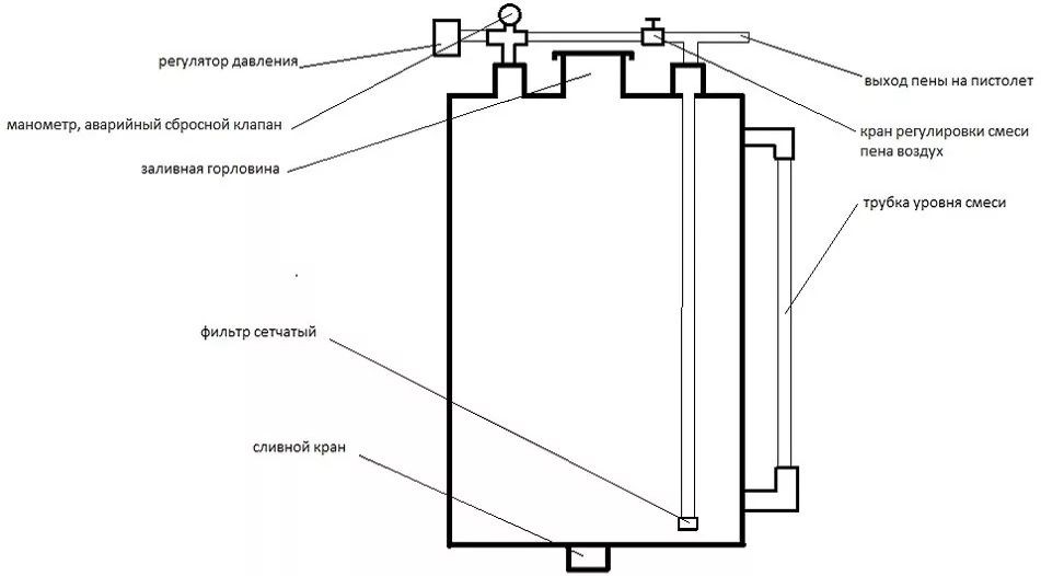
Основными составными элементами этого оборудования являются:
- Баллон (объем бывает разный – от 25 до 100 литров).
- Смеситель.
- Пистолет.
- Соединительный шланг.
Крупногабаритное оборудование, с баллоном большой емкости, может быть установлено на транспортную тележку, для обеспечения легкого перемещения.
Поскольку оборудование работает под высоким давлением, баллоны изготавливаются из нержавеющей или же из обычной стали, но с обязательным покрытием противокоррозионными средствами. В некоторых заводских моделях на баллоне установлена мерная линейка, что позволяет контролировать расход и своевременно осуществлять заправку.
Самостоятельно работать пеноген не может, поскольку требуется подача сжатого воздуха. Для этого предусмотрен на баллоне штуцер для подключения компрессора. Обычно рабочее давление для пеногенератора составляется 5-6 Бар. Для контроля давления на емкости устанавливается манометр, регулировка давления выполняется имеющимся в конструкции регулятором давления.
Пенная таблетка
Основным элементом смесителя является так называемая пенообразующая таблетка. В действительности же она представляет собой мелкоячеистую сетку, сложенную в несколько слоев и изготовленную устойчивой к коррозии проволоки. Она устанавливается в корпус, установленный на баллоне. И именно к нему подсоединяется шланг подачи. Эта таблетка обеспечивает разбивание подающейся на нее первичной пены, на мелкодисперсную фракцию высокой плотности.
Пенная насадка для бесконтактной мойки или пеногенератор
Так выглядит итальянская пенная насадка для бесконтактной мойки в разборе
Имеется два основных варианта бесконтактной мойки:
- использование пеногенератора;
- применение пенной насадки для бесконтактной мойки.
В чем разница между пеногенератором и пенной насадкой и что лучше?
- Пеногенератор дороже — его стоимость примерно в 5 — 10 раз больше стоимости пенной насадки.
- Для пеногенератора необходим компрессор.
- Пеногенератор больше подходит для коммерческих целей, для домашних условиях его использовать нецелесообразно.
Оба эти устройства не входят в комплект минимойки и приобретаются отдельно. Без них бесконтактную мойку произвести невозможно, потому, что именно они производят пену.
Здесь пенная насадка присоединена к пистолету
Рассмотрим принцип образования пены с использованием итальянской пенной насадки для автошампуня:
- в насадку заливается специальный автомобильный шампунь и добавляется в нужной пропорции вода. Соотношение шампуня и воды приблизительно на 1 объем автошампуня 2.5-3 объема воды;
- насадка подключается к пистолетному разбрызгивателю минимойки;
- когда включается минимойка высокого давления это создает в пистолете воздушный поток высокого давления, который засасывает шампуня из бачка. Шампунь смешивается с водой и эта эмульсия на выходе из пистолета разбивается о «таблетку», что вызывает разбрызгивание на поверхность машины. «Таблетка» — это прессованная металлическая сетка.
Так выглядят таблетки для насадки
Для домашних условий использование пенной насадки для аппарата высокого давления (АВД) является оптимальным выбором.
Так выглядит пеногенератор под который нужен компрессор
Пеногенератор представляет собой большую ёмкость от 25 до 100 л, куда заливается реагент или автомобильный шампунь и добавляется вода в необходимой пропорции в соответствии с инструкцией по применению реагента или шампуня. Специальный пистолет генератора может иметь от одной до четырёх форсунок, образующих пену. Давление воздуха, подаваемого на форсунки пистолета от компрессора должно быть более 6 бар. Использование нескольких форсунок позволяет увеличить производительность аппарата пенообразователя и ускорить процесс бесконтактной чистки. Пеногенераторы более эффективны в коммерческих автомойках, где чистка производится параллельно на нескольких рабочих местах и больших объемах. Для пеногенератора обязательно нужен компрессор.
Пенная насадка для бесконтактной мойки комплектуется своей специальной ёмкостью для разбавления шампуней для пены в необходимых пропорциях. Пропорции воды и шампуня могут быть различными в зависимости от применяемой воды и загрязнённости автомобиля. Подробная информация о соотношении компонентов раствора приводится в инструкции по применению автошампуня.
На заметку: Важно не перепутать и заливать автомобильный шампунь в ёмкость для насадки, а не в бак минимойки и не подавать раствор в минимойку через всасывающий шланг. Такие действия приведут к отказу минимойки. Пенные насадки по своей конструкции и применению значительно проще, чем пеногенераторы
К тому же они не требуют в отличие от пеногенераторов в своей работе никакого дополнительного оборудования и, кроме того, их не надо настраивать на определённое давление компрессора
Пенные насадки по своей конструкции и применению значительно проще, чем пеногенераторы. К тому же они не требуют в отличие от пеногенераторов в своей работе никакого дополнительного оборудования и, кроме того, их не надо настраивать на определённое давление компрессора.
Пенные насадки выпускают те же фирмы, которые занимаются производством минимоек. Каждая фирма делает их по-своему. Лучшими считаются пенные насадки для шампуня итальянского производства. Они подходят практически для всех видов минимоек, в частности для Керхер. По качеству производства и по густоте пенообразования они также считаются самыми лучшими насадками. Абсолютно идентичные по конструкции и используемому материалу итальянские пенные насадки производятся двумя разными фирмами РА и Idrobase.





































