Схема подключения домофона
Монтажная схема аудиодомофона
Любой домофон – это переговорная трубка, панель вызова, видео- и аудиоаппаратура, электронный или электромеханический замок, коммутатор. Рассмотрим, как работает каждый из перечисленных выше элементов:
- Переговорная трубка цифрового аппарата должна находиться в квартире, чтобы хозяин принимал сигналы и мог открыть дверь. Стандартное подключение предусматривает обязательное подключение к замку.
- Панель вызова служит для набора номера квартиры или вызова в частный дом. Это устройство с кнопками набора, оно может оснащаться дешифратором, который считывает код с электронных ключей или специальных карточек, может иметь подсветку или визуальный определитель номера квартиры. Последний редко используется в системах контроля доступа к жилью, чаще его монтируют в охранных системах промышленных сооружений.
- Электронный или электромеханический замок домофона служит для контроля состояния входной двери подъезда или ворот частного дома. Чаще устанавливается с электромагнитным замком и цифровой домофон. Магнитный замок легко открывается с улицы, но профессионалы утверждают, что он надежнее электромеханического с металлическими ригелями, которые приводятся в движение электродвигателем.
- Модуль коммутатора передает сигнал вызова от панели абоненту.
Как устанавливать и подключать домофон
Девайс с электромагнитным замком
Электромагнитные замки крепятся на дверь разными способами:
- В подготовленную нишу (вырез), при этом прочные элементы корпуса накладываются на дверное полотно. Это решение не требует наличия столярного опыта, но со стальной дверью могут возникнуть сложности, так как понадобятся навыки сварщика и слесаря.
- Во внутреннюю полость деревянной или металлической двери. Контактная магнитная площадка должна быть выведена на один уровень с поверхностью дверного полотна.
Второй вариант обуславливает высокую точность монтажа, но требует профессионального столярного опыта – паз для замка рекомендуется вырезать аккуратно и строго по размерам. Крепится замок метизами. Корпус его приваривать к двери запрещено – устройство придется ремонтировать, менять или регулировать для более высокой точности расположения ригелей.
Кабель для подачи напряжения на замок следует крепить или по торцу дверного полотна, или под наличниками дверной рамы. Таким же образом укладывают электромагистраль внутри накладного кабель-канала.
Аппарат контроля доступа без замка
Домофон без замка – распространенный в частных домах способ подключения, поэтому смонтировать такую схему может и дилетант. Для монтажа наружного и внутреннего блоков к коммутатору прокладывают кабель, состоящий из четырех жил, или два двужильных провода. Две жилы используются для подачи напряжения питания, две оставшиеся – для подачи аудио- и видеосигналов.
Как будет подключаться домофон, зависит от выбора хозяина дома. Если удобнее выйти на улицу и открыть ворота, то возможен монтаж без электромеханического или магнитного замка. Но более удобный вариант – аппаратура с замком, управление которым будет производиться через кнопку на домофоне.
Подключение видеодомофона без замка
Также можно не монтировать видеоаппаратуру, а вместо камеры установить дополнительную вызовную панель. Такое решение применяется при охране участков большой площади, где есть несколько ворот или калиток. Иногда устанавливают видеокамеру наблюдения вместо второй панели вызова, что позволяет владельцу быстрее решить, открывать калитку или оставить ее запертой.
Цифровые модульные видеодомофоны
Набор и функционал для цифровых систем несколько отличается. Он представлен моделями FN4000 и FN6000. Фирма Farfisa выпускает их в качестве готовых решений для систем видеодомофонов на 4 абонента.
Для них характерно наличие на внешней панели 12-кнопочного модуля вызова TD4100. Связь с абонентом происходит посредством набора уникального четырехзначного кода, который высвечивается на светодиодном дисплее.
В панель входит модуль светодиодной камеры MD41 или MD41C – черно-белая и цветная соответственно. Блок RD4120 позволяет осуществлять электронный поиск — просматривать список абонентов с помощью кнопок прокрутки информации на жидкокристаллическом 32-символьном дисплее.
Модуль TD4110 используется для хранения информации о номерах квартир и абонентах системы. Модуль FP52, опционально, — считыватель электронных карт, может использоваться вместо клавиатуры для обеспечения доступа без набора кода.
При установке систем многоабонентных видеодомофонов возможно использование модуля PDX4000, который выступает в роли цифрового коммутатора консьержа, работающего в трех режимах:
- от посетителя до консьержа;
- от консьержа до жильца;
- от жильца до посетителя.
С этого модуля возможно проведение прямой телефонной линии, на пост милиции. Главным преимуществом цифровых модульных систем является возможность быстрого подключения дополнительных этажных или квартирных подсетей.
В квартирную (индивидуальную) сеть может входить до 6 видеокамер, 3 вызывных панелей, 6 аудиотрубок, 5 мониторов. При этом существует возможность дублирования или перенаправления внешнего вызова на телефон.
Совместимые модели:
- абонентские трубки Studio ST720, Project PT510W, PT512W, 522W;
- видеомониторы Studio ST7100W, Project PT5160WDG;
- видеомонитор Project PT5162W со встроенным декодером.
Конструкция абонентской трубки
Абонентское квартирное устройство состоит из двух частей. Это телефонная трубка и панель, которая обычно крепится на стену рядом с входной дверью. Трубку можно установить в любом месте, только потребуется прокладывать провод по квартире. Внутри телефонной трубки находятся микрофон, динамик и небольшая плата с дискретными элементами. На панели установлен рычаг снятия трубки, а на самой трубке имеется кнопка открывания двери.
Кнопка электронного замка может быть расположена и на настенной панели. В современных моделях рычаг заменён герконом, а на самой трубке имеется небольшой магнит. На некоторых моделях может быть установлен переключатель включения трубки. С обратной стороны панели находятся два винта помеченные «+» и «–». К ним подключается двухпроводная линия.
Подключать провода к трубке домофона следует с соблюдением полярности, иначе домофонной системой пользоваться будет нельзя – она работать не будет.
- Все подъездные домофоны, устанавливаемые в подъездах многоквартирных домов, делятся на две группы:
- координатные;
- цифровые.
Исходя из типов домофонов, небольшие отличия имеют и квартирные трубки. В координатных домофонах за номер квартиры отвечает коммутатор, установленный в подъезде, а в цифровых устройствах, специальная микросхема, которая находится на плате внутри телефонной трубки.
Что это такое
Далее рассмотрим основные моменты правильного монтажа гаджета у себя дома.
В большинстве комплектов видеодомофонов предусмотрен блок питания только для видеопанели. Для этого с обратной стороны существует 4 контакта.
Устанавливаем монитор видеодомофона Необходимо учитывать, что устройство питается от сети V, так что в пределах досягаемости должна находиться розетка. Специалистами рекомендуется устанавливать все элементы в специальных монтажных боксах
Подключая вызывную панель к видеомонитору, необходимо принять во внимание расстояние между ними
Подключение видеодомофона в частном доме должно делаться согласно схеме и рекомендациям, приведенным в документации к купленной системе. Видеодомофон: подключение, схема Для того чтобы самостоятельно установить данный прибор дома, нужно обладать некоторыми знаниями в области электротехники и умениями работать с такими инструментами, как дрель, отвертки, молоток, щипцы, и другим подобным оборудованием, которое может понадобиться при монтаже. Причина — нужно постоянно следить за уровнем заряда батарей блоков. Специалистами рекомендуется устанавливать все элементы в специальных монтажных боксах.
Некоторые его типы позволяют вести прокладку даже в открытом грунте, на воздухе без дополнительной защиты; для передачи видео и аудио чаще всего применяются коаксиальные кабеля. Основные бренды, хорошо зарекомендовавшие себя на рынке видеодомофонов: Commax, Kocom, Slinex,Kenwei, и Gardi.
Подрозетник Высота установки должна примерно соответствовать уровню глаз взрослого человека 1,,5 м. Чтобы установить домофон своими руками в частный дом потребуется немного больше времени, которое уйдет на прокладку кабеля от ограждения дома, где будет установлена панель вызова, до внутреннего помещения.
Это электронное видеоустройство позволяет наблюдать за тем, что происходит в зоне обзора видеокамеры, контролировать доступ в помещение. Если расстояние между устройствами более 40 метров, то информацию следует передавать, используя коаксиальный кабель для домофона. Последний — самый редкий вид, он используется для охраны промышленных или государственных объектов; Замок или запирающее устройство домофона используется для контроля положения двери подъезда многоквартирного дома или калитки частного.
Иногда все материалы, необходимые для самостоятельной установки, идут в комплекте с системой. Основным отличием этих замков, является то, что электромеханический оснащен обычным механическим замком, работающим с помощью привода, в отличие от электромагнитного работающего от электричества. Как показывает практика, правильно собранные схемы домофонов начинают работать сразу и в дополнительной наладке не нуждаются
Обе проблемы решаются очень просто, однако не обратить ваше внимание на них мы не можем. Подключение Конструкция домофона Домофон — это устройство, которое позволяет кому-либо проникнуть в помещение или наоборот, запретить вход, без прямого контакта с ним.
Монтаж видеодомофона в квартире своими руками
Подробная видеоинструкция для новичков!
Какой домофон выбрать
На российском рынке существует множество фирм, изготавливающих устройство для домофонов. Высокие технологии производства позволяют с каждым годом выпускать усовершенствованные модели. Каким будет домофон в доме – решать самим собственникам.
Выбирая домофон, стоит обратить внимание на систему коммутации. По этому параметру выделяют координатные и цифровые домофоны
Их различие состоит в проводе, благодаря которому идет подключение к квартирам.
При установке цифрового домофона, прокладывается одна линия для связи коммутатора со всеми квартирами. Координатная система устроена так, что к каждой квартире будет проложен отдельный провод, соединяющий её с коммутатором.
Сегодня цифровые домофоны считаются более надежными в работе. Но их цена превышает цену координатных в три раза.
Еще одной из характеристик, на которую стоит обратить внимание, является тип связи. Существуют аудио и видеодомофоны
Их разница в наличии дисплея, на котором можно рассмотреть, кто звонит. Видеодомофон обеспечивает высокую безопасность, благодаря ему никто из посторонних не сможет проникнуть внутрь подъезда. Но стоимость таких устройств высока. Владельцы квартир по большей части предпочтение отдают аудиодомофонам.
Кто платит за обслуживание домофона
С момента установки домофон приобретает статус общедомового имущества и принадлежит всем собственникам квартир в доме. Согласно действующему законодательству за содержание и обслуживание имущества платят сами жильцы. После появления домофона в подъезде в вашем почтовом ящике появится и новая квитанция.
Обязанность по выплате сумм за содержание этого устройства закрепляется и за теми собственниками, которые не устанавливали трубки в своих квартирах.
Раньше люди не думали, о том, что кто-то может зайти в их подъезд и причинить ущерб имуществу, которое в нем находится. В советское время и вовсе стояли деревянные входные двери, а на лестничных площадках цвели цветочки в горшочках.
Возможно, причиной вандализма подъездах стали лихие 90, когда нравственность народа желали лучшего. Вот тогда и стали придумывать и устанавливать различные средства защиты от недоброжелателей. Сперва это были кодовые замки, устанавливаемые ЖКХ, после их сменили домофоны. Посмотрим, что еще изобретут для защиты общедомового имущества.
Подключение видеодомофона к общему домофону
Итак, как подключить видеодомофон? Прежде чем купить внешний адаптер и видеодомофон для квартиры с подключением к аппарату, установленному в подъезде, следует определить тип домофонной системы. Адаптеры, подходящие к домофону vizit, могут быть несовместимы с аппаратами других производителей. По конструкции различают:
- Видеодомофоны координатные. Абоненты подключаются шлейфовым проводом. Координатный видеодомофон более надежен, его цена ниже. Благодаря этому, такие аппараты получили широкое распространение. При обрыве или коротком замыкании на одной из линий, другие абоненты остаются подключенными. Видеодомофоны координатные производятся фирмами Визит (vizit), Цифрал (cyfral).
- Цифровые. Такие устройства позволяют подключить более 200 абонентов. Цифровые аппараты выполнены на базе микропроцессорного блока. Подключение абонентов осуществляется по двухпроводной линии, параллельно. Цифровые устройства дороже, чем их координатные аналоги, и не так широко распространены. Их производят фирмы Lascomex, Proel и другие.
Определить, какое устройство установлено в подъезде, можно несколькими способами:
- По числу отходящих проводов. От цифровых устройств отходят 2 провода. Видеодомофоны координатные соединяются с абонентами при помощи шлейфа.
- По фирме производителю или модели. Аппараты Vizit, Eltis, Commax обычно координатного типа. Устройства, произведенные под торговыми марками Proel, Raikmann, как правило, цифровые. Для точного определения типа используемой системы целесообразно ввести номер модели в поисковую систему.
Лучше всего просто узнать телефон обслуживающей фирмы, позвонить и уточнить тип аппарата, установленного у вас. Блок сопряжения для видеодомофона должен быть совместим с общей системой контроля доступа. Целесообразно приобрести универсальный адаптер, который поддерживает стабильную работу видеодомофона с подъездным домофоном. Узнать о совместимости устройств, их производителей можно в техническом паспорте блока сопряжения домофона.
Провода, которые ранее шли к трубке аудифона, необходимо подключить к выносному модулю согласования. Подключать домофон к подъездному домофону нужно 4-х жильным контрольным кабелем, марку которого можно узнать в технической документации адаптера или видеофона.
Все соединения необходимо делать точно по схеме, которая также есть в техническом паспорте. В противном случае система будет неработоспособна.
Если вы решили подключить общеподъездный аудиодомофон к индивидуальному видеодомофону, от аудиофона можно отказаться. Устройство с функцией видеонаблюдения обеспечивает звуковую связь с вашими посетителями. Все же, при всей простоте, подключение видеоустройства и адаптера целесообразно доверить специалисту.
Если вы пытаетесь создать в своей квартире нечто подобное умному дому, то наверняка у вас уже давно имеется видеодомофон.
И когда, наконец, весь подъезд решают оборудовать домофоном, поставив аппарат VIZIT или Filman, то у вас появляется не очень заманчивая перспектива обзавестись двумя аппаратами в прихожей. Это не только лишнее загромождение пространства, но и возможность запутаться.
Однако не стоит торопиться. Возможно, что имеющийся в вашей квартире аппарат можно подключить к подъездному вызывному устройству, при этом не потеряв возможность пользоваться своим собственным. Если же имеющийся прибор такого функционала не предоставляет, то стоит рассмотреть вариант с его заменой.
Выбор совместимых устройств
Если устройства – вызывная панель и домофонный монитор – аналоговые, скорее всего, они будут совместимы. В аналоговых устройствах применяются все те же аналоговые системы передачи телевизионных изображений – PAL или NTSC. Например, вызывная панель от Polyvision и монитор от Commax вполне себе могут «подружиться».
Если же речь идет о цифровых системах, то здесь лучше использовать устройства, рекомендуемые все тем же производителем основного блока. Будет ли это общедомовая вызывная панель со встроенной бесконтактной СКУД или же монитор для частного дома (либо дачи) – все решает сотрудничество разных фирм.
Однако и в цифровых, и в аналоговых системах часто наблюдается ситуация, когда и наружная, и внутренняя панель домофонной системы исполнены одним и тем же поставщиком.
Совместимость аналоговых и цифровых комплектующих под вопросом. Отличить аналоговую систему от цифровой довольно просто: в цифровых используется простейший кабель (витая пара), насчитывающий 4-8 проводов, либо специальный шлейф. Огромную популярность в цифровых видеодомофонах приобретает технология, схожая с PoE (питание происходит через один и тот же кабель).
Схема подключения и поэтапное выполнение работ
Д ля частного дома схема видеодомофона выглядит следующим образом:
- Центром всей системы является вызывная панель, расположенная на входе
- К ней подключаются замок, блок питания и монитор (последние два должны питаться от розетки 220 В)
Однако схему подключения видеодомофона в многоквартирном доме, придется немного изменить:
- Центром системы является специальный контроллер
- К нему подсоединяются электрический замок, блок вызова, монитор и кнопка выхода
Вначале необходимо определиться с месторасположением вызывной панели видеодомофона. Самое оптимальное место – непосредственно около входа на высоте 1.4-1.6 м от земли. Это значение можно выбрать самому, но необходимо, чтоб посетителю было удобно звонить, а не вставать на носки.
Смотрим видео, подробная инструкция:
Обзорный угол встроенный видеокамеры – около 60 градусов. При этом он должен охватывать все основное пространство около входа. Продаются специальные уголки, позволяющие развернуть панель на 35-50 градусов. По возможности ее можно замуровать в стену – улучшатся антивандальные свойства.
Оборудовав площадку для панели и сделав сквозное отверстие для провода, она крепится при помощи идущих в комплекте дюбелей. Осуществляя подключение оборудования с улицы, следует учесть возможность попадания солнечных лучей в объектив, при необходимости сделать козырек.
Затем наладка видеодомофона заключается в монтаже монитора. Располагать его можно в любом удобном месте: непосредственно у входной двери или в желаемой комнате. Но не следует увеличивать расстояние между ним и вызывной панелью, иначе затухающий видеосигнал будет нечетким.
Если осуществляется подключение к более чем одной камере, их пускают по разным линиям. Амплитуда стандартного сигнала – 0.7 В, поэтому чрезмерная нагрузка приведет к его потере.
Следующий этап установки видеодомофона – прокладка проводов. Чему отдать свое предпочтение – описывалось выше. При этом все провода должны располагаться в экранированной оплетке, исключающей возможные помехи.
Смотрим видео, стандартная установка:
Прокладывать соединительную линию рекомендуют по плинтусам или в специальных коробах по стенам. Она должна быть максимально недосягаема, чтобы посетитель случайно ее не оборвал.
Следует также придерживаться нескольких советов:
- Недопустима прокладка телефонной лапшой
- Поблизости не должно быть мощной электропроводки или силовых линий
- Линию нужно стараться делать из одного куска без соединительных колодок
- Строго нужно придерживаться обозначениям в прилагаемой к оборудованию инструкции
Смотрим видео, подключение к замку:
Продолжая подключение видеодомофона установкой электрического замка. Слесарные работы можно опустить, выделив лишь несколько главных моментов
- Питание проводят от отдельного источника с гальванической развязкой с монитором и панелью
- Если постараться запитать его от других элементов – мощности будет недостаточно, и он либо будет нестабильно работать
- Электрический замок соединяется с панелью двужильным кабелем
- Контактное реле, питающий блок и замок соединяются последовательно
- Устанавливая реле, учитывается потребность замка. Большинство моделей выдают 12 В и ток до 10. Если напряжение выше – ток понижают
Собрав все воедино и практически завершив подключение , остается последний этап: проверить систему. Если качество сигналов устраивает, все работает исправно – можно приступать к эксплуатации.
Сравнение цен
Рассмотрим приблизительные цены наиболее распространенных в России производителей.
| Производитель | Модель | Цена, p |
|---|---|---|
| Commax | COMMAX cdv-35a XL | 5800−6200 |
| COMMAX CDV-71UM XL | 16 000−17 000 | |
| COMMAX CDV-71AM | 14 000−15 000 | |
| Kocom | kcv-a374 | 8500−9500 |
| kcv-a374SD | 12 000−13 000 | |
| Tantos | NEO XL | 13 500−14 500 |
| AMELIE XL | 8000−9000 | |
| PRIME XL | 12 000−13 000 | |
| Falcon Eye | FE-35C XL | 5000−6000 |
| FE-4HP2 XL | 3800−4200 |
Самый недорогой Falcon Eye FE-4HP2 XL имеет маленький монохромный дисплей и самые базовые функции, а такие агрегаты как Tantos NEO XL обладают крупными полноцветными дисплеями и широким набором дополнительных возможностей.
Есть еще большой выбор моделей от бренда VIZIT, которые тоже заслуживают внимания.
Принцип работы
Моментом, когда аппарат должен начать работу считается нажатие кнопки, которая находится на внешнем механизме. После этого происходит начало аудио и видеосвязи. Помимо включения связи, в доме у хозяина включается звуковой сигнал. Которые оповещает его о гостях. После этого хозяева или охранники получают возможность рассмотреть приходящего человека и ответить ему по обратной аудиосвязи.
Если человек внутри решает пустить гостя, он нажимает специальную кнопку, которая управляет замком на двери. В случае когда замок открывается или хозяин кладет трубку, камера автоматически перестает работать.
Как подобрать домофон
Подбор устройства находится в зависимости от некоторых условий: цена аппарата с установкой и разряд защиты, важный абоненту. На выбор оказывает большое влияние численность обслуживаемых покупателей (много абонентский или мало абонентский), что непосредственно зависит от разрешаемых задач посетителями (аудио и видеоидентификация) и их экономического состояния.
Главные нюансы при выборе
Первоначально нелишне решить, сколько обывателей будет обслуживаться домофоном – для залога сохранности установленной квартиры или подъезда
После этого надо сосредоточить внимание на следующие данные:
- Фирма-наладчик обязана владеть знаниями и опытом в этой сфере.
- Компания-производитель должна учесть акклиматизационные условия.
- Корпус обязан быть антивандальным, при этом уровень защищенности самый высокий.
- Домофон с записью, детекторами или инновационными деталями, которые сложны в монтаже, должны характеризоваться стабильностью при колебании электропитания.
- У установки должен быть сертификат.
- Наличие руководства по монтажу и эксплуатации.
- Допустимость покупки единичных деталей при неисправности.
- Гарантийный срок и наличие обслуживания системы.
- Выбрать аппаратуру с подходящим числом блоков.
- Степень охраны. Например, двухуровневая защита учитывает установку 1-го блока на подходе к объекту, а другого конкретно около двери. Можно смонтировать единые системы домофонов.
- Тип замка, применимый в домофоне: механический или магнитный.
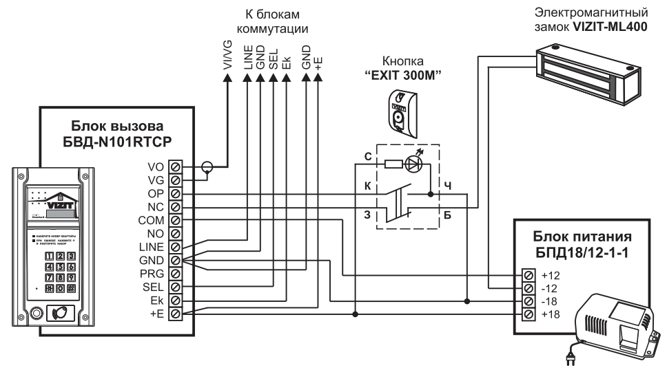
Схема подключения домофона с магнитным замком
При подборе видеодомофона надлежит концентрировать внимание на обзоре, наличие подсвечивания ночью.
Также следует учесть, что при возникновении каких-либо опасных ситуаций дверь не должна заблокироваться, а раскрываться легко. Доводчики:
- максимальный вес двери, какую может выдержать элемент;
- смотря где, будет использоваться;
- регулировка системы соответственно сезону;
- вероятность применения в разных погодных ситуациях;
- простота программного обеспечения, а также перепрограммирования.
Видео инструкция по выбору домофона.
Основные схемы подключения домофонов
Для начала выбирают из имеющихся оптимальную схему. В многоквартирном доме схема сложнее, чем в частном.
В многоквартирном доме
Схема подсоединения зависит от вида домофона – координатного или цифрового. Подъездный прибор устанавливают специалисты, делая разводку по этажам. Они же подсоединяют индивидуальные домофоны.
Цифровой домофон
Это дорогостоящий прибор, который пользуется меньшей популярностью в сравнении с аналоговыми видами. Он дает возможность одновременно обслуживать не больше 255 абонентов.
Двухжильный кабель проводят по стояку подъезда. К нему идут квартирные домофоны. Программирование номера квартиры осуществляется с помощью микросхемы внутри трубки. На нее устанавливают джамперы либо перемычки, которые и кодируют номер. Код квартиры соответствует замкнутым перемычкам на цифровой панели. Обязательно четко соблюдают полярность.
К примеру: для подключения домофона перемыкают джамперы, сумма которых соответствует номеру квартиры. Если номер 36, то соединяют перемычки 32, 2, 2.
Иногда домофоны оснащены встроенным блоком сопряжения. При его отсутствии при подключении дополнительно используют модуль сопряжения МСЦ. Он согласовывает работу домофона в подъезде и видео прибора в квартире. Этот блок совместим с моделями разных производителей. Но могут быть и некоторые ограничения.
Процесс подсоединения состоит в подключении к модулю 2 проводов от кабеля видео домофона и подъездного устройства. Адаптер оснащен выходами для камеры и панели вызова.
Плюс цифрового домофона – богатый набор функций.
Координатный домофон
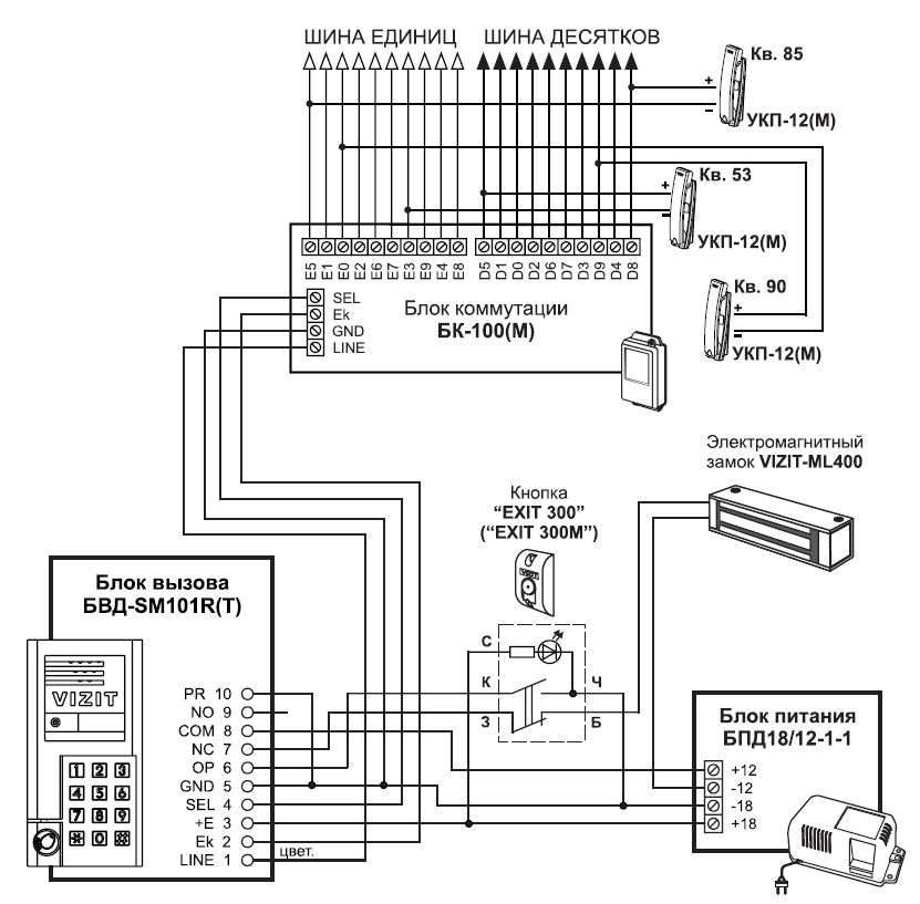
Его используют чаще, так как при поломке прибора у одного абонента система у других будет работать. Подсоединение выполняют по схеме, работающей по принципу телефонной автоматической станции. Обязательно присутствует коммутатор. Для подключения к нему используют 2 шины: на первой контакты соответствуют единицам (Е0…Е9), на второй – десяткам (D0…D9). К примеру, для подключения квартиры №54, нужно минусовой провод подсоединить к клемме E4, а плюсовой – к D5.
Когда номер квартиры выше 80, делают перепрограммирование и смещение номеров. Для подсоединения домофона надо знать число смещения.
Для подключения координатного домофона используют модуль сопряжения МСК. Его подключение аналогично МСЦ. Здесь тоже нужно придерживаться полярности, иначе прибор не будет нормально работать.
Для подъезда с малым количеством квартир оптимален аналоговый домофон с встроенным коммутатором. Можно сразу подключать квартиры к вызывной панели, что существенно облегчает установку трубок.
Плюс такой системы – пользовательские трубки разных фирм взаимозаменяемы.
Беспроводной домофон
В этом случае кабель для контакта внутреннего блока и панели вызова не нужно. Монтаж проводится быстрее и легче. В зависимости от модели дальность действия доходит до 100 м. При расчете нужно учитывать расстояние между панелью вызова и трубкой, толщину стен и иные преграды, которые могут создавать помехи.
В процессе монтажа в многоквартирном доме панель вызова устанавливают около двери квартиры, в коттеджах – около калитки. Крепят ее на высоте 1.5-1.6 м. Если есть замок, то его тоже крепят к двери, а управление подсоединяют к домофону. Дисплей с трубкой в квартире устанавливают в удобном для пользователя месте.
Плюс беспроводного домофона – установка в любой части помещения. Для увеличения дальности функционирования можно использовать направленную антенну.
С электрическим замком
Это самый распространенный вариант. Замок и домофон подключают вместе, что дает возможность открывать замок с помощью кода, кнопки на панели вызова и электронного ключа. К внешнему блоку от наружного при установке аудио домофона ведет 3-жильный кабель. Для подсоединения видео домофона применяют 4-жильный кабель.
При подключении домофона нужно учитывать, что вызывная панель питается от внутренней панели, а последняя – от 220В.
Без замка
Самый простой способ. Внутренний и внешний блоки соединяются между собой двумя 2-жильными или 4-жильным проводом. По двум проводам подается видео и аудио сигнал, а по остальным – питание. Домофон без электрического замка стоит подключить, если удобно выходить постоянно на улицу и открывать дверь. Желательно устанавливать домофон с замком, которым управляют нажатием кнопки, при этом не выходя из дома.
Способы подключения многоквартирных подъездных домофонов
Установив домофон в подъезд, жильцы коллективным решением ликвидируют множество проблем. В том числе и по ограничению доступа нежелательных гостей. Определенная квалификация и знание электрической схемы домофона позволят осуществить установку даже непрофессиональным монтажникам.
Многоквартирные конструкции подразделяются на 2 разновидности:
- Цифровая.
- Координатная.
Оба типа схожи по принципу работы и комплектности, но отличаются способами коммутации внутреннего телефона (трубки) в квартире. Наиболее распространенные марки оборудования – Metakom, Eltis, Cifral, Vizit, Commax, Laskomex.
Цифровая система
Установка цифровой домофонной сети, согласно смете, обойдется дороже, чем координатной. Дело здесь не только в более сложной схеме подключения, но и в оборудовании. А для многоквартирного дома его понадобится немало, учитывая разветвленную коммутацию, поэтажную разводку. Вот и думайте, что предпочтительнее для установки домофона. А заодно согласуйте принятое решение с другими жильцами.
Число обслуживаемых абонентов ограничено: до 255 человек. К главной магистрали, пересекающей подъезд по вертикали, подводятся провода от отдельных абонентских трубок. Схема подключения – параллельная.
Координатная система
Данный способ отличается некоторой внешней сложностью: многожильным кабелем отдельно подключаются десятки и единицы, образующие номер квартиры. Некоторые трудности монтажа компенсируются независимой, надежной работой домофона у каждого абонента. Поломка отдельных трубок не влияет на функционирование всей сети.
Как подключить трубку домофона самому ( теория) часть1
Единственная тонкость – тщательное следование полярности при подключении внутриквартирных магистралей. Допускается использовать терминалы (трубки) нескольких производителей, они могут быть не одинаковыми.
Схема подключения и поэтапное выполнение работ
Д ля частного дома схема видеодомофона выглядит следующим образом:
- Центром всей системы является вызывная панель, расположенная на входе
- К ней подключаются замок, блок питания и монитор (последние два должны питаться от розетки 220 В)
Однако схему подключения видеодомофона в многоквартирном доме, придется немного изменить:
- Центром системы является специальный контроллер
- К нему подсоединяются электрический замок, блок вызова, монитор и кнопка выхода
Вначале необходимо определиться с месторасположением вызывной панели видеодомофона. Самое оптимальное место – непосредственно около входа на высоте 1.4-1.6 м от земли. Это значение можно выбрать самому, но необходимо, чтоб посетителю было удобно звонить, а не вставать на носки.
Смотрим видео, подробная инструкция:
Обзорный угол встроенный видеокамеры – около 60 градусов. При этом он должен охватывать все основное пространство около входа. Продаются специальные уголки, позволяющие развернуть панель на 35-50 градусов. По возможности ее можно замуровать в стену – улучшатся антивандальные свойства.
Оборудовав площадку для панели и сделав сквозное отверстие для провода, она крепится при помощи идущих в комплекте дюбелей. Осуществляя подключение оборудования с улицы, следует учесть возможность попадания солнечных лучей в объектив, при необходимости сделать козырек.
Затем наладка видеодомофона заключается в монтаже монитора. Располагать его можно в любом удобном месте: непосредственно у входной двери или в желаемой комнате. Но не следует увеличивать расстояние между ним и вызывной панелью, иначе затухающий видеосигнал будет нечетким.
Если осуществляется подключение к более чем одной камере, их пускают по разным линиям. Амплитуда стандартного сигнала – 0.7 В, поэтому чрезмерная нагрузка приведет к его потере.
Следующий этап установки видеодомофона – прокладка проводов. Чему отдать свое предпочтение – описывалось выше. При этом все провода должны располагаться в экранированной оплетке, исключающей возможные помехи.
Смотрим видео, стандартная установка:
Прокладывать соединительную линию рекомендуют по плинтусам или в специальных коробах по стенам. Она должна быть максимально недосягаема, чтобы посетитель случайно ее не оборвал.
Следует также придерживаться нескольких советов:
- Недопустима прокладка телефонной лапшой
- Поблизости не должно быть мощной электропроводки или силовых линий
- Линию нужно стараться делать из одного куска без соединительных колодок
- Строго нужно придерживаться обозначениям в прилагаемой к оборудованию инструкции
Смотрим видео, подключение к замку:
Продолжая подключение видеодомофона установкой электрического замка. Слесарные работы можно опустить, выделив лишь несколько главных моментов
- Питание проводят от отдельного источника с гальванической развязкой с монитором и панелью
- Если постараться запитать его от других элементов – мощности будет недостаточно, и он либо будет нестабильно работать
- Электрический замок соединяется с панелью двужильным кабелем
- Контактное реле, питающий блок и замок соединяются последовательно
- Устанавливая реле, учитывается потребность замка. Большинство моделей выдают 12 В и ток до 10. Если напряжение выше – ток понижают
Собрав все воедино и практически завершив подключение , остается последний этап: проверить систему. Если качество сигналов устраивает, все работает исправно – можно приступать к эксплуатации.
Набор и настройка беспроводного видеодомофона
Установка беспроводного видеодомофона производится по ранее приведенной схеме.
Важно! Единственное, что придется прислушаться, это замена элементов питания отдельных модулей. Обычно в беспроводных системах они питаются с батареек или встроенного аккумулятора. Потому при размещении частей видеосистемы рекомендуется либо вверять доступ к отсекам, либо предусмотреть удобный демонтаж
Потому при размещении частей видеосистемы рекомендуется либо вверять доступ к отсекам, либо предусмотреть удобный демонтаж.
Все модули размещаются держи расстоянии, не больше указанного в документации к изделию. Подключение замка делается чрез силовой контролер, выступающий отдельной составной частью системы. Чтобы настроить беспроволочный видеодомофон, достаточно следовать инструкции производителя.









































