Каких оптимальных размеров они должны быть в русской парилке и финской сауне
Если вы сами определились с тем, какого типа у вас парилка, и хотите узнать, каковы оптимальные размеры полка в бане этого типа, то для вас мы разделили информацию для бань и саун.
Высота в парилке русской бани
Выше уже говорилось немного о том, что для одноярусного полока оптимальная высота – это 75-90 см. Два условных яруса получаются, если добавить передвижную скамейку. Но гораздо чаще выбор останавливают на стационарной конструкции, состоящей из двух ярусов.
Для наглядности описания предлагаем рассмотреть картинку ниже:

Вы видите довольно узкие полки в бане, высота которых отличается от рекомендованной выше: верхний 95 см, нижний 40 см. У парующего тут два варианта действия – либо становиться за нижним полком и паровать лежащего на верхнем не приближаясь, либо встать ногами на нижний полок, чтобы приблизиться к паруемому. Ну, сложно сказать, будет ли это удобно всем. Да и 70 см – это, как бы, ни нашим, ни вашим – сидеть придется сильнее отклонившись, лежать – чуть удобнее, чем на 60 см
ВАЖНО! Все-таки мы настаиваем на том, чтобы высота полков в бане в парилке имела анатомическое соответствие людям, которые чаще всего паруют других. То есть делайте до костяшек его руки.
Какая должна быть высота в сауне
А вот тут гораздо больше свободы по выбору высоты полков: размеры определяются только удобством сидения, а эргономически эта величина определяется замером расстояния от пола до сгиба ноги сидящего человека.
Таким образом, вы можете сначала сделать замеры, скажем, для взрослых членов семьи, потом решить, будет это максимальная величина или среднее арифметическое, а после просто сделать желаемое количество ярусов с шагом по выбранной величине.
Пример: если у вас получилась цифра в районе 45 см, то первый полок будет 45 см, второй 90, третий 135. Однако по поводу третьего возникают сомнения: стоит принимать в расчет совет о том, что от потолка до верхнего полока неплохо было бы соблюсти расстояние в 120 см или около того. Но тогда у нас потолок будет 135+120=255 см, а это не ко всем саунам применимо.
Ниже приводится картинка, авторы которой сократили высоту каждого из трех полков до 40 см:

Ну, 220 см – это уже более реальный потолок.
Какая ширина должна быть в бане
Тоже не праздный вопрос. Потому что имеет значение, на каком расстоянии за спиной находится опора – в одном случае нам сидеть комфортно, в другом – угол наклона туловища уже не тот, что надо.
Для того, кто расположился лежа, ширина полков в парилке тоже имеет большое значение – когда полок широкий, проблем нет, а когда он слишком узкий, то оказывается, что руки некуда девать.
Поэтому то, какой ширина полка в бане должна быть, зависит снова от основного использования полка – лежа или сидя.
Так как здесь мы говорим о русской бане, то для полка в бане оптимальным размером по ширине будет 90 см.
ВАЖНО! При этом следует понимать, что сидеть, откинувшись на спинку, при такой ширине вы не сможете. Возможное сидячее положение – либо подтянув на полок ноги, либо полулежа с опорой на спинку.
Ширина в парилке сауны
В сауне достаточно сделать полок в бане шириной в 40 см для сидения с выпрямленной спиной или 60 см для комфортного сидения откинувшись на спинку.
ВАЖНО! Те, кто сделает размеры полков в парилке бани такими, как сказано выше, не смогут париться на них лежа. Следовательно, такой вариант можно рекомендовать только любителям классической сауны, либо тем, кто парит себя сам, сидя на полке.
Длина
Само собой разумеется, что главным определяющим фактором длины являются габариты конкретной парилки. Чаще всего владельцы делают конструкцию от одной стены до другой, используя стены в качестве места крепления опорного бруса. Последнее не считается правильным, но практикуется довольно часто (опасность заключается в загнивании места контакта).
Однако на самом деле выбор по длине тоже есть
Обратите внимание на приведенную ниже картинку: там показаны размеры, которые можно интерпретировать как взаимосвязь между положением тела и длиной полка

Из чего состоит конструкция полока
Возможно, такое названия как «полок» вы лишь недавно услышали, а раньше называли эту часть банного помещения лавкой. И это не странно, ведь это и есть специальные банные лавки, но у них бывает разная высота, и расположены они по специальной схеме. Вся конструкция состоит из двух главных элементов:
- Каркас. Он выполняет функции основы для установки досок стационарного настила, также каркас может быть основной для разборного варианта настила. Обычно для сооружения этой части полок используют опорные стойки, которые по внешнему виду похожи на ножки лавки, для соединения элементов применяют доски-перемычки. Также некоторые мастера возводят каркас способом лестничного косоура, к этой конструкции прикрепляются ступеньки банных полков. Финны также знамениты своей любовью к саунам, и при постройке конструкций финского типа применяется каркас без опор, для этого к стене парилки просто крепится железнодорожная полка.

- Настил. Это вторая часть банных полок, для нее используются небольшие дощечки, которые устанавливаются с пропуском на 1-2 сантиметра. Чаще всего используют осину или липу, а перед установкой древесину тщательно шлифуют. Как уже говорилось, крепится настил на специальный каркас, также можно сделать отдельную конструкцию типа напольного трапа. Такой вариант более удобен тем, что его при необходимости можно снять, промыть и проветрить на улице. Используется настил и как сиденье, и даже как лежанка. По такому же принципу можно соорудить спинки сидений, боковушки, и даже подушки. Некоторые мастера делают специальные приспособления для принятия водных процедур в лежачем положении, когда ноги находятся на уровне головы или даже выше.

Помещения парильни обычно небольшие по площади, ведь чем меньше квадратура, тем легче довести температуру до необходимого показателя, также это позволяет экономить. Из-за небольших размеров постройки, банная мебель обычно имеет простую, прямоугольную геометрию. Если же площадь парильни позволяет, то можно сделать своеобразную лестницу с несколькими большими ступеньками, которые одновременно будут и лежаками.

Если у вас на даче совсем небольшая баня, и нет возможности сделать прямоугольный нижний полок, то вы сможете соорудить прямоугольную конструкцию. По схеме такая конструкция будет прямоугольным треугольников, и один из катетов данной геометрической фигуры будет неплотно примыкать к стенке, а второй к смежному полку.
Как сделать
Для обеспечения долголетия, комфорта парения и безопасности следует соблюдать ряд рекомендаций при создании и облицовке банной мебели. Это позволит увеличить срок эксплуатации баней.
- Полок не должен стоять плотно к стене. Оставьте небольшой зазор в 5 — 10 сантиметров в целях вентиляции. Для этого при строительстве полка присоедините к стене отрезки бруса, на которые с помощью саморезов прикрепите каркас. Шляпки саморезов рекомендовано максимально утопить в древесину;
- Для строительства каркаса подойдет брус шириной 50 х 70 мм. Для полного высыхания древесины используйте толщину облицовочной доски в четыре раза меньше;
- Исходя из толщины планок каркаса, вычисляется нужное количество опор. Если вы облицовываете каркас досками шириной 20 сантиметров, опоры должны стоять с промежутком в 60 см друг от друга;
- Хорошим решением будет соединение опоры каркаса сплошной доской сверху и снизу;
- При монтаже старайтесь не использовать саморезы – об них можно обжечься, либо вкручивайте шляпками с обратной стороны. Лучшим решением станут деревянные гвозди и штифты, забивающиеся в специально просверленные отверстия;
- Облицовочные доски полка должны крепиться на расстоянии не менее сантиметра друг от друга;
Зачем нужны несколько уровней по высоте
По сути, основная причина строения более чем одного уровня полков в бане проста – физические особенности горячего воздуха. Горячий пар всегда легче холодного газа, потому и оказывается вверху, остывает и следует обратно, вниз, вновь нагреваясь. То есть максимально полезный эффект организм получает, находясь близко к потолку.
Для того, чтобы было удобно подниматься наверх парной, полок в бане принято строить не только вверху, а и на разных уровнях. Нижняя лавка располагает наиболее щадящими условиями, в то время как долгое время находиться на верхнем ярусе способны немногие. К тому же, нижний уровень необходим банщику для того, чтобы оббивать веником лежащего выше.
Важно! Полки в русской бане двухуровневые, размеры могут быть совершенно разные, но третий уровень конструируется довольно редко, если полки трехъярусные, то это уже сидячий вариант, что более характерно для сауны. Национальная русская баня славится одноуровневым полком, где банщик неуклонно хлещет лежащего дубовыми вениками.
Особенности конструкции полка
Это ещё не всё! Если вы хотите максимального срока службы вашей бани, при сборке парной необходимо учесть несколько особенностей.
- Полок лучше делать открытым снизу, что сделает процесс уборки простым и удобным. Также, открытый пол улучшит циркуляцию и вентиляцию воздуха в парной – вот как правильно сделать полок в бане, учитывая размеры;
- Устанавливать лавку хорошо под небольшим наклоном для нивелирования лишней воды на лежаке и недопущения скользкой поверхности;
- Грамотным решением станет обивка вертикальных стоек полков резиновыми, либо пластиковыми подкладками, что предотвратит гниение древесины, увеличив срок её эксплуатации;
- Разумеется, нужно учитывать верное расстояние между полками в бане, не допуская их соприкосновения. То есть, лавка не должна скрипеть, а тем более шататься – скрепляйте элементы конструкции надёжно. Красоты интерьеру бани добавят отшлифованные, гладкие облицовочные доски с круглыми углами, что будет менее травмоопасно и более презентабельно.
Из какого материала лучше всего сделать полку для бани?
Многие люди советуют использовать для этих целей материал из листовых пород деревьев. Причину такого выбора довольно просто объяснить: хвойные доски при высокой температуре выделяют смолу, которая при сильном подогреве может не только испачкать тело, но и стать причиной ожога.
Специалисты рекомендуют выбирать доски, изготовленные из материала, который имеет низкую теплопроводность. Такая древесина имеет предел разогрева. Если доски не будут сильно накаляться, то тогда на них можно будет сидеть и лежать, не испытывая дискомфорта. Рассмотрим, какие породы древесины чаще всего используются для изготовления своими руками полка в баню.

Работу стоит начать с выбора древесины для полка
Осина. Осина относится к лиственной породе деревьев. Данный материал является распространенным, поэтому его нетрудно найти и купить. Многие люди отмечают целебные свойства таких досок. Среди технических характеристик такого материала отмечаются такие, как прочность, устойчивость к гниению и длительный эксплуатационный срок.
Липа. Доски из этого дерева считаются самыми лучшими в соотношении цена-качество. Еще одним преимуществом изделий из липы является то, что они имеют низкую тепловую проводимость и презентабельный внешний вид. Полок из липовых досок отличается эстетичностью и радует глаз.
Изделия из такого материала просты в обработке, поэтому их рекомендуется покупать людям, у которых до этого не было опыта в работе с древесиной. Выполнить липовый полок в бане своими руками проще, чем конструкцию из другого материала. При нагреве липовые доски источают очень легкий и приятный древесный запах, оказывающий успокаивающий эффект. Помимо этого, они просты в уходе. Из минусов такого материала можно отметить, что он со временем темнеет. Однако это никак не отражается на эксплуатационных характеристиках дерева.
Клен. Многие специалисты отмечают, что данная порода деревьев – хорошая альтернативна липовым доскам. Изделия из этого материала являются более прочными, поэтому практически не деформируются со временем. Как и липовые доски, элементы, изготовленные из клена, отлично подходят для организации полка.

Для изготовления полков и скамей-лежаков рекомендуется использовать древесину лиственных пород
Тополь. Такой материал отличается своим белесым оттенком и является простым в обработке. Для новичков это один из лучших вариантов, однако изделия из данного дерева имеют недостаточную прочность. Поэтому рекомендуется использовать тополь для изготовления декоративных элементов полка.
Абаши (африканский дуб). Нередко из данного материала выполняют именно банную мебель. Для полка в сауне африканская порода дуба также подходит. Этот материал обладает высокой резистентностью к воздействию влаги и высоких температур. Помимо этого, доски из африканского дуба имеют низкую тепловую проводимость, что способствует удобству использования мебели.
Поверхность изделий из такой древесины является очень ровной, а ее структура благоприятствует быстрой сушке. Многие специалисты ставят этот материал на первое место в рейтингах наиболее подходящих для полка пород деревьев.

Важно выбрать древесину устойчивую к высоким температурам и воздействию влаги, в этом случае полок сможет прослужить долгие годы
Ольха. Прочный и надежный материал, который отличается высокой резистентностью к деформации. Показатель теплопроводности досок из ольхи – один из самых низких, поэтому такая древесина является отличным решением для банной мебели.
Выбор того или иного материала зависит от нескольких факторов. В первую очередь это финансовая составляющая. Кроме того, банная мебель должна хорошо переносить высокие температуры и повышенную влажность, а также быть прочной и удобной. Индивидуальные предпочтения играют большую роль при выборе материала для полка и скамеек.
Информация о материале и количестве досок записывается в составленную своими руками схему. Как сделать полок в бане – вопрос, которым задаются многие люди. Ответ на него можно получить, изучив разновидности банных скамеек, их особенности и инструкцию по сборке.
Пошаговая инструкция и этапы изготовления
Сделать полки для сауны своими руками вполне возможно, если придерживаться нехитрой последовательности действий.
Самое главное – это уделить должное внимание качеству материалов, надежности креплений, а также обработке поверхности лавок
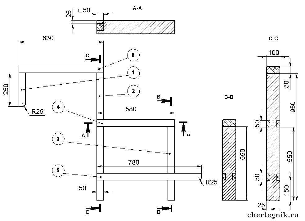
Каркас
На первом этапе выполняется установка стоек.
Именно они обеспечивают надежность готовой конструкции лежака.
Для верхнего ряда обычно используют от четырех до шести стоек длиной от одного метра и сечением от 1 см (точнее нужно рассчитывать, исходя из длины лежанок).
Скрепить стойки друг с другом можно при помощи деревянных брусков, которые располагаются по всему периметру лежанки. Для того, чтобы надежно скрепить стойки со стеной, следует использовать максимально длинные дюбель-шурупы.
Важно! Для обустройства стоек верхнего полка можно использовать нешлифованный брус, главное проследить, чтобы на нем отсутствовали сколы и трещины.
Несущий брус
После того, как стойки надежно закреплены, можно сосредоточиться на обустройстве непосредственно несущей конструкции полков в бане.
Это очень важный шаг, поскольку данная конструкция держит не только вес людей, которые будут находиться сверху, но и массу самого полка.
Именно поэтому сечение несущего бруса должно быть не менее 5х10 см.
Верхний ряд данной конструкции устанавливается поперек длины верхней плоскости лежанки. Ширина шага зависит от толщины досок, используемых для обустройства полка.
Внимание! Чем тоньше верхние доски банного сидения, тем меньше шаг между несущими брусками.
Для того, чтобы всем посетителям бани было достаточно комфортно, ширину верхнего полка следует сделать не менее 60 см, оптимально – 90 см.
Лицевая поверхность
После того, как несущие конструктивные элементы полностью готовы, нужно позаботиться о верхней лежанке. Доски для нее должны быть заранее подготовлены, то есть тщательно отшлифованы и обработаны.
Оптимальная толщина досок для обустройства поверхности полка составляет от трех до шести сантиметров. Крепить их следует на расстоянии в 1-2 см друг от друга. Делается это для беспрепятственной циркуляции пара и влаги.
Далее выясним, как крепить полки в бане к каркасу. Для обеспечения собственной безопасности рекомендуется использовать деревянные клинья. Их нужно вставлять в предварительно подготовленные для них отверстия.
Крепить доски можно как вдоль, так и поперек лежака. Второй вариант более экономичный, поскольку в этом случае не требуется установка дополнительных опорных брусков.
Важно! Ни в коем случае нельзя оставлять шляпки металлических креплений на поверхности полка, поскольку это чревато ожогами.
Для того, чтобы избежать опасности, металлические элементы забиваются вглубь доски на 5-10 мм.
Нижний ярус
Полок, находящийся на нижнем уровне, должен устанавливаться не менее, чем на 30 см от уровня пола.
Это правило относится к тем случаям, когда нижнее сиденье играет не только роль ступени для банщика, но и роль лежака.
Для того, чтобы установить нижний полок, нужно прикрепить к стойкам верхнего лежака четыре деревянных бруска. Данный четырехугольник выполняет роль каркаса для полка в бане.
Далее доски для поверхности лавки крепятся по технологии, описанной на третьем этапе.
Обработка, пропитка
Ни для кого не секрет, что под постоянным воздействием высокой температуры и влажности деревянные элементы в бане портятся очень быстро. Именно для этого заключительным этапом в отделке полков в парилке является обработка всех конструктивных элементов из дерева специальными веществами.
Информация. Для обработки полок в бане своими руками следует использовать исключительно экологически чистые вещества, дабы не рисковать своей жизнью и здоровьем.
Обычное льняное масло считается прекрасным защитным средством от грибков и плесени, именно поэтому на протяжении многих лет его используют для обработки полок в сауне.
Для обработки полок в русской бане своими руками применяют раствор из скипидара и пчелиного воска.
Наносить защитные вещества следует минимум в два слоя, но стоит помнить о том, что на просыхание одного слоя требуется около восьми часов.
После полного высыхания банные полки приобретают матовый блеск, а также водоотталкивающую поверхность.
Для того, чтобы убедиться в этом, посмотрите на фото ниже. Деревянный элемент слева был обработан специальными защитными веществами, а справа – нет. Следовательно, всегда лучше позаботиться о защите полка в бане своими руками из дерева.
Особенности конструкции
Осуществить сборку и монтаж изделия, которое будет постоянно находиться в условиях повышенной влажности, порой бывает непросто. Поэтому следует ознакомиться с информацией о том, как правильно сделать полки в бане и установить их:
- Желательно сооружать конструкцию таким образом, чтобы снизу она была открытой. Это необходимо из практичных соображений: полок будет хорошо проветриваться и быстро высыхать, а вам будет намного проще производить уборку и чистку пола.
- Монтировать полок лучше под незначительным уклоном, чтобы вода на нём не застаивалась и скорее стекала.
- Предотвратить возникновение грибка и гнили на древесине поможет установка резиновых или пластиковых подкладок. Их монтируют между полом и вертикальными опорами, чем значительно продлевают срок эксплуатации всей конструкции.
- Эстетичный вид при оформлении парной также отыгрывает важную роль. Поверхность полки должна быть гладкой, а уголки досок делают закругленными. Следите за тем, чтобы части конструкции плотно прилегали друг к другу, иначе изделие будет шататься и скрипеть.
- Перед тем как сделать каркас для полков бани, удостоверьтесь, что ширина досок, выбранных для его изготовления, в 4 раза больше её толщины. Если это условие выполнено, то древесина будет быстро просыхать, и вам не придется бороться с грибком.
В парилке нужно хорошо обработать древесину, чтобы не образовывались занозы, а также лучше избегать острых углов
Обязательного рассмотрения заслуживают и методы крепления досок, с помощью которых можно сделать полок в баню.
Для того чтобы полки просушивались, лучше оставлять под ними пустое пространство
Распространёнными являются такие способы крепления:
- глубокое ввинчивание шляпок саморезов в древесину;
- размещение саморезов с тыльной стороны изделия;
- использование в работе специальных дубовых клиньев, забивающихся в предварительно подготовленные отверстия.
Саморезы необходимо располагать с внутренней стороны полков, чтобы железные элементы не жгли при нагреве
Чтобы обеспечить посетителям бани максимальный комфорт, укомплектуйте полок дополнительной спинкой. Для этого несколько отполированных досок крепят на стену, к которой примыкает полок, набивая их на вертикальные подпорки из брусков. Доски следует размещать на расстоянии в 5-10 см, чтобы между ними не застаивалась влага. Спинку делают из такой же древесины, что и полок. Она позволяет удобно располагаться на полке и облокотиться о стену, не боясь получить ожог. На торцевой стене нередко набивают специальные опоры для ног. Опытные банщики советуют ложиться на полок и поднимать ноги чуть выше головы. Так они быстрее прогреются.
Для удобства в парилке на стене устанавливают накладки под спину
Устройство конструкции
Полок в бане часто называют по-простонародному лавкой. Именуют их так не зря, так как вся конструкция представляет собой настил лавок, которые различаются по уровню. Любая конструкция полока для бани состоит из двух основополагающих деталей:
- Каркас необходим для правильного закрепления досок для несъемного настила, его также используют для опоры под разборную систему настилов. Для его постройки требуются опорные стойки, их можно сравнить с ножками лавки.
Стойки соединяют большими досками, служащими перемычками, необходимыми для правильного, ровного положения полки. Очень редко их сооружают по принципу косоура, который служит основой для монтажа лестничного марша. Если используется финская технология, то при создании каркаса нет необходимости в установке опор, так как всю конструкцию можно крепить к стенам парилки.
Настил сооружается из тонких дощечек, которые предварительно делаются абсолютно ровными с помощью шлифовки. Их толщина около 2 см. Рекомендуется выбирать материалом для изготовления липу или осину. Доски набиваются с соблюдением небольшого пропуска. Настил крепится к каркасу или к трапикам, которые нужно отдельно сколотить и установить на пол.
Если настил не закреплен, его можно в летнее время выносить на свежий воздух для проветривания. Вместе с настилом можно соорудить спинки для сидений, приспособления для поднятия ног на определенную высоту, боковушки полков.
Парилку обычно сооружают в небольших размерах, так как чем меньше помещение, тем ниже расходы на отопление и быстрее прогрев до необходимой температуры для парения. Чтобы хорошо обустроить парилку, нужна простая, ровная мебель. Лестницы для подъема на полки часто бывают крупными, имеют 2-3 ступени.
Если есть возможность, можно отвести необходимую площадь для сооружения шезлонга или дивана, часто закругленной формы.
Если площадь бани слишком маленькая, создать нижний полок стандартной формы и размера может не удастся. В этом случае можно соорудить треугольный полок. Должен получиться равнобедренный треугольник, один из катетов которого нужно прикрепить к стене, а второй примыкает к соседнему полку.
Банные полки всегда многоступенчаты. Это обусловлено простейшими законами физики. Горячий воздух постепенно поднимается вверх, его часть выходит на улицу через вентиляцию, а остаток отражается от предварительно установленной системы верхнего перекрытия, поэтому возвращается и остается вверху здания. Постепенно верхняя часть помещения становиться намного теплей, чем нижняя, поэтому у каждого есть возможность выбрать оптимальную температуру для себя, расположившись на конкретной полке.
При сооружении полок следует придерживаться традиционной конфигурации, разработанной по принципу лестницы. При каждом парении человек сможет самостоятельно выбрать сильный пар или довольно умеренную атмосферу
Помимо этого аспекта особенную важность имеет нижний полок. С его помощью банщик может легко залезть на более высокие ярусы или использовать как подиум для удобного подхода к принимающему процедуру человеку
Если нижняя полка не предназначается для использования в качестве подпорного элемента, то расстояние от пола до нее должно быть не менее 30 см.
В парилке можно установить полки и с двух, и с трех сторон. Большое их количество позволит пригласить в баню больше гостей. При планировке конструкции необходимо учитывать возможность свободного передвижения. Нахождение в парилке не должно вызвать травматических последствий.
Еще одно видео о том, как делать полки в баню.
Как правильно утеплить баню? Ответ на этот вопрос, вы узнаете, прочитав данную статью.
А здесь статья про утепление каркасной бани.
Угловые полки
Полки в бане могут быть не только горизонтальными, но и делаться двумя перпендикулярными сторонами. Часто сооружают угловые полки методом сшивки нескольких блоков из досок. Элегантно смотрятся парилки, где выстроены полки ярусами по одной стороне, а угловая полка располагается только в нижнем ряду, плавно обрамляя близлежащую стену, сглаживая углы.
Для большой парилки можно предусмотреть расположение ярусов полок параллельно друг другу, а между ними поместить одну нижнюю полку, которая будет скреплена с соседними, являясь для каждой угловой. Можно использовать ее в качестве лавочки, подставки, складывать на нее различные предметы. Она будет располагаться напротив входа.
Полки для бани в парилке своими руками: какой материал выбрать?
Следующий этап – выбор материала, из которого они будут изготовлены. Конечно, очевидный вариант – это дерево. Но нужно учесть, что не каждая порода дерева подойдет.
К материалам предъявляются свои требования.
Важно, чтобы дерево имело низкую теплопроводность. Учтите, что вы на полках будете сидеть и лежать, нельзя, чтобы они сильно нагревались.. Полки должны без труда выдерживать вес одного или нескольких человек, поэтому нужно выбирать прочную древесину
Содержание смол должно быть минимальным, большое количество смол может быть опасным для здоровья, также при нагревании они могут обжечь кожу. В парной происходят скачки температуры с большой амплитудой, а также имеется высокая влажность, дерево должно справляться с такой нагрузкой
Полки должны без труда выдерживать вес одного или нескольких человек, поэтому нужно выбирать прочную древесину. Содержание смол должно быть минимальным, большое количество смол может быть опасным для здоровья, также при нагревании они могут обжечь кожу. В парной происходят скачки температуры с большой амплитудой, а также имеется высокая влажность, дерево должно справляться с такой нагрузкой.
Многие предпочитают делать полки для бани своими руками из осины. Она не выделяет смолы, имеет хорошую устойчивость к температурным перепадам и влаге, со временем не деформируется и не выцветает. Кроме того, осина с древности славится своими целебными свойствами. Но она имеет и важный недостаток – на местах стыков с внутренней стороны она может загнивать. Защитить дерево от этого процесса можно с помощью специального антисептика.
Хорошо подойдет и липа. Она практически не подвержена усыханию и не покрывается трещинами, благодаря чему сохраняет свою первоначальную форму. Липа хорошо поддается обработке, имеет плотную текстуру и низкую теплопроводность.
Абаш – это самый дорогой и красивый материал для изготовления полок. Африканский дуб отлично выдерживает температурные перепады, имеет низкую теплопроводность. У него ровная и гладкая поверхность, он упругий и прочный.

Хвойные породы деревьев считаются нежелательными, однако их допустимо применять для полок. К примеру, в Финляндии в саунах полки делают как раз из сосны или ели. Но для изготовления подойдут лишь качественные хорошо просушенные доски. На них не должно быть сучков или трещин. Преимуществом хвойных пород является их приятный аромат, который обладает оздоравливающим действием. Хвойные доски дешевле, чем лиственные.
Правила ухода
Полог со временем может потемнеть, защитный состав стереться, вымыться. Первая проблема решается с помощью отбеливающих средств.
Эффективность отбеливателя древесины Источник kelohouse.ru
Важно отметить, что в их состав входят производные хлора или перекись водорода. Отбеливатель осветляет древесину, способствует уничтожению грибка, плесени, бактерий. Глубина проникновения определяется процентным содержанием базового компонента
Так как активные вещества могут вызвать аллергию, навредить здоровью, помещение после их применения необходимо проветрить в течение 1-2 дней
Глубина проникновения определяется процентным содержанием базового компонента. Так как активные вещества могут вызвать аллергию, навредить здоровью, помещение после их применения необходимо проветрить в течение 1-2 дней.
Перед тем, как сделать лавочку в баню обновлённой, её нужно тщательно вымыть, протереть и высушить. Густые защитные декоративные составы лучше наносить методом втирания, жидкими обработку ведут с помощью кисти или губки. Спустя 24 часа маслянистые излишки легко устраняются тканью.




















![Полочки в баню [своими руками]: как сделать из дерева?](https://nikastroy.ru/wp-content/uploads/3/d/1/3d17be0b6ef5562b41b4df8f45a44ec5.jpeg)
















