Особенности устройства
Чтобы самостоятельно обустроить мастерскую для дома или профессиональной работы требуется понести существенные материальные вложения. С целью скорейшего открытия мастерской, большинство экономят, и некоторые устройства изготавливают самостоятельно.

Сейчас накопился большой опыт самостоятельного создания прессовочного аппарата, основу работы которого лежит на механическом и гидравлическом принципе.
- Конструкция состоит из пары цилиндрических камер, отличающихся по размеру. Масло, которое содержится в камере меньшего по объему, посредством в ней давления переходит в другую камеру при помощи перекачки.
- Обе камеры соприкасаются через специальный канал, а необходимое давление происходит путем перемещения масла из в большую камеру.
- Прессовочное устройство надлежит установить на устойчивой опорной раме. Ее функция в удержании изделий, которые будут использованы для обработки через пресс. Места под гидравлический пресс много не понадобится.















Широкое применение пресс нашел в обработке металла, различных видов пластика, кожи, толстого картона и резиновых фрагментов.

Назначение и функции пресса
Существует довольно много возможностей надлежащего применения пресса. Время от времени он представляет собой поистине необходимый предмет для своего пребывания в домашней мастерской или в гараже.

Например, он практически незаменим при небольшом ремонте собственного автомобиля по причине неисправности, с которой не слишком хочется обращаться в СТО.
- Иногда он действительно необходим при незначительных корректировках сайлентблоков, а время от времени вполне может потребоваться в процессе осуществления выпрессовки подшипников.
- Пресс вполне может применяться в ходе создания специальных брикетов непосредственно из отходов, когда происходит усиленное сжатие двух поверхностей, а также в целях осуществления сгибания различных металлических деталей.
- Причем пресс, собранный на заводе, специализирующемся на изготовлении ему подобных, может быть мастеру не совсем по карману.

















Гидравлический принцип способен снизить прилагаемые специалистом усилия. Простой механизм, основанный на правиле гидравлики, способен заставить чуть ли не любое оборудование действовать более чем эффективно.

Вообще данное устройство способно полноценно применяться в следующих условиях:
- Для сгибания метизов, имеющих различную форму;
- Для корректной установки заклепок;
- Для выпрессовки обычно небольших подшипников из конструкции, обычно встречается в небольших автомастерских;
- Для обеспечения степени надлеащего давления на конкретном участке работы.

Любой мужчина, способный управиться с несколькими инструментами вправе предпринять попытку изготовить такое устройство своими руками и только для его непосредственного применения.

Собственноручно собранное устройство, способное осуществить богатый спектр возможных работ, в целях проведения ремонта, обслуживания и профилактики.

Можно совершить довольно качественный осмотр наиболее популярных устройств:
- Гидропресс, приобретенный или даже сделанный своими руками, необходим любому мастеру, хоть на домашнее рабочее место, хоть в его небольшой и незаметный автосервис. Если он уже определился, что сделает собственноручно подобное устройство, ему стоит дополнительно определиться, как именно будет установлен манометр, какими размерами и массой будет обладать поршень и вообще: владельцы каких именно ТС смогут обращаться в автосервис за ремонтом. Причина для этого всего одна: упрощенный вариант самостоятельно собранной конструкции не подойдет для осуществления ремонтных действий над крупными автомобилями.
- Пресс для макулатуры зачастую является необходимым для мастерской и домашнего склада. Ведь при чрезмерном скоплении различных газет и журналов, т.е. настоящих Эверестов бумаги, необходимо проведение их утилизации. Подобная конструкция характеризуется не слишком большой мощностью, а потреблять электроэнергию способна или от собственного аккумулятора, или от стандартных 220 В, присутствующих непосредственно в сети. Данное устройство не слишком большого размера гарантированно будет способно справляться с уборкой большого количества ненужной макулатуры.
- Пресс для картона вполне может быть сделан, как предыдущий вариант пресса для макулатуры, только его мощность будет значительно выше. С его помощью поддаваться прессовке будут даже пластиковые бутылки или жестяные емкости. Если установка подобного устройства будет совершаться только своими силами, без приглашения специалиста, потребуется осуществлять корректный учет параметров поршня и станины, а также габариты и вес оборудования. Обычно такой пресс характеризуется применением готового или ручного гидравлического насоса.
- Пресс для опилок может использоваться в процессе создания брикетов из мусора, либо, например, выгруженного поблизости торфа. Брикетированный торф замечательно подходит для отопления частной собственности. А само устройство будет состоять из стола, специального силового каркаса, основания и привода. В качестве механизма для подачи может применяться ручной или электрический элемент.
- Пресс для сборки сена представляет собой устройство, напоминающее формой короб, установленное на специфическую рамочную конструкцию. Такие рамочные конструкции вполне могут исполняться из металлических составляющих, и обычно такой короб лишен крышки.

Как можно использовать пресс в бытовых условиях
Использование гидравлического пресса в бытовых условиях достаточно популярно. Как правило, он находится в гараже и применяется для совершенно разных целей. С его помощью можно откорректировать размеры деталей для машин, а также других бытовых деталей, таких как подшипники и сайлентблоки.
Прессом можно изогнуть, придать форму и сплющить любую металлическую деталь. Он подходит для склеивания поверхностей, брикетирования отходов. Или, например, пресс для яблок, а также прессы для отжима своими руками.
Как уже было отмечено, многие попросту не могут себе позволить приобретение профессионального нового оборудования. К тому же это далеко не всегда и нужно.


Фото пресса своими руками













Область применения гидравлических прессов достаточно широка: они могут использоваться в автомастерских для запрессовки, выпрессовки подшипников, шестерней, валов и т.д. Так же применяются для штамповки деталей из метала, прессовки деревянной стружки, пластика, резины. Готовые станки стоят от 100 тысяч рублей. В данной статье автор описывает достаточно бюджетный, и одновременно качественный проект гидравлического пресса, способного дать максимальное усилие в 35 тонн на 50 квадратных сантиметров.
Создание станка потребует наличия доступа к следующему оборудованию:
– Токарный станок;- Сверлильный станок;- Сварочный аппарат.
Так же потребуются такие инструменты как болгарка, дрель.
Материалы, нужные для создания, будут перечислены в самой статье.
В процессе создания каркаса станка, важно большое внимание уделить его прочности, поскольку он будет подвергаться огромным механическим нагрузкам. Толщина метала здесь должна быть достаточной, чтобы выдержать усилия, даваемые гидравлическим цилиндром и не прогнутся. Автор статьи в качестве основы использовал 14 тавровую балку
Из нее вываривается «П» образная станина, внизу из более тонких швеллеров и уголков делается основание, на котором она будет стоять
Автор статьи в качестве основы использовал 14 тавровую балку. Из нее вываривается «П» образная станина, внизу из более тонких швеллеров и уголков делается основание, на котором она будет стоять.


Для того чтобы поместить цилиндр в фланец, цилиндр протачивается на токарном станке.
Вот что на выходе:


металлическая плита

сварочные работы





Подготовка проекта пресса
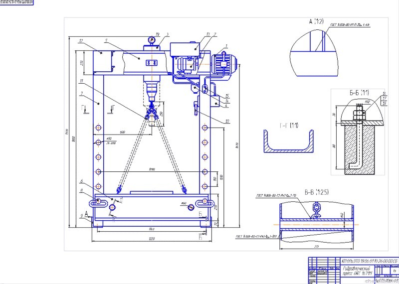
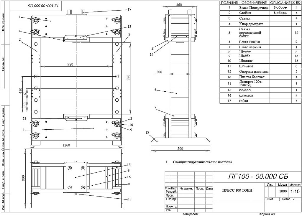
Одним из важнейших элементов рассматриваемой конструкции является станина. Она представляет собой раму. Внутри такой рамы размещается домкрат. Станина должна иметь достаточную прочность, чтобы выдержать усилие, создаваемое домкратом с некоторым запасом. Запас нужен по той причине, что во время работы пресс будет оказывать давление сразу вниз и вверх, и без запаса конструкция может попросту разорваться.
Станина
Основание станины лучше всего делать в виде платформы. Ширину проема платформы подбирайте в соответствии с размерами материалов, которые вы планируете в дальнейшем обрабатывать на своем прессе. При любых обстоятельствах проем должен иметь больший размер, чем суммарные габариты всех элементов размещаемого оборудования.
Для определения подходящей высоты вам нужно сложить вместе следующие параметры:
- габариты домкрата;
- величину рабочего хода штока основного инструмента;
- толщину мобильного стола;
- высоту опрессовываемых заготовок.
В рассматриваемом случае домкрат устанавливается на основании рамы, а функцию опоры для обрабатываемых деталей возьмет на себя верхняя часть рамы. Передача силы от домкратного штока на заготовку выполняется посредством мобильного рабочего столика. Сам же такой стол устанавливается на раму. Между рамой и столом размещается домкрат.
Установка стола выполняется таким образом, чтобы он мог беспрепятственно перемещаться по раме в направлениях вверх и обратно вниз, поддерживаемый при помощи боковых направляющих.
По бокам от гидродомкрата размещаются пружины достаточной жесткости. Одну проушину каждой пружины прикрепляют к основанию опорной рамы, вторую – к передвижному столу. Установленные пружины будут сжимать гидравлический домкрат в стартовое положение со спрятанным штоком. Габариты пружин и их жесткость подбирайте в соответствии с характеристиками домкрата.
Ход домкратного штока, а вместе с ним и высоту опрессовываемых деталей можно регулировать несколькими способами:
- установив вверху рамы винтовой привод. Этот элемент обязательно должен быть оснащен штурвалом. В процессе эксплуатации пресса можно будет вкручивать винт, что позволит уменьшать размер просвета для заготовок внутри рамы;
- создав съемный перемещаемый мобильный стол. При необходимости его можно будет крепить к станине при помощи прутков либо болтов. Предварительно в раме нужно сделать отверстия, шаг которых по высоте должен быть несколько меньше, чем ход домкратного штока;
- используя сменные подкладки. Для изготовления этих элементов хорошо подойдет полый либо сплошной профиль из стали;
- применяя описанные выше методы в комплексе.
Все значимые размеры обязательно заносятся в чертеж. При этом габариты должны приводиться с учетом размеров домкрата, обрабатываемых изделий, а также металлопроката, который будет применяться для сборки гидравлического пресса.
Из чего собирается пресс?
Самодельный пресс для гаража обязательно нужно сделать надёжным и с хорошим запасом прочности, поскольку все узлы подвергаются серьезному давлению и нагрузке. С чего начать?
Процесс делится на несколько этапов:
- В первую очередь создаются каркас и платформа.
Для этого используют швеллеры с многочисленными рёбрами жесткости. Трубу из металла прямоугольной формы используют в качестве заготовки. Из этой трубы вырезаются 4 куска по размерам чертежа и свариваются в один элемент. Жёсткость механизма повышается, если швы идут по бокам. Из тех же труб делают вертикальные стойки и упор. - Рама состоит из платформы, двух стоек и нижнего упора.
Главные функции рамы: принятие на себя усилия, его распределение и обеспечивание устойчивости конструкции. Фиксатором, выполненным из трубы длинной 15-20 мм, дополняется платформа. - Для обеспечения хода пресса и создания усилия на изделие изготавливают съемный упор.
Узел выполняется с помощью стальных полосок, которые должны быть немного короче, чем расстояние между стойками. Толщина полосок составляет 10-15 мм. Полоски фиксируются с помощью отверстий. - На завершающем этапе гидравлический бутылочный домкрат помещается в раму.
В процессе установки упоры оттягиваются и фиксируются. Крепление выполняется болтами или сваркой.
Инструменты для сборки пресса
При изготовлении приспособления используются различные инструменты, которые есть в каждом гараже. В первую очередь необходим гидравлический бутылочный домкрат. Чтобы агрегат не развалился под высоким давлением понадобится надёжное основание.
Для выполнения сборки пресса для гаража понадобятся инструменты:
- сварочный аппарат и электроды;
- болгарка с диском по металлу;
- шуруповерт;
- электродрель;
- уровень;
- рулетка;
- листовая сталь;
- ножовка по металлу;
- электроды;
- профильный уголок.
Если вы новичок в работе со сварочным аппаратом, то рекомендуется сначала потренироваться на аппаратах инверторного типа или довериться мастеру. При необходимости использования оттягивающих пружин можно брать дверные, пружины от передних кресел машин или любые другие, подходящие под заданные требования.
Металлопрокат для сборки самодельного пресса
Чтобы сделать пресс для гаража своими руками может понадобиться металлопрокат:
- Швеллер, изделие №8 и выше.
- Труба круглого или прямоугольного сечения не меньше 4*4 см.
- Уголок не менее 5*5 см. Применяется при сборке основания рамы.
- Листовая сталь от 8 мм толщиной. Пригодится при выравнивании разного рода неровностей.
- Полоса стали толщиной 1 см для ребер жесткости и направляющих.
- Отрезок трубы около 10 мм. Диаметр подбирается в зависимости от размера головки штока домкрата.
- Вставки-подкладки из стального профиля.
Основные характеристики пресса
Помимо выпрессовки и запрессовки автомобильных подшипников или сайлентблоков, собственный гидравлический пресс может выполнять широкий объем работ по ремонту, профилактике и обслуживанию автомобиля своими руками. Потому если вы предпочитаете ремонтировать автомобиль самостоятельно, рекомендуем сделать для этих целей гидравлический пресс. Вы можете использовать готовые чертежи пресса, либо адаптировать устройство под свои конкретные требования и поставленные задачи.
Прежде чем сделать гидравлический агрегат для замены сайлентблоков, остановитесь на основных характеристиках данного оборудования. При разработке устройства учитываются такие параметры:
- Размеры оборудования;
- Общая масса устройства;
- Показатели хода поршня пресса;
- Присутствие манометра (для создания контролируемого усилия или давления);
- Параметры станины гидравлического станка.
Есть множество вариантов исполнения конструкции пресса. Потому вам стоит подумать, какой гидравлический агрегат подойдет конкретно для вашего авто. У некоторых в гараже стоит компактная машинка весом около 1 тонны. У других же может быть многотонный грузовик. Сами понимаете, что простейший пресс с минимальными параметрами создаваемого усилия справиться с грузовиком не сможет.
Многие решают сделать устройство на основе простого бутылочного гидродомкрата со встроенным ручным насосом.
Вакуумный пресс
При изготовлении вакуумного пресса своими руками, стоит учитывать, что устройство состоит из термомодуля, стола и вакуумной камеры. При этом последний элемент часто имеет форму прямоугольника и делается из жесткого материла.
У такой конструкции есть некоторые особенности:
- аппарат имеет только ручное управление;
- для работы применяются доступные материалы;
- скорость работы не должна уступать заводским аналогам.
Вакуумная конструкция собирается из таких деталей:
- станина делается из рельсы для термомодуля и профилированной трубы. Для работы понадобится сварочный аппарат и электродрель;
- вакуумный стол делается из прижимной рамы, зажимов и ванны;
- также необходим и водокольцевой насос.
По аналогии производится и термовакуумный пресс.
Пресс подборщик
Такой аппарат, как пресс подборщик устанавливается как прицепной механизм для мотоблоков. Его используют на маленьких фермерских полях и на крупных сельскохозяйственных угодьях. После того, как зеленая масса срезается косилкой, данное устройство занимается ее обработкой. При этом формируются валики из стеблей, а после этого с помощью агрегата получаются прессованные тюки.
Вот достоинства от использования такого агрегата:
- сокращается время сушки, и уменьшаются потери сена;
- в несколько раз снижаются трудозатраты;
- повышается качество сена при хранении;
- возможна самостоятельная регулировка навесного устройства.

Самым распространенным вариантом является рулонный механизм. Пружинные зубья позволяют собирать массу травы. После этого каждая порция скручивается в тюки. Минитрактор при помощи такого пресса может загружать до 20 тонн соломы за 20 дней. Рулонные конструкции имеют небольшие габариты.
Валковый пресстюковой разновидности делают брикеты в форме прямоугольника. Трава в валках подхватывается зубьями и отправляется в отсек для прессования. Габариты могут регулироваться техникой. Тюки прочно упаковываются и обвязываются шпагатом. После этого блок выбрасывается на поле.

Можно сделать и самодельный вариант из ходового бруса и пиломатериалов. При этом делается большой короб из досок и используется горизонтальный способ для загрузки сена. В качестве пресса применяется реечный или винтовой домкрат. При помощи такого приспособления можно вязать тюки из соломы и прессовать их.
Настольный механический пресс
Настольный пресс может работать как на автоматической, так и на ручной тяге. Такое оборудование часто выполняется из прочной стали.
С помощью ручного пресса обрабатываются:
- полимеры и пластмассы;
- картон и поролон;
- всевозможные металлы;
- резина и кожа.

С помощью механического пресса производится выпрессовка подшипников и втулок, штамповка, а также высечки небольших изделий. Такой агрегат позволяет экономить время на изготовление деталей.
Устройство гидравлического ручного аппарата производит усилие с помощью штока гидроцилиндра. В этом элементе находится жидкость, которая сжимается под напором. Агрегат используется для сжатия, деформации и соединения деталей.
Дыропробивной вариант применяется для штамповки отверстий в листах разных материалов. Ручные механические аппараты необходимы для опрессовывания трубчатых гильз и кабеля.
Какой делать?
Прессование давлением позволяет выполнять практически все необходимые в обыденной жизни прессовочные операции. Самодельные прессы выполняются чаще всего энергетически автономными, т.е. без отдельного привода, резервуаров рабочего тела, станций подкачки и пр. Выбор той или иной конструктивной схемы пресса определяется в конечном итоге его назначением и рабочим усилием.
В качестве встроенного в пресс силового блока проще всего применить автомобильный домкрат – он развивает усилие до 100 тс, а домкраты на 10 тс общеупотребительны. Единственная операция, с которой пресс из домкрата не справится – это формовка (сплющивание) концов прутьев при художественной холодной ковке.
Домкрат используется чаще всего гидравлический бутылочный (но см. также ниже). В таком случае гидравлический пресс своими руками можно сделать по одной из след. рамных конструктивных схем (см. рис.):

Основные конструктивные схемы самодельных прессов
- Поз. А – домкрат перевернут, наглухо закреплен на неподвижной верхней траверсе, а к головке рабочего штока домкрата крепится пуансон. Это самая простая и в то же время надежная и вибрационно устойчивая конструкция (о роли вибраций в работе пресса см. далее). Недостатки – если домкрат понадобился по прямому назначению, демонтировать его достаточно сложно и долго, а качать рычаг домкрата, висящего вверх ногами, не очень-то сподручно.
- Поз. Б – схема с подвижным столом. Конструктивно сложнее, т.к. добавляется подвижная траверса – стол. Качают домкрат как всегда, снять его просто, т.к. он может быть вовсе не закреплен. Недостатки – наихудшая вибростойкость; кроме того, технология большинства прессовочных операций рассчитана на то, что пуансон давит на заготовку или деталь сверху, а если наоборот, то сложно и может вовсе не получиться. Зато для ремонтных и/или механосборочных работ это оптимальный вариант: если нужно выдавить из шкива или подшипника намертво приржавевший к нему вал или, наоборот, напрессовать их на вал, то его (вала) длина ограничивается только высотой потолка в мастерской. В целом же гидропресс с подвижным столом из домкрата это наилучший вариант для гаража или СТО.
- Поз. В – с силовым блоком на подвижной траверсе. Конструктивно наиболее сложен, но виброустойчив, прочен и долговечен, т.к. нагрузка на самое слабое звено – подвижную траверсу – не точечная, а фактически рассредоточенная. Домкрат также может быть не закреплен, но, если вывернется и грохнется, последствия будут хуже, чем если свалится с опорной плиты. Недостаток – качать домкрат, который потихоньку ползет вниз, не вполне удобно.
Винтовой пресс с ручным приводом (поз. Г) позволяет создавать усилие максимум до 1,5-2,5 тс. В работе с металлом применяется, когда такого достаточно, в след. случаях (см. также видео):
Когда достаточно усилия прессовки менее указанных значений:
Только ли гидравлика?
Самодельный пресс из домкрата может быть не только гидравлическим. Многие легковушки при продаже комплектуются ромбическим винтовым домкратом. Усилие он дает не более 2-2,5 тс, но дешев («новый, хороший» можно приобрести за 1300 руб.). Небольшое усилие не только недостаток: рама пресса с винтовым домкратом может быть сделана из деревянного бруса от 150х150, и к нему же возможно приспособить в качестве привода электродрель, см. рис.:

Самодельный механический пресс с электроприводом из винтового ромбического домкрата
Если максимум, что вам нужно – гнуть прутья до 8-10 мм, такого пресса на это хватит. И любопытный факт: автору статьи лет 10 тому назад довелось случайно познакомиться с деятелем, который, работая по 3-4 часа по первым 2-3 дням недели, зарабатывал 20-25 тыс. руб. в мес. В то время сумма немалая. Каким образом? Скупал за половину закупочной цены металлолома пустые металлические банки, плющил и сдавал уже по нормальной цене. Банок-то больше всего приносили пивных, они алюминиевые, а он дорогой. Жаловался, правда, что работа грязная – основной объем сырья притаскивали бомжи.
Прессовка и вибрации
Вибрации тянущегося при прессовке металла – бич большой промышленности, и прессы-гиганты, вроде того что еще из СССР поставил НКМЗ французскому «Форжалю», из-за этого представляют собой сложнейшие агрегаты
Но ИП и любителям тоже стоит обратить самое серьезное внимание на виброустойчивость пресса. Задир на каленом валу или шейке полуоси – неисправимый брак
Нюансы изготовления мини-устройства для прессования
Многие мастера отдают своё предпочтение малогабаритным конструкциям. Таким людям, безусловно, по душе придётся мини-пресс, предполагающий настольный способ установки.

Подобный аппарат отличается простотой изготовления, но его редко используют из-за малой практичности. К примеру, его применяют, если требуется наколоть грецких орехов либо спрессовать тару из жести или пластика.

Раму мини-пресса собирают из прочных пиломатериалов. Из досок в количестве 4-х штук мастерят каркас прямоугольной конфигурации. В его верхней части устанавливают мобильную деревянную прессовочную поверхность. Систему гидравлики делают из стандартных медицинских шприцов.

Особенности пресса из домкрата
Нюансы при изготовлении
Как сделать пресс своими руками? Если вы определились с тем, что будете изготавливать вручную свой гидравлический пресс, нужно учитывать множество факторов. И один из главных это надежность конструкции.

Дело в том, что гидравлический пресс представляет собой оборудование, в котором допускаются очень мощные нагрузки. Несмотря на то, что изготовленное в домашних условиях оборудование, значительно уступает по усилию производственным образцам, первый вариант также должен быть надежно сконструирован.
Новостной сайт
- Особенности монтажа электропроводки в домах из СИП панелей
- Как выбрать чугунную ванну

Прежде всего стоит помнить, что все должно быть изготовлено из твердых и прочных материалов. Это как правило может быть сталь, и чем выше ее сорт, тем лучше.


Не забывайте также, что проектирование даже такой небольшой конструкции, также требует предварительных расчетов и чертежей (хотя бы примитивных) как и любое технологическое устройство. Чертежи пресса своими руками можно составить самому, без каких либо навыков.

Что такое гидравлический пресс
Под гидравлическим прессом понимают особый агрегат, предназначенный для эксплуатации в гаражном или ином хозяйственном строении, который позволяет обрабатывать детали посредством воздействия на них значительным усилием сжатия.
Обычно подобным оборудованием пользуются мастера в автомобильных мастерских. Кроме того, его можно использовать для изготовления топливных брикетов или, когда есть необходимость задать изделиям из металла определённую форму.

Инструмент заводского изготовления имеет внушительную стоимость, вследствие чего всё больше людей интересуются тем, как можно сделать пресс своими руками. Вначале нужно изучить специфику конструкционного решения данного устройства, а также принцип его работы.
Как видно на фото самодельного гидравлического пресса, он состоит из двух базовых камер цилиндрической формы. В той, что имеет меньший объём, осуществляется рост давления за счёт того, что через трубовидный канал происходит перекачка масла во вторую ёмкость, большей вместимости.


Какие инструменты необходимы для создания
Чаще всего в гараже или подсобном помещении на даче уже есть все необходимое для организации процесса изготовления. Однако, что в любом случае, нужно иметь под рукой, все придется выделить:
- Основное сырье — металлический профиль, именно из него будет собираться каркас.
- Шлифовальный аппарат — для обработки мелких деталей.
- Сварка — можно попросить у соседа.
- Электроды — купить заранее.
Это лишь небольшая часть того, что обязательно должно присутствовать в начале работы. Далее необходимо начать поиск чертежей, ведь именно они помогут правильно организовать процесс.
Гидравлический пресс делать своими руками с механикой легче делать с разборкой б/у или испорченного домкрата. Принцип точно такой же, устройство можно внедрить в конструкцию, что снизит себестоимость.
Ремонт пресса гидравлического из домкрата своими руками
Для поддержания длительной работоспособности пресса гидравлического, выполненного на базе домкрата, самодельное устройство нуждается в правильной эксплуатации и обслуживании. В процессе работы необходимо следить за уровнем масла в гидравлическом цилиндре, смазывать подвижные детали, проверять состояние уплотнительных соединений, надежность закрепления элементов сборки.
Для поддержания работоспособности пресса необходимо следить за уровнем масла в гидравлическом цилиндре, проверять надежность закрепления элементов и смазывать подвижные детали
Однако в любом механизме может произойти сбой в работе, что является причиной неправильной эксплуатации или износа отдельных элементов конструкции. Если созданный своими руками пресс гаражный гидравлический остановился или не запускается, следует проверить уровень масла в гидроцилиндре. При его недостаточном объеме потребуется выполнить заполнение емкости с последующей прокачкой домкрата.
Если наблюдается утечка жидкости, это свидетельствует о механическом повреждении конструкции или поломке отдельных ее элементов. Для устранения дефекта необходимо разобрать домкрат, проверить все его детали на предмет отсутствия коррозионных повреждений. Шток осматривается на наличие деформаций. Поврежденные элементы следует заменить на новые. Рабочее масло необходимо полностью слить. Внутреннюю полость домкрата и все его элементы промывают керосином и высушивают. Старые уплотнительные прокладки и манжеты требуется заменить на новые.
Другие неполадки при работе сделанного своими руками пресса из гидравлического цилиндра
Если наблюдается недостаточный уровень усилия пресса ручного гидравлического, своими руками выполненного, или механизм работает прерывисто, такая проблема связана с возможным попаданием в полость домкрата воздуха, что негативно отражается на работе поршня. Для устранения повреждения в цилиндр следует добавить рабочую жидкость, удалив воздух через трубочки.
Низкое давление механизма объясняется повреждением клапана, который отошел от отсеков, загрязнился или же в нем ослабли пружины. В первых двух случаях проводится ремонт или замена элемента. Очистка клапана выполняется при помощи влажной ткани с последующей сушкой элемента. В случае сильного загрязнения механизм промывается керосином или бензином и просушивается сжатым воздухом. Если причина кроется в износе пружин, их необходимо поменять на новые элементы.
При попаданием в полость домкрата воздуха, наблюдается недостаточный уровень давления пресса
Важно! Если у домкрата поврежден корпус или поршень, требуется полная замена механизма, который не подлежит ремонту. После разборки домкрата для выполнения ремонтных работ механизм требуется собрать с соблюдением определенных условий. Клапаны должны плотно прилегать к посадочным местам
Необходимо, чтобы в гидроцилиндре находилось достаточное количество жидкости. В системе должен отсутствовать воздух
Клапаны должны плотно прилегать к посадочным местам. Необходимо, чтобы в гидроцилиндре находилось достаточное количество жидкости. В системе должен отсутствовать воздух
После разборки домкрата для выполнения ремонтных работ механизм требуется собрать с соблюдением определенных условий. Клапаны должны плотно прилегать к посадочным местам. Необходимо, чтобы в гидроцилиндре находилось достаточное количество жидкости. В системе должен отсутствовать воздух.
Гидравлический пресс является многофункциональным универсальным оборудованием, которое может использоваться для решения разных задач, где необходимо приложить усилия. Инструмент можно приобрести в специализированном магазине или сделать пресс своими руками из гидравлического домкрата, что позволит сэкономить финансы
Для этого важно правильно выбрать необходимый материал и придерживаться алгоритма сборки элементов
Расчет размеров и изготовление механического
Прессы механического типа используются для обработки кожаных изделий, металлических компонентов, а также картона и поролона. Чтобы самому смастерить устройство, необходимо:
- Четыре одинаковых уголка из металла с длиной около 90 сантиметров соединить с четырьмя уголками, длина которых составляет 55 сантиметров. Чтобы их скрепить, используют обычные шурупы или электрическую сварку.
- Закрепить между собой два полученных железных прямоугольника металлическими трубами.
- Усилить изготовленный короб стальными пластинами и поперечными прутьями.
- Сделать в одной из стенок небольшую дверцу, через которую можно будет доставать спрессованные изделия.
Затем приступают к формировке основного компонента — поршня. Для этого железные швеллеры длиной 55-65 сантиметров сваривают друг с другом. После чего конструкцию усиливают поперечной железной балкой. В ее центре присоединяют фланец со вставленным внутрь прутом. Затем к железному коробу с противоположных сторон приваривают швеллеры.
Когда конструкция будет полностью собрана, на прут надевают шайбу с гайкой и подшипником.
Когда надо покупать

Настольный ручной механический мини-пресс
Но вот когда пресс ни в коем случае не надо делать самому, так это когда вы занимаетесь точной механикой, оптикой, ювелирными работами. Все самодельные прессы особой точностью не отличаются: в домашних и/или кустарных условиях их лучше и не сделаешь. А неточный мини-пресс может сломать или непоправимо испортить малюсенькую незаменимую детальку, расколоть линзу, драгоценный камень и т.п. В этих случаях лучше все же приобрести настольный мини-пресс; из них ручные механические реечные (см. рис. справа) есть в широкой продаже и цены на них приемлемы.
Вибропресс
Данный механизм применяют, когда требуется упрочнить шлакоблок и подобные ему бетонные изделия. Внутрь в специальную форму помещают цементно-песчаную смесь, щебень. Затем воздействуют на неё давлением и включают вибрацию. В итоге происходит удаление лишнего воздуха, за счёт чего у изделия улучшаются прочностные характеристики.

Создать вибропресс в мастерской – дело вполне осуществимое. Однако стоит быть готовым, что потребуется потратить не один час личного времени и приложить большое количество усилий.

Также нужны будут соответствующие знания. Поэтому, если надо проработать плитку для тротуара или что-то подобное, эксперты рекомендуют сделать стандартный вибростол.

По сути ничего не поменяется, если состав в форме не будет сжиматься прессом, а просто под действием вибрации потеряет излишки воздуха.





































