Фундамент для сауны или бани
На участке, где есть дом из пеноблоков (газобетона) целесообразно построить баню. Возведение которой также начинается с обустройства основания. Различные виды фундамента – свайный, ленточный, монолитный – дают повод все рассчитать, предусмотреть возможные минусы и выбрать подходящий вариант.
Предварительно следует учесть материал для постройки бани. Если конструкция будет тяжеловесной, то необходим заглубленный фундамент. Выполнить его устройство можно одной плитой. Минусы такого основания заключаются в большом расходе материалов.
В расчет следует взять и характер грунта под укладку. Неплохим решением будет возвести свайно-ленточное основание своими руками. Технология его укладки аналогична возведению фундамента для жилья из пеноблоков.

Прежде чем браться за его устройство, следует сделать приблизительный расчет всех строительных материалов. Причем расчет нужно делать с небольшим запасом. Чрезмерно большие излишки ударят по семейному бюджету, а нехватка материала может затормозить стройку в самый нежелательный момент.
Области применения СПФ
- слабонесущие или рыхлые грунты;
- участки с высоким уровнем залегания грунтовых вод;
- наличие сезонных подтоплений;
- заболоченные участки;
- торфяники;
- высокий уровень морозного пучения.
Эти условия требуют применения надежных опорных конструкций — свай. Они переносят нагрузку от веса дома к плотным грунтовым слоя, расположенным на большой глубине. Плита является дополнительным элементом, равномерно распределяющим нагрузку между всеми сваями и поглощающая вибрационные волны. Как правило, СПФ применяется для многоэтажных зданий, имеющих большую высоту. Они создают значительную нагрузку на опорную конструкцию и сильно вибрируют при эксплуатации. Мощная плита на свайном фундаменте, являющаяся увеличенным вариантом ростверка, соединяет все сваи в единую опорную систему и поглощает паразитные колебания от конструкций дома.
Как построить основание своими руками: пошаговая инструкция
Установка опор:
- Разметка территории. Определяют местоположение опор, учитывая нормативы СП 24.13330.2011. Там, где намечено расположение стоек, забивают колышки.
- Установка свай. Ручным буром выполняют отверстия в грунте. На их глубину влияет состояние почвы. Стенки скважины защищают рубероидом. В отверстие опускают арматуру. Заливают бетон, трамбуя его, чтобы получить монолитную конструкцию. Для возвышения свай над землей делают опалубку.
- Соединение свай. Чтобы соединить опоры, делают ростверк. Под баню подойдет брус либо бревно. Древесину кладут на оголовки, выполняя в ней вырезы под них. Затем скрепляют брусья по углам. К оголовкам раму крепят болтами. Далее возводят стены, закрывают их крышей.
Опора под печь
Если будет кирпичная печь, под нее нужны дополнительные опоры:
- Копают котлован.
- Подсыпают песок.
- Укладывают битый кирпич, затем снова песок, получая плотную подушку.
- Укладывают щебень. На нем устраивают опалубку под габариты печи.
- Внутри опалубки монтируют арматурный каркас.
- Заливают бетон по уровню, на 10 см ниже пола. Дожидаются полного высыхания.
- Бетон смазывают гудроном, выкладывают кирпичи до нулевого уровня. На них возводят печь.
На фото пример заложения фундамента под печь:

Как утеплить?
Чтобы утеплить пол при свайном основании, рекомендовано использовать пеноплекс. Мастера перед укладкой изолятора монтируют по периметру пола рейку. Она позволяет обеспечить сливной уклон, чтобы вода быстрее стекала.
Подробная статья об утеплении свайного фундамента здесь.
Декорирование
После завершения строительства требуется облагородить фундамент. Рекомендовано применять различные облицовочные материалы.
Подойдет:
- камень;
- керамогранит;
- облицовочный кирпич;
- клинкер.
Нюансы обустройства свайно-плитного фундамента
Для обустройства надежного, качественного и удобного в эксплуатации свайно-плитного фундамента, нужно учитывать некоторые нюансы:
- Уложенная плита становится полом нижнего этажа дома, потому рекомендуется дополнительная гидроизоляционная подушка — ровный уплотненный слой глины между землей и песочно-щебневой подушкой. На песок и щебень укладывают пеноплекс. Благодаря таким мерам снижаются теплопотери и в дальнейшем обеспечивается экономия на обогреве при эксплуатации здания.
- Наполнитель в бетонной смеси должен быть мелких или средних фракций, иначе будет затруднительным качественное уплотнение при невысоком каркасе.
- Заливка смеси осуществляется сразу, нельзя выполнять эту процедуру, растянув на несколько дней. В противном случае образуются швы, которые негативно влияют на прочность конструкции.
- Не рекомендуется использовать обогреватели для скорейшего затвердевания бетона во избежание неоднородности плиты и снижения расчетной прочности.
Можно использовать специальный материал для гидроизоляции.
Свайно-плитный фундамент — достаточно дорогостоящее «удовольствие», но в некоторых случаях только такое решение обеспечит самую высокую прочность и надежность зданию. Этот вариант, в первую очередь, рассчитан на многоэтажное строительство и использование в сейсмоопасных районах и на самых нестабильных или мало изученных грунтах. Уникальное совмещение ранее применявшихся только по отдельности технологий раскрывает более широкие возможности в строительстве, в дальнейшем такой вид основания будет развиваться.
Свайный фундамент под дом и его виды
Свайный фундамент под дом подразделяется на несколько видов в зависимости от материала, способа передачи нагрузки и конструкции.
По материалу:
- Деревянные. Для опор используются бревна. Данный вид свай в настоящее время встречается редко. На их замену пришли более прочные материалы.
- Металлические. Бывают двух видов – забивные и винтовые. Винтовые сваи внешне похожи на шурупы, которые вкручивают в грунт. Забивные представляют из себя отрезки различных видов металлопроката. Например, рельса или швеллера. Они обладают следующими преимуществами: высокая прочность, способность пластично изгибаться, сохраняя при этом несущие способности. Существенный недостаток – это склонность к коррозии, что сокращает их срок службы.
- Железобетонные. Подразделяются на забивные и набивные. Первые изготавливают на производстве, обладают устойчивостью ко всем нагрузкам. Вторые производятся на площадке путем заполнения опалубки, помещенной в скважину, бетоном плотных марок.
По способу передачи нагрузки:
- Сваи-стойки. Это опоры, которые находятся в контакте с твердыми слоями грунта. Углубляются до плотных слоев грунта.
- Висячие сваи. Без опоры в нижней части ствола, используют частичную опору на грунт.
По конструкции:
- Забивные. Стержень с заостренным наконечником, забиваются в грунт до твердых пород.
- Набивные. Изготавливаются самостоятельно, но имеют меньшую несущую способность. Бетонная отливка в скважину.
- Винтовые. Представляет из себя трубу с острым концом и спиралеобразными лопастями. В основном используются для вспомогательных сооружений.
Важно!!!
Виды свай
Виды используемой обвязки
Сваи представляют собой столбы, которые вбиты или вкручены в почву. Чтобы они превратились в фундамент, требуется их обвязка. Выбор виды обвязки зависит от веса конструкции и типа грунта. Наиболее популярные из них:
- Сваи-колонны. Используются для дачи или другого легкого сооружения.
- Деревянная обвязка. Может использоваться при строительстве деревянного или легкого каркасного дома.
- Металлическая обвязка. Позволяет изготовить прочную и надежную конструкцию, которую можно использовать практически в любом частном строительстве.
- Монолитный ростверк. Сочетает в себе свайное и ленточное основание. Рекомендуется в том случае, если нужна жесткая и надежная конструкция.
Выбор обвязки зависит от несущей нагрузки будущего строения, вида используемых свай и других особенностей.
Разновидности по методике заглубления
Основной способ классификации свай – по способу их заглубления. Выделяют следующие виды.
- Буровые железобетонные — устанавливаются в предварительно пробуренную скважину. Несмотря на наличие предварительных земляных работ (бурение скважин), при этом способе установки отсутствует ударное воздействие на сваю. Это позволяет свести к минимуму вероятность повреждения бетонного столба во время его монтажа..
- Винтовые сваи на рабочем конце имеют режущую кромку в виде шнековой навивки. Винтовые опоры малого диаметра и длины вкручиваются в грунт вручную при помощи ворота, а большие – при помощи специальных механизмов. Одно из преимуществ винтовых опор – при необходимости их можно извлечь (выкрутить) из грунта и установить в новом месте. Для увеличения несущей способности винтовой опоры, после ее вкручивания получившаяся воронка заливается бетоном, что делает ее несъемной.
- Забивные сваи имеют заостренный конец и погружаются в грунт без его предварительной выемки при помощи специального оборудования: вибропогружателей или молотов. Чтобы защитить верхнюю часть от повреждений в процессе погружения, на нее надевают стальное кольцо. Недостатком такого метода монтажа опор считается возможность повреждения, как самой сваи, так и гидроизоляции, если таковое нанесено.
- Буронабивные относятся к опорам, устраиваемым непосредственно в грунте. Суть этого метода заключается в предварительном бурении скважин и последующем их заполнении бетонной смесью.
Опорно-столбчатый фундамент своими руками: пошаговая инструкция
Данный вид фундамента представляет собой сугубо столбчатую конструкцию с ростверком. Обустройство такого несущего элемента наиболее уместно при строительстве легких сооружений на песчаных грунтах.
Вся работа делиться на несколько этапов, среди которых:
- Проведение земляных работ.
- Возведение столбов фундамента.
- Обустройство ростверка.
Перейдем непосредственно к началу работ.
Земляные работы
Первым этапом становится проведение земляных работ. Первоначально следует подготовить площадь. Для этого удаляется лишний грунт и проводится выравнивание поверхности.
Особое внимание уделяется глинистым грунтам, в данной ситуации необходимо будет снять довольно большой слой грунта, после чего устроить прокладку из песка. Следующим шагом проводиться разметка участка
Используются колышки и строительная нить. С ее помощью соответствуя рабочим чертежам и проводится разметка. Нить натягивается в две полосы, параллельные друг другу, при этом расстояние между ними должно составлять величине опор и соответственно ростверка. Особое внимание необходимо уделять углам, они должны быть абсолютно ровными (т.е. 90 градусов). Кроме того, проводиться разметка стен, их пересечения и примыкания
Следующим шагом проводиться разметка участка. Используются колышки и строительная нить. С ее помощью соответствуя рабочим чертежам и проводится разметка. Нить натягивается в две полосы, параллельные друг другу, при этом расстояние между ними должно составлять величине опор и соответственно ростверка
Особое внимание необходимо уделять углам, они должны быть абсолютно ровными (т.е. 90 градусов)
Кроме того, проводиться разметка стен, их пересечения и примыкания.
Опираясь на рабочие чертежи, в местах, где должны быть обустроены столбы, с помощью бура обустраиваются скважины. Его диаметр может составлять от 15 до 40 сантиметров. При этом, если глубина заложения столбов составляет более метра, то необходимо проводить дополнительную фиксацию грунта, во избежание осыпания. В нашем же случае кроме обустройства котлованов вручную буром, необходимо будет привести их к квадратной форме, для кладки столбов.
После чего дно скважины засыпается песком, слой его должен составлять примерно 10 сантиметров. Далее проводиться контрольная сверка расположения скважин относительно осей, и их ровность.
Последним шагом такой подготовки станет заливка бетона слоем в 10-15 сантиметров, который послужит прочным основанием для обустройства такого типа фундамента. Приступать к работе можно сразу после полноценного высыхание бетона, которое проходит в течении 28-30 дней.
Возведение столбчатого фундамента
Теперь перейдем непосредственно к возведению. В данном случае для обустройства столбов будет использоваться кирпич.
Итак, выкладываем основание, по которому будем равняться. Оно выполняется в виде квадрата параметрами 38*38 сантиметров. После чего по нему выкладываем и сам столб, в высоту до 50 сантиметров выше земли.
Сам столб формируем контуром, таким образом, чтобы внутри оставалось свободное пространство. Далее проводиться армирование, при этом минимум 1-2 прута связывается между собой и вставляется внутрь (в идеале это 3-4 прута). После установки каркаса, пространство заливается бетоном.
После полноценного высыхания бетонного центра, необходимо провести гидроизоляцию несущей конструкции. Также необходимо проверить и нахождение всех столбов на одном уровне. После чего траншеи засыпаются грунтом.
Кроме того, благодаря своей уникальной технологии обустройство столбчатого фундамента можно проводить использую асбестоцементные трубы. Монтаж проводится следующим образом:
- Труба опускается в подготовленную скважину, после чего заливается бетоном.
- Следующим шагом труба немного приподнимается, чтобы была возможность бетону растечься. Это дает хорошее основание и фиксацию.
- Следующим шагом, не доходя 10-15 сантиметров до края, труба заливается дополнительной порцией бетона.
Обустройство ростверка
Теперь переходим к обустройству ростверка. Выполнять его можно использую деревянные балки. В данном случае каждая из них краем должна опираться на столб, кроме того быть сцеплена с другой балкой.
Кроме того, часто встречается выполнение железобетонного ростверка. В данном случае сверху столбов обустраивается деревянная опалубка, внутри нее предусматривается армирование, по типу такого же рода как для ленточного фундамента. После чего заливается бетоном.
Деревянная основа под стены
Планируемые внутренние перегородки, несущие нагрузку веса второго этажа и кровли солидарно с наружными стенами также обопрутся на антисептированный брус, уложенный на прокрашенный швеллер. Гидроизоляционный слой, как и по бетону, надлежит проложить по всему периметру. Оксид железа – ржавчина и деревянная обвязка дома не лучшее соседство.
Шпильки крепления бруса к прокату предпочтительнее не варить, просверлить отверстия. Для удобства монтажа лаг желательно пропустить по внутреннему периметру брусок 40х40. Плиты ОСП лягут на него, став опорой лагам. Крепление всех силовых узлов каркасного дома осуществляется на гвоздях. Саморезы – только для фиксации ОСП и гипсокартона.
Утеплитель независимо от типа: минеральная вата, пенополистирол, другие виды, укладывается вразбежку, перекрывая стыки предыдущего ряда, нейтрализуя образование мостиков холода под полом дома. Невзирая на то, что плиты ОСП, влагостойкая фанера плохо пропускают влагу, пароизоляционная мембрана сверху и ветрозащитная плёнка с противоположной стороны укладываются непременно.
Разметка места под будущий фундамент

После этого требуется подготовить необходимый инструмент, который включает в себя:
- Бечевка или леска;
- Колышки из дерева (длина может быть от 110 до 130 см);
- Измерительная рулетка. Предпочтение следует отдать длинным вариантам, до двадцати пяти метров;
- Бытовые ножницы для нарезки бечевки или лески;
- Строительный отвес;
- Слесарный угольник;
- Любое счетное устройство типа калькулятора. Оно будет необходимо для правильного расчета сторон заливаемого фундамента и объема смеси;

Первым делом нужно наметить место, в котором будет располагаться любой угол фасада здания, после чего в требуемую точку забивается имеющийся колышек. От установленной метки отмерить ширину планируемого фасада, после чего на требуемое расстояние вбивается второй колышек.

Используя строительный отвес проверяется возможное отклонение угла фасада, выставляется вертикаль, после чего от нее протягивается бечевка или леска, которая должна быть расположена строго перпендикулярно требуемой линии фасада.

Применяя слесарный угольник намечают оставшиеся углы здания, устанавливая колышки на требуемые места и соединяя последние бечевкой
После всех проведенных процедур важно проверить точность расположения вбитых маячков, для чего при помощи строительной рулетки производится замер диагоналей здания. При имеющемся расхождении нужно подкорректировать вбитые колышки

Таким образом, размечается внешний диаметр строения. Для определения внутреннего периметра, не отходя от линии разметки по разные стороны каждого вбитого колышка, также устанавливают еще по одному, отступая по сорок сантиметров в каждую сторону.

Соединяя бечевкой новые метки на противоположных сторонах, получаем внутреннюю разметку периметра дома.

После этого, сверяясь с намеченным планом дома, аналогичным способом при помощи колышков и бечевки наносят разметку внутренних несущих стен конструкции.

Яму (или канаву) под фундамент необходимо копать строго по имеющейся разметке. С этой целью возможно привлечение техники, такой как экскаватор или трактор, или же допускается воспользоваться обычной лопатой.

При наличии твердой или каменистой почвы глубина канавы может быть до 50 сантиметров, однако, для укрепления прочности фундамента в этом случае придется бурить землю через каждые две метра, включая угла фасада с последующей установкой столбов опоры.

Опорные столбы заглубляются на глубину порядка полутора метров от верхнего уровня траншеи, что позволит обеспечить прочный каркас фундамента и обеспечить надежность всей последующей конструкции.
Расчет и схема расположения буронабивных свай
l = P/Q, где
P — несущая способность 1 сваи;
Q — нагрузка на 1 пог.метр фундамента (масса дома делить на длину ростверка).
Пример расчета: Для дома весом 50 т, возводимого на глинистых грунтах на сваях диаметром 20 см потребуется 27 опор (50 000 кг/1884 кг = 26,53…).
Шаг буронабивных свай в ленточном ростверке проще вычислить, исходя из правила: расстояние между опорами должно быть не более трех их диаметров. Для свай диаметром 20 см шаг будет составлять 0,6 м. Для плотных грунтов этот показатель можно увеличить на 25%, значит, расстояние между сваями в нашем случае будет 0,8 м.
При желании более точно можно рассчитать шаг буронабивных свай по формуле: l = P/Q, где l — расстояние между сваями; P — несущая способность 1 сваи; Q — нагрузка на 1 пог.м фундамента (масса дома/ длина ростверка).
Схема расположения буронабивных свай составляется с учетом СНиП, опоры располагаются:
- по углам дома;
- вдоль несущих стен с выбранным шагом;
- под входной группой.
Дополнительно буронабивные сваи должны быть установлены под тяжелыми элементами, например камином, печью, котельной. Глубина залегания свай зависит от глубины, на которой будут обнаружены несущие грунты, если основание возводится на слабых почвах или от уровня промерзания грунта в регионе. Как правило, глубина бурения под опоры составляет 1,5-3 м.
В = М/L*R
В — ширина ленты ростверка;
М — масса дома;
L — длина ростверка;
Данная формула применима как для ростверка нулевой высоты, так и мелкозаглубленного. Висячий ростверк рассчитывается по принципиально другой технологии, которая является крайне сложной. Если вы планируете строительство дома с висячим ростверком, то расчет необходимо заказать в проектной организации.
В соответствии с вышеприведенной формулой ширина ростверка в большинстве случаев определяется в диапазоне 30-50 см. Для коттеджа достаточно среднего значения ширины — 40 см при стандартной высоте 20-50 см в зависимости от желаемого заглубления.
Расчет армирования
Буронабивные сваи должны быть усилены армированием. Диаметр арматуры зависит от массы сооружения. Оптимальный вариант для частного дома — ребристая арматура 12 мм. Зависимость размера армирования от диаметра свай можно увидеть в Таблице 1. Соединение арматуры осуществляется только специальной металлической проволокой, сварку для фундамента применять нельзя!
Если застройщик решил делать буронабивной вариант своими руками, ему нужно разобраться с особенностями проектирования такого основания. Так, буронабивные сваи монтируют рядами под всеми несущими стенами, сваи обязательно должны находиться под углами будущего дома.
Для того чтобы рассчитать диаметр свай, их количество и требуемое расстояние между ними, нужно учитывать структуру почвы, вес сооружения. Наилучшей несущей способностью отличаются полускальные и скальные почвы. Глинистые, песчаные, суглинистые грунты требуют больше свай.

Для определения веса будущей постройки нужно посчитать вес строительных материалов, используемых при ее возведении (включая кровельный «пирог»). Для этого существуют специальные справочные таблицы и СНиПы.
Чем больше будет весить дом, тем больше придется установить свай и тем меньше должно быть расстояние между ними.
Расстояние между сваями должно составлять как минимум 3 их диаметра. Если опоры будут установлены с меньшим шагом, это снизит несущую способность основания.
Особенности
Свайно-ленточный фундамент представляет собой ленточное основание на опорах (сваях), благодаря чему достигается устойчивая конструкция с высоким запасом прочности. В большинстве случаев подобный фундамент создается под крупные малоэтажные строения на «проблемных» грунтах (глинистых, органических, неровных рельефах, водонасыщенных).
Иначе говоря, прочность конструкции обеспечивает ленточный (обычно мелкозаглубленный) фундамент, на который опираются стены, а прочное сцепление с почвой – сваи, забиваемые ниже уровня промерзания грунта.


Подобный тип основания не рассчитан на многоэтажное строительство. Обычно на таком фундаменте возводятся частные дома не более 2 этажей в высоту с применением облегченных материалов – дерева, ячеистых бетонных блоков (газобетона и пеноблоков), пустотелого камня, а также сэндвич-панелей.
Впервые технология стала применяться в Финляндии, где строятся преимущественно деревянные дома. Вот почему комбинированный фундамент является оптимальным для домов из дерева или каркасных конструкций. Более тяжелые материалы потребуют увеличения числа оснований, а иногда и поиска иных решений.


Глубина заложения свай обычно определяется глубиной твердых слоев грунта. Монолитный бетонный фундамент заливается в опалубку, расположенную в траншее 50-70 см глубиной. Прежде чем начинать работы, производят исследование грунта и пробивание пробной скважины. На основании полученных данных составляется схема залегания слоев грунта.
Использование ленточного фундамента на сваях позволяет ощутимо повысить эксплуатационные характеристики строящегося объекта.


Среди преимуществ системы можно выделить некоторые позиции.
- Возможность капитального строительства на «капризных» грунтах – там, где невозможно использование ленточного основания. Однако из-за большой нагрузки объекта не получится использовать только сваи.
- В рассматриваемом типе фундамента удается снизить чувствительность ленточного основания к пучинистым грунтам и подземным водам.
- Возможность защитить ленточный фундамент от подтопления, а также перенести большую часть веса основания на более твердые слои почвы на глубину 1,5-2 м.


- Такой фундамент подходит и для прочных грунтов, подверженных сезонным деформациям.
- Более высокая скорость строительства, чем возведение фундамента с глубоким заложением.
- Возможность получить объект с подвалом, который может служить полезным или техническим помещением.
- Доступность использования материалов, применяемых как для организации фундамента, так и для возведения стеновых конструкций.
- Снижение стоимости и трудоемкости процесса по сравнению с организацией ленточного фундамента.

У такого основания имеются и минусы.
- Увеличение при заливке фундамента количества операций, выполняемых вручную. Это связано с невозможностью использовать экскаваторы и прочую технику для рытья траншей из-за вбитых свай.
- Невозможность использовать получившееся полуподвальное помещение в качестве полноценной комнаты (бассейна, комнаты отдыха), как это возможно при устройстве ленточного фундамента. Этот недостаток можно нивелировать рытьем котлована, однако повышается стоимость и трудоемкость процесса. К тому же такой подход возможен не на каждом типе грунта даже при наличии свай.
- Необходимость проведения тщательного анализа грунта, составление объемной проектной документации. Как правило, эту работу поручают специалистам, чтобы избежать неточностей и ошибок в расчетах.
- Довольно ограниченный выбор стройматериалов для стен – это обязательно должна быть легкая конструкция (например, из дерева, газобетона, пустотелого камня, каркасный дом).


Ошибки и рекомендации по строительству
Основные промахи, которые допускают застройщики на строительстве фундамента — это:
- Неправильный расчёт количества свай. При любом подсчёте надо руководствоваться правилом чередования опор не реже, чем через каждые 1,5 – 2 м.
- Экономия на приобретении дешёвых марок цемента приводит к потере несущей способности СРФ. Для приготовления бетона надо использовать цемент не ниже М 400.
- Производство работ в холодное время года. Оптимальная температура воздуха для заливки бетоном опалубки должна быть не ниже 5 – 10С.
- Нарушение вертикальности опорных конструкций чревато разрушением фундамента. На монтаже свай необходимо пользоваться геодезическими инструментами.
Много важной и полезной информации о возведении ленточно-свайного фундамента найдете в этом разделе
Изготовление опалубки
Поскольку любой тип фундамента должен быть заведомо выше поверхности почвы, прочная опалубка является необходимым условием для правильной заливки всей конструкции фундамента.

Для ее изготовления готовят следующие принадлежности:
- Строительный уровень;
- Доски для опалубки, фанера или деревянные щиты, толщина должна быть порядка 25 миллиметров. Предпочтительнее использовать хвойные породы деревьев, так как это позволит избежать растрескивания конструкции при заливке;
- Саморезы;
- Пленка из полиэтилена;
- Промышленный степлер;
- Бруски сечением порядка 5 сантиметров (применяются для фиксации щитов);
- Арматура для армирования (диаметр сечения должен составлять 12 миллиметров);
- Оцинкованная вязальная проволока, плоскогубцы.

Как уже было сказано выше, для создания опалубки можно использовать либо имеющиеся фанеру или щиты, либо изготовить их самостоятельно из досок, при этом готовые изделия должны достигать в ширину порядка 35-40 сантиметров, не имея никаких неровностей, зазоров или щелей.

После расположения изготовленных щитов вдоль выкопанной траншеи, в местах стыка они подпираются брусками с внешней стороны. Соединение досок осуществляют саморезами, что в дальнейшем значительно облегчит процесс разборки опалубки после застывания раствора.


Если предполагается наличие труб возможных коммуникаций, отверстия в щитах необходимо прорезать заранее в требуемых местах. Подготовленные щиты обивают полиэтиленовой пленкой, что позволит избежать намокания дерева и пропитки его приготовленным раствором.

Подготовка к работе
Подготовительный период строительства фундамента включает в себя:
- Расчёт СЛФ.
- Материалы.
- Инструменты.
Расчёт
Прежде чем приступить к расчёту фундамента, нужно собрать нагрузки от дома, воздействующие на опорные конструкции. Определение максимального давления на грунт нужно для вычисления оптимальной опорной площади.
Суммируют вес:
- всех конструкций,
- технологического оборудования,
- трубопроводов,
- мебели и всего того, что может находиться в доме одновременно, включая и людей.
Также учитывают снеговую нагрузку на кровлю — её величину берут из СНиПа.
Нужно точно установить характеристики грунта. Их можно узнать из вертикальной съёмки места строительства. В каждом местном отделении архитектуры и землеустройства такие документы есть в наличии. В них обязательно указывается глубина промерзания, уровень грунтовых вод и отметка залегания несущего слоя грунта.
Если нет возможности взять копию вертикальной съёмки, то обращаются в местную геологоразведочную службу для проведения изыскательских работ. Характеристики грунта можно установить испытанием образцов почвы, взятых из пробуренных скважин.
Анализируя данные грунтового основания, рассчитывают длину сваи. Она складывается из глубины заложения фундамента и высоты её надземной части. Продольный размер точечной опоры должен быть таким, чтобы её пята находилась ниже зоны промерзания, выше грунтовой воды и была погружена в несущий слой грунта не менее чем на 300 мм.
Оптимальное количество свай определяют путём деления опорной площади на величину пяты одной сваи. Причём саму площадь высчитывают с помощью условно принятой удельной нагрузки от дома, которая должна быть меньше сопротивления несущего слоя грунта. Величину сопротивления почвы берут из вертикальной съёмки.
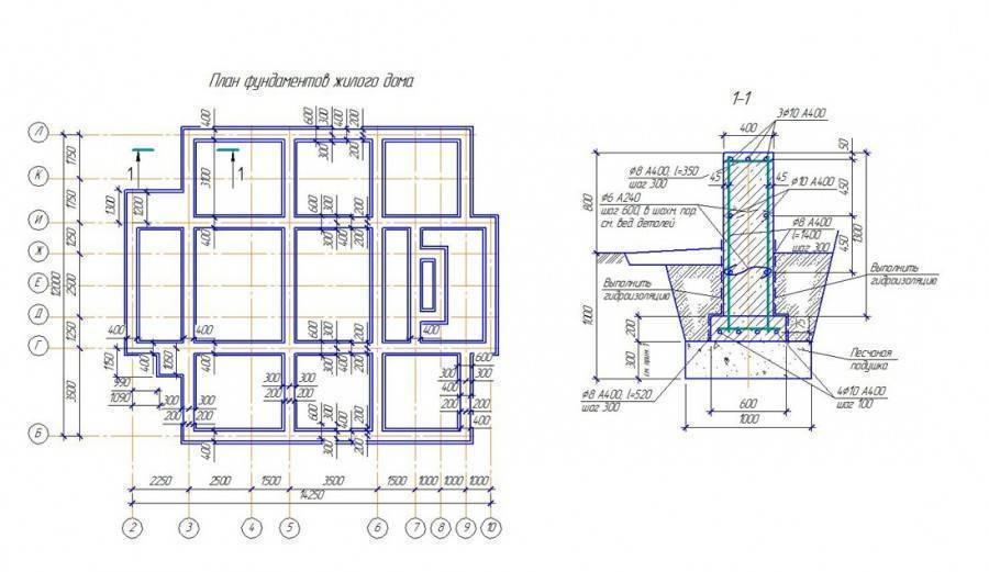
Расчёт ростверка, как правило, сводится к принятию условного поперечного сечения ленты, где высота принимается в размере не менее 400 мм (это связано с оптимальным размещением продольных стержней арматуры на минимальном расстоянии от верхней и нижней внешней поверхности ленты на 30 – 50 мм). Ширину монолитной полосы принимают равной толщине стен плюс по 30 мм с каждой стороны.
Материалы
Перед началом производства работ заготавливают необходимые материалы для строительства фундамента. Если нет водопровода, на участке устанавливают ёмкость с необходимым запасом воды.
На место завозят:
- песок,
- щебень,
- арматуру,
- цемент.
Для формирования свай готовят оболочки из асбестоцементных, металлических или пластиковых канализационных труб. Для облицовки внутренних поверхностей опалубки необходимо запастись полиэтиленовой плёнкой.
Инструменты
Нужно составить следующий список, согласно которому нужно приготовить следующие инструменты:
- Лазерный уровень.
- Садовый бур.
- Совковые и штыковые лопаты.
- Шнур и реперы (деревянные колышки или отрезки арматуры).
- Тачка.
- Пила, ножовка, молоток, мастерки, степлер.
- Растворомешалка.
Виды ленточного фундамента
Перед тем как приступать к сооружению такого основания, необходимо тщательно рассмотреть его особенности и разновидности. Это позволит правильно подобрать фундамент для сооружения той или иной конструкции. Также это даст возможность правильно провести все необходимые работы. Ленточный фундамент – это не один какой-то способ сделать основание для дома, их существует несколько видов:
1. Цельнолитой
Монолитный или цельнолитый ленточный фундамент сооружается непосредственно на месте проведения строительства. Для начала сооружается опалубка, в которую укладывается армированный пояс по всей длине. После этого проводится заливка бетона.
Основание представляет собой замкнутый монолитный контур, изготовленный из железобетона. Благодаря этому можно создать цельный каркас, который подходит для любого грунта, в том числе и нестабильного. На таком основании можно легко соорудить загородный дом или каменный забор.
Среди достоинств такой конструкции выделяют простоту возведения и надежность. При этом основание может иметь различную форму. Что касается недостатков, то здесь отмечается большая масса монолитной конструкции.
Цельнолитой ленточный фундамент – бетон заливается за один прием в подготовленную опалубкуИсточник sazhaemvsadu.ru
2. Сборный
Для сооружения фундамента используются готовые железобетонные блоки. Из них выкладывается лента нужной формы непосредственно на участке. Их скрепление производится с помощью цементного раствора. Они оптимально подходят для сооружения малоэтажных домов. Приобрести готовые блоки довольно просто, так как их производством занимаются многие заводы.
Среди достоинств стоит выделить простоту сборки, что позволяет значительно сэкономить время на сооружение основания. Но, вместе с этим, сборные конструкции имеют некоторые недостатки. Не цельная структура и потребность в привлечении тяжелой строительной техники снижает популярность данного вида ленточного фундамента.
Сборный ленточный фундамент собирается из готовых плит, а стыки между ними герметизируютсяИсточник kinozavr.info
3. Мелкозаглубленный фундамент
Данный вид фундаментов в основном используется при сооружении легких построек. Так, это могут быть каркасные дома и конструкции из бруса и бревен. Особенность такого основания заключается в том, что он находится несколько выше уровня промерзания почвы. Поэтому его зачастую используют на менее проблемных грунтах.
Мелкозаглубленные конструкции легко переносят пучение грунта, которое происходит в зимний период
При сооружении особое внимание уделяют гидроизоляции и теплоизоляции. Это позволит защитить основание от негативного действия окружающей среды.
К достоинствам мелкозаглубленного основания относят ее невысокую стоимость постройки. При этом нет потребности в проведении сложных земельных работ. Недостатков у него несколько. Прежде всего, стоит отметить, что такую конструкцию можно использовать не на всех типах грунта и для строительства не всех сооружений.
Конструкция мелкозаглубленного фундамента стандартная – просто он заглубляется в грунт не больше чем на 50-70 сантиметровИсточник novostroika93.ru
4. Ленточный фундамент глубокого залегания
Строительство ленточного фундамента данного типа выполняется ниже уровня промерзания грунта. Это дает возможность распределить нагрузку от будущего строения на устойчивый слой почвы. Благодаря этому, фундаменты глубокого залегания используются для строительства многоэтажных домов, которые имеют значительный вес.
Плюсы данной конструкции заключается в том, что они пригодны для строительства тяжелых сооружений. Также есть возможность обустроить цокольное и подвальное помещение. Конечно, для обустройства основания понадобятся значительные физические и материальные затраты. В особенности это касается проведения земляных работ.
Ленточный фундамент глубокого залегания заглублен ниже уровня промерзания почвы – это может быть 1,7-2,2 метра или ниже, в зависимости от регионаИсточник diagnostika.spb.ru
Ростверк для свайного фундамента
При различных разновидностях свайного фундамента могут применяться ростверки – конструкция в виде рамы, которая распределяет нагрузки дома по всем сваям. Свайно ростверковый фундамент может быть ленточным и плитным. Первый вариант напоминает обычный ленточный фундамент, т.е. укладывается вдоль несущих стен здания. Представляет собой балки, которыми соединены все сваи. Плитные ростверки выполняются в виде плоской плиты на всю площадь дома. Они используются в тех случаях, когда сваи распложены также по всей площади здания.
В зависимости от конструкции выделяют сборные, сборно-монолитные и монолитные ростверки для свайных фундаментов. Сборные представляют собой балки из швеллера или двутавра, установленные поверх свай. Сборно-монолитные оснащаются специальным замками, для их устройства используют готовые железобетонные элементы. Монолитные ростверки заливаются непосредственно на строительной площадке. Последний способ для строительства частного дома подходит лучше всего, т.к. позволяет ограничиться подручными инструментами.
























































