Пошаговое руководство
Изготовление бесканального теплообменника
- Подготовьте емкость, лучше металлическую, пластиковая будет дольше нагреваться.
- Установите бак к началу системы отопления.
- Проделайте в емкости 2 отверстия для выходов. Одно – вверху, через которое горячая вода будет выводиться. Второе – внизу, холодная жидкость будет поступать из труб системы.
- Разместите выходы правильно, от этого будет зависеть скорость отдачи тепла.
- Запаяйте герметично отверстия, чтобы температура воздуха не тратилась на батарею, а помещение равномерно прогревалось.
- Для трубки используйте медь, она должна хорошо гнуться и отдавать максимально тепло в помещение.
- Согните трубку в форме спирали, получился змеевик.
- Поместите спираль в бак, концы трубки нужно вывести наружу, хорошо закрепить их.
- Подсоедините к концам деталей фитинг с резьбой.
- Подсоедините к трубе регулятор мощности, его можно купить в магазине, стоит недорого, поэтому на самостоятельном изготовлении не стоит зацикливаться.
- Система вполне будет работать исправно и без регулятора, но он нужен для регулирования мощности, экономии электроэнергии. Мощность можно выставить по своему усмотрению.
- Подсоедините к термостату клеммы, после чего – провода питания.
- Чтобы бак не изнашивался от перепадов температуры, установите анод.
- Закройте герметично все элементы.
- Наполните бак водой, теплообменник готов.
Водяной
Устройство имеет два сектора, нагревающих друг друга. Циркуляция воды при большой мощности происходит по замкнутому контуру в резервуаре отопительной системы, где нагревается до 180 гр. После обтекания установленных трубок вода направляется в основную систему, где температура нагрева увеличивается.
Для изготовления водяного теплообменика приготовьте:
- Емкость в форме стального бака. Установите ее к началу системы. Для водной циркуляции нужны 2 ответвления из труб, нижнее – для входа холодной воды, верхнее – для входа горячей.
- Проверьте бак на герметичность.
- Разместите медные трубчатые спирали внутри бака, 4 метра трубы на 100 литров бака хватит вполне.
- Подсоедините к медной трубке регулятор мощности.
- Чтобы перепады давления и температуры не разрушили емкость, установите анод ближе к нагревательном элементу.
- Запаяйте герметично бак.
- Наполните водой.
- Проверьте систему в работе.
Пластинчатый
Цельный блок конструкции состоит их поочередно размещенных пластин с горячими и холодными средами. Смешивания сред не происходит, поскольку уплотнитель резиновый и многослойный. Пластинчатые виды сложны для собственноручного изготовления, важна герметичность внутренних платин, а для этого нужно специальное оборудование.
Труба в трубе
Обменник состоит из большой трубы и меньшей по диаметру, вставленной внутрь. Среды перемещаются по меньшей трубе, для охлаждения подаются во внешнюю трубу. Конструкция:
- проста в изготовлении;
- легко чистится;
- долговечна;
- применима к любому теплоносителю;
- в отличие от пластинчатой трубы может работать под давлением;
- изменив размеры труб, можно подобрать оптимальную скорость для движения жидкости.
Чтобы трубы не влетели вам в копеечку, тщательно рассчитывайте расход материала.
Для изготовления конструкции подберите две медных трубки по диаметру одна больше другой на 4 мм для зазора:
- Приварите боковой стороной тройник к обеим сторонам наружной трубы.
- Вставьте меньшую по диаметру трубку, приварите торцы большой трубки, зафиксируйте положение меньшей трубы.
- приварите короткие трубки к тройникам на выходе, по ним будет передвигаться жидкость.
- При использовании стального материала, увеличьте площадь поверхности, соберите батарею из обменников в отдельности.
- Соедините трубки отрезками, приварите поочередно к обоим тройникам, чтобы получилась змейка.
Воздушный
Воздушный теплообменник состоит из радиатора и вентилятора. Вентилятор охлаждает потоки воздуха, разгоняет их по всей системе вентиляции. Данные вид обменника устанавливают в зданиях администрации, для общественных целей.
Теплообменник своими руками
Изготовление своими руками
Самодельный медный теплобменник змеевик
Принятие решения о самостоятельном изготовлении, как правило, говорит о наличии кое-какого инструмента и навыков работы с ним. В идеале необходима полноценная мастерская с тисками, сваркой (двух видов), верстаком, наковальней и т. д. Если оснащение оставляет желать лучшего, возможен вариант сборки простейшей модификации – медного спиралевидного змеевика.
Плюсы этого варианта:
- Медь относительно легко гнется, паяется.
- Змеевик не содержит соединений, подвергающихся сильному нагреву.
- Спиральная форма проста, универсальна, а для ее придания не нужно сложное оборудование.
- Установка такого теплообменного устройства не потребует серьезной модернизации печной конструкции.
Банная печь с таким теплообменником справится со всем, чего от нее можно ожидать: обеспечит работу 2 – 3 радиаторов отопления, нагреет воду в небольшом баке. За микроклимат в парилке, все же, отвечает каменка.
Расходные материалы
Трубогиб ручной
Из специальных инструментов для работы с медью необходима только газовая горелка. Профессионалу потребуется труборез, фаскосниматель, металлический ершик нужного размера. Однако все это заменяется болгаркой, напильником (рашпилем), мягкой абразивной губкой. Расходных материалов также понадобится минимум:
- отожженная медная труба в бухте d32, длиной 3.5 — 4.5 м (в зависимости от d дымохода);
- водорозетки переходные (резьба-пайка) d32 * 1.25” – 2 шт;
- обычный низкотемпературный и жесткий медный припой для среднетемпературной пайки (650 — 750°C);
- паста «флюс»;
- мягкая абразивная губка;
- газ пропан-бутан для среднетемпературной пайки – 1 баллон (0.5 л);
- мытый просеянный мелкий песок – 5 – 6 кг;
- трубопровод, краны, клапаны «Маевского», радиаторы.
Необходим «трубогиб» — ровное круглое бревно. С его помощью теплообменник для банной печи получит форму спиралевидного змеевика. Длина бревна – не меньше 1 м, а диаметр равен габаритам дымохода на выходе из печки. Как правило, параметр зависит от размеров топки и не бывает менее 10 см.
Алгоритм сборки
Водяная рубашка своими руками
Самая сложная часть сборки – придание спиралевидной формы. Для этого трубу придется гнуть, используя жестко установленное бревно. Неотожженную медь согнуть не получится, поэтому покупать надо именно ту, что в бухтах. Самый простой способ установки теплообменника «змеевик» в кирпичную печь (для отопления) – монтаж на дымоход. Алгоритм действий:
- Надежно заглушите один конец трубы, например, запаянной заводской заглушкой.
- Заполните трубу песком, проливая водой, простукивая молотком, уплотняя «шомполом». Им может стать металлопластиковая труба или заглушенный резиновый шланг.
- Когда труба будет заполнена, максимально уплотните наполнитель, затем заглушите второй конец. Старайтесь, чтобы песок при этом не «разуплотнился».
- Прикрутите к бревну П-образный или круглый хомут, который будет плотно держать трубу. Основание «П» – перпендикулярно трубогибу ближе к концу, а расположение по окружности роли не играет.
- Вставьте конец бухты в хомут, начните, не торопясь, накручивать трубу на бревно.
- Если где-то появился залом, значит, в этом месте песок лежит недостаточно плотно. Желательно начать все сначала, но, теоретически, можно попытаться отстучать залом молотком.
- Если d дымохода равен 150, а длина бухты — 4.5, должно получиться 8 – 9 витков спирали (высотой не более 35 – 40 см), а также два «хвоста» по 30 – 40 см.
- Отрежьте заглушки, вычистите песок, промойте спираль.
- Припаяйте к концам спирали переходные водорозетки.
- Снимите крышку, закрывающую каменку, или демонтируйте шиберную заслонку (выньте часть дымохода).
- Оденьте «змеевик» на трубу как можно ближе к печке.
- Соберите обратно дымоход, учитывая необходимые герметики, подмотки (если они были).
Теперь можно установить и подключить остальные элементы отопительной системы, в том числе открытый расширительный бак самоварного типа, трубопровод, краны, радиаторы, воздушные клапаны. Для улучшения естественной циркуляции диаметр трубопровода не должен быть намного меньше размеров змеевика. В идеале – он также будет медным, того же диаметра.
Выбор мощности
Не зная, каковы потребности здания в обогреве, подобрать оборудование сложно. Расчёт может быть приблизительным и точным. Первый вариант предпочитают продавцы, реализующие отопительную технику, так как это обеспечивает относительно точный результат. В этом случае тепловая мощность вычисляется в соответствии с площадью помещений, которые отапливаются.
Рассматривают отдельно взятую комнату, выясняют, какую она имеет площадь. Полученное значение умножается на 120. Необходимая для всего загородного дома энергия определяется после объединения показателей всех помещений. Но куда лучше точный метод. Он предполагает:
Умножение площади помещений, у которых с улицей контактирует только одна стена, на 100
Важно, чтобы на этой же стороне присутствовало одно окно. Умножение на 120, если речь идет об угловой комнате, имеющей одно окно
Умножение на 130, когда подразумевается помещение с двумя окнами и более, а также двумя наружными стенами. При подсчете приближенным методом жители холодных регионов могут недополучить тепла, а южных — переплатить за чересчур мощное оборудование.

Сегодня выпускаются различные виды котлов с тем или иным типом топлива и энергоносителями. Основными разновидностями бытовых теплогенераторов считаются:
- газовые;
- твердотопливные;
- электрические.
Есть модификации, работающие на жидком топливе. На твердом топливе работают котлы прямого горения. То же касается пеллетных и пиролизных котлов. Такие котлы востребованы, так как эксплуатация их предполагает низкие затраты. Это уголь и дрова, которое стоят относительно недорого. Есть вероятность подключения природного газа, но это дорогое удовольствие. Люди предпочитают покупать угольные и дровяные устройства.
Для начала, нужно подобрать котёл
Эксплуатация источника тепла, который работает на твердом топливе, чем-то напоминает простое печное отопление. Надо отыскать дрова, тратить силы и время, загружать их в топку. Обычно твердотопливные котлы имеют некую инерционность. Это означает, что нагрев воды после закрытия воздушной заслонки будет прекращаться постепенно.
Что это такое
Устройство служит для нагрева воды в бане. Его принцип работы основан на физических свойствах горячей воды, расширяющейся и поднимающейся вверх, а холодная при этом остается внизу.
Обычно теплообменник небольшого размера, поэтому жидкость в нем быстро нагревается. К нему присоединяются две трубы – снизу и сверху. Таким образом, горячая по верхнему патрубку, замещаемая снизу холодной, поднимается в бак, который может находиться как в парилке, так и в смежном помещении, как правило – в мойке. При этом вода низкой температуры по нижней трубе постоянно без принудительной подачи добавляется в устройство для нагрева.
Варианты нагрева воды в бане от печи
Выделяют следующие модели:
1. Емкость самоварного типа – устанавливается на выходной патрубок дымохода. Нагрев происходит за счет тепла уходящих в трубу дымовых газов. К штуцеру на дне бака подсоединяется кран для разбора горячей воды. Если у вас нет помывочной, то данный вариант будет отличным решением для нагрева
Мы рекомендуем обратить внимание на следующие условия эксплуатации:
- использование бака самоварного типа допускается только с печами для бань;
- запрещается эксплуатировать пустой бак во время работы печи;
- если вы хотите получить «финскую сауну» данный вариант нагрева воды вам не подойдет, так как в случае долгого разогрева парной жидкость начнет кипеть, из-за чего образуется тяжелый пар.


2. Теплообменник самоварного типа (небольшого размера с возможностью подключения к баку), который можно расположить в любом месте. Удобен тем, что при его наличии, бак можно разместить в помывочной. Из очевидных преимуществ перед остальными вариантами – быстро нагревает воду.


3. Теплообменник, который устанавливается на стартовый дымоход.
4. Стартовый дымоотвод + бак-рюкзак – вариант с нахождением в парной и отсутствием регулируемой конвекции для прогрева помещения.
Емкость соприкасается со стенкой трубы дымохода, за счет чего происходит нагрев жидкости. Из недостатков также можно отметить, что данная модель не имеет защиты от жесткого инфракрасного излучения, и в случае сильного нагревания, вода начинает кипеть.
5. Дымоход-конвектор со встроенным в него нагревателем.
Особенности: регистр находится внутри трубы, из которой выходят 2 одинаковых штуцера ¾ дюйма с внутренней резьбой. С помощью патрубков устройство соединяется с баком, висящим в удобном месте.
Может быть:
- Вмонтирован в печь – при появлении накипи теряет КПД.
- Расположен возле дымохода (на нем) – медленнее обеспечивает нагрев до необходимой температуры, зато на его внутренней поверхности ничего не оседает, к нему имеется легкий доступ, и его ремонт не составляет труда.
Выбор зависит от пользователя: чему отдать предпочтение, производительности или комфорту в обслуживании, экономии полезной площади или топлива.
Виды ТО
Схема и принцип работы рекуперативного теплообменника
По принципу работы оборудование делится на рекуперативное и регенеративное. В первых движущиеся теплоносители разделены стенкой. Это самый распространенный вид, он может быть различных форм и конструкций. Во втором случае с одной и той же поверхностью по очереди контактируют горячий и холодный теплоносители. Высокая температура нагревает стенку оборудования во время контакта с горячей средой, далее температура передается холодной жидкости при контакте с ней.
По назначению ТО делятся на два вида: охладительные – работают с холодной жидкостью или газом, остужая при этом горячий теплоноситель; и нагревательные – взаимодействуют с разогретой средой, отдавая энергию потокам холодной.
По конструкции теплообменники бывают нескольких видов.
Разборные
Состоят из рамы, двух концевых камер, отдельных пластин, разделенных термостойкими прокладками и крепежных болтов. Такое оборудование отличается простотой очистки и возможностью увеличения эффективности путем добавления пластин. Но разборные ТО чувствительны к качеству воды. Для продления срока их службы требуется установка дополнительных фильтров, что увеличивает стоимость проекта.
Пластинчатые
Пластинчатый теплообменник нуждается в установке дополнительных фильтров на теплоноситель
Отличаются методом соединения внутренних пластин:
- В паяных ТО гофрированные пластины из нержавеющей стали толщиной 0,5 мм сделаны путем холодной штамповки. Между ними устанавливается прокладка из специальной термостойкой резины.
- В сварных пластины свариваются и образуют кассеты, которые затем компонуются внутри стальных плит.
- В полусварных ТО кассеты скрепляются посредством паронитовых соединений в конструкции из небольшого количества сварных модулей. Эти модули уплотняются резиновыми прокладками и соединяются лазерной сваркой. После чего собираются между двумя плитами при помощи болтов.
Пластинчатые теплообменники используются в условиях повышенного давления и экстремальных температурах. Такие устройства требуют минимального технического обслуживания, экономичны и отличаются высокой эффективностью. Кроме того, по необходимости можно увеличить или уменьшить эффективность оборудования путем увеличения или уменьшения количества стальных пластин.
Единственным недостатком теплообменника из гофрированной нержавейки служит чувствительность к качеству теплоносителя, необходима установки дополнительных фильтров.
Кожухотрубные
Состоят из цилиндрического корпуса, куда помещены пучки трубок, собранных в решетки. Концы труб крепятся развальцовкой, сваркой или пайкой. Достоинством такого оборудования служит нетребовательность к качеству теплоносителя и возможность использования в технических процессах, где присутствуют агрессивные среды и высокое давление (в нефтяной, газовой, химической промышленности). Недостатки кожухотрубных ТО – относительно низкая теплоотдача, большие габариты, высокая стоимость и сложность в ремонте.
Спиральные
Состоят из двух листов металла, свернутых в спирали. Внутренние края соединены перегородкой и закреплены штифтами. Такие теплообменники компактны и обладают эффектом самоочистки. Они способны работать с жидкими неоднородными средами, любого качества. При повышении скорости движения жидкости, увеличивается интенсивность теплообмена. Недостатки: сложность в изготовлении и ремонте, ограничение давления рабочей жидкости до 10 кгс/см².
Двухтрубные и труба в трубе
Схема теплообменника «труба в трубе»
Первые состоят из труб разного диаметра. В качестве теплоносителя используется жидкость и газ. Устройства используются в местах с повышенным давлением, имеют высокий уровень теплоотдачи. Отличаются простотой монтажа и обслуживания. Единственный недостаток – высокая стоимость.
Теплообменник «труба в трубе» состоит из двух труб разного диаметра, соединенных между собой. Они используются при небольшом расходе теплоносителя и чтобы оборудовать дымоход.
Виды устройств
Среди воздушных видов классической моделью для самостоятельной сборки является трубчатый теплообменник. Но есть и большое количество других видов. Они остаются актуальными для дымохода у печек долгого горения, небольших по размеру буржуек, печек на отработке. Их преобразованное из энергии горения тепло называется сухим. Трубы к топке могут привариваться по горизонтали и вертикально. Вертикальная локализация в разы эффективнее, потому что воздух лучше идет через каналы. Материал обычно сталь.
Еще один вид теплообменника – труба, обвивающая топку. Для правильной отдачи тепла требуется 2-3 завитка. Они немного раздвигаются, увеличивая площадь обогрева. Производительность соответствует разнице уровня входа и поступления воздуха. Тяга соответствует разнице температур, поэтому отверстие под забор зачастую выводится на улицу.
Змеевик
Перегородки в корпусе – тоже разновидность теплообменника. Характерный лабиринт сооружается из вертикальных металлических пластин. Оптимальная толщина каждой детали 6-8 мм. Входное и выходное отверстия воздуховода формируются друг напротив друга, сверху приваривается крышка для герметичности корпуса.
Перегородки в корпусе
Следующий вариант – трубы, которые проходят через топку. Конструкция сооружается уже на этапе сборке самодельного устройства, до приваривания стенок. Каналы располагаются параллельно на одинаковом расстоянии. Сечение труб не меньше 50 мм.
Трубы через топку
В вертикальных каналах воздух движется активнее, поэтому повышает производительность. Реже оказываются уместными горизонтальные каналы или перегородки. Любая описанная схема подойдет для конструирования, при условии наличия навыка сварочных работ.
Конструктивные особенности
Чаще всего в качестве теплообменника выступает металлический бак емкостью до 5 литров с вмонтированными патрубками. Непосредственный контакт с огнем отсутствует. Прибор позволяет нагреть холодную воду, которая затем поступает в радиаторы или съемный бак большей емкости, расположенный в этой же или соседней комнате.

В результате, протапливая печь в одной комнате, можно будет обогреть и другую. По своему конструктивному исполнению теплообменник для печи может быть внешним и внутренним.
Такой тип очень напоминает резервуар, заполняемый теплоносителем. Внутри емкости располагается часть трубы, используемая для отвода продуктов горения. По своему конструктивному исполнению внешний теплообменник более сложный, чем внутренний, так как предъявляет повышенные требования к выполнению сварочных работ.

Однако его техническое обслуживание осуществлять намного проще. При необходимости резервуар может быть демонтирован с целью удаления накипи или устранения протечки.
Внутренний
Монтируется над топкой прямо внутри печи. Отличается простотой монтажа, но при необходимости проведения технического обслуживания могут возникнуть определенные трудности. Особенно если печь выложена из кирпича.

Чтобы этого избежать, в момент разработки конструкции стоит позаботиться о ремонтопригодности будущего теплообменника.
Подбор материалов
Задача теплообменника заключается в том, чтобы теплоноситель передавал как можно больше тепла
Потому рекомендуется обращать внимание на теплопроводные свойства материала. Медные трубы проводят тепло в семь раз лучше, чем стальные
Исходя из этого, можно заключить, что для передачи одинакового объема тепла нужно установить 3,5 м труб из меди либо 25 м изделий из стали.
Теплообменники, выполненные из металла красного цвета, являются самыми экономичными в процессе работы. При этом медь – очень дорогой материал. Потому для изготовления подобного устройства целесообразнее использовать трубы из стали, диаметр которых должен быть не меньше 32 мм.
В случае если в качестве топлива применяется уголь, для создания аппарата рекомендуется использовать трубы из чугуна, поскольку этот материал обладает лучшими прочностными свойствами. Кроме того, он медленнее поддается разрушительному воздействию огня и высоких температур.

Основные критерии выбора теплообменника

Выбирая твердотопливную систему на дровах для подогрева воды, следует определиться с типом теплообменника. оптимально подходящим в конкретно взятом случае. Одним из конструктивно простых является змеевик, который выполнен из трубы согнутой кольцом и размещённой в баке.
Однако в качественной банной печи чаще всего используют более сложную систему, которая состоит из двух ёмкостей соединённых между собой трубами. Горящее топливо нагревает нижнюю ёмкость и тепло поступает в верхний цилиндрический бак. Такая конструкция печи не только нагревает воду, но и отапливает помещения парилки и предбанника.
1 Описание отопителей
Если в прошлом наибольшей популярностью пользовались классические каменки, которые позволяли лишь нагревать парилку, то сегодня востребованы на рынке универсальные печки с теплообменниками. Такие установки позволяют одновременно отапливать парилку и решать проблему с нагревом воды. Благодаря их использованию повышается комфорт приёма банных процедур, и сокращаются расходы на покупку соответствующего теплового оборудования.
Печки с теплообменником для воды станут удобным решением при раздельном расположении парилки и моечной в бане. Универсальные в использовании отопители отличаются простотой в эксплуатации, они чрезвычайно удобны, быстро нагревают помещение, полностью решая проблему с теплой водой. Имеющийся сегодня выбор печек с теплообменниками позволяет приобрести или изготовить их самостоятельно как для небольшой парилки, так и для вместительной общественной бани. Преимущества печек с тепловым контуром:
- продолжительный срок службы;
- компактность отопителей;
- эффективность и высокая скорость нагрева помещения;
- возможность изготовления своими руками.
Какие бывают теплообменники для банных печей
Существуют общие классификации, которые применяются для разделения нескольких вариантов изделия по способу действия. В то же время, каждый отдельный тип имеет собственные подвиды. Каждый человек, захотевший соорудить баню, может использовать один из нескольких видов теплообменников или эксплуатировать собственный. Новый вид оборудования появляется если владелец вносит малейшие изменения.
По основным конструктивным характеристикам теплообменники разделяются на такие виды:
По расположению бака для воды
Емкости с жидкостью могут располагаться в разных помещениях (душевая, парная, чердак). Отдельные места установки имеют собственные достоинства и недостатки.
Рассмотрим первый случай – бак монтируется в парной. Таким образом можно достичь максимальной скорости нагрева воды за счет небольшой длины трубопровода. Недостатком подобного варианта является уменьшение пространства помещения, которое может иметь небольшие размеры.
Бак в душевой (самоварного типа) решает вопрос со свободным пространством. Небольшим недостатком выступает увеличенная протяженность труб, что влияет на скорость нагрева воды.
Оба варианта отличаются совместной проблемой, связанной со слабым напором воды. Парная комната имеет высоту не более 2 метров. Если прикрепить емкость на максимальную высоту, то расстояние от пола до выходного патрубка составит около 1,5 м. Это значить, что смонтировать привычный стационарный душ не является возможным. Единственный вариант применять гибкий шланг. Чтобы иметь нормальный напор воды, разница высоты не должна быть меньше 10 см.
Компенсация этого недостатка решается просто – вынос бака для воды на чердак (третий способ).
Такой вариант имеет собственные недостатки, связанные с большой протяженностью труб, что приводит к потере тепла. Бак обязательно должен утепляться. Помимо этого, проблема возникает с возобновлением объема воды. Не каждый захочет периодически носить ведра по лестнице, чтобы выносная емкость имела достаточный уровень воды, а проложить к нему водопровод не всегда возможно.
Из этой информации следует, что универсального расположения бака не существует. Каждый человек должен самостоятельно подбирать вариант, исходя из конструктивных особенностей постройки, климатической зоны и наличия инженерных коммуникаций.
По месту расположения теплообменника
По этому показателю устройства разделяются на две категории – монтируемые внутри печи или возле дымохода (отвод дыма должен осуществляться по металлической трубе). Эти варианты имеют свои особенности, но могут прекрасно существовать.
Внутренняя емкость позволяет осуществлять быстрый нагрев, благодаря близкому расположению к очагу тепла. Здесь имеются риски, связанные с закипанием воды. Кроме этого, произвести ремонт или замену теплообменника невозможно без разбора банной печи, что не очень удобно.
В процессе нагревания воды на стенках образуется накипь, которая снижает теплоотдачу. Каждый миллиметр отложения уменьшает возможность отдачи тепла на 10%, эффективность отдачи тепла со временем уменьшается. В зависимости от региона проживания, характеристики жидкости изменяются, что приводит к частым ремонтным работам оборудования.
Большой слой накипи может образовываться уже через 1 год активного пользования баней. Теплообменник можно очищать при помощи соляной кислоты, но такой подход требует строго соблюдения правил техники безопасности.
Теплообменник на трубу дымохода в баню не обладает недостатками, связанными с постоянным закипанием воды. Здесь температура нагрева не превышает 100 градусов. Этот параметр стал одновременно и недостатком, поскольку период нагрева увеличился в несколько раз. Теплообменник для бани на трубе позволяет его располагать непосредственно в помещении, при этом не используется полезное пространство.
Редко можно увидеть банный теплообменник, расположенный под камнями печи. Такой вариант нецелесообразно применять, ведь булыжники не набирают оптимальной температуры для образования пара. Ведь качественный, мелкодисперсный пар – то, ради чего строится баня.
Опубликовано 02.06.2020 Обновлено 13.06.2020 Пользователем admin
Приступаем к монтажу
Последовательность выполнения работ зависит от конструктивных особенностей теплообменника.
Установка прибора с регистром
При монтаже в старую печь придется разобрать часть кладки. Последовательность выполнения работ выглядит следующим образом:

- Готовим фундамент для змеевика прямо в полости топки.
- Устанавливаем змеевик.
- Укладываем разобранный ряд кирпичей, оставляя места для входной и выходной части труб.
- Подключаем теплообменник к системе отопления.
До начала эксплуатации резервуар стоит в обязательном порядке проверить на герметичность. Убедиться в отсутствии протечек можно путем заполнения его водой, желательно, под давлением.
Монтаж устройства с емкостью
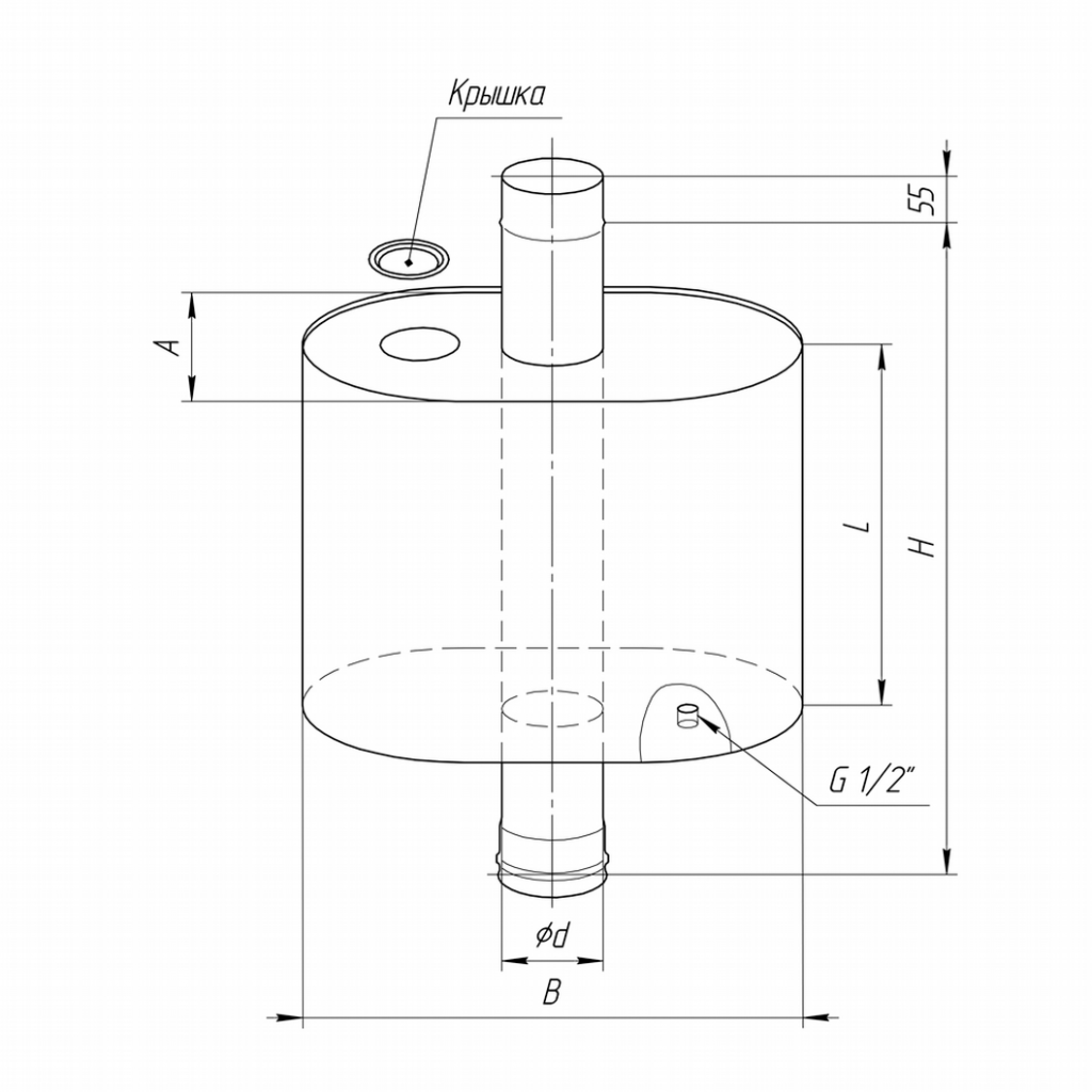
Наилучший вариант для печи или камина. Изготавливается из металлического бака и двух медных трубок. Объем бака, как правило, составляет около 20 литров. При отсутствии готового изделия резервуар достаточного объема изготавливается своими руками путем сваривания листовой стали.
Для изготовления теплообменника следует использовать материал толще 2,5 мм. Сварку стоит производить таким образом, чтобы толщина формируемого шва была минимальной.

Резервуар необходимо установить на 1 метр выше уровня пола, но не дальше 3 метров от печи. В баке проделываются два отверстия: одно около дна, второе – в наивысшей точке с противоположной стороны. Эффективность теплоотдачи зависит от расположения магистралей.
Необходимо стремиться к тому, чтобы минимальное отклонение нижнего отвода в направлении пола составляло 2 градуса. Верхний должен быть подключен под углом 20 градусов в противоположном направлении.

Производится монтаж сливного крана в накопительный бак. Предусматривается еще один кран, предназначенный для слива всей системы, который устанавливается в самой нижней точке. После проверки герметичности система готова к эксплуатации. Эффективность такой печи с теплообменником можно будет по достоинству оценить в холодное время года.
По месту расположения емкости для теплой воды
В зависимости от того, где располагают емкость с водой, выделяют следующие виды нагревателей:
- Емкость непосредственно в парилке — позволяет воде быстрее греться, т. к. водопровод отсутствует или очень короткий. Сокращаются и теплопотери. Недостаток вполне очевиден: полезная площадь парилки сокращается.
- Емкость находится в смежном помещении, где оборудована душевая. Часто рекомендуют именно этот вариант. В отдельной душевой мыться удобнее и места в парилке больше. Но растет длина водопровода.
- Проблему слабого напора позволяет решить установка бака с теплоносителем на чердаке. Этот способ так же не лишен недостатка. Нужно подвести холодную воду наверх, да и длина горячего водопровода больше. Емкость нужно тщательно утеплять, чтобы максимально снизить теплопотери.
Недостатки печного отопления с водяным контуром
- Потеря полезного пространства. Теплообменник, встраиваемый в топливник, значительно уменьшает его размер, потому при закладке топливника нужно учитывать этот фактор. Ну а если теплообменник встраивается в уже имеющуюся конструкцию единственным решением остается частая закладка топлива.
- Повышенная пожароопасность. Так как печь или камин предполагают наличие открытого огня и запаса топлива неподалеку, то оставлять без присмотра такую печь надолго не рекомендуется.
Организовав печное отопление в доме, вы должны постоянно следить за пожарной безопасностью
Угарный газ. При неправильной эксплуатации в жилые помещения может проникать угарный газ, опасный для жизни человека.
Совет. Если отопление с водяным контуром обустраивается в загородном доме, в котором никто не живет регулярно, особенно зимой, то во избежание заморозки воды в контуре лучше использовать незамерзающую жидкость.
Разновидности по конструкции
По месту расположения теплообменники бывают внутренними и внешними.
Внешние

Размещается возле дымохода. Это емкость, которая «окружает» дымоход. Нагрев теплоносителя происходит за счет тепла, которое выделяют продукты при сгорании.
Внутрь емкости помещают часть трубы, которая отводит продукты горения. За такими теплообменниками проще ухаживать. Они легко демонтируются для очищения от накипи и устранения дефектов.
Внутренние
Это емкость, расположенная внутри печи, непосредственно над топкой. Устройство легко установить, но если появится необходимость очистить прибор от накипи или устранить дефекты, возникнут проблемы.





































