Принудительная лучше?
Если предстоит монтаж системы отопления одноэтажного строения, предпочтение может быть отдано системе с естественной циркуляцией. Особенно если здание находится в местности с характерными проблемами с электроснабжением.
При выборе схемы для двухэтажного дома лучше обратить внимание на систему с принудительной циркуляцией. Тем более если площадь здания большая
Экономим на трубах
Если отдано предпочтение схеме с принудительной циркуляцией, можно не волноваться о том, какой диаметр у монтируемой трубы. За счет одинаковой скорости теплоносителя обязательно удастся обеспечить равномерный прогрев всей системы.

Именно поэтому для такой системы приобретаются более дешевые трубы. Учитывая, что их диаметр несколько меньше, трубы можно сделать практически незаметными в интерьере.
Отказ от громоздких радиаторов
При естественной циркуляции теплоносителя традиционно монтируются громоздкие радиаторы, занимающие много места. За счет большой площади такие батареи позволяют обеспечить более эффективный прогрев помещений. В системе отопления с принудительной циркуляцией предпочтение может быть отдано даже небольшой по размеру модели радиатора.
Безопасность и удобство эксплуатации
Равномерный прогрев отопительной системы способствует снижению риска повреждения ее элементов из-за значительного колебания температуры. Как следствие, снижается негативное воздействие на материал всех элементов отопительной системы, и повышается срок их службы.

Благодаря наличию кранов Маевского и специальных автоматических воздухоотводов в системе принудительной подачи теплоносителя можно не опасаться завоздушивания. Степень нагрева воды можно отрегулировать не только за счет параметров отопительного котла, но и характеристик насоса.
При естественной циркуляции радиаторы тем холоднее, чем дальше они находятся от котла. Это способствует неравномерному прогреву помещений.
Простота монтажа
Трубы необязательно укладывать под определенным углом, что делает возможным выполнение работ собственными силами. При нарушении этого правила в случае естественной циркуляции не удастся обеспечить прохождение теплоносителя по системе, а потому обогрев двухэтажного дома будет затруднен или невозможен.
Варианты монтажа водяных систем отопления
Однотрубное отопление чаще применяют для частных домов малой площади, для больших площадей рекомендуем смотреть в сторону двухтрубных систем.
Как лучше всего проложить трубы и подключить радиаторы? Если у вас небольшой дом, буквально на 2-3 комнаты, можно немного сэкономить на материала и проложить однотрубную систему. Здесь теплоноситель последовательно проходит по всем радиаторам, доходит до последней батареи возвращается в котел по обратной трубе. При такой прокладке используется нижнее подключение батарей. Недостатком является недостаточный прогрев самых дальних комнат, так как отдача тепла в радиаторах приводит к уменьшению температуры теплоносителя.
Проблема с остыванием теплоносителя решается установкой циркуляционных насосов и перемычек/байпасов на каждый радиатор (схема «ленинградка»).
Двухтрубные системы являются более совершенными. В них к самому дальнему радиатору прокладывается цельная труба, от которой делаются отводы к промежуточным радиаторам. Пройдя через радиаторы, теплоноситель отправляется в обратную трубу. Данная схема позволяет обеспечить равномерный нагрев всех помещений, а главным ее недостатком является повышенная сложность монтажа.
Если выбирать между однотрубной и двухтрубной системами, то мы рекомендуем остановиться на двухтрубном варианте. Он обеспечит равномерный обогрев комнат и позволит регулировать температуру посредством отсечения ненужных радиаторов.
Общие характеристики водяного отопления

Водяное отопление в котором движение осуществляется за счет разницы внутренних давлений. Нажмите на фото для увеличения.
Использование именно водяной системы обогрева имеет множество преимуществ для владельца дома. Сегодня даже печное отопление является не настолько эффективным. Водяное отопление практично, ведь котел не требует отдельного помещения, расположить его можно на кухне или в подвале (и любом другом удобном месте).
Специалисты провели расчеты, по которым выяснили, что водяное отопления является не только практичным, но еще и экономичным, ведь может обеспечить экономию топлива (если сравнивать с печным отоплением) до 20%. Самая обычная и простая система водяного отопления работает по принципу естественной циркуляции имеющегося теплоносителя.
В этом случае вода (то есть теплоноситель) может приводиться в движение без помощи посторонней движущей силы, такой как насос.
Движение осуществляется за счет разницы внутренних давлений горячих и холодных водяных масс. То давление, которое создается в главном стояке, всегда немного ниже, чем то, которое образуется в охлаждаемых стояках. Непрерывная циркуляция теплоносителя осуществляется благодаря тому, что холодная вода, которая поступает из отопительных батарей, возвращаясь в котел, вытесняет нагретую воду.
В данной статье каждый потребитель сможет получить грамотное описание общего устройства системы водяного отопления, все тонкости ее проектирования и монтажа.
Обязательные требования к системе отопления
Для поддержки в системе непрерывной циркуляции теплоносителя нужно утеплить основной стояк. Стоит ориентироваться на тот факт, что процесс перемещения теплоносителя может продолжаться до тех пор, пока система будет заполнена водой. В этом случае разница температур (холодных и горячих потоков) должна быть не меньше чем 25 градусов по Цельсию.
При желании, можно с легкостью ускорить процесс циркуляции воды. Сделать это можно путем увеличения расстояния по высоте между котлом и самими отопительными приборами. Однако стоит помнить важную деталь – минимальное удаление не может быть меньше трех метров. Именно по этой причине эксперты рекомендуют оборудовать котел водяного отопления в подвальном помещении, там же, где обычно размещают топливохранилище. Если у вашего частного дома подвал отсутствует, то котел можно разместить и на цокольном этаже, на уровне самих отопительных приборов первого этажа дома.
В этом случае необходимо попытаться сместить центр котла по вертикали ниже – приблизительно на 15-20 см от осевой линии самих отопительных приборов. Сделать это можно за счет «приямка». Практически все существующие системы водяного отопления работают по принципу естественной циркуляции воды и действуют обычно в пределах 15-30 метров. Именно на таком расстоянии и происходит падение давления воды, что расходуется на преодоление внутрисистемного трения.
Для того чтобы снизить этот показатель, нужно использовать трубы большего диаметра в самой системе, а также отопительные приборы, которые имеют широкие проходные отверстия. Схемы отопления заказываются и создаются специалистами, самостоятельно сделать проект водяного отопления практически невозможно, ведь для качественной работы всего оборудования необходимо учитывать даже мельчайшие детали.
Принцип работы
Вода нагревается в теплообменнике, затем устремляется по трубе в помещение. Тепло от батарей разносится по воздуху, обогревая комнаты. Затем вода охлаждается и поступает обратно в нагреватель. Жидкость идёт естественным ходом (гравитационная циркуляция), либо её подгоняет насос (принудительная). Управление оборудованием осуществляется посредством датчиков температуры и термостатов.
Топливо
Вода нагревается с помощью:
- геотермальной энергии;
- кокса;
- бытового газа;
- электрического тока;
- древесины;
- технического керосина;
- солнечной энергии.
Наиболее дешёвым и доступным сырьём считается газ, но используется и электричество. Жителями загородных домов любим этот вид топлива за бесшумность и доступность.
Самыми экономичными остаются котлы, работающие от сгорания кокса или древесины. Такой вид топлива также весьма распространён в России и отличается демократичной стоимостью, его могут позволить себе даже люди с невысоким бюджетом.
Технический керосин используется реже из-за своей повышенной опасности. Согласно санитарным нормам, для хранения такое топливо зарывают в землю в специальном контейнере.
Солнечное отопление распространено меньше. Оно включает:
- солнечный коллектор;
- бак;
- систему контроля;
- насосы.
Этот вид отопления абсолютно безопасен, не боится молний, перегрева, урагана. Монтируется по специальному заказу.
Коллектор бывает плоским и трубчатым. Первый представляет собой изолированный теплообменник, где вода прогревается до 90 °C. Лучи, проходя через стеклянный барьер, поглощаются чёрным дном, далее по змеевику нагревают воду.
Трубчатый вакуумный теплообменник не так популярен из-за достаточно высокой стоимости, но они и считаются самыми эффективными, поскольку хорошо работают даже в холодное время года. П
Подсоединён к стеклянным трубам. По центральному каналу в трубу поступает холодный теплоноситель, прогревается солнечным теплом и возвращается в систему.
Геотермальная энергия используется в качестве топлива реже. Затрат на отопление почти нет, а вот установка обойдётся весьма дорого, но и окупается уже через 4—5 лет. Такую систему легче всего обслуживать, не нужен резервуар и электричество, не загрязняется окружающая среда.
Уход за системой требует немало физических усилий. Кроме того, нужна специальная комната, где будет храниться топливо. Такой вариант предпочтителен для домов, стоящих далеко от коммуникаций, где нет ни электроэнергии, ни газа.
Схема №1
Состав:
Плюсы и недостатки схемы
Эта схема обвязки угольного котла отопления максимально надежна. В ней на входе котла гарантированно стабильная температура, а это означает, что внутри камеры не будет образовываться конденсат.
Конденсат внутри котла всегда означает его ускоренную коррозию и износ, а также образование на внутренних поверхностях котла всевозможного рода грязи и смолы, что сильно снижает КПД агрегата.
Недостаток схемы в том, что в систему может подаваться теплоноситель температурой не менее 55 градусов. Для осени или весны эта температура уже является некомфортной, и понизить ее никак не возможно, так как используется трехходовой термостатический клапан. При 45 градусах ваш котел будет просто стоять в режиме ожидания и топливо просто будет расходоваться впустую. Кроме того, дрова в режиме тления опять-таки способствуют образованию смол на стенках котла и снижению его КПД.
Именно поэтому, приобретая клапан, необходимо заранее спланировать, каким видом топлива вы собираетесь топить свой котел. От этого зависит температура теплоносителя на входе в котел и в систему отопления (это два принципиально разных значения).
Рекомендация: к приведенной схеме лучше добавить источник бесперебойного питания. Дело в том, что при внезапном отключении электроэнергии, например, ночью, останавливается циркуляционный насос и кислородный вентилятор. Температура котла при этом повышается, растет давление. Аварийный клапан сброса давления, сработавший один раз на номинальном значении давления, второй раз может не сработать на том же давлении. Как видим, ситуация уже становится опасной, хотя, казалось бы, ничего катастрофического не произошло.
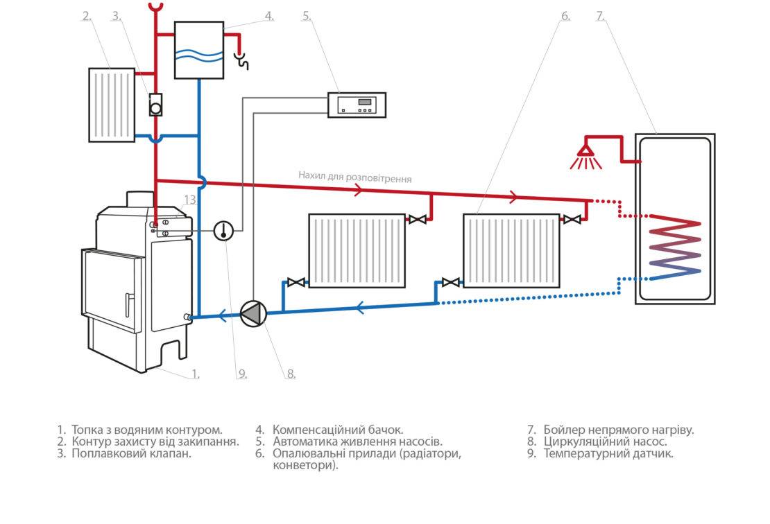
Установка водяного отопления частного дома
На первом этапе выполняется установка отопительного котла. Он должен располагаться на подставке, отлитой из цементно-песочной смеси. После этого подсоединяют трубу отвода отработанных газов котла к центральному дымоходу. Место стыка обязательно заделывают жаростойкой мастикой или глиной, которая не растрескивается под воздействием высокой температуры.
На следующем этапе выполняют установку отопительных батарей. Их размещение должно быть строго под подоконниками, что позволяет создать тепловой барьер, предотвращающий, проникновение холодного воздуха через оконные щели. Сама установка радиатора достаточно проста и выполнима своими руками. Батарея навешивается на специальные кронштейны, закреплённые в стене при помощи дюбелей. Но, несмотря на всю кажущуюся простоту, существуют нюансы. которые нужно учитывать:
- Перед началом установки радиаторов выполняется разметка стен. Все радиаторы в частном доме должны располагаться на одном уровне и в горизонтальном положении, чтобы теплоноситель циркулировал беспрепятственно.
- Батарею при установке лучше не распаковывать, чтобы не повредить в процессе крепления.
- От нижней части батареи до напольной поверхности должен оставаться промежуток не менее 70 мм, но не более 150 мм.
- Отопительный радиатор должен, находится на 20 мм расстоянии от стены.
После завершения монтажа батарей переходят к разводке труб и установке сопутствующих узлов.
- Сливной патрубок с краном на конце, для удаления из системы воды. Его установка должна происходить в самой нижней точке системы обогрева частного дома.
- Расширительный бачок монтаж, которого выполняется в высшей точке системы отопления, но не меньше чем на высоте 3 м от котла.
- В случае с принудительной системой отопления монтируется циркуляционный насос. Специалисты, рекомендует сделать обводной участок трубопровода, который в случае поломки насоса возьмёт нагрузку на себя.
- При помощи кранов желательно оградить каждый самостоятельный элемент системы отопления. Это позволит в случае необходимости выполнить ремонт любого узла без полного слива теплоносителя.
Если схема отопления предусматривает наличие нескольких стояков, то в местах разводки трубопровода обязательно устанавливается балансировочный вентиль. В первую очередь — это необходимо для уравнивания разницы гидравлического сопротивления в различных ответвлениях отопительной системы.
Радиаторная сеть: 4 способа разводки труб
Перед тем, как сделать отопление, изучите все возможные варианты обустройства, чтобы выбрать оптимальный вариант. На выбор влияют потребности семьи и особенности здания. Сейчас находят применения следующие типы разводки отопления для частных домов:
- «Ленинградка». Состоит из одной трубы, в которую врезаны батареи.
- Двутрубная. Она же именуется тупиковой.
- Двухтрубная попутная, какольцованная.
- Коллекторная.
Если здание двухуровневое, имеет смысл воспользоваться комбинированной схемой отопления частного дома. Это когда на нижнем этаже система коллекторная, а на верхнем – попутная. Ленинградка и двухтрубная работает автономно без подключения насосного оборудования. Движущей силой является конвекционное перемещение жидкости по трубопроводу, когда горячая вода выдавливается вверх, а после остывания направляется вниз.
Однотрубный вариант подключения
Вдоль наружной несущей стены каждой из комнат прогладывается трасса, по которой пускается теплоноситель от котла. Периодически врезаются радиаторы. Чаще всего их размещают под подоконником.
Особенность такого водяного отопления в том, что отработанный теплоноситель из батареи возвращается в общий контур, смешивается с горячей водой и направляется к следующему. Поэтому чем дальше комната, тем большее количество секций потребуется, так как жидкость остынет.
Также при выборе учитывайте, что:
- Минимальный диаметр труб – 20 мм, если они изготовлены из металла. Для металлопластика сечение от 26 мм, а полиэтилена – 32 мм.
- Максимальное число батарей – до шести. В противном случае приходится увеличивать сечение трубопровода, что повлечет удорожание на 15-20%.
- Регулировать температуру в комнатах сложно. Поворот ручки регулятора на одном радиаторе приводит к изменению температурного режима по всему контуру.
Это эффективное отопление загородного дома, общей площадью от 60 до 100 квадратных метров. Но это самый недорогой способ отопить, скажем, дачу. Даже если здание двухэтажное, проблем не возникнет, если собрать два контура, по отдельной ветви на этаж.
Двухтрубные схемы кольцевая и тупиковая
Эти два способа организации отопления отличны тем, что есть два контура: прямой и обратный. Первый предназначен для подачи разогретого теплоносителя к батареям. Второй – отводящий. По нему вода после охлаждения течет обратно к котлу. А между собой такие системы отличаются по следующим признакам:
- В случае с тупиковым вариантом жидкость протекает до последнего потребителя через предыдущие, а затем по отдельной трубе направляется для разогрева.
- Кольцевая петля Тихельмана предполагает одновременное течение подачи и отвода в одном направлении по радиаторам последовательно с возвратом в котельную.
При этом в первом случае плечо может быть не одно, а несколько. Вторая схема предполагает два контура, взаимодействующих в рамках единой линии.
Несмотря на то, что себестоимость такой системы выше, чем однотрубной, популярность обусловлена целым перечнем преимуществ:
- Все батареи прогреваются одинаково.
- Соединительные трубы имеют малый диаметр (15-20 мм).
- Число точек потребления не ограничено.
- Температурный режим устанавливается для каждого помещения.
Самостоятельная сборка тупиковых ветвей не составляет труда даже у начинающего строителя. Кольцевая система монтируется чуть сложнее, так как приходится «обводить» дверные проемы. Трассу монтируют в стенах поверху или в полу под порогом.
Коллекторная система
Для подвода теплоносителя к потребителям используют лучевой принцип и распределительная гребенка. Последняя устраивается под полом в глубине здания ближе к центру. От гребенки к котлу прокладывается две трубы. Такое же количество проводится к каждому радиатору. Спрятать разводку можно под цементную стяжку или между лагами в перекрытии
Важно, чтобы гребенка была оснащена вентилем для сброса воздуха
Помимо основных преимуществ, которые присущи тупиковым системам, такой способ обогрева имеет и ряд дополнительных достоинств:
- Какой бы ни был интерьер, его не портит трубопровод, ведь все спрятано в полу.
- Регулировка проста и удобна, так как вентили монтируются в общем распределительном шкафу.
- Установка электронного блока управления полностью автоматизирует систему, делая ее абсолютно автономной.
Система водяного отопления
Одна из самых эксплуатируемых систем отопления в нашей
стране – водяное отопление. Разводка труб в доме или квартире – привычное
явление.
Принцип работы водяного отопления заключается в следующем:
нагретая от котла вода естественным образом (или принудительным) циркулирует по
трубам, отдавая тепло помещению. Учитывая то, что по ходу движение воды в
местах соединения, на изгибе труб и т.д. образуется трение и местные
сопротивления, многие системы оборудованы клапанами для обеспечения давления,
сила которого равна потерям на сопротивление. Такая система водяного отопления
называется системой с искусственной циркуляцией воды.
Система водяного отопления может быть конструктивно
реализована по двум схемам:
Одноконтурная (система с замкнутой циркуляцией воды,
ориентированная только на отопление)
Двухконтурная (система, ориентированная одновременно на
отопление помещения и нагрев воды в водопроводе). Такая система требует
использования специального двухконтурного котла.
Устройство водяного отопления предполагает 3 принципиально
разные схемы разводки труб в комнатах.
Разводка труб отопления
Однотрубная система отопления дома
Схема однотрубной системы отопления представлена на фото.
Как видно из рисунка, трубы закольцованы, а радиаторы подключены по очереди. Таким образом, теплоноситель выходит из котла и поочередно проходит каждый из них.
При этом стоит отметить, что температура теплоносителя постепенно снижается. Это существенный минус системы. Тем не менее, она достаточно распространена ввиду простоты, экономичности и возможности сделать однотрубную систему отопления своими руками.
Как снизить потери тепла при однотрубной системе отопления:
увеличить число секций в последних радиаторах (два-три последних);
увеличить температуру теплоносителя на выходе. Это, в свою
очередь, повышает расходы на отопление;
обеспечить теплоносителю принудительную циркуляцию. Т.е.,
установить насос, который создаст в системе дополнительное давление заставляя
воду циркулировать быстрее.
Двухтрубная система отопления дома
Схема двухтрубной системы отопления представлена на фото.
Синим цветом выделена труба отработки, которая отводит охлажденный
теплоноситель из радиатора в котел.
Двухтрубная система отопления дома с нижней разводкой – схемаСхема двухтрубной системы отопленияДвухтрубная система обеспечивает подачу теплоносителя к радиаторам без потери тепла. Ее разновидности показаны на фото. При параллельном подключении достигается экономия на материалах. При лучевом,
появляется возможность регулировать температуру в каждой комнате отдельно.
Коллекторная (лучевая) разводка
Предполагает использование специального устройства –
коллектора, которое собирает теплоноситель и распределяет по трубам к батареям.
Схема сложная в реализации, поэтому используется редко.
Схема коллекторной (лучевой) разводки
Безусловным плюсом системы водяного отопления можно назвать
ее безопасность.
К числу недостатков относят:
относительно трудно обогреть значительную площадь без
значительных затрат (ввиду потерь тепла при циркуляции воды);
эстетический параметр. Разветвленную систему труб можно
скрыть, пожертвовав некоторым количеством объема помещения, что не всегда
удобно, или же оставить на виду;
большие по размеру радиаторы отопления;
вероятность появления воздушных пробок. Эта проблема
возникает после спуска воды из системы.
Водяное отопление пола в доме
Водяной теплый пол представляет собой систему длинных пластиковых труб уложенных на
основание чернового пола.
Система водяного отопления пола
Монтаж системы теплого водяного пола выполняется в три этапа:
укладка утеплителя или устройство чернового пола;
правильная разводка труб, которая не допускает множественных
перегибов. Оба конца трубы подключаются к центральному отоплению. Через один
конец поступает горячая вода, через второй – отводится обратно в систему.
При укладке труб стоит помнить о высоком риске повреждения труб.
Во-первых, при укладке (изгиб).
Во-вторых, при эксплуатации, например, повреждение перфоратором. Чтобы не допустить этого, нужно составить подробную схему расположения труб;
заливка стяжки на систему труб.
Эта система может быть использована в качестве основной или
дополнительной. Выбирая водяное отопление по полу, следует помнить, что в системе должен поддерживаться оптимальный температурный режим, потому что при минусе и отключенном отоплении вода в трубах замерзнет, что неизбежно приведет к их деформации. Собственно, это касается любой системы водяного отопления.
Основные схемы разводки
Для стабильного функционирования системы в целом применяют несколько схем установки элементов отопления частного дома. Существующие схемы включают в себя:
- Ленинградка.
- Однотрубный, двухтрубный способы.
- Лучевая/коллекторная.
- Тёплый пол.
Ленинградка
Пример однотрубной системы отопления
Первый способ под названием «ленинградский» считается самым простым, надёжным и доступным вариантом отопления любого жилья. Название пошло от места первого применения, города на Неве. Это альтернативный вариант дешёвого и надёжного отопления в условиях экономии материалов. Отопление Ленинградка нельзя назвать экономичным, в виду того, что система является однотрубной и сложно поддается регулировки. Довольно просто реализуется своими руками.
Основу схемы составляет последовательное подключение всех радиаторов в одном трубопроводе, где будет циркулировать вода. Пройдя весь цикл (круг) вода из дальнего радиатора, уже остывшая, возвращается сразу в центральный нагревательный контур (котёл). Таким образом, однотрубная схема отопления частного дома «ленинградки» позволяет осуществлять циркуляцию естественным путём, согласно законам физики. А простота конструкции, с наличием малого количества элементов разводки, труб, переходников, метизов, делает её экономным вариантом.
Однотрубная и двухтрубная система
Типовая разводка однотрубной системы отопления
Однотрубный способ подключения, работает с использованием одной трубы. Главное преимущество – это минимизация материалов, а значит и затрат на приобретение. Подача горячей и остывшей воды осуществляется по однотрубному контуру. Минусом данного способа, является постепенное, каскадное охлаждение теплоносителя при проходе каждого радиатора отопления. Поэтому для увеличения тепла приходится устанавливать дополнительные батареи.
Двухтрубный вариант отопления дома предусматривает подачу горячей воды в радиаторы, а возврат остывшей из последней батареи, осуществляется по другой трубе. Такой способ существенно увеличивает качество отопления в помещении, позволяет поддерживать во всех радиаторах постоянно горячую воду. Без эффекта постепенного остывания. Явный минус – это увеличение метража материала (труб), усложнение интеграции двухтрубной системы своими руками при монтаже.
Лучевая разводка
Схема лучевой системы отопления
В последнее время популярным способом считается установка лучевой/коллекторной разводки отопления частного дома. Коллектор играет роль распределителя, в котором установлены две своеобразные «гребёнки». В одну поступает горячая вода и распределяется далее по системе. В другую гребёнку возвращается остывшая вода, и направляется обратно для нагрева. При таком способе радиаторы подключаются параллельно. Способ требует обязательного применения циркуляционного насоса. Очевидным плюсом считается возможность управления микроклиматом в доме из одного места.
Подогрев «теплым полом»
Система «теплый пол» чаще всего устанавливается как дополнение к радиаторному типу для обогрева помещения дома (утепление балкона своими руками ). Несмотря на сложность в устройстве таких полов, основное их преимущество – большая площадь обогрева. Фактически вся поверхность пола работает как один большой радиатор. Теплообмен воздуха в доме происходит в оптимально правильном режиме – нагретый воздух в помещении поднимается снизу вверх, заполняя все пространство.
Кроме комфорта, применение «теплого пола» позволяет снизить рабочую температуру воды до 55 ºC.
Но есть один существенный недостаток. Такую систему отопления трудно реализовать в уже жилых помещениях. Для укладки трубопроводов требуется поднимать уровень уже существующего пола и без замены межкомнатных дверей тут не обойтись.
Котел
Без котла отопление работать не будет. Он подогревает воду, от правильного его выбора зависит хватит ли тепла, будет ли система действительно экономичной. В результате горения топлива котел нагревается, через него проходят потоки воды, забирают тепло и отправляют его в систему отопления дома.
Котлы различаются по конструкции, виду топлива, наличию компьютерного управления и даже возможности автоматизировать подачу топлива.
Главным параметром котла является его мощность, она измеряется в кВТ и рассчитывается исходя из площади дома. Тип топлива выбирается из личных предпочтений и возможностей хранения.
Для котлов, работающих на газе, в землю на участке для дома устанавливается емкость для хранения газа, которую можно наполнить, вызвав специальную технику. Емкости рассчитываются на сезон. Наличие емкости под давлением на участке достаточно безопасно. Газ значительно дешевле всех существующих видов топлива.
Для котлов, работающих на древесном топливе (дрова, уголь, паллеты) понадобится установка котельной, хранилища для топлива и безопасное хранилище для золы. Зола – это несгоревшие остатки древесного топлива, которые со временем загрязняют котел. Периодически такой котел необходимо чистить от нагара, выгружать золу и сгружать в не горящую емкость.
Для поддержания горения котел необходимо загружать топливом. В зависимости от конструкции котла, мощности и размера это необходимо будет делать раз в час или в несколько дней. Помещение котельной лучше оборудовать системой пожаротушения и сигнализацией. Если все сделано правильно и при правильной эксплуатации твердотопливный котел абсолютно безопасен.
Современные котлы – это не просто печки-буржуйки. Их конструкция куда более сложная и она обеспечивает максимальный коэффициент полезного действия, чем совершеннее котел в технологическом плане, тем лучше и полнее сгорает топливо и меньше остается несгоревших частей. Технологичные котлы могут требовать определенного вида топлива. Котел работающий и рассчитанный только на дорогие финские паллеты, на местных аналогах не разгорится и не достигнет рабочих, экономичных режимов.
Котлы с автоматической подачей топлива оборудованы емкостями и механизмами, которые сами загружают котел топливом, на некоторое время избавляя владельца от работы кочегара.
Нагревать воду можно и электрическим котлом, они самые простые в использовании и обслуживании. Их нужно только подключить к сети. Но расход энергии будет очень большим, а счета за электричество шокируют владельца дома.
Любой котел, так же может выполнять функцию отдельного нагрева горячей воды для бытовых нужд. Либо в паре с топливным котлом для такого дела можно установить электрический.
Двухтрубная система отопления
Цена двухтрубной системы отопления гораздо выше, чем однотрубной. Объясняется это тем, что для монтажа такой системы требуется большее количество материалов. Соответственно, увеличивается и объем монтажных работ, все это сказывается на стоимости.
Если предполагается, что отопительная система будет работать с настенным котлом (либо другим видом современных котлов), желательно использовать именно двухтрубную систему.
Схема стандартной двухтрубной системы отопления
Схема отражает все основные моменты монтажа двухтрубной отопительной системы – на ней изображены принципы установки магистралей водопроводной сети и отопления, указанны особенности подключения радиаторов.
Эта схема отображает боковое подключение радиаторов. Это не единственный вариант – возможно также диагональное либо нижнее подключение. При выборе типа подключения учитывают размер и вид радиаторов.
Если отопительная система устанавливается на нескольких этажах, необходимым является монтаж автостравливащих кранов. Если дом одноэтажный, такие краны устанавливают на последнем радиаторе системы (если есть полотенцосушитель, то и на нем необходимо установить автостравливающий кран).
На нижней точке радиатора обязательно устанавливают сливной кран, а на входе и выходе радиатора – специальные сливные краны.





































