Немного теории
Обычному человеку, не особо вдающемуся в основы электротехники, достаточно сложно разобраться во всех этих нюансах. Особенно когда начинают оперировать такими понятиями как заземление, зануление, глухо заземленная или эффективно заземленная нейтраль. Поэтому, для начала попробуем доступным языком объяснить суть всех этих обозначений, и определить основную цель, с которой их придумали.

Нейтраль электрооборудования
- Существует пять основных схем подключения нейтрали электрооборудования. Нейтралью называют общую точку обмоток электрооборудования, соединенного в звезду. Соединение звезда — это кода три начала обмотки подключаются к соответствующим фазным проводам, а концы этих обмоток соединяются между собой — нейтраль.
- В точке соединения концов этих обмоток, в идеальных условиях потенциал будет равен нулю. Такой же потенциал имеет земля. Поэтому при помощи шины или проводника выполняется заземление нейтрального провода. Обычно подключается он к специальной шине стационарного заземлителя.
- Такая система называется TN или системой с глухо заземленной нейтралью. В нашей стране она повсеместно используется в электроустановках до 1000В и подразделяется на три подвида.
- Но прежде чем мы приступим к разбору этих подвидов, давайте определимся, что такое нулевой и защитный провод. Как говорит инструкция, нулевым или нейтральным проводом называется проводник, подключенный к нейтрали. На схемах этот провод обычно обозначают – «N».

Отличия зануления и заземления
Кроме того, существует еще так называемый проводник защитного заземления. Он обозначается «РЕ». Используя КС 066 1 зажим плашечный заземляющего провода или другой подобный вид подключения, он подключается к земле и к корпусу оборудования, тем самым, обеспечивая нулевой потенциал на корпусе. Но как мы помним, в сетях с глухо заземленной нейтралью она так же подключается к земле.
Именно, исходя из этого условия, в сетях TN и существует три вида подключения:
| Первый вариант это TN-S. При этом варианте, к нейтрали одним проводом подключается нулевой проводник, а вторым провод защитного заземления. На всем протяжении до конечного потребителя они не соединяются. |
| Система TN-С | Второй вариант это – TN-С. В этом случае провода для заземления и нулевой проводник подключаются к нейтрали в одной точке, и по всей длине идут единым проводником. Такой проводник называется «PEN», то есть нулевой и защитный. |
| Последним вариантом для систем с глухо заземлённой нейтралью является система TN-C-S, то есть система, совмещающая первые два варианта. Для этой системы характерно использование одного проводника для подключения к нейтрали. Но затем он разделяется на два проводника – заземления и зануления. Провода заземления для снижения потенциала корпуса и зануления для работы электроустановки. В дальнейшем они уже не пересекаются. |
| Система ТТ | Кроме приведенных выше систем, существуют еще IT (система с изолированной нейтралью) и TT (система с эффективно заземленной нейтралью). Такие системы обычно используются в сетях выше 1000, куда без должной подготовки и знаний лезть не следует. Ведь цена ошибки там очень велика. Поэтому в нашей статье мы не будем их даже рассматривать. |
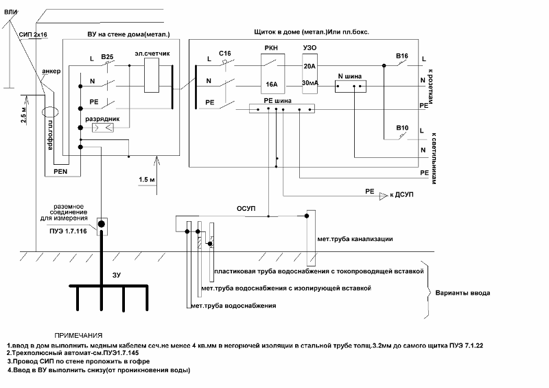
Заземление внутри частного дома
Согласно ПУЭ, при заземлении брони кабеля в бытовых условиях должны соблюдаться следующие правила:
- бронированный кабель 0,4 кВ допускается укладывать в металлических конструкциях, надежно заземленных и доступных для ремонта и обслуживания;
- прокладка по бетонным полам и деревянным настилам производится с зазором не менее 5 см, для этого применяются металлические короба и специальные подставки;
- ввод в дом допускается делать как через полы, так и через специально отведенную для этого зону стены.
Чтобы не допустить повреждений на вводе в строение в местах проводки сквозь стены или фундаментное основание, кабель укладывается в трубу из металла или пластика.
Диаметр трубного отрезка выбирается в 2 раза больше, чем сечение самого кабельного изделия.
При вводе линии в дом броня заземляется в распределительном щите, а также со стороны отводной опоры. Согласно ПУЭ никаких других соединений на данном участке трассы делать не допускается. На вводе кабель разделывается на несколько жил, подсоединяемых к коммутационным приборам; при этом его броня обязательно соединяется с заземленной точкой корпуса щитка – непосредственно с землей.
Металлосвязь
Изначально пользователю может показаться, что прикручивание лотков между собой с использованием специальных винтов позволяет достичь непрерывности кабельной конструкции. Однако хорошая металлосвязь, выраженная в определенной проводимости напряжения, не всегда обеспечивается на электроустановках. Поэтому трасса может считаться заземляющим проводником только в том случае, если используются дополнительные перемычки, либо лотки соединены согласно ряду требований ГОСТ 10434-82.

Чтобы упростить ориентирование в системе заземления, перемычки всегда окрашиваются в определенную цветовую маркировку. Как правило, она являет собой комбинацию желтого и зеленого цвета. Сечение варьируется в пределах 4…6 мм кв.
Создавая заземление лотков с применением собственноручно изготовленных перемычек, необходимо всегда помнить, что нельзя оставлять концы необработанными. На практике делают опрессовку. Винты для зажима защитных проводников не должны использоваться для дополнительных задач, например, для соединения торцевой части лотка или фиксации на опоре.
В некоторых моделях продукции винтовые метизы для лотков могут иметь шайбы или гайки с так называемой «царапающей» поверхностью. Такое технологическое решение было принято производителями для улучшения надежности электрического контакта. Таким образом, вероятность ослабления гаек сводится к нулю. В качестве альтернативы можно встретить маленькие пластины из меди, которые называются шинками.
Провода для заземления 380 Вольт
При выборе заземляющего провода на 380 В важно придерживаться тех же требований, что рассмотрены выше
Обращайте внимание на тип изоляции, сечение, гибкость, температурный режим работы и другие параметры. Каких-то особых отличий по требованиям между заземлением на 220 или 380 В не предусмотрено
Если говорить о типе применяемых проводов, рекомендуется применять уже рассмотренные выше марки.
К ним можно добавить провод ПВС 5х6 в двойной круглой изоляции с пятью жилами. Подходит для питания и заземления оборудования напряжением до 660 В.

Что такое наконечники НШВИ для обжима проводов: размеры, виды, как опрессовать, другие типы ТМЛ, НВИ и НКИ
Несмотря на общие подходы к выбору проводника, некоторые отличия в заземлении между сетями на 220 и 380 В имеются.
В первом случае используется однофазная сеть, а во втором — трехфазная. Следовательно, для сети на 220 В подойдет кабель с тремя проводами (земля, фаза и ноль), а на 380 В — с пятью (три фазы, ноль и заземление).
Маркировка
Для лучшего понимания поднимем вопрос маркировки изоляции применяемых проводников.
В названии провода могут использоваться следующие обозначения:
- А — алюминиевый сердечник (при отсутствии буквы — медный);
- АС — наличие оплетки из свинца;
- АА — многожильный провод, имеющий алюминиевый сердечник и оплетку из этого же материала;
- Б — защита от коррозии, выполнена из двуслойной стали;
- Г — без оболочки;
- Бн — защита от влаги и стойкость к огню;
- НП — негорючий материал;
- Р — резиновая оболочка;
- В — оболочка из поливинилхлорида;
- К — контрольный кабель и т. д.
На указанную выше маркировку необходимо обращать внимание при выборе провода для заземления в привязке с его сечением (об этом упоминалось выше)
Защита передвижных установок
Все, что было рассмотрено ранее, традиционно относится к обычному стационарному оборудованию. Иной подход наблюдается при необходимости заземления передвижных электроустановок, для которых выполнение требований по переходному сопротивлению несколько затруднено. В связи с этим ПУЭ допускают повышение его величины до предельного значения, равного 25-ти Омам.
Последнее требование справедливо лишь для установок с автономным питанием, имеющим изолированную от земли нейтраль (в качестве примера может быть приведено ГРПШ).
Этот вид заземляющих устройств традиционно применяется для тех образцов оборудования, которые не являются источниками питания для остальных установок и не склонны к искрообразованию. Другая область их применения – передвижные агрегаты, оснащенные собственными стационарными заземлителями, не используемыми в данный момент. Передвижные установки с автономным питанием из-за возможного образования трущихся сочленений и изолированной от земли нейтрали подлежат регулярному освидетельствованию в части состояния защитной оболочки (изоляционного покрытия).
Защитные меры электробезопасности
Если соблюдать в точности все правила при эксплуатации, использование электрических приборов не представляет никакой опасности. Защищенность от поражения электрическим током достигается следующими способами:
- часть электрической цепи, через которую проходит ток, не должна быть доступна для случайного прикосновения;
- токоведущие части, находящие в открытом состоянии, не должны содержать опасное для человеческой жизни, напряжение, даже если изоляция нарушена;
- такая недоступность достигается путем защитного отключения, использование малого напряжения, двойной изоляцией, уравниванием и выравниванием потенциалов, выполнение барьеров, расположение электрооборудования вне зоны доступности.
Применение мер в совокупности по защите от поражения током не должны снижать эффективности каждой.
Если электрооборудование расположено в области уравнивания потенциалов, а самое большое рабочее напряжение при этом составляет не выше 25В переменного тока и не более 60В постоянного, то нет необходимости в защите от прямого прикосновения.
Также защитные функции электрооборудования должны быть предусмотрены при изготовлении последнего, либо при производстве монтажа.
Пошаговая инструкция по подземному монтажу кабеля
Итак, рассмотрев базовые требования можно перейти к непосредственному монтажу кабеля. Сделать это можно своими руками, не прибегая к помощи специалистов, но для этого вам пригодиться заранее составленный план. Предлагаю разделить процесс создания подземной сети на несколько основных этапов:
- Разметка территории и выкапывание траншей (по заранее созданной схеме). Рекомендованная ширина траншеи составляет приблизительно 25-35 см, а глубина – не менее 80 см. Но учтите, что если вы прокладываете кабель внешнего освещения, то можете сделать траншеи на треть менее глубокими.
- Очистка траншей и высыпание песчаной подушки. Следует убрать из траншеи весь мусор, камни и любые острые предметы, ведь все это может навредить изоляции кабеля. Далее нужно насыпать песчаную подушку толщиной около 10 см. Распределите ее равномерно по всему периметру траншеи.
- Подготовка трубы. Даже если вы используете очень прочный и влагостойкий провод, понадобится скрыть его в трубе. Наиболее подходящим вариантом будут ПНД-трубы, которые изготавливаются специально для таких задач. Отмечу, что абсолютно не обязательно приобретать дорогостоящую трубу, отвечающую ГОСТ, так как такие изделия предназначаются для транспортировки пыльцевой воды. Оптимальный выбор – гораздо более доступное вторсырье. Но учтите, что гладкость, округлость и ровность трубы внутри и снаружи – главные критерии выбора. Кроме того, используйте цельные отрезки трубы во избежание проблем с герметичностью.
- Укладка кабеля. Провод вкладывается в трубу так, чтобы в нем не было никакого натяжения, он должен лежать свободно. Закладывая трубу убедитесь, что она не выступает над уровнем грунта. Далее трубу с проводом можно также засыпать слоем песка в 7-10 см для дополнительной надежности.
- Обеспечение безопасность. На слой песка четко над местом прокладки кабеля уложите специальную сигнальную ленту. Она используется для защиты кабеля от повреждения при перекопке: копающий не сможет прорубить материал, обнаружит ленту, на которой имеется пометка, что на данном участке проложен электрический кабель.
- Закапывание траншеи. Сделать это можно при помощи самого обычного грунта. Создайте хотя бы небольшой холмик, так как земля через некоторое время подсядет.
Как вы можете заметить, при закладке подземного кабеля вам не потребуется большое количество специальных инструментов и материалов.
Защита станков и электрооборудования в цехах
В соответствие с действующими правилами ПУЭ различные виды заземлений в электроустановках до 1000 Вольт отличают по принадлежности их к той или иной системе. А по типу заземляемых устройств различают следующие варианты:
- Защита типового станочного оборудования.
- Заземление электродвигателей и сварочных аппаратов.
- Защита передвижных установок и эксплуатируемых электроприборов.
В этом разделе рассматривается первый пункт из перечня, касающийся станков и другого оборудования, устанавливаемого в заводских цехах.
Хорошо известно, что при работе на станочном оборудовании риск случайного попадания фазы на корпус достаточно велик. Чтобы правильно заземлить станок в цеху – потребуется разобраться со следующими моментами:
- Где проложен заземляющий контур в рабочей зоне.
- Какой толщины должна выбираться шина, применяемая для соединения корпуса станка с защитным контуром.
- В каком месте накладывается стационарное заземление.
- Какие заграждающие приспособления допускается использовать для ограничения доступа к опасным частям оборудования.
Рассмотрением всех этих вопросов должен заниматься цеховой электрик, который знаком с расположением элементов заземляющего хозяйства и полностью владеет информацией по порядку подсоединения корпуса станка к ЗУ. Он должен знать, в частности, что для заземления электрооборудования в его конструкции предусмотрена специальная точка, к которой подсоединяется заземляющая шина.
Классификация систем заземления
Общепринятая классификация систем заземления осуществляется по следующим основным признакам:
- Состояние нейтрали электросети (заземленное или изолированное).
- Способ ее прокладки от подстанции с понижающим трансформатором до конечной электроустановки потребителя.
- Особенности подключения нагрузки к нейтральной жиле.
Основным документом, согласно которому производится классификация этих систем, являются ПУЭ (правила устройства электроустановок). В них подробно рассматриваются характерные признаки, согласно которым принято различать действующие защитные системы. Для их обозначения применяются английские буквенные символы T, N, I, C и S, которые расшифровываются как «заземление», «нейтраль», «изолированное», «общая» и «раздельная».
Действующие системы заземления
- TN-C, из обозначения которой следует, что на всем протяжении трассы нулевой рабочий N и защитный PE проводники объединены в общую шину PEN (C – это «common»).
- TN-S, означающая раздельную прокладку упоминавшихся выше проводников («Select»).
- TN-C-S, из названия которой следует, что на части трассы проводники PE и N объединены, а начиная с какого-то места они прокладываются раздельно.
На практике также встречаются редко используемые системы TT и IT, применяемые только в исключительных случаях. Такой уникальный способ построения заземляющей структуры как система с изолированным нулем, например, востребован при электроснабжении сооружений, где необходимо обеспечить высокий уровень безопасности. В частности, это касается электрооборудования, устанавливаемого на горнодобывающих шахтных предприятиях. Объясняется это тем, что при подземных работах нередки случаи скопления взрывоопасных газов, а система IT, особенностью которой является пониженное искрообразование, в этом случае является самой безопасной.
Как заземлить броню кабеля, проложенного в кабельном сооружении
Кабельные сооружения — сооружения, предназначенные для укладки кабелей и любого оборудования, обеспечивающего нормальную работу кабельных линий. К ним относятся короба, каналы, тоннели, эстакады, галереи и двойные полы. Прокладка бронированных кабелей внутри помещений кабельных сооружений должна соответствовать требованиям, изложенным в ПТЭЭП и ПУЭ. Как сама броня кабеля, так и токопроводящие части кабельных сооружений должны быть заземлены. Допускается заземление бронеленты к металлическим коробам или каналам. В качестве заземляющего контура можно использовать несущие металлические конструкции зданий и сооружений.
Большой выбор бронированных кабелей представлен на сайте компании “Кабель.РФ”. Ознакомившись с описанием продукции, вы можете сделать выбор самостоятельно или обратиться к специалисту компании, который грамотно проконсультирует вас по вопросам цены и качества.
Для чего используется заземление и как работает?
Любой электрик, даже первокурсник, расскажет Вам, что заземлением называют специально созданное соединение рабочего электрического оборудования (точки или узла сети) с некоторым заземляющим устройством.
Шина заземления.
Последним могут выступать как специально смонтированные конструкции и приборы, так и грунт. И то, и другое одинаково эффективно, но используется в различных случаях.
Заземляющее устройство и рабочие кабели выбираются в зависимости от назначения заземления. Основных видов всего пара:
- рабочее (или функциональное),
- защитное.
Функциональным называют процесс в том случае, когда он необходим непосредственно для правильной и исправной работы оборудования.
Защитным, в свою очередь, является заземление, приводящее к безопасной для человека работе приборов. Непосредственно используется этот вид не постоянно (в отличии от предыдущего), а только в ситуациях поломок, выхода из строя или при попадании в прибор молнии.
Заметим, что нередко защитное заземление используется для уменьшения количества электромагнитных помех.
В квартирах и домах проводится именно защитное заземление. Для бытовых целей обычно используется недорогой заземляющий проводник — одножильный кабель или часть многожильного. Основной составляющей провода всегда остается медь, а вот сечение варьируется. Основной вопрос, который волнует домашних мастеров и неопытных электриков — провод для заземления какого сечения должен быть? Попробуем ответить.
Может Вас заинтересует статья 5 доводов в пользу светодиодного освещения
Основные типы и виды
Прежде чем перейти к основной теме нашей статьи, давайте разберемся, какие вообще кабели бывают.
Контрольные кабели — обычно состоят из набора жил от пары до нескольких десятков. Используются для сборки цепей управления и подключения групп датчиков и исполнительных механизмов. Может быть экранирован — это поможет избежать помех и придаст дополнительную прочность изделию. Пример такого кабеля — КВВГ — медный с ПВХ-изоляцией. Вначале маркировки таких кабелей обычно стоит буква К.
КВВГ
Информационные и сигнальные кабели. К ним относится витая пара, оптоволоконные. Оптоволокно может быть одномодовым и многомодовым, в зависимости от предназначения и конструкции. Телефонная «лапша» тоже относится к этому классу. Витая пара может дополняться экранами и защитными оболочками, как и другие виды кабельных изделий.
Бронированная витая пара для внешней прокладки самонесущая
Силовые кабели используются для подключения электрооборудования к питающей сети. Если в маркировке первой буквой стоит А — например АВВГ, то жилы в нём из алюминия. Если же буквы А нет, например ВВГ, то он медный. Остальные буквы говорят нам о материалах изоляции и наличии дополнительных составляющих. ВВГ — расшифровывается, как Винил-Винил-Голый, то есть два слоя изоляции из ПВХ и голая жила.
ВВГ 4×1.5
Силовой бронированный — отдельный вид изделий предназначенный для эксплуатации в сложных условиях в агрессивной срезе или при возможных механических воздействия, в том числе в грунте. Броней могут защищаться и информационные кабели. Могут быть как алюминиевыми, так и медными. В качестве примера можно привести кабель бронированный медный ВБбШв с изоляцией из сшитого полиэтилена и оболочкой из выпресованного шланга из ПВХ, и броней из стальных лент, подробнее об этом вы узнаете ниже.
ВБбШВ с пятью жилами
Отдельное слово нужно сказать о грузонесущем геофизическом кабеле — это вид бронированных изделий применяющихся в исследовательских целях в нефте- и газодобывающей промышленности, в морских и геологических экспедициях. Носит еще одно название — каротажный.
Каротажный кабель
Маркировка кабелей со слоем брони
Защищенные изделия зачастую имеют довольно длинную маркировку. Чтобы научиться распознавать марки бронированных кабелей нужно разобраться, что значат буквы в маркировке, для этого разберем на примере нескольких марок.
У бронированного кабеля АВБбШв маркировка значит:
- А — алюминиевые жилы;
- В — виниловая внутренняя изоляция;
- Б — бронированный;
- б — без подушки;
- Шв — внешняя оболочка в виде выпресованного ПВХ шланга.
Подобный ему ВБбШвнг расшифровывается так:
- буквы «А» вначале нет, значит, жилы из меди;
- В — виниловая внутренняя изоляция;
- Б — бронированный;
- б — без подушки;
- Шв — внешняя оболочка в виде выпресованного ПВХ шланга.
- нг — не распространяет горение.
Третья марка ТППэпБ — это телефонный бронированный, расшифровывается так:
- Т — говорит о предназначении — «Телефонный»;
- П — изоляция из полиэтилена;
- П — изоляция из полиэтителена;
- эп — экран из алюмополимерной ленты;
- Б — броня из двух стольных лент.
Заземление внутри частного дома
Согласно ПУЭ, при заземлении брони кабеля в бытовых условиях должны соблюдаться следующие правила:
- бронированный кабель 0,4 кВ допускается укладывать в металлических конструкциях, надежно заземленных и доступных для ремонта и обслуживания;
- прокладка по бетонным полам и деревянным настилам производится с зазором не менее 5 см, для этого применяются металлические короба и специальные подставки;
- ввод в дом допускается делать как через полы, так и через специально отведенную для этого зону стены.
Чтобы не допустить повреждений на вводе в строение в местах проводки сквозь стены или фундаментное основание, кабель укладывается в трубу из металла или пластика.
Диаметр трубного отрезка выбирается в 2 раза больше, чем сечение самого кабельного изделия.

Мнение эксперта
It-Technology, Cпециалист по электроэнергетике и электронике
Задавайте вопросы “Специалисту по модернизации систем энергогенерации”
Как заземлить броню кабеля Для соединения без пайки используют хомуты или пружины постоянного давления, которые обеспечивают надежный электрический контакт вокруг защитного слоя. Спрашивайте, я на связи!
Типы и особенности заземления
При покупке провода для соединения с заземляющим устройством важно знать виды заземления и его назначение. Всего выделяется два вида:
Всего выделяется два вида:
- Рабочее. Назначение — обеспечить нормальную работу электроустановки. Без выполнения этого условия функционирование сети было бы невозможным по различным причинам. Иными словами, это нормальный режим функционирования оборудования. Пример — заземление нейтрали силовых трансформаторов, чтобы увеличить ток короткого замыкания и повысить чувствительность релейной защиты.
- Защитное. Задача — гарантия безопасности людей от попадания под действие электрического тока в быту или при обслуживании оборудования на ВЛ, подстанция или в других электроустановках. В зависимости о ситуации может предусматриваться для защиты от молнии, импульсного перенапряжения и потенциала, который может появиться на корпусе бытовой или другой техники.
В квартирах и частных коттеджах применяется заземление защитного типа, на котором мы остановимся более подробно.
Прокладка бронированных кабелей в земле
Прокладка кабеля в броне в различных типах грунта имеет свои особенности. В местах с нестабильными грунтами, в скальных породах и в районах вечной мерзлоты укладывают кабель с проволочной броней, а в местах со стабильным типом грунта — с ленточной броней. При прокладке необходимо убедиться, что защитная оболочка не имеет электрических разрывов по всей длине. Заземление брони осуществляется плоским неизолированным проводом. Требуемое сечение заземляющего провода приведено в таблице:
Не пропустите: Что такое заземление? Как сделать и для чего нужно заземление
Как сделать заземление брони кабеля
Для прокладки в сложных условиях и для защиты электрической линии от повреждений используют бронированные кабели, представителями таких являются ВБбШв и АВБбШв. Бронированным называют электрический кабель, защищенный слоем из металлических лент или повивов металлической проволоки. Определения названий и видов кабельной продукции и сопутствующих терминов описаны в ГОСТ 15845-80. Обязательным условием при его использовании является заземление брони, поскольку действующие нормы и требования говорят о необходимости заземления всех токопроводящих частей электроустановки. В этой статье мы рассмотрим, как заземлить бронированный кабель.
Виды защитных труб
Для чего используются ПНД трубы? Они предназначены для защиты кабеля от различных воздействий. В грунте содержатся химические соединения, которые могут нанести ему вред. Также опасность для кабеля представляют механические повреждения или нагрузки и блуждающий ток.
Изделия ПНД по назначению разделяют на электротехнические и чисто технические. В первую категорию входят армированные гофрированные либо двойные трубы. Они отличаются повышенной степенью защиты. Чисто технические трубы более простые, они однослойные, отсутствует дополнительная защита. Но и цена у них будет ниже.
Гофрированные трубы для прокладки проводов используют для защиты телефонных линий, сетей электричества и так далее
Неважно, переменный или постоянный ток идет по кабелю. Но напряжение не должно превышать 1 кВ. В сведениях о технических характеристиках труб указано: расцветка, маркировка, размеры, толщина стенки, количество слоев, соответствие ГОСТу
Обычно для данного вида изделий действует такая закономерность: от диаметра трубы напрямую зависит толщина стенки. Чем больше первый параметр, тем больше второй
В сведениях о технических характеристиках труб указано: расцветка, маркировка, размеры, толщина стенки, количество слоев, соответствие ГОСТу. Обычно для данного вида изделий действует такая закономерность: от диаметра трубы напрямую зависит толщина стенки. Чем больше первый параметр, тем больше второй.
В трубах толщина стенки может сильно различаться. Минимальное значение этого параметра равняется двум миллиметрам. В таком случае диаметр трубы находится в диапазоне от 15 до 50 мм. А максимальное значение — до 3 см. Тогда диаметр трубы доходит до 25 см.
Классификация труб в соответствии с предельным давлением:
- Легкие (допустимое давление — 0.25 МПа);
- Среднелегкие (допустимое давление — 0.4 МПа);
- Средние (допустимое давление — 0.6 МПа);
- Тяжелые (допустимое давление — 1 МПа).
Маркировка кабеля соответствует его рабочим характеристикам. Найти ее можно на «рукаве». Таким образом обозначается вес изделия.
Маркировки труб:
- «Л» — легкая;
- «СЛ» — среднелегкая;
- «С» — средняя;
- «ОС» — среднеоблегченная;
- «СТ» — среднетяжелая;
- «Т» — тяжелая.
Внутри трубы можно прокладывать одновременно несколько кабелей (максимум — 4 штуки). Если его поперечное сечение от 6 до 8 кв. мм, то нужно покупать трубу с диаметром в диапазоне от 20 до 40 мм.
Выбирать трубу нужно с учетом количества проводов в ней. К примеру, если планируется провести три кабеля с площадью сечения 10 кв. мм, то подойдет труба такого же диаметра, как и для двух кабелей с сечением в 25 кв. мм.
Перейдем к проводам потолще. Для кабелей с поперечным сечением от 35 до 70 кв. мм оптимальный диаметр трубы будет от 40 до 50 миллиметров. Стоит учитывать, что с ростом ширины просвета снижается размер рукава.
Еще одной значимой характеристикой трубы, определяющей ее качества, является показатель SDR. Для его расчета необходимо разделить внешний диаметр изделия на толщину стенки. Чем выше значения данного показателя, тем ниже надежность трубы. Поэтому нельзя выбирать изделия со слишком тонкой стенкой относительно его диаметра. Ведь оно быстрее выйдет из строя из-за низкой прочности.
Укладка технических рукавов по общему принципу похожа на укладку электротехнических рукавов. Тут различиями являются только назначение, а также соответствующая маркировка. Технические трубы из полиэтилена низкого давления предназначены для укладки в грунте неэлектрических коммуникаций. Например, их можно использовать для проведения теплопровода либо канализации.
Такие трубы можно использовать не только для отвода технических жидкостей или канализационных вод. Также они подходят для реализации дренажных и мелиорационных системы, установки безнапорного водопровода и аналогичных коммуникаций.
Технические трубы под кабель в землю нельзя изгибать или деформировать, в отличие от гофрированных изделий. Поэтому для создания поворотов используются соединительная арматура: муфты, фитинги и переходники. Для абсолютной герметизации возможна сварка «встык» либо применение компрессионных фитингов.
Подробно узнать сведения о трубе ПНД можно из маркировки. По ней получится определить технические характеристики изделия.







































