Подключение генератора. Варианты схем АВР для генератора
Сразу скажу, что генератор тут ни при чём, это в данном случае всего лишь источник резервного питания. В качестве этого источника может быть не только генератор, но и вторая фаза, и фаза с другой подстанции или другой линии. Схемы Автоматического включения резерва (АВР) универсальны и могут работать в разных ситуациях.
В принципе, что тут подключать? У генератора есть обычная розетка, в комплекте штепсельная вилка, какие проблемы? Но куда идёт провод от вилки? И как сделать так, чтобы схема подключения была удобной, правильной, а главное – безопасной?
Казалось бы, что проще – поставить переключатель, и нет проблем.

1. Схема подключения генератора через переключатель
Так многие и делают, и я так делаю, в зависимости от финансовых возможностей клиента. Только не надо забывать о двух важных вещах:
- Не переключать под нагрузкой!
- Правильно подобрать защиту и ток рубильника (переключателя).
Но мы не ищем лёгких путей, нам подавай автоматику и защиту от аварий и человеческого фактора.
Поэтому предлагаю рассмотреть второй вариант схемы:

2. Схема подключения генератора через реле контроля напряжения. Простейшая схема АВР.
Во второй схеме АВР применяется реле контроля напряжения KV. Фактически это обычное реле, которое находится во включенном состоянии, когда напряжение из города в норме. И перекидной контакт будет в левом по схеме положении.
Когда напряжение из города пропадает, реле выключается, и схема приобретает изображенный вид – нагрузка питается от генератора.
Реле контроля напряжения – основа любой схемы АВР. Для однофазных схем это обычное реле, которое питается от основной фазы.
Для трехфазных схем применяется трехфазное реле контроля фаз, которое подробно описано в другой моей статье.
Идём далее, совершенствуем схему АВР для автоматического подключения генератора:

3. Схема подключения генератора через реле и контакторы. АВР с усилением
Третья схема отличается от второй тем, что она может пропускать через себя гораздо бОльший ток. Реле напряжения KV используется только по своему назначению – автоматически переключает нагрузку, подавая питание на катушку соответствующего пускателя.
Когда напряжение из города есть, KV включено, оно своим нормально открытым (НО) контактом включает контактор КМ1, и фаза L1 поступает на нагрузку (выход схемы L).
Когда напряжение из города поступать перестаёт, KV выключается, и своим НЗ контактом включает контактор КМ2, и фаза L2 поступает на нагрузку.
Схема прекрасная, и даже рабочая. Но использовать её крайне опасно. Из-за отсутствия защит от замыкания “фаза L1 на фазу L2”. Такое замыкание может произойти из-за неисправности (залипания контактов, заклинивания реле или контакторов), или из-за пресловутого человеческого фактора – что если колхозный электрик решит нажать пускатель КМ2, когда включен КМ1?
Так вот, чтобы на порядок уменьшить вероятность аварий, на практике применяется такая схема АВР для генератора:

4. Схема АВР для генератора с электрической и механической блокировками
Отличие её от схемы 3 всего лишь в том, что в неё введены защиты от одновременного включения контакторов КМ1 и КМ2. Защита имеет две ступени – электрическая и механическая.
Электрическая блокировка реализована на НЗ контактах КМ1 и КМ2, которые взаимоисключают одновременное включение пускателей.
А механическая (обозначена на схеме перевернутым треугольником) обеспечивается конструкцией пускателей. Пускатель в данном случае должен быть обязательно реверсивным, подробнее читайте в статье про схему включения реверсивного пускателя.
Ну а практическая схема автоматики, будет выглядеть так:

5. Схема АВР для подключения генератора с блокировками и защитами
Добавились двухполюсные защитные автоматы QF1 и QF2, и ещё силовой контакт, рвущий нолевой провод N1 в случае отключения города.
Рвать “городской” ноль нужно для дополнительной безопасности. Дело в том, что на выходе генератора нет понятия “рабочий ноль” и “фаза”, и названы они так могут быть условно. И в случае залипания “фазного” контакта, когда ноль N1 не разорван (как в схеме 4) в городскую линию пойдёт напряжение 220В.
Эту схему я и собрал, сейчас покажу как.
Применение резервного питания
Длительное отсутствие электроэнергии доставляет много неудобств для человека, кроме того, может привести к угрозе жизни и безопасности людей. Обеспечить бесперебойное электроснабжение можно от двух независимых источников питания, что применяется для потребителей первой категории. Особая группа первой категории снабжается электроэнергией от трех взаимно резервирующих источников питания. Такие схемы имеют ряд недостатков:
- Значение токов короткого замыкания гораздо выше, чем при раздельном электроснабжении потребителей.
- Происходят большие потери электроэнергии в питающих трансформаторах.
- Сложная защитная схема.
- Очень трудно вести учет перетоков мощности.
- Иногда тяжело осуществить параллельную работу источников питания из-за наличия ранее установленной релейной защиты.
Поэтому существует необходимость в раздельных источниках питания с наличием быстрого восстановления электроэнергии. Именно эту задачу выполняет АВР, который подключает отдельную сеть или другой источник питания (генератор, аккумуляторную батарею). Щиты резервного включения широко применяются на предприятиях транспорта, связи, при строительстве жилищных комплексов и в других областях промышленности.
Какие схемы работы АВР существуют
Рабочие примеры показывают успешность применения щита автозапуска для бесперебойного электроснабжения дома.
Простые схемы
Один из вариантов схемы АВР показывает переключение электроэнергии на генератор с основной линии. Здесь присутствует принцип защиты от короткого замыкания. В данном АВР предусмотрены электрическая и механическая блокировка, которая не дает запуститься одновременно двум вводам.

Схема АВР для дома
Обозначения:
AB1 и AB2 – двухполюсные автоматические выключатели на основном и резервном вводе.
К1 и К2 – катушки контакторов.
К3 – контактор в роли реле напряжения.
K1.1, K2.1 и K3.1 – нормально-замкнутые контакты контакторов.
К1.2, К2.2, К3.2 и К2.3 – нормально-разомкнутые контакты.
При автоматическом переключении АВ1 и АВ2 работа системы АВР выглядит следующим образом:
Питание от основной линии в штатном режиме. При насыщении катушки К3 происходит срабатывание реле напряжения, что приводит к замыканию К2.2 и К2.3 и размыканию К1.
Энергообеспечение при аварийном режиме. При проблемах напряжения на основной линии К3 не насыщается, напряжение падает ниже допустимого, контакты приходят к исходному положению. Таким образом напряжение поступает на катушку К1, из-за чего меняется положение контактов К1.1 (имеющаяся роль электрической защиты) и К1.2 (которая снимает блокировку подачи питания на нагрузку).
Срабатывание механической блокировки. В этом случае используется реверсивный пускатель (если есть на конструкции электромеханического прибора).
Пример работы двух простых АВР для трехфазного напряжения, где, в одном случае энергообеспечение производится по односторонней схеме, а в другом – по двустороннему принципу.

Пример односторонней (В) и двусторонней (А) реализации простого трехфазного АВР
Обозначения:
AB1 и AB2 – трехполюсные автоматы защиты;
МП1 и МП2 – магнитные пускатели;
РН – реле напряжения;
мп1.1 и мп2.1 – групповые нормально-разомкнутые контакты;
мп1.2 и мп2.2 – нормально-замкнутые контакты;
рн1 и рн2 – контакты РН.
Схема А имеет два равноправных ввода, чтобы не произошло одновременного переключения линий. Здесь используется принцип взаимный блокировки, как на контакторах МП1 и МП2. Благодаря очередности автоматического включения АВ1 и АВ2, будет зависеть от какой линии пойдет нагрузка. Если первым сработает АВ1, то задействуется пускатель МП1, а контакт МП1.2 разрывается, что приводит к блокировке напряжения на катушку МП2. Если отключается источник 1, то пускатель МП1 переходит н свое исходное положение. И в действие вступает ПМ2, который блокирует первый пускатель и переводит подачу нагрузки от источника 2. Переключать источники можно и в ручном режиме с помощью АВ1 и АВ2.
Для одностороннего принципа работы используется схема В. Основное ее отличие в том, что в цепи подключения добавляется реле напряжения (РН) и при восстановлении работы оно возвращает подключение на источник 1. Но при этом размыкается РН2, который отключает пускатель МП2 и замыкает РН1, что позволяет подключить МП1.
Схемы подключения

Оптимальный вариант выбирают с учетом:
- рабочих параметров сети питания;
- типа нагрузок;
- особых требований по скорости ввода резерва и другим параметрам.
Для однофазных сетей при подключении частного дома или небольшого коммерческого объекта можно применить простейший вариант на модульных контакторах с двухполюсным АВ. Схему АВР с реле контроля фаз на два ввода используют при подключении мощных нагрузок. В соответствующем исполнении кроме уровня напряжения контролируют искажения синусоиды, корректность фазировки. Если предполагается работа с несколькими источниками (больше двух), создают систему с необходимым количеством вводов.
Варианты схем для реализации АВР с описанием
Приведем несколько рабочих примеров, которые можно успешно применить при создании щита автоматического запуска. Начнем с простых схем для бесперебойной системы электроснабжения жилого дома.
Простые
Ниже представлен вариант схемы АВР, переключающей подачу электричества в дом с основной линии на генератор. В отличие от приведенного выше примера, здесь предусмотрена защита от короткого замыкания, а также электрическая и механическая блокировка, исключающая одновременную работу от двух вводов.

Схема АВР для дома
Обозначения:
- AB1 и AB2 – двухполюсные автоматические выключатели на основном и резервном вводе.
- К1 и К2 – катушки контакторов.
- К3 – контактор в роли реле напряжения.
- K1.1, K2.1 и K3.1 – нормально-замкнутые контакты контакторов.
- К1.2, К2.2, К3.2 и К2.3 – нормально-разомкнутые контакты.
После переводов автоматов АВ1 и АВ2 алгоритм работы блока АВР будет следующим:
- Штатный режим (питание от основной линии). Катушка К3 насыщается и реле напряжения срабатывает, замыкая контакт К3.2 и размыкая К3.1. В результате напряжение поступает на катушку пускателя К2, что приводит к замыканию К2.2 и К2.3 и размыканию К2.1. Последний играет роль электрической блокировки, не допускающей подачи напряжения на катушку К1.
- Аварийный режим. Как только напряжение в главной линии исчезает или «падает» ниже допустимого предела, катушка К3 перестает насыщаться и контакты реле принимают исходную позицию (так, как показано на схеме). В результате на катушку К1 начинает поступать напряжение, что приводит к изменению положения контактов К1.1 и К1.2. Первый играет роль электрической защиты, не допуская подачи напряжения на катушку К2, второй снимает блокировку подачи питания на нагрузку.
- Чтобы работала механическая блокировка (на схеме отображена в виде перевернутого треугольника) необходимо использовать реверсивный пускатель, где ее наличие предполагается конструкцией электромеханического прибора.
Теперь рассмотрим два варианта простых АВР для трехфазного напряжения. В одном из них энергоснабжение будет организовано по односторонней схеме, во втором применено двухстороннее исполнение.

Рисунок 6. Пример односторонней (В) и двухсторонней (А) реализации простого трехфазного АВР
Обозначения:
- AB1 и AB2 – трехполюсные автоматы защиты;
- МП1 и МП2 – магнитные пускатели;
- РН – реле напряжения;
- мп1.1 и мп2.1 – групповые нормально-разомкнутые контакты;
- мп1.2 и мп2.2 – нормально-замкнутые контакты;
- рн1 и рн2 – контакты РН.
Рассмотрим схему «А», у которой два равноправных ввода. Чтобы не допустить одновременное подключение линий применяется принцип взаимной блокировки, реализованный на контакторах МП1 и МП2. От какой линии будет питаться нагрузка, определяется очередностью включения автоматов АВ1 и АВ2. Если первым включается АВ1, то срабатывает пускатель МП1, при этом разрывается контакт мп1.2, блокируя поступление напряжение на катушку МП2, а также замыкается контактная группа мп1.1, обеспечивающая подключение источника 1 к нагрузке.
При отключении источника 1 контакты пускателя ПМ1 возвращаются в исходное положение, что приводит в действие контактор ПМ2, блокирующий катушку первого пускателя и включающий подачу питания от источника 2. При этом нагрузка будет оставаться подключенной к этому вводу, даже если работоспособность источника 1 пришла в норму. Переключение источников можно делать в ручном режиме манипулируя выключателями АВ1 и АВ2.
В тех случаях, когда требуется одностороння реализация, применяется схема «В». Ее отличие заключается в том, что в цепь управления добавлено реле напряжения (РН), возвращающее подключение на основной источник 1, при восстановлении его работы. В этом случае размыкается контакт рн2, отключающий пускатель МП2 и замыкается рн1, позволяя включиться МП1.
Принцип действия АВР
В низковольтных сетях удобно применять контролирующие напряжение в схемах защиты специальные реле (схемах АВР и др.). АВР здесь предпочтительней, поскольку не вся техника способна выдерживать частые переключения электроснабжения. Как выглядит АВР? Что это такое и как работает? Данное устройство хорошо видно по любой простой схеме.

- Реле ЕЛ-11 контролирует трехфазное напряжение, следит за перекосом фаз, их обрывом и чередованием.
- Электромагнитные реле с мощными контактами применяются для подключения нагрузок. В нормальном режиме катушка магнитного пускателя главного ввода питается от него и своими контактами КМ 1 подключает подачу питания на нагрузку.
- Когда исчезает напряжение в основной цепи, реле КМ 1 отключается, и питание поступает на катушку реле КМ 2, которое подключает резервный ввод.
Данная схема АВР может применяться в частных домах, производственных и административных зданиях, где коммутируемая нагрузка достигает десятков киловатт. Недостатком схемы является сложность выбора реле для больших токов. Для коммутации маломощных потребителей она еще подходит, но при больших нагрузках лучше взять пускатель АВР или симистор.

Незаменимыми источниками дополнительного питания являются бензиновые или дизельные генераторы. Последние нашли широкое применение благодаря экономичности и большей мощности. Рынок предлагает широкий ассортимент дизель-генераторных установок (ДГУ), содержащих системы защиты от больших перегрузок.
Требования к системе
Основными требованиями, предъявляемыми к системам АВР являются:
- Быстродействие.
- Надёжность включения.
- Подача напряжения только если на участке нет короткого замыкания, то есть обязательно должна быть блокировка при КЗ.
- Однократность срабатывания.
- Возможность настройки порога включения резервного электроснабжения, чтобы она не срабатывала, например, при просадках напряжения во время запуска мощных электродвигателей.
- Срабатывание только при условии, если на резервном вводе есть электроэнергия.
Естественно, что простейшая схема на контакторах не сможет реализовать все предъявляемые требования к системе АВР. Для этого в современной электронике применяются логические системы, подающие сигнал на включение резервного источника питания только при соблюдении всех правил и блокировок. Также для дополнительной надёжности даже применяется механическая блокировка.
Выбор автоматики

Блок АВР ПромЭнерго Промышленное оборудование и технику профессиональной категории оснащают автоматикой в стандартной комплектации. Как минимум, предлагают в составе ящик с набором контакторов для воспроизведения защитного алгоритма. В зоне доступности размещают аварийную кнопку. При необходимости рукой установку отключают одним быстрым движением.
Специализированный щит АВР можно приобрести в собранном состоянии либо создать функциональный аналог самостоятельно
При выборе готового изделия следует обратить внимание на репутацию производителя. Пригодится предварительное изучение отзывов покупателей и мнения опытных экспертов
В нижнем ценовом диапазоне представлены изделия сомнительного происхождения. Если АВР однофазный стоит до 1500-2000 р., вряд ли можно рассчитывать на длительный срок службы и высокую надежность. Подделки отличаются плохой сборкой, низким качеством контактных групп. Достаточно часто в подобных моделях используют маломощные электронные ключи, которые не приспособлены к броскам напряжения и нагрузкам с выраженными индуктивными характеристиками.
От 4 000 до 8 000 р. можно найти качественные АВР малоизвестных торговых марок. В надежных комплектах оборудования применяют электромеханические функциональные компоненты.
Автоматика без контроллера
Расшифровка обозначения подчеркивает главную особенность оборудования данной категории. «Автоматический» способ подключения резерва современного уровня подразумевает не только отсутствие вмешательства со стороны пользователей. Электронный контроллер обеспечивает оперативную проверку состояния питающей и резервной сети. Он блокирует выполнение ошибочных операций, препятствует возникновению потенциально опасных ситуаций. При выборе АВР следует проверить наличие в комплекте этого полезного компонента.
АВР в сетях 0,4 кВ

Для коммутации цепей питания в сетях со сравнительно небольшим напряжением (0,4 кВ) применяют серийные контакторы с магнитным приводом. Также используют пускатели в комплекте с АВ. Компоненты схемы подбирают с учетом токовых нагрузок (потребляемой мощности).
В типовые щиты АВР на 2 ввода устанавливают приборы учета электроэнергии, устройства защиты от импульсных бросков напряжения, реле с функцией задержки для создания дополнительного временного интервала перед подключением нагрузки.
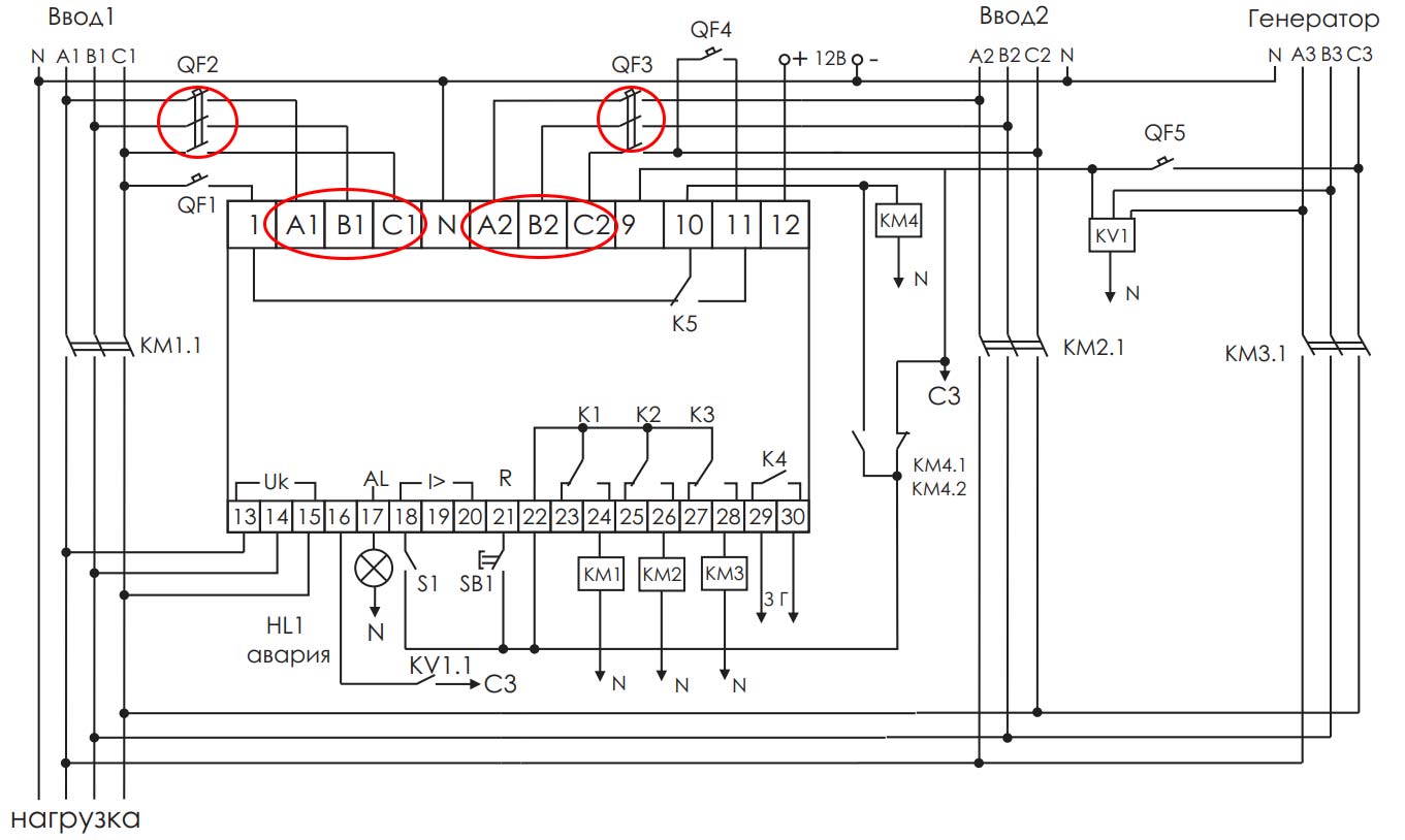
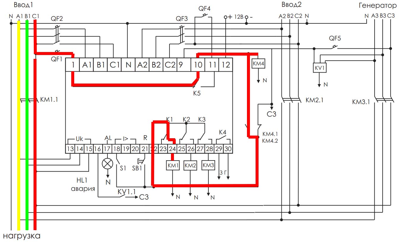
Ввод №1 и ввод №2 исправны
Первый ввод является основным, второй – резервным. Устройство посредством контактов А1,В1,С1 через защитный автомат QF2 следит за напряжением на вводе-1.
То же самое происходит по вводу-2, через контакты А2,В2,С2.
Так как на всех этих контактах все в норме, AVR-02 должен подать напряжение на катушку КМ. Как это происходит?
Контакт 1 и 11 формируют сигнал управления посредством реле К5. Данное реле К5, если уровень напряжения нормален на обоих вводах, должно включить ввод№1.
То есть находится в том положении, как на изначальной схеме. Напряжение через него попадает на 10 контакт и идет до катушки КМ4. Это промежуточное реле. Его контакты обозначены КМ4.1 и КМ4.2
Реле срабатывает, замыкая свои контакты и напряжение через них попадает на 22-й контакт. Далее AVR включает реле К1. Через него и контакт №24 фаза достигает катушки включения КМ1. При этом другие реле К2,К3,К4 остаются разомкнутыми.
Что такое АВР и его назначение.
Помимо этого, контроллер АВР проверяет отсутствие короткого замыкания, в противном случае подача энергии на эту секцию недопустима. БУАВР имеет повышенную устойчивость к перенапряжению.

Как видите, создать своими руками схему автозапуска генератора не так уж и сложно. Каким образом это делается на автоматах — смотрите на рисунке справа.

Подключение реле серии ЕЛ очень простое и не представляет особых затруднений: к клеммам L1, L2, L3 подключаются фазы А, В, С соответственно, а через контакты и напряжение подается в цепь управления катушек контакторов, где в зависимости от состояния электрической сети реле управляет работой контакторов замыканием или размыканием этих контактов.

В квартиры устанавливают бесперебойники на аккумуляторах, которые преимущественно применяются для электронной техники. Автоматический ввод резервного питания, это полноценный механизм со своей логикой и своими органами чувств и управления. Если у реле есть несколько контактных групп, то можно их запараллелить, но такое редко делается, обычно для больших токов берется схема с реверсивным пускателем либо на симисторах. АВР на реверсивном рубильнике с электроприводом Такая конструкция интересна прежде всего тем, что потребляет электроэнергию только в момент переключения, в отличие от контакторов, реле и т. Данные устройства предназначены для работы на стороне 0.

С технической точки зрения реле контроля трехфазного напряжения состоит из измерительной и силовой части. При исчезновении напряжения на первом вводе, отпадает контактор-1 и включается контактор В этой части мы разберем схему для трехфазной электрической сети, выполненную на двух контакторах, где в качестве управляющего элемента применено реле контроля фаз реле контроля трехфазного напряжения.
Но ведь источников питания может быть и больше. Потребитель остается со светом.
Она состоит из двух однополюсных автоматических выключателей, одного контактора и одного двухполюсного автоматического выключателя. В таком случае включить или отключить автомат можно с помощью специальных кнопок. Так, при отсутствии напряжения система переключит потребителя с основного на резервный ввод, однако при появлении напряжения на линии обратное переключение возможно только вручную — отключением питания автоматическим выключателем АВ2 или остановкой генератора. Схема подключения АВР (380 Вольт)
Простые системы АВР
Работает все очень просто. Схема АВР на двух контакторах: Надеемся, что эта краткая статья поможет вам собрать и запустить схему автоматического ввода резерва на контакторе, и электроснабжение вашего дома или небольшого предприятия станет бесперебойным.

Восстанавливающиеся АВР.

Ставим номиналом не менее автомата А2, если не получится приобрести выключатель — устанавливаем автоматический выключатель с номиналом выше чем у А2
Замыкающие контакты контакторов должны быть рассчитаны на полный ток нагрузки, для размыкающих это неважно можно использовать блок-контакты. Оба автомата QS1 и QS2 должны быть включены, при этом катушка КМ получит питание и будет втянута, а соответственно её замыкающий контакт в цепи основного ввода тоже замкнут и размыкающий контакт в цепи резервного ввода разомкнут

Такие неконтролируемые коммутации совершенно недопустимы на производствах с непрерывным циклом или в медицинских учреждениях в операционных больниц, например , а также на других важных объектах. В дальнейшем мы будем совершенствовать схему, добавим выдержки времени и различные блокировки. В случае исчезновения напряжения реле К1 обесточивается, К1. Рубильник выбирается с тремя положениями, где среднее из них полностью отсекает электричество.

Внешние входы аварийного отключения вводов. Такое реле выполняет функцию постоянного слежения за параметрами напряжения основной сети. Так как оба ввода в работе, отпадает необходимость следить за готовностью резервной линии к принятию нагрузки.
Как работает автоматический ввод резервного питания
В соответствии с индивидуальными условиями, схема АВР дополнительно оснащается пусковым блоком, который управляет запуском автономного источника питания, будь то аккумуляторы с инвертором или генератор на жидком топливе. Контроль состояния контактов контактора. При пропадании напряжения в основной линии катушка КМ 1 обесточивается, и питание через замкнувшийся контакт КМ1 начинает поступать на обмотку КМ 2, через контакторы которого к нагрузке подключается резервный ввод. В настоящее время промышленность в большом ассортименте выпускает готовые блоки АВР
Для таких важных объектов, как больницы, объекты оборонной промышленности, да и для многих других, аварии на электростанциях или в сетях электроснабжения сулят большие неприятности, именно по этой причине большое внимание всегда уделялось и уделяется проектированию и возведению систем резервного электроснабжения
При восстановлении параметров тока в основной цепи происходит замыкание контактов контактора основной цепи с одновременным размыканием контактов контактора резерва. Этот способ менее затратный, нежели генераторный, но не способен выдавать длительное время ток для мощных бытовых приборов. В настоящее время промышленность в большом ассортименте выпускает готовые блоки АВР.
Назначение АВР — повышение надежности электроснабжения потребителей. Более того, электродвигатель используется только один, а переключение вводов осуществляется его вращением вперед и назад. Простейший трёхфазный АВР или как подключить модуль управления МАВР-3
Примеры схем АВР
Начнем рассмотрение схем с одного пункта, который лучше сразу обозначить. Разница между схемами АВР “автомат+пускатель” и “автомат с электроприводом” в экономичности последнего варианта на токи начиная от 200 ампер, меньшем месте в шкафу и большей устойчивости к перегрузкам, возникающим при включениях. Но в зависимости от схем, это решение должно приниматься индивидуально. А так в любой схеме вместо автомата с пускателем можно установить автомат с электроприводом.
Схема АВР для двух вводов на контакторе
Значит, тут у нас два ввода. У каждого ввода есть вводной автомат или рубильник. Также присутствует третий автомат, который отвечает за нагрузку потребителя. И главную роль в этом театре играет контактор, который я обозначил К1. У него есть обмотка и два контакта — нормально закрытый и нормально открытый. Принцип работы схемы в следующем: при пропадании напряжения пропадает питание с обмотки К1 и контакты перекидываются.
Недостатки данной схемы в том, что при моржках света питание будет кидать туда-обратно. Это конечно не даст Вам остаться без света, но сам контактор, а именно его контакты, потреплет знатно, вплоть до замены. Так как через них будет проходить весь ток. Поэтому токи при такой схеме должны быть небольшими. Да и для нагрузки такие режимы не есть хорошо.
Схема АВР с магнитными пускателями

Пускай в этой схеме пускатели будут обозначены К1 и К2. Хотя обычно пускатели обозначают КМ, даже называю их “каэм’ы”. Данная схема может быть однофазная или трехфазная. Я нарисовал её однофазной, так проще и быстрее. Значит, принцип работы в следующем: включаем “ввод №1” и тут же размыкается контакт К1 в со стороны нуля обмотки К2. Затем включаем “Ввод №2”, обмотка К2 уже разомкнута и следовательно контакт К2 в схеме нуля К1 не разомкнется и не вызовет отключение К1. Далее, если пропадает питание на вводе №1, то контакт К1 в схеме нуля К2 обратно становится замкнутым, питание доходит до обмотки с двух сторон и пускатель К2 срабатывает. Пускатель К1 у нас отключен и следовательно питание происходит от второго ввода. Если вновь появится напряжение на вводе №1, то для возврата надо будет вручную отключать второй ввод и включать первый. Это не очень то удобно.
В данной схеме получается, что рабочим вводом будет тот, который включить в первую очередь. Тоже не вызывает сильного доверия, но на первое время сойдет. Чтобы питание переключалось обратно на первый ввод можно установить реле напряжения. Значит, его обмотка будет подключена параллельно цепочке “катушкаК1 — контактК2”, а его контакт замкнутый последовательно в цепочку “катушкаК2 — контактК1”. Не забываем следить за рабочим током нагрузки и контактов пускателей.
Схема АВр на три ввода
В большинстве своем схема авр на три ввода представляет из себя два ввода плюс дизельгенератор. Суть её работы: при исчезновении питания на первом вводе, включается второй, а при исчезновении двух вводов сразу — включается ДГ. При повторном появлении электроэнергии на одном из двух вводов питание переходит от дизельгенератора на вновь включенный ввод. Данные схемы самому реализовать себе во вред, так как есть готовые решения — законфигурированные мозги, куда надо просто подключить провода и задать уставки. Нечто подобное рассматривалось в статье про БАВРы.
Если хотите более подробно ознакомиться с заводскими исполнениями схем АВР, то поисковые системы выдают множество pdf файлов различных изготовителей.
Последние статьи
Самое популярное
Зачем нужна проверка и настройка АВР?
Питание на основном вводе может пропасть как по обстоятельствам, не связанным с потребителями электроэнергии (повреждение подходящего фидера, срабатывание защиты по высокой стороне), так в связи с возникновением аварийной ситуации с потребителями (короткое замыкание) и срабатыванием аппаратов защиты на основной линии. Для предотвращения повторной подачи напряжения на существующее короткое замыкание АВР должен быть настроен и проверен при проведении пуско-наладочных работ, а также периодического технического обслуживания.
При наладке и проверке АВР определяются параметры его работы, временные установки (например, время восстановления питания по штатной схеме после появления напряжения на основном вводе – время возврата), минимальные и максимальные пределы по напряжению, схема блокировки, работа в ручном режиме.
Классификация АВР и варианты реализации
Осуществляться резервное питание и его автоматический ввод может от отдельного генератора, аккумуляторной батареи либо отдельной линии.
В свою очередь все системы АВР по своему действию делятся на:
- Односторонние. Одна секция или же ввод является рабочим (основным), а второй резервный. В случае исчезновения рабочего напряжения включается резерв.
- Двухсторонние. Когда существуют две раздельно питающиеся секции и соответственно две линии являются рабочими, и при отключении одной любой из них, другая является резервной.
Также АВР может быть с восстановлением питания по нормальной схеме и без него. Во втором случае происходит полное погашение нерабочей сети и даже при повторном возобновлении питания схема не будет работать как прежде по двум линиям.
Особенности работы с бытовыми генераторами
Для того чтобы организовать автоматический ввод резерва в доме можно в качестве источника резервного питания использовать автономный генератор. Он даст возможность длительное время обеспечить электрической энергией целый дом, а величина подключаемой нагрузки зависит от мощности самого генератора. Вот схема подключения:

Введение генератора в качестве источника электроэнергии вместо сетевого напряжения можно практиковать в однофазной и трёхфазной сети с учетом модели генератора. Однако для того, чтобы этот процесс был полностью автоматизирован необходимо, чтобы генератор был оснащён стартером, а также понадобится специальный блок, состоящий из набора коммутационных устройств, включающих стартер только на время запуска и отключающих при возобновлении подачи сетевого напряжения. Выглядит он вот так:

Такой блок для генератора совместим с любым типом двигателя и имеет три положения: «Стоп», «Включен, «Запуск». Правда, в зимнее время необходим прогрев двигателя внутреннего сгорания, но этот блок можно запрограммировать, учитывая и эту особенность. Крепится он на дин рейку в распределительном щитке.
На видео доходчиво объясняется схема, по которой можно сделать автоматический ввод резерва для генератора своими руками:
АВР на аккумуляторах
С развитием преобразователей, трансформирующих постоянный ток в переменный, появляется возможность использовать, например, автомобильный аккумулятор в качестве источника резервного питания. Помимо аккумулятора, понадобится приобрести современный автомобильный инвертор, преобразующий 12 Вольт постоянного напряжения в 220 Вольт переменного.
Правда, этот источник вряд ли можно использовать для силовой нагрузки, но цепи освещения он может легко обеспечить стабильным напряжением на время непродолжительной аварии на линии. При этом длительность работы будет зависеть от мощности потребителей и емкости аккумуляторов.
Для увеличения ёмкости можно параллельно подключить несколько аккумуляторных батарей. Схема соединения самой системы АВР может быть реализована с помощью пускателя.

Пускатель включается в основную цепь, а при проблемах в сети его подвижная часть отпадает, тем самым его размыкающий блок-контакт, введённый в цепь аккумулятора, запускает систему автоматического электроснабжения. Этот способ менее затратный, нежели генераторный, но не способен выдавать длительное время ток для мощных бытовых приборов.
Применение логического контроллера
Для двух сетей электроснабжения трехфазным питанием применяются уже готовые блоки АВР с применением логического цифрового контролера, который может учитывать множество параметров, требуемых для создания идеальной системы. На нём имеется вся нужная маркировка и инструкция по управлению и подключению.

Правда, перед тем как подключить модуль и приобрести его, нужно задуматься, имеется ли резервный источник питания с более надёжным электроснабжением. Так как нет смысла подключать его к одной и той же системе трёхфазной сети, то есть питающейся от одного трансформатора 6/0,4 кВ.





































