Терморегуляторы
Терморегуляторы являются элементом управления системы и бывают механическими и электронными. С помощью терморегулятора пользователь может устанавливать условия, которые он считает комфортными
Механические терморегуляторы. Они состоят из термической головки (чувствительного элемента) и клапана. При изменении температуры воздуха в охлаждаемом помещении чувствительный элемент реагирует на это и перемещает шток клапана регулятора. Таким изменением хода осуществляется регулирование подачи холодного воздуха.
Электронные терморегуляторы. Это автоматические устройства, пульты управления, которые обеспечивают поддержание заданной температуры в помещении. В системе охлаждения воздуха они автоматически управляют внутренним блоком (изменяя расход хладагента или частоту вращения вентилятора), целью их работы является созданием в помещении температурного режима, заданного пользователем.
Механический и электронный воздушные терморегуляторы отличаются только способом задания температуры. Механизм управления температурой у них идентичен – по сигналу, передаваемому по кабельной линии. В этом их отличие от регуляторов на радиаторных батареях.
Расчет внутренних блоков
Для расчета мощности внутренних блоков необходимо просуммировать все теплопритоки в помещении. О том, как это делается, у нас есть отдельная подробная статья. Но когда помещений много, считать теплопритоки в каждом из них весьма трудоёмко. Чаще прибегают к экспресс-методике.
Ниже представлен онлайн-калькулятор для быстрого расчета холодопроизводительности кондиционера. После выполнения расчета вы можете сохранить ссылку на него, чтобы поделиться ею с коллегами, клиентами, заказчиком или друзьями.
| Хочу такой же калькулятор себе на сайт | |
| Экспресс-методика расчета мощности кондиционера онлайн | |
|---|---|
| Тип помещения: | КвартираОфис |
| Площадь помещения: | м2 |
| Куда выходит окно в комнате: | На северНа востокНа югНа запад |
| Тип остекления: | ОбычноеПанорамное |
| Мощность кондиционера: | |
| Хочу такой же калькулятор себе на сайт | |
| Ссылка на этот расчет: Копировать |
Внешний вид и конструктивные особенности
Техническое устройство определяет параметры канального кондиционера. Внешний блок, как и у всех моделей сплит-систем монтируется снаружи на фасаде стены, — он предназначен для отвода тепла за пределы помещения. Также в нем производится сжатие газообразного фреона в жидкое состояние посредством компрессорной установки. Фреон является основным хладагентом.
Для монтажа внутреннего блока используется пространство над подвесным потолком или специально оборудованная ниша. Этот блок отвечает за подачу охлажденного воздуха в помещения. Конструкция внутреннего блока позволяет одновременное обслуживание нескольких комнат, например, двух соседних спален или офисов. Для этого используются специальные отводные каналы.
Перед описанием технических характеристик канальных кондиционеров, необходимо определиться со способом применения данного устройства. Для этого необходимо определиться со следующими вопросами:
- Воздух будет только охлаждаться или еще необходим его нагрев?
- Кондиционер будет частью приточно-вытяжной вентиляции или самостоятельной установкой?
Данные вопросы определят не только параметры необходимой модели, но и методику монтажа.
Принцип работы климатического агрегата
Центральные системы кондиционирования воздуха состоят из нескольких частей:
- Центральный кондиционер – многосекционный блок, осуществляющий забор и подготовку воздуха.
- Чиллер – холодильная установка, понижающая температуру хладагента (воды, гликолевой смеси).
- Фанкойл – теплообменник, установленный в помещениях для нагревания или охлаждения.
- Система воздуховодов – используется для перемещения воздушных масс.
Принцип работы центрального кондиционера:
- Функционирующие вентиляторы затягивают уличный воздух в систему.
- Выполняется очистка фильтрующими устройствами, удаляющая до 90% загрязнения и примесей.
- Подготовленная воздушная масса увлажняется или осушается до заданных параметров.
- По разветвленной системе воздуховодов кондиционированный воздух направляется в обслуживаемые помещения.
- Центральный кондиционер с рециркуляцией смешивает в различных пропорциях приточный и вытяжной воздух. Комбинация сокращает расход электроэнергии на обработку уличного воздуха.
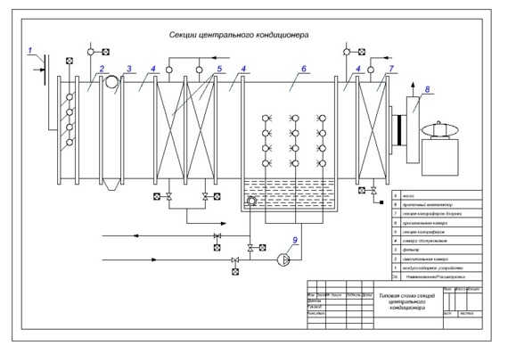
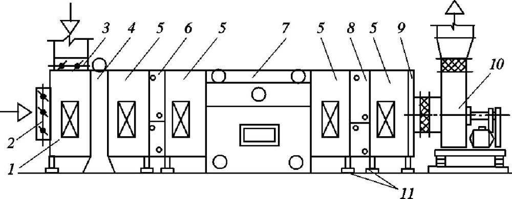
Конструкция системы
В общем корпусе центрального кондиционера размещены секции, исполняющие определенные функции. Их комплектация зависит от марки и типа оборудования. Стандартный набор модулей:
- Секция вентиляторов. Назначение – обеспечение забора атмосферного воздуха и подача в кондиционируемые зоны. Используются приборы центробежного типа.
- Секция охлаждения. Теплообменник, состоящий из медных трубок, по которым циркулирует вода или фреон. В первом случае внешним источником холода является чиллер. При использовании фреона в качестве хладагента модуль соединяется с компрессорно-конденсаторным блоком.
- Секция фильтрации. Функция модуля — очистка закачанного воздуха. В кондиционере задействованы две группы фильтров: первичные и вторичные. На начальном этапе происходит очистка устройствами класса EU1-EU3, удаляющими до 60 % пыли. Вторая ступень – использование фильтров тонкой очистки EU5-EU6, задерживающих 90% загрязнения. Улавливающие элементы монтируются на раме с уплотнителем. Центральные установки для кондиционирования воздуха оснащаются синтетическими гофрированными, мешочными, абсорбционными, дезодорирующими фильтрами.
- Секция нагрева. Конструктивно напоминает модуль охлаждения (состоит из трубок). Комплектуется водяным, паровым или электрическим нагревателем.
- Секция увлажнения. Модуль представляет собой пароувлажнитель или оросительную камеру с форсункой. Проходящий воздух насыщается мелкой водяной взвесью. После секции устанавливается каплеуловитель, предотвращающий попадание влаги в другие части оборудования.
- Секция шумопоглощения. Для снижения интенсивности шума установлены звукопоглощающие пластины. Они изготавливаются из нескольких слоев минеральной ваты или стекловолокна. Пластины приглушают работу вентиляторов.
Использование воздуха
По количеству используемого уличного воздухопотока центральные установки кондиционирования делятся на прямоточные, рециркуляционные, с частичной рециркуляцией.
Прямоточные
Отличаются использованием только наружного воздухопритока. Свежий поток забирается с улицы, проходит через систему фильтрации, дезодорирования, дезинфекции, увлажнения и т.д. По сети трубопроводов подается внутрь помещения в необходимом количестве. Применяется, когда повторное использование отработанного воздуха по определенным причинам невозможно:
- выделение токсичных паров от химических веществ, образование газов ядовитых жидкостей и т.д.;
- большое количество пыли, мелкодисперсной взвеси различных твердых веществ;
- болезнетворные бактерии, микроорганизмы, попадание которых в обработанный воздухопоток строго исключено;
- остаток в воздушных массах неприятных, резких запахов;
- испарения, выделение паров взрыво-, пожароопасных веществ.
Рециркуляционные
Представляют собой замкнутую сеть воздуховодов, по которой циркулирует один и тот же воздушный поток. Он забирается из помещения, очищается, осушается или увлажняется. Затем, обработанный, вновь поступает внутрь кондиционируемого пространства.
Использование рециркуляционной системы возможно, когда воздушные массы не насыщаются вредными, взрывоопасными парами, крупнодисперсной пылью, резкими запахами. Требуется лишь регуляция температурного, влажностного показателя. Свежий воздухоприток не требуется, либо компенсируется за счет других систем.
В случаях, когда невозможно обеспечить свежий приток, систему полной рециркуляции можно использовать при условии оснащения ее дополнительным оборудованием грубой очистки, более тонкой воздушной фильтрации. Это значительно увеличивает стоимость всей системы, что целесообразно только при невозможности установить другие варианты кондиционирования.
Чаще всего схемой полной рециркуляции оснащаются техпомещения с установленным производственным оборудованием, выделяющим большое количество тепла.
С частичной рециркуляцией
Предполагает одновременное использование наружного воздухопотока с рециркуляционным. Наиболее гибкая схема кондиционирования, которая может работать в трех режимах: прямоточном, полной рециркуляции, частичной рециркуляции в зависимости от требуемых показателей, качества наружного воздухопотока.
Применение подразумевает соблюдение некоторых условий:
- рециркулируемый воздухопоток не содержит вредных химических, токсичных испарений;
- объем вытяжного потока больше приточного;
- наружные воздушные массы по температурно-влажностным показателям должны приближаться к необходимым параметрам для притока. Иначе кондиционирование будет осуществляться по схеме полной рециркуляции с регулированием воздушного газового состава дополнительным оборудованием;
- минимальное количество свежего воздухопотока определяется санитарными нормами;
- степень добавления уличного воздушного потока зависит от его температуры, уровня влажности, которые должны максимально соответствовать требуемым параметрам.
Данные устройства делятся:
- центральные установки кондиционирования с первой рециркуляцией. Свежий воздух смешивается с рециркуляционным до камеры орошения. Это уменьшает расходы на обогрев, охлаждение подаваемого воздухопритока;
- центральные установки кондиционирования со второй рециркуляцией. Добавление уличного потока к рециркуляционному после камеры орошения.
Преимущества
Положительных возможностей у канальных кондиционеров много, все они будут перечислены далее. Но следует помнить, что ошибки в монтаже могут свести их на нет.
Обслуживание сразу нескольких помещений
Само назначение канальных кондиционеров заключается в том, чтобы кондиционировать воздух сразу в нескольких комнатах или помещениях в одном здании. Это осуществляется за счет прокладки отдельных воздуховодных магистралей от одного внутреннего блока. При этом нет необходимости монтировать в каждую комнату индивидуальный внутренний блок.
Скрытый монтаж
Снаружи остается только распределительная решетка, а весь корпус внутреннего блока будет скрыт за подшивным потолком. Это позволит не только сохранить полезное пространство, но и сохранить дизайн помещения.

Низкий шумовой показатель
Если монтаж осуществлен правильно, то внутренний блоки работают практически бесшумно при равномерном распределении воздуха. Диапазон шума можно сравнить с шепотом человека, который находится на удалении в 10 м.
Подмес свежего уличного
О данном преимуществе было сказано выше. Напомним, что многие модели способны добавлять к циркуляции до 30% свежего воздуха с улицы. Также система может быть совмещена с капитальной системой вентиляции, которой обеспечено помещение.
Цифровое и дистанционное управление
В заключение о преимуществах укажем, что управление данной системой осуществляется посредством дистанционного пульта. В некоторых случаях на стену монтируется выносной пульт. Цифровое оснащение позволяет «коннектить» кондиционер со смартфоном или планшетом.
Приточная вентиляция
- Input power — 115 W
- Input current — 0.874 A
- Air flow — max 979 m³/h
- Motor type — EC
Как я выбирал вентилятор:
- номинальный поток на квартиру планируется 200 м3 до 400 м3
- потери давления на фильтре тонкой очистки планировались от 75 до 250 Па
- общие потери на сети составляли около 150 Па
- итого мне нужно 400 м3 при внешнем давлении 400 Па
Ниже показана кривая производительности вентилятора от внешнего давления. Выбранная мной модель как раз укладывается в предельные характеристики.
Фото монтажа:
- перед вентилятором стоит фильтр грубой очистки и шумоглушитель
- после вентилятора стоит клапан, чтобы заглушить систему, и фильтр тонкой очистки
- далее стоит канальный подогреватель и еще один шумоглушитель
- в коридоре стоит еще один фильтр тонкой очистки для фильтрации воздуха в кондиционер (рециркуляция)
Расчет холодопроизводительности мультизональных систем и центральных кондиционеров
расположение центрального кондиционера
При покупке и установке многозональных систем кондиционирования в любом случае придется обратиться к представителям фирм климатической техники, так как сделать это самостоятельно невозможно
Что обычно берут во внимание при расчете мощности центральных кондиционеров или мульти-сплит систем? Это:
- установленная производителем наибольшая величина, при которой прибор может работать длительное время при максимальной нагрузке без перебоев;
- разрешенная мощность, которую позволяют потребителям присоединить к своим коммуникациям;
- максимальная длина и высота подъема трубопровода.
Из этих трех пунктов уже выводят суммарную мощность, с которой могут работать VRV или VRF установки.
Сначала в центральной системе кондиционирования всегда производят расчет мощности для каждого отдельного внутреннего модуля по принципу, описанному выше для сплит-систем или моноблоков, устанавливаемых в небольших помещениях. Здесь, соответственно, будет больший теплоприток от приборов, людей, стен, крыши и окон. Все зависит от конструкции здания, его назначения и напичканности техникой.
После уже подбирают внешние установки с учетом мощности всех внутренних блоков и абсолютным максимумом наружной температуры, который установлен производителем в технической документации. Если значения превышены в силу особенностей установки внешнего модуля, то используют защитные экраны и заслоны.
По выбранной мощности определяют рабочий ток и его максимальные рабочие значения с некоторым запасом. Это необходимо для подбора номинального значения автоматического выключателя. Защита должна сработать при превышении допустимых величин по давлению, току и другим параметрам.
Наличие и тип фильтров
Все кондиционеры оснащаются фильтром, который призван задерживать крупные частицы пыли, но дополнительно устройства могут иметь более совершенные фильтры для очистки воздуха.
Если вы страдаете от аллергии или в доме дети, то лучше выбрать кондиционер со штатным HEPA-фильтром, который способен улавливать частицы размером от 0,1 мкм. Реальная эффективность зависит от класса: например, HEPA 13 (класс 13 по EN 1822/DIN 24183) — задерживает до 99.95% частиц размером около 0,3 мкм, HEPA 14 — до 99,995% частиц размером около 0,3 мкм.
Если кондиционер планируете установить в помещение, где находится плита, то стоит отдать предпочтение устройству с дезодорирующим или антибактериальным фильтром. Такой вариант очистки позволит быстро и эффективно бороться с посторонними запахами, которые неизбежны в процессе приготовления пищи.
Если выбранное вами устройство имеет функцию ионизации воздуха, то это скорее плюс для кондиционера, чем минус. Воздух в помещении будет чище и свежее, но если ионизатора встроенного нет, то это не повод отказываться от конкретного кондиционера — это не та опция, без которой вам не прожить.
Нужен ли обогрев?
Определенно, да! Конечно, если у вас не автономная система отопления, которой вы можете управлять, как захотите. Кондиционер в режиме обогрева гораздо более экономичен по сравнению с любым типом электрического нагревателя. Правда, на него стоит рассчитывать только в межсезонье при температурах до -5°С. Если мороз сильнее, эффективность обогрева падает.
Обогрев есть не только у дорогих кондиционеров: например, модель STARWIND TAC-07CHSA/XAA1 с такой полезной функцией стоит около 20 000 руб. При этом справляется с помещением до 20 м2 и может работать даже на осушение.
Какие еще опции полезны?
У кондиционеров есть множество полезных опций, на которые тоже стоит обратить внимание. Вот лишь основные. . Инверторный двигатель
Работает тише, экономит до 30% энергии. Но модели с таким мотором дороже, а за счет экономии разница окупится в лучшем случае через несколько лет.
Инверторный двигатель. Работает тише, экономит до 30% энергии. Но модели с таким мотором дороже, а за счет экономии разница окупится в лучшем случае через несколько лет.
Управление со смартфона. Можно будет включать кондиционер, например, по дороге домой, чтобы к вашему приезду уже было прохладно.
Ночной режим. В нем снижается производительность, а вместе с ней и уровень шума от устройства. Так «» не будет мешать спать.
Режим вентиляции. Без охлаждения: воздух просто циркулирует по помещению. Полезно, если в помещении в целом нормальная температура, но душно.
Сплит-система или мобильный кондиционер
Абсолютное большинство современных кондиционеров на рынке представляют собой сплит-системы — то есть устройства, в которых разделены на два блока. Во внешнем, который монтируется за пределами помещения, располагаются самые шумные компоненты, что позволяет сделать внутренний модуль и компактнее, и тише. Кроме того, ряд систем поддерживает подключение нескольких внутренних модулей к одному внешнему.
Если же вы не готовы к установке постоянного кондиционера или есть особенности в архитектуре помещения, которые осложняют монтаж, можно выбрать мобильный кондиционер. Технически он представляет собой привычный кондиционер, только более компактный, объединяющий в одном корпусе все необходимые компоненты.
Такие устройства мобильны и не требуют вообще никакой установки — достаточно распаковать покупку и подключить ее к розетке. Правда, есть еще один существенный нюанс: нужно отводить воздух от горячего конденсатора (детали, которая обычно и занимает наружный блок). Для этого придумали воздуховод: его нужно вывести в окно или дверь. Но через щель в окне в комнату будет попадать горячий воздух! Поэтому для вывода используют вставки с отверстием: это может быть оргстекло или пластиковая шторка.
Соответственно, у мобильного кондиционера два основных минуса: шумность (поскольку внешний и наружный блок размещены в одном) и необходимость что-то придумывать с выводом воздуха.
Если коротко, то сплит-система подойдет для квартиры, если вам часто требуется охлаждение помещения, а мобильный кондиционер станет оптимальным выбором для дачи или квартиры, где жарко бывает лишь периодически.
Как рассчитать холодопроизводительность для кондиционера
Выбирая необходимый прибор нельзя не обойтись без некоторых расчетов. Так, многие агрегаты работают с максимальной холодопроизводительностью, превышающей показатель потребляемой мощности. Это касается техники, относящейся к классу «А» (высокий коэффициент энергоэффективности).
Чтобы вычислить производительность климат-системы нужны следующие параметры.
Приток воздуха
Приток воздуха в помещение осуществляется сквозь раскрытые окна либо систему вентилирования в стенах. При этом следует учитывать и показатель внутреннего теплового воздействия, складывающегося из суммы выделяемого тепла от человеческих тел и от бытовых приборов.
Q (кВт) = Q1 + Q2 + Q3
Q (кВт) – общий показатель внутреннего теплового воздействия;
Q1 – количество тепла, идущего с потолка, пола, окон и стен;
Q2 – тепло человеческих тел;
Q3 – тепло от бытовых приборов.
При произведении подсчетов следует брать во внимание уровень освещенности комнаты «q». Этот показатель имеет разные значения:. Этот показатель имеет разные значения:
Этот показатель имеет разные значения:
- 30 (слабоосвещенные помещения);
- 35 (среднеосвещенные помещения);
- 40 (сильноосвещенные солнцем помещения).
Чтобы рассчитать внутреннее тепловое воздействие человеческих тел «Q2», следует учитывать следующие параметры:
- 0,1 кВт (низкая физическая активность).
- 0,13 кВт (средняя физической активность).
- 0,2 кВт (высокая физическая активность).
В результате, банальное умножение активности постоянных жителей помещения на их количество позволит вычислить общее поступление тепла.
Также, не лишним будет учет тепла, выделяемого бытовой техникой. В зависимости от агрегата будет изменяться и выделяемое им количество тепловой энергии. Из таблицы видно, сколько тепловых поступлений выделяет каждый из приборов.
| Телевизор | Компьютер | Холодильник | |
| Количество выделяемого тепла | 0,2кВт | 0,3кВт | 30% от максимального значения мощности. |
Когда в одной комнате одновременно работают и компьютер, и телевизор, количество их тепловых поступлений следует суммировать. При работе же одного из них необходимо учитывать агрегат с максимальным тепловым поступлением.
В комнатах, находящихся на верхних этажах, температура всегда несколько выше, чем в помещениях, расположенных на нижних ярусах. Причиной этому является близкое расположение крыши, от которой происходит нагревание воздуха в комнате. Тогда, для произведения расчетов следует использовать эту формулу
Q = (S*h*q)1000
Здесь появляются новые значения:
«S» – площадь комнаты;
«h» – высота потолков;
«q» – показатель освещения комнаты.
Жаркий климат
Для людей, проживающих в условиях жаркого климата, расчет мощности системы кондиционирования очень важен. Ведь от его мощности зависит общая внутренняя температура всей комнаты, где одновременно может находиться около 10 человек.
Для комфортного их пребывания необходимо приобретать кондиционеры, имеющие функции максимальной холодопроизводительности. Такой параметр поможет создать благоприятную температуру внутри даже в самый жаркий день.
Большие окна
Величина оконных проемов имеет не маловажное значение при расчете необходимой мощности системы кондиционирования. При учете данного параметра следует рассчитать их общую площадь с уровнем освещенности описанной выше. Если окна расположена на южной стороне, солнечного тепла здесь в любое время года будет с избытком
При размещении оконных проемов на северных сторонах здания, проницаемое через них количество тепловой энергии будет не значительным
Если окна расположена на южной стороне, солнечного тепла здесь в любое время года будет с избытком. При размещении оконных проемов на северных сторонах здания, проницаемое через них количество тепловой энергии будет не значительным.




































