Зачем нужны
Когда этап необходимого пройден, мы начинаем заниматься тем, что делает нашу жизнь проще и удобнее. Та же история случилась и с простыми выключателями. Есть множество различных ситуаций, когда можно пожалеть, что есть только один выключатель.

Самый простой пример – спальня. Заходите вы к себе в спальню, ночь, вы уже готовы ко сну, и для того, чтоб лечь спать, нужно сначала выключить свет, после чего по темноте идти к кровати. Да, никто не отменял вариант со светильником возле кровати, но в таком случае нужно сначала включить свет в комнате, потом подойти к кровати и включить светильник, затем вернуться и выключить свет в комнате, и только после этого пойти и лечь в кровать.

На самом деле ничего сложного, а когда вырабатывается привычка, то и вовсе перестаешь замечать. Но изо дня в день, год за годом, это огромнейшее количество лишних движений.








Схема подключения на две лампочки
Самостоятельная коммутация осветительных приборов из разных точек основана на сборке схемы с применением устройств, представленных:
- проходным переключателем;
- перекрестным переключателем;
- двухклавишным переключателем проходного типа;
- двухклавишным переключателем перекрёстного типа.

Схема подключения двухклавишного выключателя на две лампочки
Применение одного проходного переключателя позволяет осуществлять переключение света между парой ламп, а также включать и выключать всего один источник освещения.
Подключение одноклавишного выключателя
Монтажные работы при использовании одноклавишных выключателей начинаются с разметки под установку распределительного короба. Коробку нужно монтировать под потолком, на одинаковом расстоянии от выключателей. От щитка к коробу проводится «ноль» и «фаза», после чего от распределителя до места установки выключателя прокладывается штроба под укладку трёхжильного кабеля. Перфоратором и специальной насадкой в стене проделывается углубление для установки подрозетника, который фиксируется гипсовой шпаклёвкой.

Подключение двух одноклавишных переключателей
Внутрь подрозетника заводится кабель, одна из жил которого подключается к фазе и входу на арматурный электрический элемент, а пара других – на выход выключателя, и в коробку-распределитель, где выполняется соединение с выходами на втором выключателе.
На заключительном этапе подключения входной провод от второго выключателя заводится на элементы осветительного прибора. В результате такого монтажа, включение светильника обеспечивается одновременным подключением в единый контур пары выключателей.
Подключение одноклавишного выключателя позволяет задействовать все электротехнические приборы для включения освещения и его отключения.
Подключение двухклавишного выключателя
Самостоятельное выполнение установки двухклавишного выключателя отличается от монтажа одноклавишной конструкции только количеством кабельных жил, подводимых к устройству, а также количеством клавиш. Процесс подключения двухклавишных проходных элементов требует заведения пяти отдельных кабельных жил на первую конструкцию, и шести жил кабеля – на второе устройство.
На первый выключатель запитывается фаза. Подключение фазного провода осуществляется к паре клемм или одному контакту на вход. Группа на выход, как правило, представлена четырьмя клеммами, поэтому подключение выполняется по типу «кабельная жила – провод».

Схема подключения двухклавишного выключателя
Все подключаемые жилы должны подводиться к распределительной коробке, где выполняется подсоединение к четырём клеммам на входе второй конструкции.
В процессе подключения необходимо правильно распределить все пары электрических проводов
Очень важно пару кабельных жил от первого выключателя подсоединить к двум жилам второго арматурного элемента, используемого для включения осветительного прибора
Пара выходов на втором подключаемом выключателе последовательно подсоединяется на отдельный осветительный прибор, и именно эти электрические провода отвечают за питание «фазы».
Подсоединение двухклавишного выключателя: подготовительные работы
Стоит отметить, что перед тем, как подключить выключатель света, который является двойным, нужно проложить электропроводку. Если дом только строится и в нем проводится скрытый монтаж проводки, то сложностей нет. Саму проводку устанавливают еще до того, как наносится штукатурка.
После этого надо подключить сам выключатель и светильники к проводке. Прокладка всех проводов осуществляется согласно схеме (см. ниже).
Двухклавишный выключатель предназначен для включения и выключения из одного места двух электроприборов или управления отдельными секциями одного прибора.
Чаще всего такие выключатели используются для переключения режимов работы люстры: каждая из двух клавиш включает одну из двух групп ламп, а при включении обеих клавиш подключается полностью вся люстра.
Используя такой выключатель, можно контролировать освещенность помещения. Также применение выключателя света с двумя клавишами пригодится для включения освещения раздельных ванной комнаты и туалета.
Схему подключения проходного выключателя на две лампы составить на самом деле не так сложно, как может показаться на первый взгляд. Если это частный дом, подключить двойной выключатель света будет удобно для освещения улицы при выходе. Если есть возможность использовать осветительный прибор с двухклавишным выключателем на балконе, там наличие устройства будет тоже уместно.
В каждой из групп может быть разное количество лампочек – это может быть как одна, так десять и более ламп. Но двухклавишный выключатель может управлять лишь двумя группами ламп.
Понятно, что если планируется осуществить открытый монтаж проводки, то каждый кабель, который надо подключить к двухклавишному выключателю и светильнику, прокладывается в отдельных кабель-каналах или гофротрубах.
Если же проводка в доме используется в течение многих лет, и действующие электропровода не подходят, то их нужно будет заменить. В том случае, если они были смонтированы открытым способом, проблем не возникнет. Если же они были скрыты под штукатуркой, придется делать новые штробы и прокладывать новые кабели. После размещения кабелей на своих местах, приступают к их подключению.
Перед началом работ по замене электропроводки в квартире или частном доме и монтажу двухклавишного выключателя в целях безопасности следует полностью отключить электроснабжение.
Для этого достаточно будет отключить автоматический переключатель, который стоит в начале цепи, предназначенной для подачи тока к осветительным приборам.
И так, когда все подготовительные работы сделаны и провода размещаены согласно схеме, можно приступать к подключению двухклавишного выключателя.
Как подключить выключатель с двумя клавишами
Управление освещением
В зависимости от типа предпочтительной системы освещения, осуществляется подключение проводки разными способами. Несмотря на то, что конструктивные особенности всех стандартных проходных выключателей однотипны, существует несколько отличий в схеме подключения системы с управлением двух и трёх мест.
Прежде чем приступить к самостоятельному монтажу, обязательно нужно отключить подачу электрической энергии, что продиктовано правилами безопасности.
Управление с 2х мест
Управление светом с двух мест часто бывает очень удобным решением.
Такой способ организации управления осветительными приборами чаще всего применяется при необходимости контролировать процесс включения/выключения источников света не только из самого помещения, но и из примыкающих комнат.
В этом случае, как правило, отдаётся предпочтение установке коммутационных аппаратов с целью управления пары групп потребителей:
- тщательное удаление декоративных покрытий в зоне выполнения проводки;
- нанесение разметки предполагаемой линии проведения проводки;
- штробление по выполненной разметке, начиная от щитка с учетом свободного расстояния до верхней кромки кабель-канала размерами ½ диаметра укладываемых проводов;
- проверка горизонтальности выполненных линий;
- укладка электрического кабеля. Вполне возможно выполнять фиксацию уложенных электрических проводов специальными крепежами без повреждения защитной оболочки;
- установка переключателей и распределительных коробки;
- подсоединение проложенных электрических проводников к клеммам в соответствии с цветовой маркировкой.

Схема управления освещением с двух мест
Собранная проводка вставляется в специальные монтажные коробки, после чего выполняется их надежная и долговечная фиксация встроенными выдвижными механизмами с заостренными элементами.
Только после того, как будет проведено тестирование и подтверждена работоспособность всей осветительной системы, осуществляется цементирование кабель-каналов, отделка стеновых поверхностей и установка рамок.
Управление с 3х мест
Самостоятельное обустройство управления с трёх мест – более сложная система, способная вызывать некоторые сложности у неподготовленных монтажников. Наиболее распространенной является электрическая схема, выполняемая на основе одного перекрестного и пары проходных переключателей.
Технология проведения работ:
- предварительная подготовка штроб для прокладки электрических кабелей при помощи перфоратора;
- укладка электрических кабелей оптимального сечения 2,5 мм2 и более;
- подключение проводов к электрическому щитку;
- выбрать оптимальную, комфортную для эксплуатации коммутационного аппарата высоту расположения для монтажа выключателя;
- проштробить в соответствии с заранее выполненной отметкой отверстие, которое по ширине и глубине в полтора раза больше, чем диаметр устанавливаемого устройства;
- электрическая проводка подводится к переключательному устройству снизу, поэтому штроба обязательно выполняется на 50-100 см ниже, чем точка монтажа выключателя;
- укладка электрических проводов в подготовленные штробы с фиксацией элементов проводки при помощи маленьких специальных гвоздей;
- заведение зафиксированных в каналах электрических проводов в установочную коробку;
- обрезка проводов внутри монтажной коробки до длины 10-11 см при помощи бокорезов;
- удаление с проводов примерно 10-15 см изоляционного слоя;
- установка проходного переключающего устройства (выключателя) с подключением к клеммам, согласно их маркировки;
- установка перекрестного переключающего устройства с подводкой четырёх электрических кабелей соответствующей цветовой маркировки;
- подсоединение к верхним клеммам первой пары электрических кабелей от проходного переключателя, а оставшиеся два провода фиксируются на нижние клеммы;
- подсоединение последнего переключательного устройства при помощи проводов, идущих от коммуникационного перекрестного аппарата.

Подключение с трех мест
На заключительном этапе необходимо осторожно вставить механизмы приборов внутрь всех выполненных монтажных коробок, подогнув кабели к их основанию. Затем осуществляется фиксация устройств посредством специальных крепежей внутри монтажной коробки или «лапок» на зажимах
Далее прикладывается рамка, а затем монтируются клавиши переключательного устройства.

Проводка при управлении лампой из трех мест
Завершением самостоятельного монтажа выключателя для контроля системы освещения из трех разных точек является соединение осветительных приборов с электрическим кабелями, идущими от распределительной коробки, с проверкой работоспособности схемы и последующей декоративной отделкой.
Одноклавишный проходной выключатель
Одноклавишный проходной выключатель имеет два положения переключения и,соответственно, три контакта. Режим переключения — «перекидного характера»: один контакт должен быть общим для двух других. В одном положении замыкается с одним из них, а в другом положении- с другим.
В обычном выключателе замыкатель соединяет два контакта. Контакты замкнуты-свет горит.Контакты разомкнуты -лампочка не включена.
А в одноклавишном проходном выключателе один контакт на вход,а два других контакта-на выход.И переключая эти два контакта,можно включать или выключать источник света,вне зависимости от того,в каком положении будут контакты на втором проходном выключателе.
Поэтому,схема проходного выключателя для подключения к светильнику будет немножко другая.
Проходные выключатели бывают еще двойные. Двухклавишный -имеет двойное количество клемм. Не три,как в одноклавишном,а -шесть контактов.
Схема подключения двух проходных выключателей не сложная,если ее понять.
Схема подключения проводов двух проходных выключателей
Монтаж нужно осуществить по схеме,на которой видно, что нулевой провод нужно вести от источника электропитания к распределительной коробке и далее- на лампу или сразу на лампу без установки коробки. Фазный провод подсоединить к общему контакту одного из проходных выключателей. Два контакта одного из выключателей необходимо соединить с двумя контактами другого (можно через распределительную коробку). С общего контакта второго выключателя фазу нужно подать на второй контакт лампы.
Желательно использовать трехжильный кабель. Или три одножильных провода.
Как данную схему можно приспособить для освещения бани? Один из выключателей устанавливаете в бане, а другой -в доме. При нажатии на клавишу выключателя, контакт перебрасывается с одного на другой. И вне зависимости от того, в каком положении находились контакты второго выключателя, первым можно, как включить освещение, так и выключить. То же самое будет происходить и со вторым выключателем.
То есть, если перед тем, как пойти в баню, включить освещение, а после того, как вернулись из бани, можно выключить освещение вторым выключателем, установленным в доме.
Очень даже удобно и комфортно.
Как подсоединить проходные выключатели в трех точках доступа управления освещением
Как подсоединить проходные выключатели уже разобрали выше(какими проводами к каким контактам). Такое,управляемое подключение можно сделать к светильнику из 3,4,5 мест и более.
Тогда на первой и последней точках устанавливаются одноклавишные проходные выключатели, а между ними — двойные и перекрестные выключатели. При увеличении точек управления придется использовать гораздо большее количество проводов. В этом вся сложность.
А если несколько светильников? То что? А сколько светильников,столько схем подключения.
Подключение проходного выключателя со схемой управления из двух точек
Этот вид подключения является наиболее простым и не вызывает каких-либо трудностей.
От схемы обычного подключения выключателя его отличает всего два нюанса:
- конструкция этого выключателя. Он не имеет нейтрального положения «Выключено». Электрический ток направлен либо на одну клемму, либо на другую. Во время перенаправления электрического тока, происходит замыкание или, наоборот, размыкание одной из схем работы данной системы, отключение осветительных приборов происходит при разных положениях двух проходных выключателей;
- количество проводов, используемых при подсоединение проходных выключателей. В схеме подсоединения одинарного выключателя применяют два электропровода, представляющие собой разорванную цепь. А при подсоединение проходного выключателя к нему подводятся три электропровода. Два из них- перемычки между двумя маршевыми выключателями, а третий служит для одного провода подачей фазы, а для второго выходом фазы, которая идет на прибор освещения.

При подключение, многих вводит в заблуждение дополнительный элемент схемы – коммутационная коробка. При монтаже электропроводки, соблюдая все правила, от нее не получится избавиться. Для понимания принципа коммутации следует схему подключения проходного выключателя разделяют на две части (строго пополам каждый провод), а затем скрутить снова используя изоляционную ленту.

Схема подсоединения проходного выключателя из трех мест
Проходной выключатель схема подключения из трех мест несильно отличается от выше написанного способа подключения. Разница состоит в использование третьего устройства, которое имеет отличия в конструкции от стандартных маршевых выключателей. Данное устройство называется «перекрестным выключателем». Оно дает возможность использовать при управлении светом одновременно три схемы.
Оно служит транзитным устройством, которое не влияет на работу двух других маршевых выключателей, одновременно самостоятельно замыкая и размыкая цепь освещения независимо от двух других выключателей.

От проходного выключателя данный прибор отличается тем, что имеет пять, а не три клеммы подключения: две клеммы нужны для подсоединения к первому проходному выключателю, еще две клеммы для подсоединения ко второму маршевому устройству, пятая — транзитная.
Именно пятая (транзитная) клемма делает возможным управление освещением сразу из трех мест. Обычно пятую клемму монтируют перемычкой с третьей клеммой устройства.
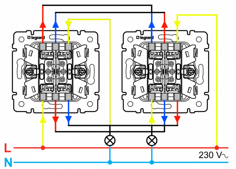
Две группы светильников. Двухклавишный проходной выключатель
Схема подключения такого типа проходного выключателя производится тем же способом, что и одноклавишного проходного светильника.

Только нужно иметь ввиду несколько нюансов:
- Это два одинарных проходных выключателя, которые установлены в один корпус;
- На две одинаковые части первого переключателя, электроэнергия подается одним проводом (две клеммы его частей соединены перемычкой). Второй выключатель, осуществляет само подключение осветительного прибора к системе, каждая из его выходящих фаз идет на свой прибор освещения;
- Количество электрических проводов. При монтаже одинарного проходного выключателя прокладывают три провода к каждому из устройств, а при монтаже двухклавишного протягивают пять жил к первому и шесть ко второму устройству. Это различие обусловлено наличием на первом выключателе одной общей входящей фазы, а на втором двух выходящих фаз на разные осветительные приборы.

Схема подключения — проходной выключатель
После прочтения предложенной статьи, вы с легкостью поймете принцип устройства, работу и сможете самостоятельно смонтировать проходной выключатель к осветительным приборам по схеме подключения. Для вас уже не составит особой трудности установка проходных выключателей с различным количеством клавиш. Вы сможете самостоятельно сделать свое пребывание в жилом помещение более комфортным и приятным. Сможете самостоятельно строить довольно сложные схемы проходных переключателей, которые позволят управлять освещением из различных мест помещения. Хотя, как правило, в повседневной жизни хватает и управления освещением с трех мест помещения.
Схема подключения проходного выключателя
Если в проходном помещении используется два светильника или две группы светильников и надо включать, либо один из них, либо одну группу, либо все сразу в начале и в конце маршрута через эту комнату устанавливаются два двухклавишных выключателя. Пример такой схемы показан на изображении далее.

Из схемы, очевидно, что каждый из пары контактов обеих выключателей может управляться отдельно и его всегда можно установить в такое положение, при котором замкнётся электрическая цепь соответствующей группы светильников (лампочек). Точно так же как с одной стороны можно включить свет в одном из трёх вариантов светильников с другой стороны их так же можно и выключить. Но если маршрут проходит через два помещения, такая схема тоже удобна для управления двумя группами светильников.
Первая группа устанавливается в первой комнате или на первом этаже. А вторая группа располагается на втором этаже или во втором помещении. При входе только в первую комнату и, не проходя далее неё, включается только первая группа светильников. Если же надо идти дальше включается всё освещение, как в первом, так и во втором помещениях. И уже находясь во второй комнате можно отключить свет либо полностью, либо только в первом помещении. Более наглядное представление и лучшее понимание работы схемы можно получить из изображения с двумя эскизами двухклавишных выключателей. Они обеспечивают управление двумя нагрузками из двух мест.
Однако такая схема с двумя двухклавишными выключателями не экономична. При следовании через две комнаты понадобится сразу включить свет в этих комнатах. Получается, что во второй комнате свет уже горит, а человек туда ещё не пришёл. Для такого случая рациональнее использовать двухклавишный выключатель расположенный посредине маршрута возле двери между первым и вторым помещениями. А на входе в первую и во второй комнате в удобном для управления светильниками месте устанавливается одноклавишный выключатель. Схема получается такой, как и на уже показанном выше изображении с той разницей, что второй двухклавишное устройство разделяется на два одноклавишных, и они устанавливаются в разных местах.
Но при этом получается более экономичная схема управления, которая даёт возможность включать и выключать освещения сразу при входе в помещение и при выходе из него. По схеме, очевидно, что проходной выключатель содержит переключающие контакты. То есть не каждый из выключателей пригоден для использования в качестве проходного. Ведь для управления светильниками в комнате достаточно выключателя с двумя клеммами на контакте. А для проходного варианта необходимы три клеммы на один контакт. Поэтому двухклавишный выключатель имеет 6 клемм и два контакта – по три клеммы на каждый.
Подключение проходного выключателя может вызвать затруднение только по причине большого числа проводов. Но если внимательно соединять предварительно маркированные концы проводов своими руками можно избежать ошибок в монтаже такой схемы.
Как выглядит проходной выключатель с 2 и более мест?
Это минимальное количество устройств, которое можно подключить к системе, чтобы пользователь мог включать или выключать один светильник. На практике такие приспособления используются для того, чтобы включить освещение в одной точке, пройти с комфортом определенный участок и выключить свет в другой точке, не возвращаясь назад.
Пример устройства разводки для жилого помещения из категории стандартных проектов.
Однако проекты на управляющих точек применяются достаточно активно. При последующем переключении любого из выключателей, в произвольном порядке, светильник будет то выключаться, то включаться. Как уже было сказано выше, при отсутствии схемы контакты лучше вызвонить при разных положениях клавиши.
Именно поэтому возникает вопрос, как сделать возможным включение лампочки сразу с двух и более мест? Поделиться с друзьями: Вам также может быть интересно. Рассмотрим принцип действия данных устройств согласно следующему фото: В данной схеме смонтировано: источник питания В фаза и ноль ; распределительная коробка, в которой выполняется коммутация; 2 группы цепей освещения для примера это может быть люстра и светодиодная подсветка в зале или комнате. Схема управления двумя отдельными светильниками из четырех точек Как мы уже заметили, схему управления освещением можно наращивать бесконечно.
Конечно, дополнительный провод можно проложить в кабель-канале или воспользоваться полостью в пластиковом плинтусе. Что касается дешевых китайских выключателей, то в основном, подобной схемы нет, поэтому приходится концы вызванивать прибором. Автоматическое выключение света при выходе из определенной зоны можно организовать с помощью таймеров, или датчиков, фиксирующих перемещение.
Подключение проходного выключателя
Отличия — в количестве контактов Работает выключатель следующим образом: при переключении клавишей вход подключается к одному из выходов. Соединены все нейтральные и все защитные провода с двумя отдельными разъемами. Многоэлементные схемы, конечно, малоприменимы для жилого частного сектора, так как проекты подобного рода редко имеют длинные коридоры или комнаты значительной площади на несколько дверей. Обзор производителей проходных выключателей: популярные модели Прежде чем купить проходной выключатель, стоит познакомиться с ведущими производителями, которые выпускают наиболее качественные изделия. Рассмотрим далее, какова должна быть схема подключения проходного выключателя с 2-х мест, поскольку это считается наиболее распространенным вариантом выполнения систем освещения в домах, квартирах или офисах.
В таких ситуациях возникает необходимость управления освещением с двух мест, именно для решения таких задач и предназначены так называемые проходные выключатели. Решение исполнено с учётом разводки кабеля с проводником заземления PE. В данном случае речь идет о включении в цепь перекрестного переключателя, выступающего в роли дополнительного звена. В таком случае можно будет воспользоваться схемой подключения проходных выключателей на 4 точки. После нажатия на первую кнопку, лампочка погаснет.
В распределительной коробке соединяем соответствующие провода обоих выключателей. При таком решении уже реально проходить длинный коридор до половины пути, выключать освещение на пройденной половине и включать свет на участке оставшейся половины. Обзор производителей проходных выключателей: популярные модели Прежде чем купить проходной выключатель, стоит познакомиться с ведущими производителями, которые выпускают наиболее качественные изделия. Промежуточного положения в данном случае не предусматривается. Параллельный переключатель в отличие от проходного содержит целых 5 контактов, которые и обеспечивают более сложную схему управления освещением, имеющую гораздо большее количество вариантов.
Как подключить проходной выключатель
https://youtube.com/watch?v=3yLQJbjN8Eo
Способ №1. Двухклавишный переключатель
Данный метод позволяет получить проходные выключатели из обычных двухклавишных моделей. Это особенно удобно, если вы не хотите тратить время на сложные изменения их конструкции или у вас нет соответствующего инструмента.

Рис. 2. Двухклавишная модель проходного выключателя
Для реализации этой модели проходного выключателя вам потребуется два двухклавишных устройства, соединительные провода и источник освещения.
Собрав все необходимое, выполните такую последовательность действий:
- Отключите напряжение на щитке при помощи автоматического выключателя – это предотвратит поражение электротоком при монтажных работах. Будет надежнее, если одновременно вы отключите и нулевой и фазный проводник для соответствующего светильника.
- Подключите первый из двухклавишных переключателей к фазному проводу трехжильного кабеля. Для этого отпустите клемму на выключателе и заведите туда жилу. Зажимается жила до получения надежного контакта с минимальным сопротивлением электрическому току.
- К каждому из выходных контактов также подключите по проводу. Далее проведите их к выходным контактам второго двухклавишного выключателя.
- От вводной клеммы второго коммутатора отведите провод к прибору освещения.
Если система освещения проводится в рамках капитального ремонта и замены всех светильников и приборов в доме, то для разводки электропитания штробятся стены. В противном случае можно обойтись наружной прокладкой в кабельном канале. В случае большой протяженности между точками переключения, проводку лучше выполнять трехжильным кабелем. Так как для промежуточного соединения проводов оптимально расходуется три провода.
В противном случае логика схемы нарушиться и в следующий раз вам попросту не удастся отключить лампочку. Поэтому если другие домочадцы могут халатно относиться к подобным переключениям, лучше переделать конструкцию устройства на одноклавишный вариант.
Как подключить люстру
Подключение различных люстр возможно к различным же выключателям:
- одноклавишным;
- и двухклавишным.
Подключение через выключатель с одной клавишей

Самая простая схема подключения люстры — это когда из отверстия в потолке выходит проводная пара. Процесс подключения тогда предельно прост: провода соединяются меж собой попарно, и все. Даже последовательность такого соединения не важна. То есть синий ноль-провод в распределительной коробке напрямую подсоединяется к ноль-проводу, но уже в люстре. А коричневого цвета фаза-провод от источника питания все в той же распределительной коробке идет сначала на выключатель, а затем к точно такому фаза-проводу, но уже в светильнике (люстре).
Соединять провода надо с использованием винтовых клеммовых зажимов. Скрутить проводную пару можно и пассатижами, но обязательно нужно будет изолировать концы проводов при помощи специальных колпачков. Таковы обязательные требования техники безопасности.
А вот изоленту (или ПХВ-ленту), которой многие привыкли «заматывать» провода, лучше не использовать. Она точно рассохнется со временем, и, естественно, пострадает качество выполненной изоляции.
В люстрах определенной конструкции не предусмотрено предварительного объединения ламп, и тогда проводные пары идут от каждой из лампочек.
Когда люстра больше, чем в одну лампу, с ее подключением не бывает проблем. Ноль-провода люстры собираются, соединяются и потом подключаются к сетевому ноль-проводу. То же самое и с фазами, но они от выключателя подключаются к фаза-проводу.
Процесс подключения — это скручивание одноцветных проводов. А затем получившиеся скрутки соединяются с проводами, направляющимися по потолку к одноклавишному выключателю.
Видео-инструкция по подключению одноклавишного выключателя представлена ниже:
Подключение через выключатель с двумя клавишами
Начнем с того, что практически вся проводка в городских квартирах или загородных особняках теперь выполняется именно с использованием трехжильного кабеля, в котором находятся провода в разноцветных оплетках. А к монтажному месту любой люстры подходят также три разноцветных провода от двухклавишного выключателя. И сначала необходимо определить, каково назначение каждого из этих проводов.
Понятно, что один — ноль-провод, и он общий для всего комплекта светильниковых ламп. А два других — фазные, проходящие через разные клавиши выключателя.
Сегодня не существует, к большому сожалению, четкой цветовой электросхемы, которой бы придерживались все электромонтажники. Поэтому и провода разных фирм оплетены по-разному. Значит, перед тем, как соединять имеющиеся провода, надо четко выяснить их назначение. Сделать это можно с помощью специального индикатора (или индикаторной отвертки – тоже хороший инструмент). И обязательно при включенных клавишах выключателя. Там, где индикатор обнаружит напряжение, будет фаза, где нет — нулевой проводник.
Если в доме не найдется индикатора, процесс незначительно, но усложнится. Придется обесточивать помещение полностью, разбирать выключатель. Точнее, достаточно будет только снять с него крышку, чтобы увидеть, какого цвета и от какой клавиши провод идет непосредственно к люстре. Нулевой проводник, естественно, не проходит ни через какие клавиши.
В принципе, подключение люстры через двухклавишный выключатель похоже на процесс ее подключения и через одноклавишный. Различие лишь в том, что фазные ламповые проводники делятся на 2 секции. И по одной скрутке от каждой ламповой группы подключаются (вместе) к ноль-проводнику. Оставшаяся пара скруток подсоединяется (по отдельности) к оставшейся паре проводов.
Подключение люстры к двойному выключателю дает пользователю возможность регулировать освещенность помещения, зажигая лампы светильника ступенчато.
Краткая видео-инструкция по подключению двухклавишного выключателя приведена ниже:
Несколько люстр на одном выключателе

Возможен и такой вариант освещения жилых и коммерческих помещений. Он идеален там, где одновременно приходится включать несколько осветительных приборов в одной или сразу нескольких комнатах.
Подключение выполняется следующим образом: люстры (или группа светодиодных/галогенных ламп (если галогенных, то с установкой понижающего трансформатора)) подключаются параллельным соединением. При этом каждый из светильников:
- подключен к выключателю через отдельную распределительную коробку;
- или размещение происходит в единой распределительной коробке.
Все зависит от того, какая будет выбрана схема электрической проводки.

























































