Изготовление накопителей тепла в заводских условиях
Если вы всерьез озаботились темой установки в собственном доме теплоаккумулятора, сделанного своими руками, то для начала не помешает ознакомиться с заводской технологией сборки этих изделий.

Резка на плазменном аппарате заготовок для крышки и дна
Повторить ее самому в условиях домашней мастерской нереально, но некоторые приемы вам пригодятся. На предприятии бак – аккумулятор горячей воды делается в виде цилиндра с полусферическим дном и крышкой в такой последовательности:
- Листовой металл толщиной 3 мм подается на аппарат плазменной резки, где их него получают заготовки торцевых крышек, корпуса, люка и подставки.
- На токарном станке изготавливаются основные штуцера диаметром 40 или 50 мм (резьба 1.5 и 2”) и погружные гильзы для приборов контроля. Там же вытачивается большой фланец для ревизионного люка размером около 20 см. К последнему приваривается патрубок для врезки в корпус.
- Заготовка корпуса (так называемая обечайка) в виде листа с отверстиями под штуцеры направляется на вальцы, изгибающие ее под определенным радиусом. Чтобы получить цилиндрическую емкость для воды, остается лишь сварить торцы заготовки встык.
- Из металлических плоских кругов гидравлический пресс штампует полусферы.
- Следующая операция – сварочные работы. Порядок такой: сначала на прихватках варится корпус, потом к нему прихватываются крышки, затем идет сплошная проварка всех швов. В конце присоединяются штуцеры и ревизионный люк.
- Готовый накопительный бак сваривается с подставкой, после чего проходит 2 проверки на проницаемость – воздушную и гидравлическую. Последняя производится давлением 8 Бар, испытание длится 24 часа.
- Испытанный резервуар окрашивается и утепляется базальтовым волокном толщиной не менее 50 мм. Сверху изделие облицовывается тонколистовой сталью с полимерной окраской либо закрывается плотным чехлом.

Корпус выгибается из листа железа на вальцах
Справка. Для утепления бака производители используют разные материалы. К примеру, теплоаккумуляторы «Прометей» российского производства изолированы пенополиуретаном.

Вместо облицовки производители нередко применяют специальный чехол (можно выбрать цвет)
Большинство заводских аккумуляторов тепла для систем отопления рассчитаны на максимальное давление 6 Бар при температуре теплоносителя 90 °С. Это значение вдвое превышает порог срабатывания предохранительного клапана, устанавливаемого на группу безопасности твердотопливных и газовых котлов (предел — 3 Бар). Детально производственный процесс показан на видео:
Как подключить
Человек, который много раз сталкивался с устройством систем отопления, без труда должен изготовить тепловой аккумулятор своими руками и произвести дальнейшее подключение. Не должна составить особой сложности подобная работа и для новичка.
Словами схему подключения можно описать следующим образом:
- Транзитом сквозь весь бак должен проходить по тепловому аккумулятору обратный трубопровод, на его концах должны быть предусмотрены полуторадюймовый вход и выход
- Вначале между собой соединяются обратка котла и бак. Между ними должен размещаться циркуляционный насос, гонящий воду из бочки в отсекающий кран, расширительный бак и отопительный прибор
- Циркуляционный насос и отсекающий кран также монтируют со второй стороны
- Соединять подающий трубопровод необходимо по аналогии с предыдущим, однако теперь тепловые насосы не устанавливаются
Стоит отметить, что подобным образом подключается теплоаккумулятор к отопительной системе, работающей на базе всего одного котла. Если их количество увеличивается, схема значительно усложнится.
Емкость должна дополнительно оснащаться термометром, датчиками давления внутри и взрывным клапаном. Накапливая постоянно тепло, бочка может со временем перегреться. Чтобы не допустить взрыва, необходимо сбрасывать периодически избыточное давление.
Теплоаккумулятор и разные виды отопительных систем
Устанавливать тепловой аккумулятор можно совместно с различными отопительными системами. Взаимодействуя с каждой из них, он предоставляет ряд преимуществ и быстро окупается.
Наиболее распространены теплоаккумуляторы, установленные совместно отопительным оборудованием, работающем на твердом топливе, у которых количество остатков минимально. Доведя КПД до максимально-возможного, они очень быстро разогревают отопительные радиаторы, которые вскоре изнашиваются. Часть вырабатываемой энергии лучше копить и воспользоваться, когда в ней действительно возникнет потребность.
Двукратный ночной тариф за электроэнергию – проблема для владельцев электрических отопительных котлов. Таким образом в дневное время теплоаккумулятор будет накапливать в себе тепло по более выгодной стоимости, а в ночное – отдавать его отопительной системе.
Применяются подобные установки в многоконтурных системах, распределяя воду между контурами. Если установить патрубки на разных высотах, можно осуществить отбор воды с разной температурой.
Варианты модернизации
Глядя на простейший теплоаккумулятор своими руками, человек с инженерным образованием наверняка задумается о вариантах его модернизации. Сделать это можно следующими способами:
- Внизу устанавливают еще один теплообменник, посредством которого может происходить аккумуляция энергии, полученной солнечным коллектором
- Можно разделить внутреннее пространство бака на несколько секций, сообщающихся между собой, чтобы расслоение жидкости по температурам было более выраженным
- Тратиться на теплоизоляцию или нет – каждый решает сам для себя. Но несколько сантиметров пенополиуретана существенно снизят тепловые потери
- Увеличив количество патрубков, можно будет монтировать установку к более сложным отопительным системам с несколькими контурами, работающими независимо
- Можно сделать дополнительный теплообменник, в котором будет накапливаться питьевая вода
Видео — Тепловой аккумулятор в доме с периодической топкой
Собирать теплоаккумуляторы своими руками может абсолютно каждый. Для него нет необходимости покупать дорогостоящее оборудование, а самая простая модель состоит из комплектующих, которые у хорошего человека всегда в гараже или кладовой.
Все те, кто не доверяет самодельным устройствам, могут ознакомиться с богатым выбором моделей на рынках. Их стоимость более чем приемлемая, а вложенные средства быстро окупаются.
Есть возможность сэкономить немного тепла, выработанного котлом? Тогда точно не стоит от нее отказываться. Для работы котла, так сказать, «впрок» человечество давно и весьма удачно придумало теплоаккумулятор. Это устройство, которое собирает излишки тепловой энергии отопительного котла и придерживает его до подходящего момента. Подробнее об этом устройстве, а также о его плюсах и минусах вы можете прочитать в нашей статье по выбору теплоаккумулятора для котла. Но, как вы сами можете понимать, стоит такое удовольствие недешево – около 40 000 рублей и более за модель объемом 200 литров. А если вам необходимо устройство пообъемнее? Не каждый способен выложить такую кругленькую сумму, особенно, если вы вполне можете сделать это устройство самостоятельно. Так за чем же дело стало? Поехали!
Тепловой аккумулятор для электрокотла
Особую пользу такая система будет нести при условии ночного тарифа. Так, в темное время суток стоимость на электроэнергию может быть значительно меньшей по сравнению с дневной ценой на киловатт-часы.Поэтому функционирование аккумулятора отопления проходит по следующей схеме:
- В ночное время автоматизированный котел самостоятельно включается в нужное время, при этом нагревая аккумулятор отопления до температуры, равной 90°.
- Днем все полученное тепло расходуется на обогрев жилища. При этом регулировать расход воды можно, настроив желаемым образом производительность насоса циркуляции.
Несколько слов о модернизации
Схема подключения
При необходимости собранный нами тепловой аккумулятор легко модернизируется. Существует несколько способов.
- Мы можем установить снизу дополнительный теплообменник, благодаря которому будет накапливаться энергия, получаемая солнечным коллектором. Актуально для современных систем, использующих энергию солнца для обогрева помещений.
- Мы можем разделить внутреннее пространство емкости на несколько сообщающихся секций, что обеспечит более выраженное расслоение воды по температурам. Актуально для многоконтурных систем.
- Мы можем немного увеличить бюджет и выполнить теплоизоляцию стенок бака пенополиуретаном вместо минеральной ваты. Этот материал позволит дополнительно уменьшить потери тепла.
- Мы можем увеличить количество патрубков и подключить накопитель тепла к более сложной системе обогрева, построенной на базе нескольких независимых контуров. Актуально для отопительных систем, обслуживающих большие дома с помощью котлов высокой мощности.
- Мы можем установить дополнительный теплообменник для накопления воды. Ее можно будет использовать для различных бытовых и хозяйственных нужд.
Солнечный коллекторАбсорбер частично выгнут буквой UПрактически замкнут в кольцоОбщий вид готового теплообменника для самодельного теплоаккумулятора
Теперь вы владеете всеми необходимыми знаниями для самостоятельной сборки, установки, подключения и модернизации теплового аккумулятора.
Удачной работы!
Видео – Теплоаккумулятор своими руками
| Теплоаккумулятор Jaspi (л) | Время нагрева (час.) при мощности | ||||||||
|---|---|---|---|---|---|---|---|---|---|
| 20 кВт | 25 кВт | 30 кВт | 35 кВт | 40 кВт | 45 кВт | 50 кВт | 55 кВт | 60 кВт | |
| 500 | |||||||||
| 1000 | 2,3 | ||||||||
| 1200 | 2,8 | 2,2 | |||||||
| 1500 | 3,5 | 2,8 | 2,3 | ||||||
| 1800 | 3,4 | 2,8 | 2,4 | 2,1 | |||||
| 2000 | 3,1 | 2,7 | 2,3 | 2,1 | |||||
| 2400 | 3,2 | 2,8 | 2,5 | 2,2 | 2,0 | ||||
| 3000 | 3,5 | 3,1 | 2,8 | 2,5 | 2,3 | ||||
| 3500 | 3,3 | 3,0 | 2,7 | ||||||
| 4000 | 3,4 | 3,1 | |||||||
| 4500 | 3,5 |
Для чего нужен теплоаккумулятор, и как рассчитывается
Не для всех систем отопления теплоаккумулятор является необходимостью. Но вот владельца домов с электрическими или дровяными котлами – есть о чем задуматься.
Давайте для начала глянем на работу дровяного котла. Сразу бросается в глаза выраженная цикличность выработки тепловой энергии с чередованием различных этапов. От полного отсутствия поступления тепла при регулярной обязательной чистке камер и загрузке топки дровами, до максимальной теплоотдачи при выходе на полную мощность. И так далее – по устоявшемуся режиму работы системы.
Получается, что при активном горении дров тепло вырабатывается, скорее всего, с избытком, а при прогорании закладки его явно недостаточно. Теплоаккумулятор в такой ситуации помогает «сгладить эти синусоиды» — избыточное тепло в период активности накапливается, и по необходимости дозировано отдается в контур отопления.
Один из простейших вариантов обвязки твердотопливного котла с теплоаккумулятором
Электрические котлы относят к наиболее удобным и безопасным в эксплуатации, чрезвычайно простым и послушным в управлении. Но высокая стоимость электрической энергии «портит всю картину». Чтобы как-то снизить затраты, наверное, имеет смысл перенести работу электрического котельного оборудования на время действия льготных тарифов – на ночь. То есть в этот отрезок времени «накачивать теплом» теплоаккумулятор, а потом в течение дня постепенно расходовать созданный запас.
Кстати, наличие теплоаккумулятора – это большой плюс для тех, кто намеревается использовать альтернативные источники. Например, при желании к нему подключается и расположенный на крыше солнечный коллектор, который в погожий день может выдать очень существенный приток тепла.
Принцип устройства этого аккумулятора не столь сложен – по сути, это вместительный бак, заполненный водой. За счет высокой теплоёмкости воды он получает возможность накапливать тепло, которое потом рационально используется хорошо настроенной системой отопления.
Но какой объем такой буферной емкости необходим? Это необходимо знать хотя бы из тех соображений, чтобы предусмотреть свободное место в котельной для монтажа подобного крупногабаритного оборудования.
Для расчета имеется специальная формула, на основании которой был составлен онлайн-калькулятор, предлагаемый вниманию читателей.
Пояснения по проведению вычислений
Ля расчета пользователь должен указать в полях калькулятора несколько исходных величин.
Расчетное количество тепла, требуемое для полноценного отопления дома. По идее, хозяева должны располагать такой информацией, если живут в доме не первый год. Если нет, то придётся рассчитать, и с этим мы тоже поможем.
- Следующий параметр – паспортная мощность имеющегося котла. Следует прочувствовать разницу между этой и предыдущей величинами, так как их частенько путают.
- Период активности котла.
— Для твердотопливного – это известное владельцам по опыту обслуживания время прогорания дровяной закладки, то есть тот период, когда котел действительно поставляет тепло в общую «копилку».
— Для электрического – промежуток времени, на который запрограммирована работа котла в период действия льготного ночного тарифа.
- Коэффициент полезного действия котла – придется поискать в техническом описании модели. Иногда пишется сокращенно КПД, иногда обозначается греческой буквой η.
- Наконец, последние два поля калькулятора – это температурный режим работы системы отопления. То есть – температура в трубе подачи на выходе из котла, и в трубе «обратки» на входе в него.
Вот теперь осталось только нажать на клавишу «РАССЧИТАТЬ…» — и будет выдан результат в литрах и кубических метрах. От этого минимального значения и «пляшут» уже при выборе подходящей модели теплоаккумулятора. Такой прибор гарантированно обеспечит наиболее экономичную работу системы отопления.
Схема подключения теплового аккумулятора
Если человек знаком хотя бы поверхностно с тем, что такое отопительное оборудование, для чего предназначен тепловой аккумулятор и что он собою являет, проблем при монтаже не должно возникнуть. Проще всего купить готовый прибор, но следует учесть, что стоимость его не низкая. Само подключение выглядит следующим образом:
- накопительная ёмкость и обратный выход твердотопливного котла соединяются, между ними монтируется циркуляционный насос, обеспечивающие подачу горячей воды из системы отопления в тепловой аккумулятор;
- далее следует выполнить подключение трубопровода;
Как правильно подключить теплоаккумулятор
если предусматривается использование для организации системы отопления больше одного отопительного прибора, последовательно подключается каждый агрегат.
Тепловой аккумулятор нужно защитить от перегревания, иначе он может очень быстро выйти из строя без возможности устранения неполадки. Для регуляции температуры и предотвращения перегрева устанавливаются специальные клапаны, датчики.
Буферная емкость для твердотопливного котла своими руками является неплохой альтернативой дорогостоящему покупному оборудованию. Если вы решили-таки купить тепловой аккумулятор, при выборе модели обязательно учитывайте мощность твёрдотопливного котла отопления. На рынке представлены разные виды оборудования, принадлежащего к этой категории. Чтобы выбрать наиболее подходящий прибор, следует воспользоваться рекомендациями профессионалов.
Теплоаккумулятор в системе с твердотопливным котлом
В настоящее время теплоаккумуляторы чаще всего применяют в системах отопления с твердотопливными котлами. Характерная особенность твердотопливных котлов – оптимальный режим их функционирования связан с полным сгоранием топлива, т.е. достигается при работе на максимальной мощности. В противном случае, в результате неполного сгорания топлива, образуются токсичные газы, происходит засорение теплообменных поверхностей внутри котла, появляется в дымоходе сажа, что приводит к ухудшению эксплуатационных характеристик и даже выходу котла из строя, что небезопасно для дома и его обитателей.
Итак, лучше всего, когда котел работает «на полную». Такой режим вполне оправдан в холода, но большую часть года полученного в избытке количества тепла системе отопления дома просто не нужно – будет слишком жарко. Если у вас нет теплоаккумулятора, единственным выходом остается «отапливать улицу», т.е. открывать форточки. Это и дорого, и неэффективно.
Поэтому в систему отопления встраивают буферную емкость – она забирает излишки тепловой энергии, которые в противном случае попросту терялись бы бесцельно, чтобы впоследствии их использовать по назначению, не тратя на это топливо!
Вкратце, система отопления с твердотопливным котлом и теплоаккумулятором действует так. Во время работы твердотопливный котел не только подает нагретый теплоноситель в систему отопления дома, но и производит его нагрев в баке теплового аккумулятора. После того, как котел прекращает работать, дом, соответственно, начинает охлаждаться. В этот момент датчик температуры воздуха или датчик температуры теплоносителя в системе отопления подают сигнал на включение циркуляционного насоса, который обеспечивает подачу теплоносителя, накопленного в баке теплоаккумулятора, в систему отопления дома.
Cистема отопления с твердотопливным котлом и теплоаккумулятором.
Когда температура воздуха (теплоносителя) повышается до установленного значения, датчик выключает насос, и подача тепла прекращается. Температура теплоносителя в баке при этом немного уменьшается, т.к. часть энергии была передана в систему отопления. Следует отметить, что из-за хорошей теплоизоляции теплоаккумулятора, теплоноситель, находясь внутри бака, сам по себе остывает очень медленно. Циклы включения и выключения насоса продолжаются до тех пор, пока температура теплоносителя в теплоаккумуляторе будет оставаться выше, чем в системе отопления. А дом при этом не будет остывать.
Специалисты по-разному оценивают экономический эффект от установки теплоаккумулятора. Этот эффект зависит от многих факторов, о некоторых из них речь пойдет ниже. В среднем, он составляет от 20%, т.е. экономится каждый 5-й рубль. Отметим, что тепловой аккумулятор особенно эффективен в межсезонье, с его частыми температурными скачками.
И тут возникает еще одно полезное свойство теплового аккумулятора – помимо повышения безопасности дома и экономии ваших денег, он еще и дарит вам комфорт. Во-первых, с появлением в вашем доме буферной емкости, вам придется гораздо реже загружать топливо в котел. Если вы все рассчитали и установили правильно, если в вашем доме хорошая теплоизоляция, применяя теплоаккумулятор, вы сможете топить свой твердотопливный котел не несколько раз в день, а до 1 раза в 2 суток.
Во-вторых, тепловой аккумулятор способен сгладить «температурные скачки», связанные с остыванием теплоносителя в системе отопления, т.к. эта система становится более устойчивой и инерционной. В-третьих, он помогает упростить обслуживание твердотопливного котла и даже повысить срок его службы. В-четвертых, с помощью теплоаккумулятора можно дополнительно обеспечить ваш дом горячей водой, но данная возможность предусмотрена не во всех моделях.
Где применяется устройство
https://youtube.com/watch?v=V8MNZd2-710
Но теплоаккумулятор будет целесообразен в нескольких случаях:
- Когда в отопительной системе используются котлы на твердом топливе, и нет возможности постоянно их обслуживать. Так, теплоаккумулятор может обеспечить постоянную температуру в помещении и сгладить скачки.
- Когда используется электрическое водяное отопление и дифференцированная оплата за электроэнергию. Самодельный теплоаккумулятор отопления сможет накопить тепло в те часы, когда тариф минимальный, а далее нагревать при самой маленькой мощности.
- Когда отопительная система имеет периоды пикового разбора теплоэнергии, а установка дополнительного котла нецелесообразны. Система отопления с тепловым аккумулятором обеспечит отдачу тепла в эти промежутки времени.
Дорогие агрегаты
В раздел дорогих агрегатов попали те, чья стоимость превышает 100000 руб., как правило, они имеют все дополнительные функции обеспечивающие нужную работу систем отопления.
Electric boiler Heat Tank
Данная модель относится к промышленным, вмещает в себя порядка 1500 литров воды и позволяет поддерживать температуру от +35 до +85 градусов. Подходит для работы совместно с газовыми и твердотопливными котлами. Тэна мощностью в 30 кВт позволяет использовать электрическую энергию в качестве запасного источника питания. Контейнер выполнен из нержавеющей стали и имеет теплоизоляцию в 25 мм, а также дополнительную защиту в виде нейлонового чехла, который предохраняет от появления коррозии. Небольшие габариты (диаметр 1 м, высота 2 м) позволяют с легкостью размещать прибор в нужном месте, а расположение патрубков позволяют с легкостью подключить модель. По желанию можно установить трубчатый теплообменник, тем самым увеличить мощность ТЭНа до 150 кВт.
Electric boiler Heat Tank
Достоинства:
- имеет точные настройки термостата;
- плавно регулируется;
- есть автоматический выключатель ТЭН;
- прогревается меньше чем за 3 часа;
- есть предохранительный клапан;
- давление в 0,6 атмосфер.
Недостатки:
- цена;
- не подойдет для использования технической воды.
Oso Accu АS
Довольно компактная модель Oso Accu АS, имеет объем в 100 литров и подходит для работы с солнечными коллекторами или небольшими тепловыми насосами. Внутренняя часть емкости выполнена из нержавеющей стали, а сама конструкция выдерживает давление в 9 атмосфер. Набольшие размеры 45 на 45 см, позволяют устанавливать прибор в любом месте помещения и с легкостью произвести простую стыковку с обвязкой. Модель продается без теплоизоляции и позволяет самостоятельно выбрать и установить подходящий уровень защиты предотвращающий тепловые потери. Максимальную безопасность в случае выхода источника из строя, обеспечивает полная нагрузка на наконечник.
Oso Accu АS
Достоинства:
- устройство выполнено в современном дизайне;
- имеет высокую устойчивость к коррозии;
- подводка расположена с боку;
- эффективность;
- ТЭН встроен;
- предусмотрены двойные соединения.
Недостатки:
- высокая цена;
- нет теплообменников.
S-Tank Hfwt DUO -1000
Тепловой аккумулятор S-Tank Hfwt DUO-1000 подойдет для использования как в жилом помещении, так и в небольшом промышленном. Объем бака достигает 1000 литров и оснащен двумя спиралевидными теплообменниками из нержавейки. Модель комплектуется с солнечными коллекторами, котлами работающими на природном газе или твердом топливе, а также с тепловыми насосами. Змеевик расположенный в нижней части бака подключается к источнику обогрева, вода, проходящая по змеевику сверху, прогревается до температуры на 2 градуса ниже, чем жидкость, накопленная в самом баке. В пользовании владельцев регулярно находится порядка 1000 литров горячей воды. В комплекте с агрегатом идет теплоизоляционный кожух, выполненный из гибкого пенополиуретана и полиэфира. Рабочее давление в теплообменнике может достигать 6 атмосфер.
S-Tank Hfwt DUO -1000
Достоинства:
- самая высокая температура нагрева достигает 95 градусов;
- повышенная устойчивость к воздействию коррозии;
- в данной модели в качестве теплоносителя можно использовать водногликовые растворы;
- гарантийный срок от производителя равен 5 годам;
- устойчивая конструкция.
Недостатки:
цена.
Drazice Nado 300/20 v6
Отличный агрегат, имеющий два теплообменника, один из которых предназначен для нагрева 20 литров технической жидкости, а второй — для состыковки с солнечным коллектором. Drazice Nado 300/20 v6 объемом в 300 литров внутри покрыт эмалью, максимальная температура нагрева достигает 110 градусов. В комплекте идут два патрубка для ввинчиваемых нагревателей жидкости, работающих от электросети. Необходимый уровень тепла поддерживается за счет установленной теплоизоляции в виде слоя полиуретана и съемного кожуха. Сосуд окрашен специальной устойчивой к жару краской, благодаря которой, обеспечивается высокий уровень защиты от ржавчины.
Drazice Nado 300/20 v6
Достоинства:
- змеевик располагается по всей длине емкости, что повышает теплоотдачу;
- размеры настолько компакты, что позволяют монтировать его даже в небольшом помещении;
- изоляционный материал представлен в отдельной упаковке;
- удачно расположены патрубки.
Недостатки:
стоимость.
Устройство
Главной деталью аккумулятора тепла является нержавеющий бак цилиндрической формы, наполненный жидкостью с высоким коэффициентом теплоотдачи.

Устройство теплоаккумулятора в разрезе
Обвязка бака теплоизолирующим материалом и установка верхней рубашки позволяет увеличить время остывания теплового аккумулятора. Больше всего резервуар для сохранения тепла напоминает термос. Внутри цилиндрической емкости располагают от одного до трех теплообменников. Количество змеевиков зависит от потребностей и возможностей потребителя. Мастеровитые домовладельцы, не боящиеся сложностей, могут своими руками смонтировать необходимое количество теплообменников.
Разогретая вода от газовых или твердотопливных котлов поступает в полость аккумулирующего бака сверху, остывшая жидкость оседает вниз и вновь перекачивается в котел для разогрева.
Рациональное расположение змеевиков в ТА:
- верхняя часть бака подключается к горячему водоснабжению, температура которого может достигать 80-85°C;
- к средней части (60-65°C) подсоединяют отопительные приборы;
- нижний отсек, имеющий температуру около 35-40°C, присоединяют к теплым полам.
В системах с высокой коррозионной активностью во внутреннюю полость дополнительно монтируется магниевый анод. Для твердотопливных котлов, связанных водяным контуром с теплоаккумулятором, внутри бойлера устанавливают ТЭН, он позволяет поддерживать тепло, при остановке источника более чем на 10-12 часов.
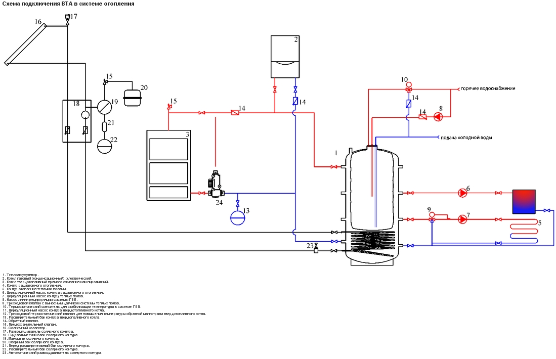
Схемы подключения
Способов обвязки котла твердотопливного с теплоаккумулятором и системой отопления существует немало. Но все они производные от базовой схемы, изображенной ниже. С ее помощью легко разобраться, как эти агрегаты работают в паре, а после все смонтировать своими руками.
Источник тепла, работающий на твердом топливе, имеет традиционный котловой контур со смесительным узлом, чья задача – не допустить подачу холодного теплоносителя в котел. Затем подающий и обратный трубопроводы подключены к буферной емкости, соответственно, сверху и снизу. Таким же образом к теплоаккумулятору присоединяется система отопления, тоже оснащенная узлом смешивания. Его цель – поддерживать в системе требуемую температуру воды, подмешивая часть горячего теплоносителя при необходимости.
На самом деле сетевой насос будет мощнее котлового и вот почему. Сопротивление сети трубопроводов и радиаторов выше, нежели 3—5 м трубы от твердотопливного котла до теплоаккумулятора. Более высокая мощность и напор нужны агрегату, чтобы преодолеть это сопротивление. Поэтому более слабый насос котлового контура сможет обеспечить больший расход, надо только верно настроить оба агрегата. Есть 2 варианта решения вопроса:
- При использовании 3-скоростных насосов можно настроить их производительность переключением скоростей.
- Поставить на входе обратки из системы в буферную емкость балансировочный вентиль, которым и производить регулировку.
Одновременный прогрев отопительных приборов и послойная загрузка теплоаккумулятора возможна, когда потоки внутри бака движутся по горизонтали с небольшим преобладанием со стороны твердотопливного котла. Возникает вопрос – как это проверить? Возникает ответ: на обеих вводах обратки в бак надо поставить термометры (как на схеме) и выполнять регулировку, переключая скорости насосов или вращая балансировочный вентиль
Важное условие: трехходовой клапан отопительной сети нужно полностью открыть вручную
Регулировкой необходимо добиться, чтобы температура на входе в теплоаккумулятор (Т1) была меньше, чем на его выходе (Т2). Это означает, что часть горячей воды идет на «зарядку» батареи. Подробнее обо всех моментах вы сможете узнать от эксперта, просмотрев видео:
Watch this video on YouTube
Альтернативная схема
Данная схема обвязки буферной емкости и твердотопливного котла предложена одним из участников популярного форума. Ее особенность состоит в том, что при отключении электроэнергии работоспособность схемы сохраняется, хотя за это приходится расплачиваться увеличенными диаметрами стальных труб. Ниже на рисунке изображено подключение теплоаккумулятора к закрытой системе отопления, но при монтаже ее лучше сделать открытой, о чем говорит и сам автор.
Вкратце суть такова: благодаря Т-образному вводу сверху бака происходит одновременный нагрев радиаторов и «зарядка» термоаккумулятора, сделанного своими руками. Насосом котлового контура управляет накладной датчик на подающей магистрали, включая агрегат по достижении в нем температуры 60 °С. Циркуляция в сети зависит от комнатного термостата, с которым связан сетевой насос.
Зачем нужен
Теплоаккумулятор представляет собой хорошо утепленный резервуар большой емкости, наполненный теплоносителем, водой. За счет высокой теплоемкости воды при нагреве всего объема в емкости аккумулируется значительный запас тепловой мощности, которую можно использовать по назначению в то время, когда котел не справляется или вовсе бездействует.
Это самое простое определение теплоаккумулятора, однако, назначение и область применения у него гораздо шире.
Теплоаккумулятор фактически повышает объем теплоносителя в контуре отопления, теплоемкость и соответственно инертность всей системы. Для нагрева всего объема потребуется больше энергии и времени при ограниченной мощности отопления, но и остывать аккумулятор будет очень долго. По необходимости горячая вода из аккумулятора может подаваться в контур отопления и поддерживать комфортную температуру в доме.
Чтобы оценить преимущества теплоаккумулятора, проще всего рассмотреть для начала несколько ситуаций:
- Твердотопливный котел лишь периодически подогревает воду. В момент розжига мощность минимальна, во время активного горения мощность возрастает до максимума, после прогорания закладки она вновь спадает и так цикл повторяется. В итоге температура воды в контуре постоянно колеблется в достаточно большом диапазоне;
- Для получения горячей воды требуется установка дополнительного теплообменника или внешнего бойлера с косвенным нагревом, что существенно сказывается на работе контура отопления;
- К системе отопления, построенной вокруг твердотопливного котла, подключить дополнительные источники тепла предельно сложно. Потребуется сложная развязка, желательно с автоматическим управлением;
- Твердотопливный котел, даже длительного горения, постоянно требует внимания пользователя. Стоит пропустить время закладки новой порции топлива, как теплоноситель в контуре отопления уже начинает остывать, как и весь дом;
- Часто максимальная мощность котла бывает избыточной, особенно весной и летом, когда не требуется максимальная отдача.
Решением для всех вышеперечисленных ситуаций становится теплоаккумулятор, притом бескомпромиссным и самым доступным в плане реализации и стоимости. Он выступает в роли узла развязки между твердотопливным котлом и контуром (-ами) отопления и отличной базовой площадкой для включения дополнительных функций.
По конструкции теплоаккумулятор может быть:
- «пустым» – простая утепленная емкость с прямым подключением;
- со змеевиком или регистром труб в качестве теплообменника;
- со встроенным бойлерным баком.
С полным «обвесом» теплоаккумулятор способен:
- Накапливать и сохранять значительный объем тепловой энергии, в первую очередь избыточную, с последующей отдачей его в контур отопления. Даже если пропустить одну или две заправки дров, и котел остановится, температура в доме опустится всего на пару градусов. Для электрокотлов есть возможность установить расписание, по которому трата электроэнергии будет происходить только ночью по сниженному тарифу, тогда как днем тепло будет поступать от теплоаккумулятора;
- При наличии нижнего теплообменника – подключать дополнительные источники тепла, солнечный коллектор, запасной котел, работающий на газу или дизтопливе, геотермальный тепловой насос;
- С вмонтированными ТЭНами использоваться в качестве запасного источника тепла на случай, если твердотопливный котел не работает или отключен для профилактики и ремонта;
- При наличии верхнего теплообменника – для подключения контура ГВС или бойлера косвенного нагрева. Некоторые модели теплоаккумуляторов вместо теплообменника снабжаются готовым бойлером, размещенным внутри основной емкости;
- Реализовать дополнительную защиту в системах с принудительной циркуляцией на случай отключения электроэнергии, не допуская перегрева воды в котле. Рассматривая емкость как узел гидроразвязки, его можно подключить по смешанной схеме с котлом, выше него и трубами большего диаметра для поддержания естественной циркуляции. В это же время раздача по радиаторам будет осуществляться насосом в принудительном порядке. Даже если электричество отключено или циркуляционный насос вышел из строя, то вода в котле не закипит, а будет циркулировать в малом контуре, завязанном на теплоаккумуляторе.
Против скачков в давлении водоснабжения
Водопроводная сеть часто бывает нестабильной, поэтому элементы системы отопления, использующие ее, могут страдать от скачков давления. Чтобы обезопасить технику, используется гидроаккумулятор для системы отопления. Часто его сравнивают с мембранным расширительным баком, но не все знают, что это не одно и то же.
Гидроаккумулятор в системе отопления
Мембранный бак используется для того чтобы сгладить расширения теплоносителя (воды). А для питьевой воды используется гидроаккумулятор для системы отопления схема установки которого служит для поддержания запаса воды, поддержания необходимого напора, защиты системы от гидроударов.





































